Скачать Типовой проект 903-1-270.89 Альбом 4. Часть 2. Электрооборудование силовое. Управление электроприводамиДата актуализации: 10.08.2017 Типовой проект 903-1-270.89
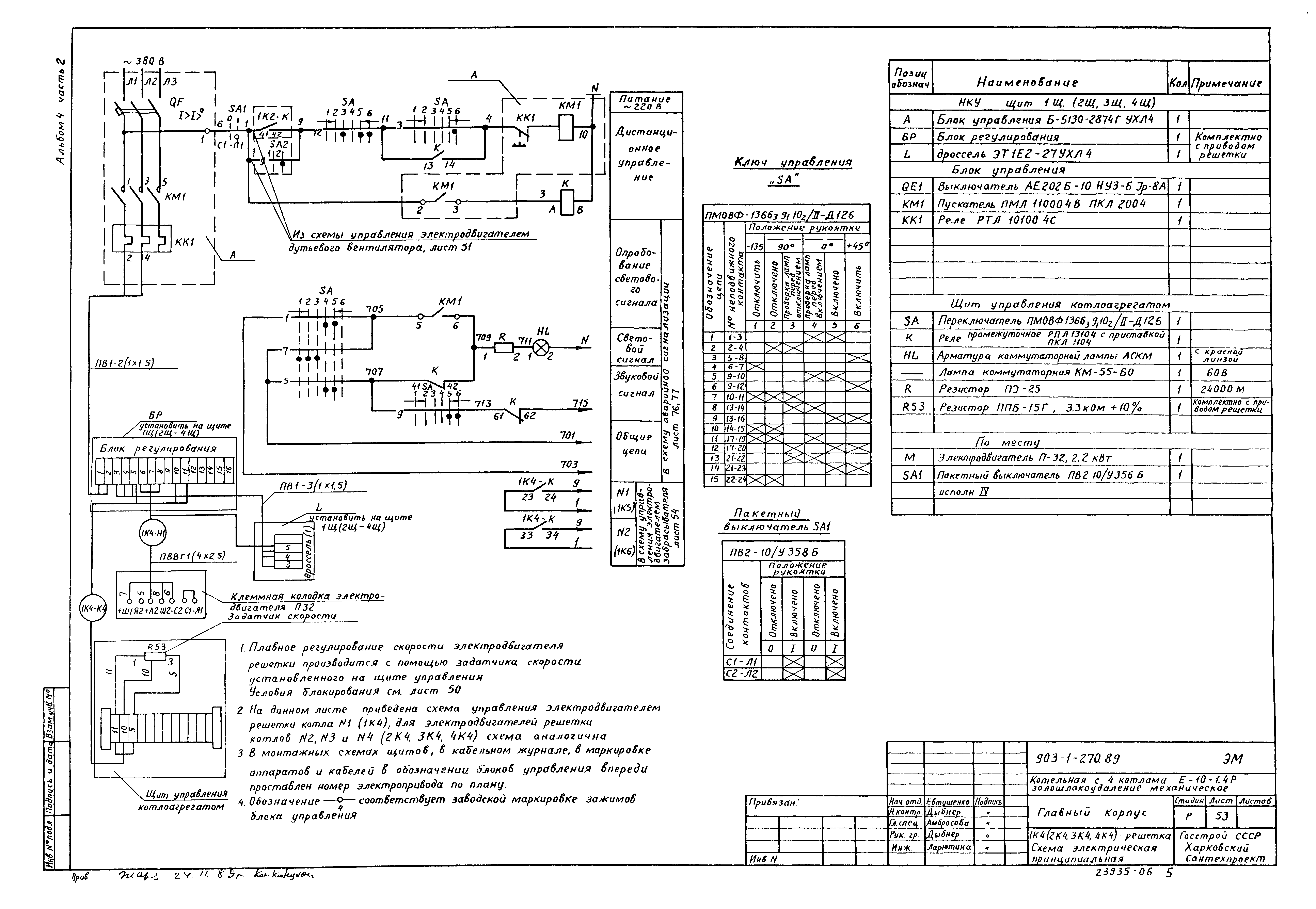
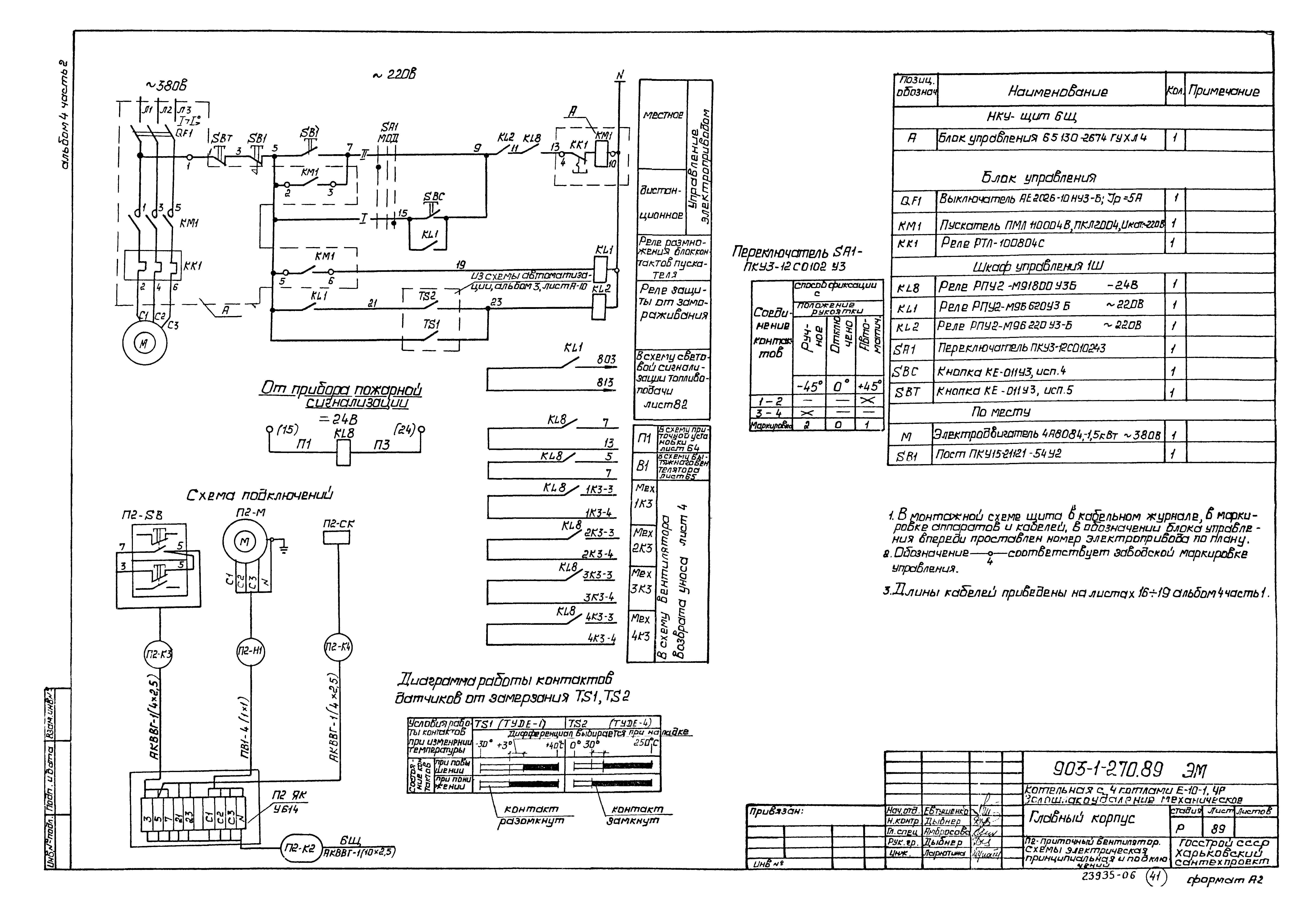
Альбом 4. Часть 2. Электрооборудование силовое. Управление электроприводамиОбозначение: | Типовой проект 903-1-270.89 | Обозначение англ: | 903-1-270.89 | Статус: | не определен законодательством | Название рус.: | Альбом 4. Часть 2. Электрооборудование силовое. Управление электроприводами | Дата добавления в базу: | 01.09.2013 | Дата актуализации: | 05.05.2017 | Дата введения: | 12.07.1989 | Оглавление: | ТП 903-1-270.89 ЭМ Силовое электрооборудование - ЭМ ТП 903-1-270.89 ЭМ 1К1(2К1,3К1,4К1)-дымосос. Схема электрическая принципиальная ТП 903-1-270.89 ЭМ 1К2(2К2,3К2,4К2)-Дутьевый вентилятор. Схема электрическая принципиальная ТП 903-1-270.89 ЭМ 1К3(2К3,3К3,4К3)-Вентилятор возврата уноса. Схема электрическая принципиальная ТП 903-1-270.89 ЭМ 1К4(2К4,3К4,4К4)-Решетка. Схема электрическая принципиальная ТП 903-1-270.89 ЭМ 1К5(1К6,2К5,2К6,3К5,3К6,4К5,4К6)-Забрасыватель. Схема электрическая принципиальная ТП 903-1-270.89 ЭМ 1К7(2К7,3К7,4К7)-Скреперно-ковшовый подъемник. Схема электрическая принципиальная (начало) ТП 903-1-270.89 ЭМ 1К7(2К7,3К7,4К7)-Скреперно-ковшовый подъемник. Схема электрическая принципиальная (продолжение) ТП 903-1-270.89 ЭМ 1К7(2К7,3К7,4К7)-Скреперно-ковшовый подъемник. Схема электрическая принципиальная (окончание) ТП 903-1-270.89 ЭМ 1К7(2К7,3К7,4К7)-Скреперно-ковшовый подъемник. Схема подключений ТП 903-1-270.89 ЭМ Мех 1(2,3)-Сетевой насос. Схема электрическая принципиальная ТП 903-1-270.89 ЭМ Мех 4(5)-Питательный насос. Схема электрическая принципиальная ТП 903-1-270.89 ЭМ Мех 6(7)-Подпиточный насос. Схема электрическая принципиальная ТП 903-1-270.89 ЭМ Мех 8(9,10)-Насос горячего водоснабжения. Схема электрическая принципиальная ТП 903-1-270.89 ЭМ Мех 11(12)-Насос рабочей воды. Схема электрическая принципиальная ТП 903-1-270.89 ЭМ Мех 13(14)-Насос исходной воды гв. Схема электрическая принципиальная ТП 903-1-270.89 ЭМ Мех 15(16,17)-Задвижка на напорном патрубке сетевого насоса. Схемы электрическая принципиальная и подключений ТП 903-1-270.89 ЭМ Мех 13(19)-Перекачивающий насос. Схема электрическая принципиальная ТП 903-1-270.89 ЭМ Мех 21-Вентиль подпиточный. Схема электрическая принципиальная ТП 903-1-270.89 ЭМ Мех 22(23)-Насос обратного водоснабжения. Схема электрическая принципиальная ТП 903-1-270.89 ЭМ Мех 26(7+28)-ВПУ. Насос исходной воды. Схема электрическая принципиальная ТП 903-1-270.89 ЭМ Мех 24-Задвижка на горячей воде. Схема электрическая принципиальная ТП 903-1-270.89 ЭМ Мех 31(32,33)-ВПУ. Подкачивающий насос. Схема электрическая принципиальная ТП 903-1-270.89 ЭМ Мех 34(35)-Насос-дозатор. Схемы электрическая принципиальная и подключений ТП 903-1-270.89 ЭМ Мех 36-Насос загрязненных вод. Схема электрическая принципиальная ТП 903-1-270.89 ЭМ П-1-Приточный вентилятор. Схемы электрическая принципиальная и подключений ТП 903-1-270.89 ЭМ В-1-Вытяжной вентилятор. Схемы электрическая принципиальная и подключений ТП 903-1-270.89 ЭМ Аварийная и сигнализация. Схема электрическая принципиальная (начало) ТП 903-1-270.89 ЭМ Аварийная и сигнализация. Схема электрическая принципиальная (окончание) ТП 903-1-270.89 ЭМ Механизмы топливоподачи. Схема управления функциональная ТП 903-1-270.89 ЭМ Механизмы топливоподачи. Схема управления принципиальная (начало) ТП 903-1-270.89 ЭМ Механизмы топливоподачи. Схема управления принципиальная (окончание) ТП 903-1-270.89 ЭМ Механизмы топливоподачи. Схема сигнализации принципиальная (начало) ТП 903-1-270.89 ЭМ Механизмы топливоподачи. Схема сигнализации принципиальная (окончание) ТП 903-1-270.89 ЭМ Мех. 41(42)-Дробилка. Схемы сигнализации принципиальная и подключений ТП 903-1-270.89 ЭМ Мех. 43-Ленточный конвейер. Схемы сигнализации принципиальная и подключений ТП 903-1-270.89 ЭМ Мех. 44(45,50)-Плужковый сбрасыватель. Схемы сигнализации принципиальная и подключений ТП 903-1-270.89 ЭМ Мех. 60-Насос загрязненных вод. Схема сигнализации принципиальная ТП 903-1-270.89 ЭМ Мех. 61. Вентиль дренчерной завесы. Схемы сигнализации принципиальная и подключений ТП 903-1-270.89 ЭМ Мех. 62. Вентиль гидрообеспыливания. Схемы сигнализации принципиальная и подключений ЭМ П2-Приточный вентилятор. Схема электрическая | Разработан: | Харьковский Промстройниипроект Харьковский Сантехпроект
| Утверждён: | 12.07.1989 Сантехниипроект (10)
| Издан: | ЦИТП Госстроя СССР (CITP, Gosstroy (USSR) 1990 г. )
| Расположен в: |
| Заменяет собой: | |
                                        
|