Скачать Типовой проект 902-2-412.86 Альбом 2. Технологические, архитектурно-строительные, санитарно-технические решения. Внутренний водопровод и канализация. Нестандартизированное оборудованиеДата актуализации: 10.08.2017 Типовой проект 902-2-412.86
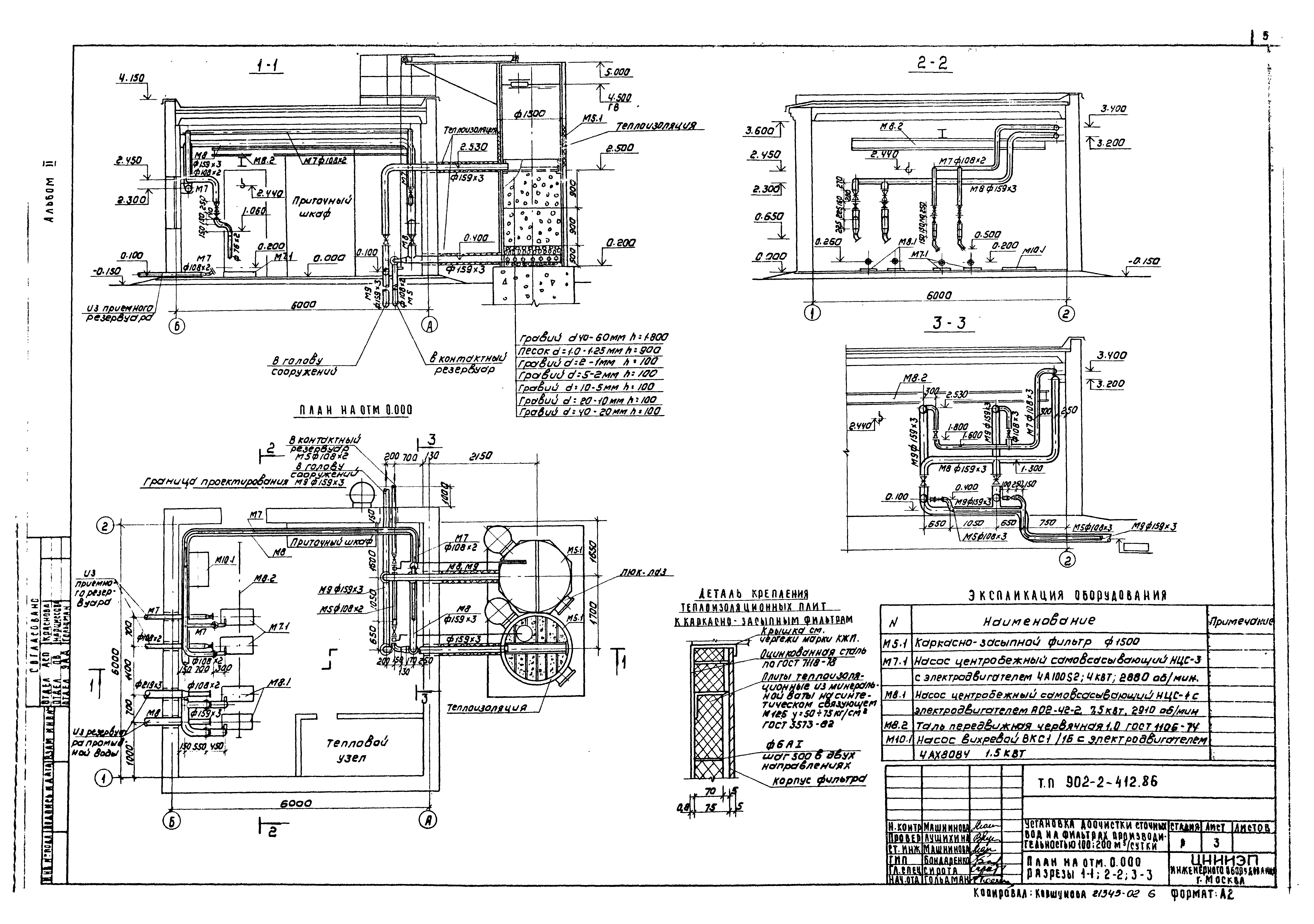
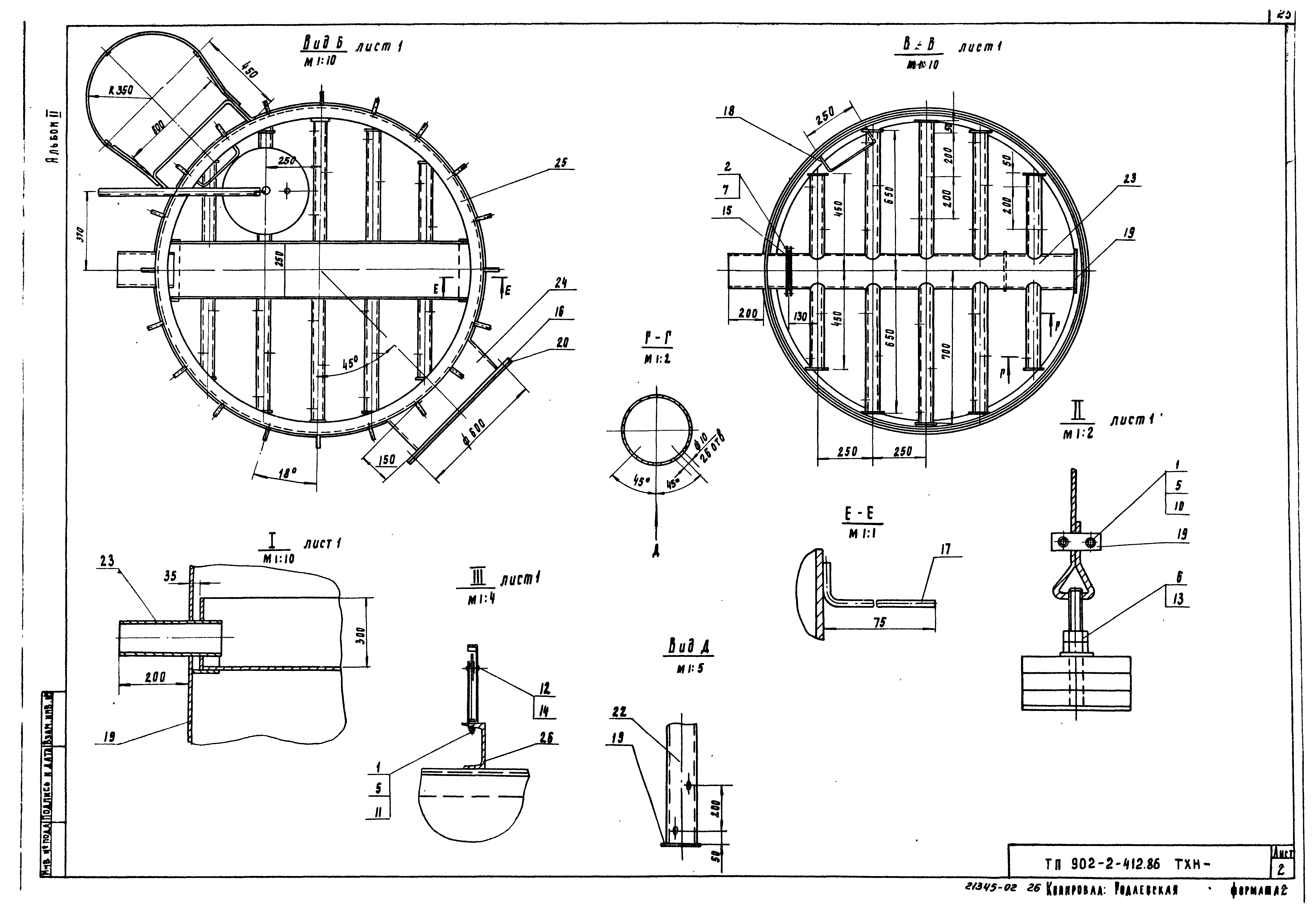
Альбом 2. Технологические, архитектурно-строительные, санитарно-технические решения. Внутренний водопровод и канализация. Нестандартизированное оборудованиеОбозначение: | Типовой проект 902-2-412.86 | Обозначение англ: | 902-2-412.86 | Статус: | не определен законодательством | Название рус.: | Альбом 2. Технологические, архитектурно-строительные, санитарно-технические решения. Внутренний водопровод и канализация. Нестандартизированное оборудование | Дата добавления в базу: | 01.09.2013 | Дата актуализации: | 05.05.2017 | Дата введения: | 01.09.1986 | Оглавление: | Содержание альбома Технологические решения Общие данные Технологическая схема План на отм. 0,000. Разрезы 1-1, 2-2, 3-3 Схемы трубопроводов М5, М7, М8, М9, М10 Приемный резервуар и резервуар промывной воды. План. Разрез 1-1. Схемы трубопроводов Архитектурно-строительные решения Примерный генплан М 1 : 200 Общие данные План. Разрезы 1-1, 2-2. Фасады 1-2, А-Б, 2-1, Б-А. Детали Приточный шкаф Конструкции железобетонные Общие данные Схемы расположения ленточных фундаментов, фундаментов под оборудование, плит покрытия. Разрезы Резервуар промывной воды. Опалубочный чертеж и армирование. Приемный резервуар Конструкции металлические Общие данные (начало). Техническая спецификация стали Общие данные (продолжение). Техническая спецификация стали на типовые конструкции Общие данные (окончание). Ведомость металлоконструкций по видам профилей Схемы расположения площадки для обслуживания фильтров и подвесных путей. Подставка под ребристые трубы Щит металлический. Жалюзийная решетка Щит деревянный. Изделие закладное МН2 Отопление и вентиляция Общие данные. План. Схема системы отопления. Схема системы В1. Схема системы теплоснабжения установки ПЕ1. Узел управления Воздуховод из асбестоцементных листов. Узлы соединений Тепловая изоляция Воздухосборник вертикальный Внутренний водопровод и канализация Общие данные. План на отм. 0,000 Схемы трубопроводов В1, К1 Нестандартизированное оборудование Каркасно-засыпной фильтр. Эскизный чертеж общего вида Изоляция трубопроводов мягкими теплоизоляционными материалами | Разработан: | ЦНИИЭП иженерного оборудования
| Утверждён: | 28.02.1986 Госгражданстрой (Gosgrazhdanstroy 68)
| Расположен в: |
|
                         
|