| ||||||||||||||||||||||||||
Скачать Шифр 22.0099 Стальные многогранные опоры ВЛ 110 кВДата актуализации: 10.08.2017
|
| Обозначение: | Шифр 22.0099 |
| Обозначение англ: | 22.0099 |
| Статус: | не определен законодательством |
| Название рус.: | Стальные многогранные опоры ВЛ 110 кВ |
| Дата добавления в базу: | 01.09.2013 |
| Дата актуализации: | 05.05.2017 |
| Дата введения: | 25.02.2003 |
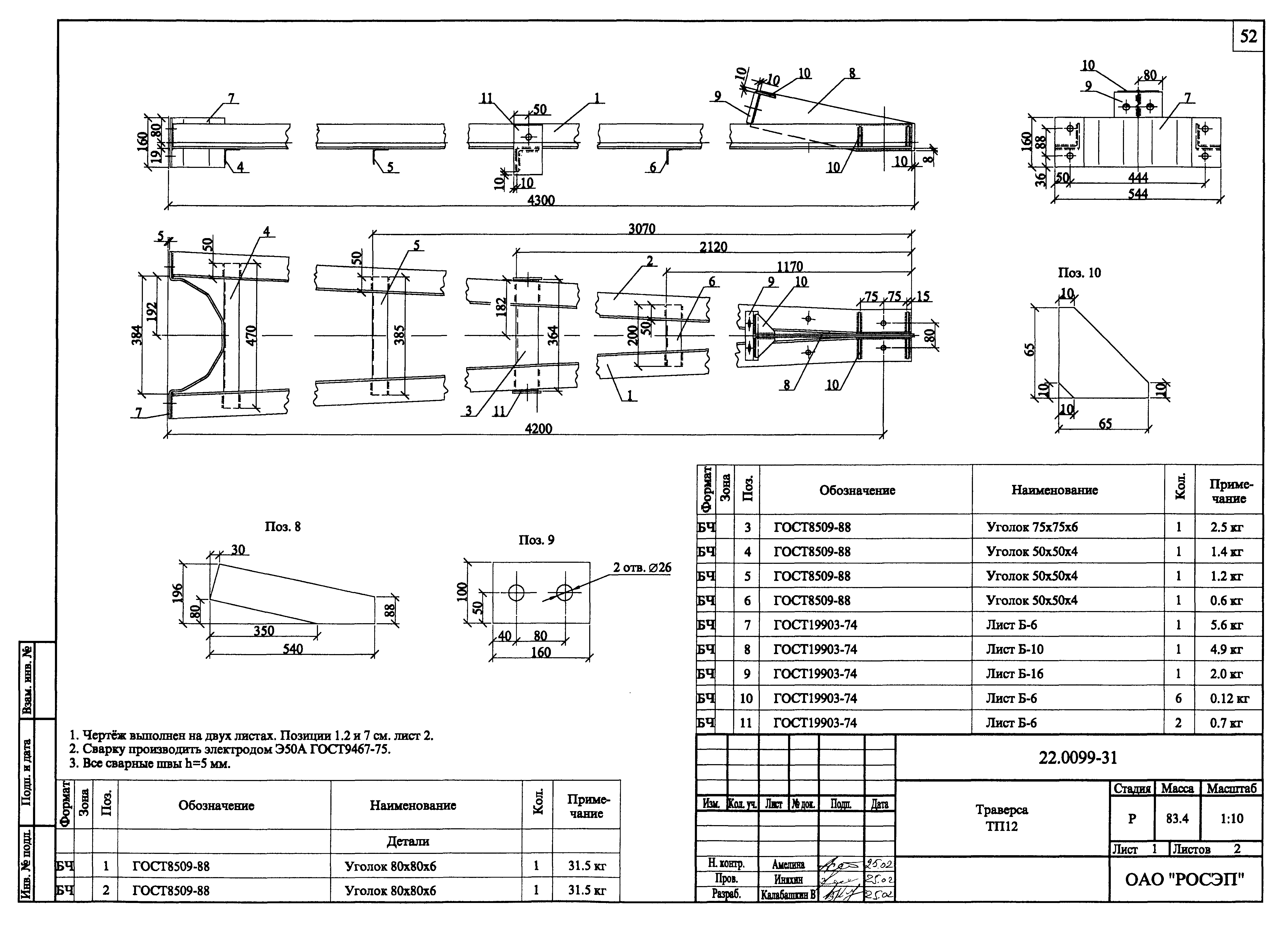
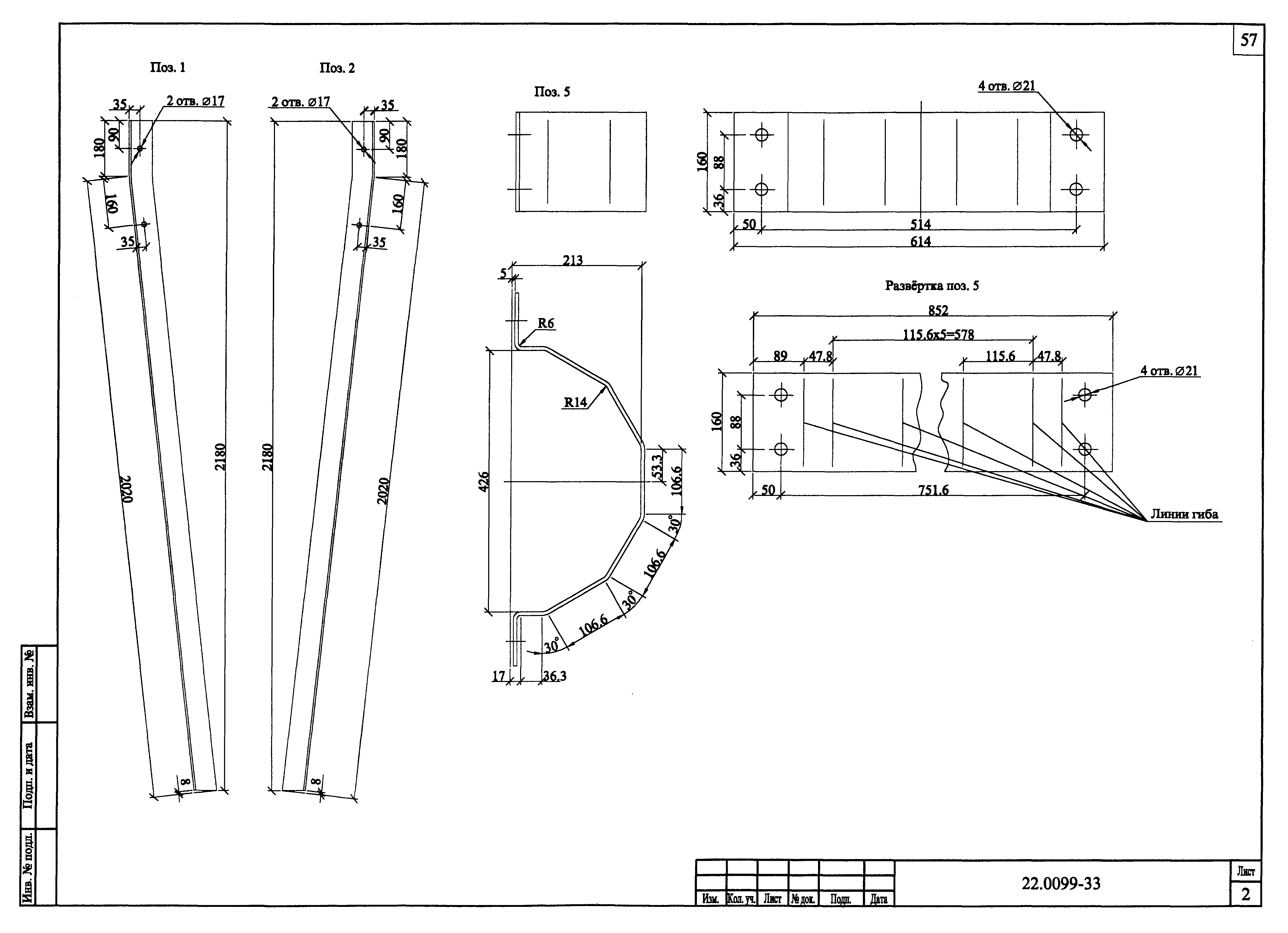
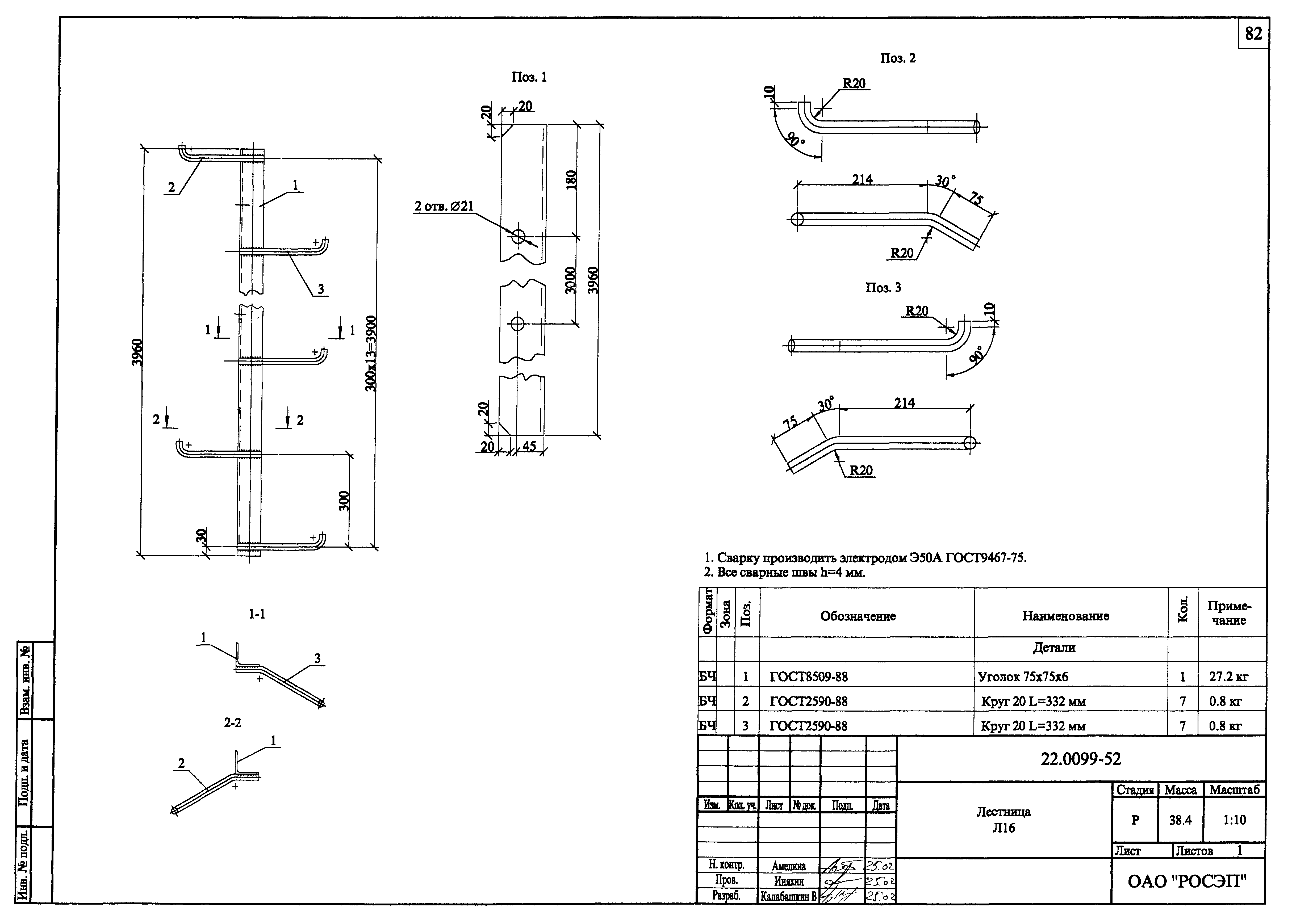
| Оглавление: | 22.0099-00 Содержание 22.0099-ПЗ пояснительная записка 22.0099-01 Номенклатура опор 22.0099-02 Промежуточная опора ПМ110-1. Общий вид. Схема установки стойки 22.0099-03 Промежуточная опора ПМ110-2. Общий вид. Схема установки стойки 22.0099-04 Анкерная опора АМ110-1. Угловая анкерная опора УАМ110-1. Общий вид. Схема установки стойки 22.0099-05 Поддерживающая гирлянда изоляторов 22.0099-06 Натяжная гирлянда изоляторов 22.0099-07 Подвеска натяжная изолирующая (для троса) 22.0099-08 Зажимы 22.0099-09 Стойка СМ11 22.0099-10 Нижняя секция НС11 22.0099-11 Средняя секция СС11 22.0099-12 Верхняя секция ВС11 22.0099-13 Стойка СМ12 22.0099-14 Нижняя секция НС12 22.0099-15 Средняя секция СС12 22.0099-16 Верхняя секция ВС12 22.0099-17 Стойка СМ13 22.0099-18 Верхняя секция ВС13 22.0099-19 Стойка СМ14 22.0099-20 Тросостойка ТР3 22.0099-21 Стяжка СТ5 22.0099-22 Стяжка СТ6 22.0099-23 Стяжка СТ7 22.0099-24 Стяжка СТ8 22.0099-25 Крышка К2 22.0099-26 Крышка К4 22.0099-27 Крышка К5 22.0099-28 Диафрагма Д2 22.0099-29 Траверса ТП10 22.0099-30 Траверса ТП11 22.0099-31 Траверса ТП12 22.0099-32 Траверса ТП13 22.0099-33 Траверса ТП14 22.0099-34 Траверса ТП15 22.0099-35 Траверса ТА5 22.0099-36 Траверса ТА6 22.0099-37 Хомут Х31 22.0099-38 Хомут Х32 22.0099-39 Хомут Х33 22.0099-40 Хомут Х34 22.0099-41 Хомут Х35 22.0099-42 Хомут Х36 22.0099-43 Хомут Х37 22.0099-44 Хомут Х38 22.0099-45 Хомут Х39 22.0099-46 Оттяжка ОТ4 22.0099-47 Оттяжка ОТ5 22.0099-48 Подкос ОТ6 22.0099-49 Оттяжка ОТ7 22.0099-50 Схемы установки лестниц 22.0099-51 Лестница Л13, Л14, Л15 22.0099-52 Лестница Л16 22.0099-53 Хомут Х40 22.0099-54 Хомут Х41 22.0099-55 Хомут Х42 22.0099-56 Хомут Х43 22.0099-57 Хомут Х44 22.0099-58 Хомут Х45 22.0099-59 Хомут Х46 22.0099-60 Хомут Х47 22.0099-61 Ригель Р1 |
| Разработан: | ОАО РОСЭП |
| Утверждён: | 25.02.2003 ОАО РОСЭП |
| Расположен в: |






























































































