Информационная система
«Ёшкин Кот»

Скачать базу одним архивом
Скачать обновления
История создания базы
Карта сайта

Скачать Типовой проект 903-1-246.87 Альбом 11. Автоматизация. Схемы функциональные

Дата актуализации: 10.08.2017

Типовой проект 903-1-246.87

Альбом 11. Автоматизация. Схемы функциональные

Обозначение: Типовой проект 903-1-246.87
Обозначение англ: 903-1-246.87
Статус:не определен законодательством
Название рус.:Альбом 11. Автоматизация. Схемы функциональные
Дата добавления в базу:01.09.2013
Дата актуализации:05.05.2017
Дата введения:01.11.1987
Оглавление:Общие данные (начало)
Общие данные (продолжение)
Общие данные (окончание)
Котел ДЕ-16-14ГМ №1 (2, 3, 4). Схема автоматизации функциональная (начало)
Котел ДЕ-16-14ГМ №1 (2, 3, 4). Схема автоматизации функциональная (окончание)
Котел ДЕ-16-14ГМ №1 (2, 3, 4). Схема соединения внешних проводок (начало)
Котел ДЕ-16-14ГМ №1 (2, 3, 4). Схема соединения внешних проводок (продолжение)
Котел ДЕ-16-14ГМ №1 (2, 3, 4). Схема соединения внешних проводок (окончание)
Котел ДЕ-16-14ГМ №1 (2, 3, 4). План расположения (начало)
Котел ДЕ-16-14ГМ №1 (2, 3, 4). План расположения (окончание)
Котел ДЕ-16-14ГМ №1 (2, 3, 4). Стенды приборов №1, 2, 3. Схема подключения внешних проводок
Котел ДЕ-16-14ГМ №1 (2, 3, 4). Щит общих замеров. Схема подключения внешних проводок
Котел ДЕ-16-14ГМ №1 (2, 3, 4). Щит управления Щ-ДЕ. Схема подключения внешних проводок
Вспомогательное оборудование. Схема автоматизации функциональная (начало)
Вспомогательное оборудование. Схема автоматизации функциональная (продолжение)
Вспомогательное оборудование. Схема автоматизации функциональная (окончание)
Вспомогательное оборудование. Схема соединения внешних проводок (начало)
Вспомогательное оборудование. Схема соединения внешних проводок (продолжение)
Вспомогательное оборудование. Схема соединения внешних проводок (окончание)
Вспомогательное оборудование. План расположения (начало)
Вспомогательное оборудование. План расположения (продолжение)
Вспомогательное оборудование. План расположения (окончание)
Вспомогательное оборудование. Щиты 1, 2. Схема подключения внешних проводок (начало)
Вспомогательное оборудование. Щиты 1, 2. Схема подключения внешних проводок (окончание)
Вспомогательное оборудование. Стенды приборов №1, 2, 3. Схема подключения внешних проводок
КБДПУ-100/76. Схема подключения внешних проводок
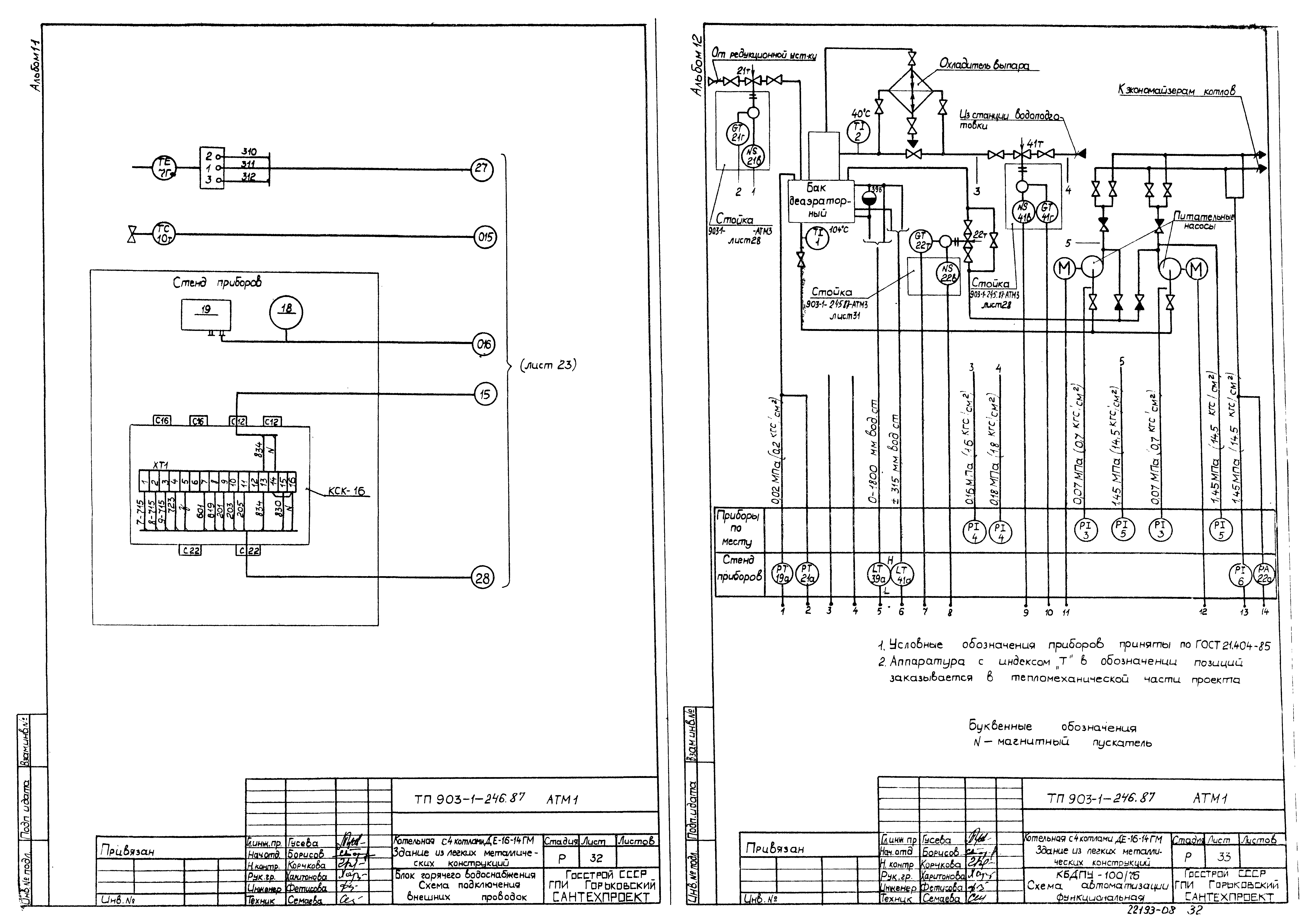
Блок горячего водоснабжения. Схема подключения внешних проводок
КБДПУ-100/76. Схема автоматизации функциональная
КБДПУ-100/76. Схема соединения внешних проводок. План расположения
БРУ-40
Блок приготовления омагниченной воды
Блок горячего водоснабжения. Схема автоматизации функциональная
Блок горячего водоснабжения. Схема соединения внешних проводок
Блок горячего водоснабжения. План расположения
ГРУ. Схема автоматизации функциональная
ГРУ. Схема соединения внешних проводок
ГРУ. План расположения
Блок сбора конденсата и оборотного водоснабжения. Схема автоматизации функциональная
Блок сбора конденсата и оборотного водоснабжения. Схема соединения внешних проводок
Блок сбора конденсата и оборотного водоснабжения. План расположения
Блок натрий-катионных фильтров I ст. (для потока питательной воды)
Блок натрий-катионных фильтров I - II ст. (для потока питательной воды)
Блок натрий-катионных фильтров I ст. (для потока подпиточной воды)
Котел ДЕ-16-14ГМ №1 (2, 3, 4). Сочленение МЭО-100/25-0,25Р с направляющим аппаратом вентилятора ВДН-9
Котел ДЕ-16-14ГМ №1 (2, 3, 4). Сочленение МЭО-250/25-0,25Р с направляющим аппаратом вентилятора ВДН-112
Котел ДЕ-16-14ГМ №1 (2, 3, 4). Сочленение МЭО-16/25-0,25Р с заслонкой ЗМС-90
Котел ДЕ-16-14ГМ №1 (2, 3, 4). Сочленение МЭО-16/25-0,25Р с клапаном 25с 047 нж
Котел ДЕ-16-14ГМ №1 (2, 3, 4). Сочленение МЭО-100/25-0,25Р с клапаном КРП-50 м
Котел ДЕ-16-14ГМ №1 (2, 3, 4). Сочленение МЭО-250/25-0,25Р с заслонкой тройника газохода
Сочленение МЭО-100/25-0,25Р с клапаном 6с-9
Сочленение МЭО-100/25-0,25Р с клапаном 6с-8
Сочленение МЭО-250/25-0,25Р с клапаном 9с-4-2
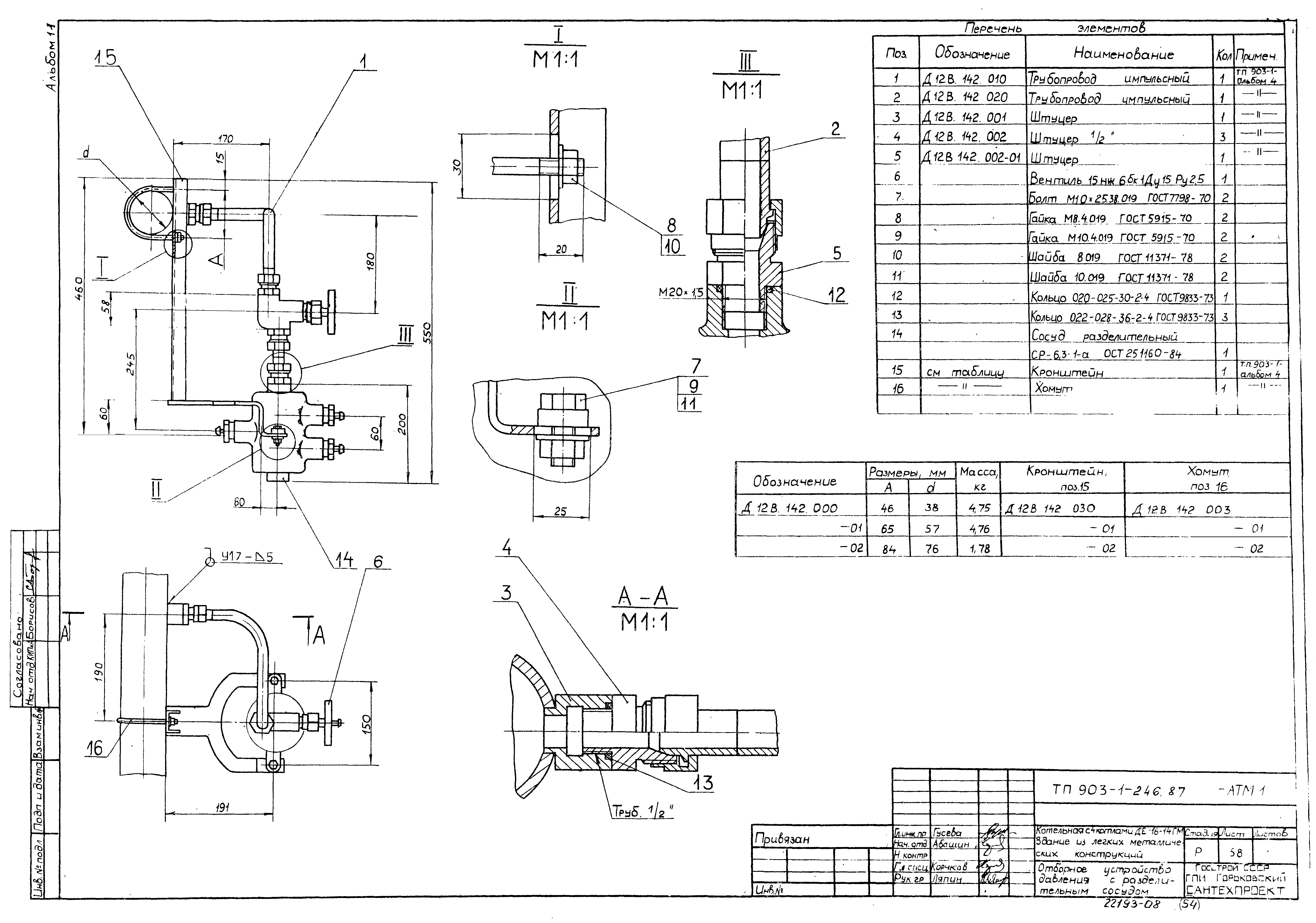
Отборное устройство давления с разделительным сосудом
Разработан: Горьковский Сантехпроект
Утверждён:17.04.1987 Госстрой СССР (Государственный комитет Совета Министров СССР по делам строительства) (USSR Gosstroy А4-43)
Расположен в:Техническая документация Строительство Справочные документы Типовые строительные конструкции, изделия и узлы Общероссийский строительный каталог Промышленные предприятия, здания и сооружения Здания и сооружения санитарно-технические Теплоснабжение Котельные установки Закрытые системы теплоснабжения Топливо - газ, резерв - мазут
Типовой проект 903-1-246.87Типовой проект 903-1-246.87Типовой проект 903-1-246.87Типовой проект 903-1-246.87Типовой проект 903-1-246.87Типовой проект 903-1-246.87Типовой проект 903-1-246.87Типовой проект 903-1-246.87Типовой проект 903-1-246.87Типовой проект 903-1-246.87Типовой проект 903-1-246.87Типовой проект 903-1-246.87Типовой проект 903-1-246.87Типовой проект 903-1-246.87Типовой проект 903-1-246.87Типовой проект 903-1-246.87Типовой проект 903-1-246.87Типовой проект 903-1-246.87Типовой проект 903-1-246.87Типовой проект 903-1-246.87Типовой проект 903-1-246.87Типовой проект 903-1-246.87Типовой проект 903-1-246.87Типовой проект 903-1-246.87Типовой проект 903-1-246.87Типовой проект 903-1-246.87Типовой проект 903-1-246.87Типовой проект 903-1-246.87Типовой проект 903-1-246.87Типовой проект 903-1-246.87Типовой проект 903-1-246.87Типовой проект 903-1-246.87Типовой проект 903-1-246.87Типовой проект 903-1-246.87Типовой проект 903-1-246.87Типовой проект 903-1-246.87Типовой проект 903-1-246.87Типовой проект 903-1-246.87Типовой проект 903-1-246.87Типовой проект 903-1-246.87Типовой проект 903-1-246.87Типовой проект 903-1-246.87Типовой проект 903-1-246.87Типовой проект 903-1-246.87Типовой проект 903-1-246.87Типовой проект 903-1-246.87Типовой проект 903-1-246.87Типовой проект 903-1-246.87Типовой проект 903-1-246.87Типовой проект 903-1-246.87Типовой проект 903-1-246.87Типовой проект 903-1-246.87Типовой проект 903-1-246.87Типовой проект 903-1-246.87

© 2013 Ёшкин Кот :-) Карта сайта