Информационная система
«Ёшкин Кот»

Скачать базу одним архивом
Скачать обновления
История создания базы
Карта сайта

Скачать Типовой проект 903-1-312.96 Альбом 4. Конструкции металлические

Дата актуализации: 10.08.2017

Типовой проект 903-1-312.96

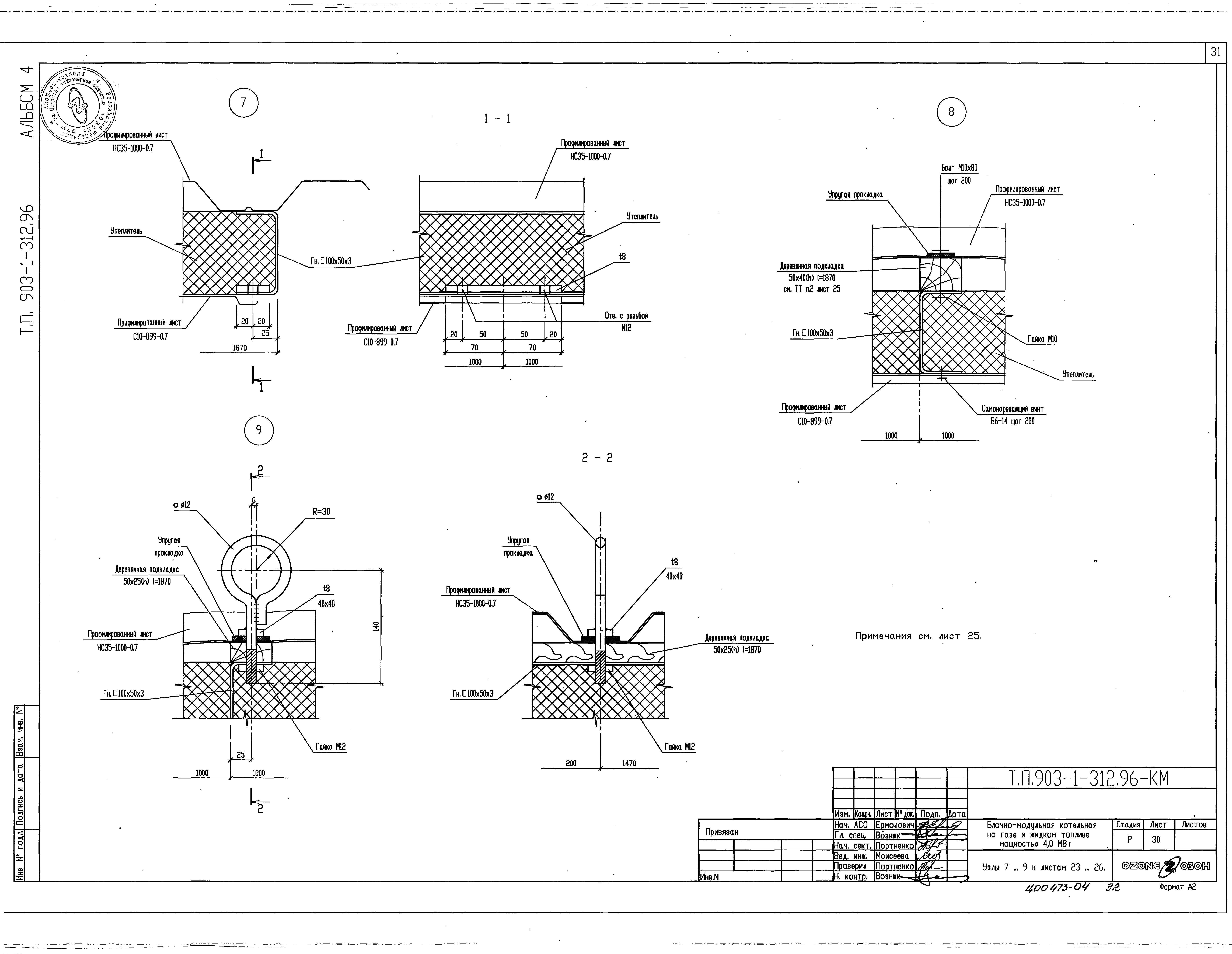
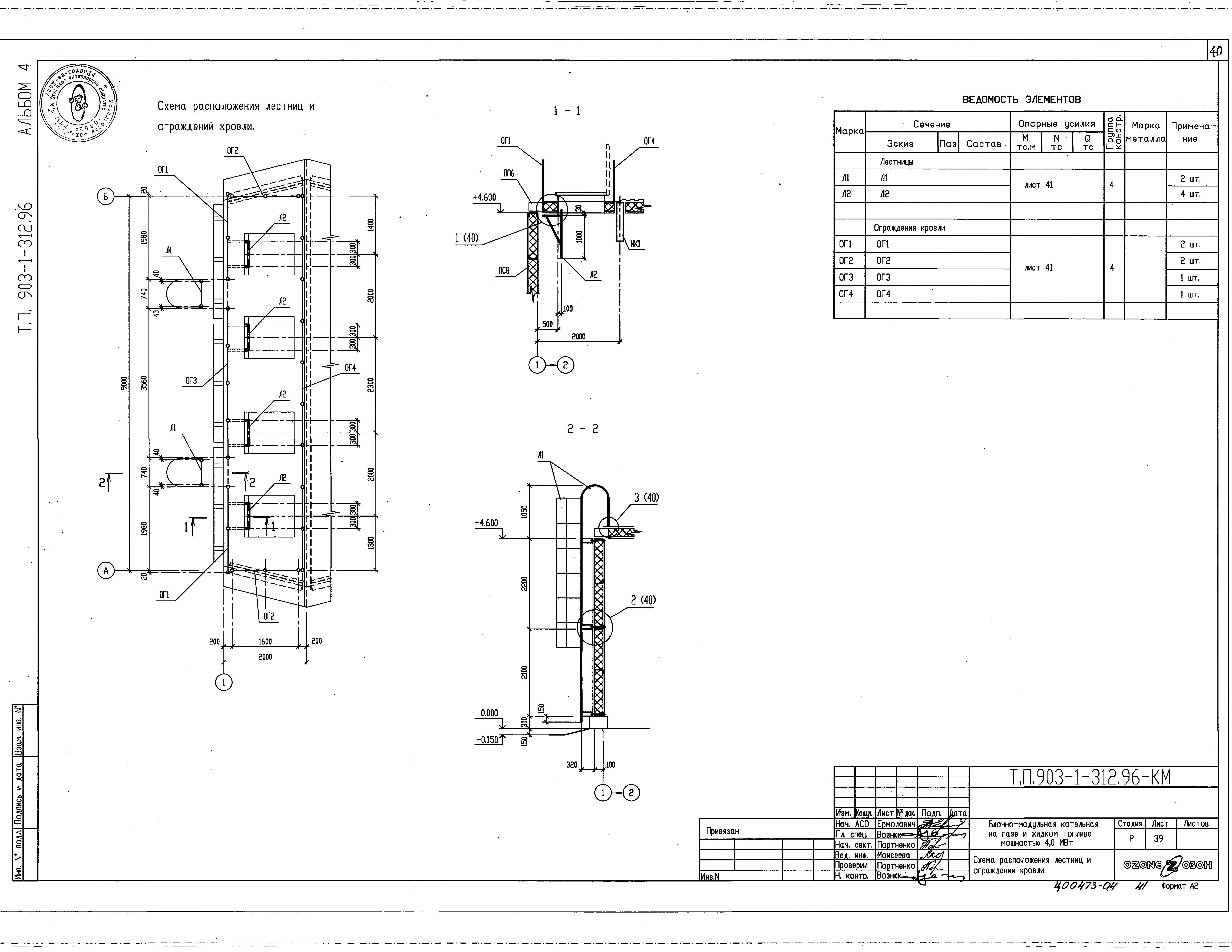
Альбом 4. Конструкции металлические

Обозначение: Типовой проект 903-1-312.96
Обозначение англ: 903-1-312.96
Статус:не определен законодательством
Название рус.:Альбом 4. Конструкции металлические
Дата добавления в базу:01.09.2013
Дата актуализации:05.05.2017
Дата введения:02.09.1996
Разработан: АО ОЗОН
Утверждён:27.08.1996 Комитет РФ по химической и нефтехимической промышленности (09/1-11-98)
Расположен в:Техническая документация Строительство Справочные документы Типовые строительные конструкции, изделия и узлы Общероссийский строительный каталог Промышленные предприятия, здания и сооружения Здания и сооружения санитарно-технические Теплоснабжение Котельные установки Котельные в блочно-модульном исполнении
Типовой проект 903-1-312.96Типовой проект 903-1-312.96Типовой проект 903-1-312.96Типовой проект 903-1-312.96Типовой проект 903-1-312.96Типовой проект 903-1-312.96Типовой проект 903-1-312.96Типовой проект 903-1-312.96Типовой проект 903-1-312.96Типовой проект 903-1-312.96Типовой проект 903-1-312.96Типовой проект 903-1-312.96Типовой проект 903-1-312.96Типовой проект 903-1-312.96Типовой проект 903-1-312.96Типовой проект 903-1-312.96Типовой проект 903-1-312.96Типовой проект 903-1-312.96Типовой проект 903-1-312.96Типовой проект 903-1-312.96Типовой проект 903-1-312.96Типовой проект 903-1-312.96Типовой проект 903-1-312.96Типовой проект 903-1-312.96Типовой проект 903-1-312.96Типовой проект 903-1-312.96Типовой проект 903-1-312.96Типовой проект 903-1-312.96Типовой проект 903-1-312.96Типовой проект 903-1-312.96Типовой проект 903-1-312.96Типовой проект 903-1-312.96Типовой проект 903-1-312.96Типовой проект 903-1-312.96Типовой проект 903-1-312.96Типовой проект 903-1-312.96Типовой проект 903-1-312.96Типовой проект 903-1-312.96Типовой проект 903-1-312.96Типовой проект 903-1-312.96Типовой проект 903-1-312.96Типовой проект 903-1-312.96Типовой проект 903-1-312.96

© 2013 Ёшкин Кот :-) Карта сайта