Информационная система
«Ёшкин Кот»

Скачать базу одним архивом
Скачать обновления
История создания базы
Карта сайта

Скачать Типовой проект 903-1-242.87 Альбом 11. Автоматизация. Схемы функциональные

Дата актуализации: 10.08.2017

Типовой проект 903-1-242.87

Альбом 11. Автоматизация. Схемы функциональные

Обозначение: Типовой проект 903-1-242.87
Обозначение англ: 903-1-242.87
Статус:не определен законодательством
Название рус.:Альбом 11. Автоматизация. Схемы функциональные
Дата добавления в базу:01.09.2013
Дата актуализации:05.05.2017
Дата введения:01.11.1987
Оглавление:Общие данные (начало)
Общие данные (продолжение)
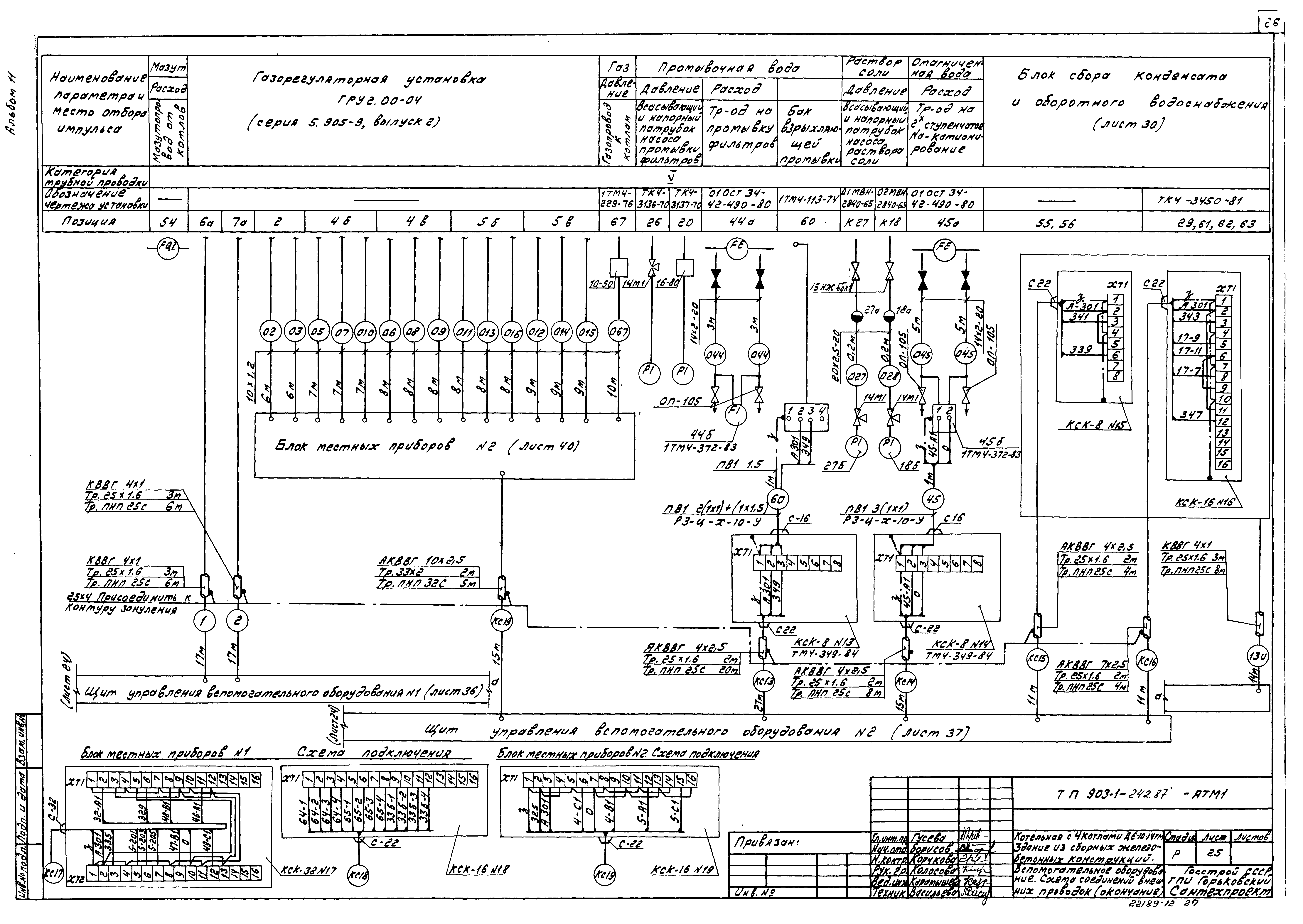
Общие данные (окончание)
Котел ДЕ-10-14 ГМ №1 (2, 3, 4). Схема автоматизации функциональная (начало)
Котел ДЕ-10-14 ГМ №1 (2, 3, 4). Схема автоматизации функциональная (окончание)
Котел ДЕ-10-14 ГМ №1 (2, 3, 4). Щит котла ДЕ. Щит общих замеров. Схемы подключения
Котел ДЕ-10-14 ГМ №1 (2, 3, 4). Схема соединений внешних проводок (начало)
Котел ДЕ-10-14 ГМ №1 (2, 3, 4). Схема соединений внешних проводок (продолжение)
Котел ДЕ-10-14 ГМ №1 (2, 3, 4). Схема соединений внешних проводок (окончание)
Котел ДЕ-10-14 ГМ №1 (2, 3, 4). Блок местных приборов (начало)
Котел ДЕ-10-14 ГМ №1 (2, 3, 4). Блок местных приборов (окончание)
Котел ДЕ-10-14 ГМ №1 (2, 3, 4). План расположения (начало)
Котел ДЕ-10-14 ГМ №1 (2, 3, 4). План расположения (окончание)
Вспомогательное оборудование. Схема автоматизации функциональная (начало)
Вспомогательное оборудование. Схема автоматизации функциональная (продолжение)
Вспомогательное оборудование. Схема автоматизации функциональная (окончание)
Вспомогательное оборудование. Схема соединений внешних проводок (начало)
Вспомогательное оборудование. Схема соединений внешних проводок (продолжение)
Вспомогательное оборудование. Схема соединений внешних проводок (окончание)
Блок горячего водоснабжения. Схема соединений внешних проводок
Блок приготовления омагниченной воды. Схема автоматизации функциональная. Схема соединений внешних проводок
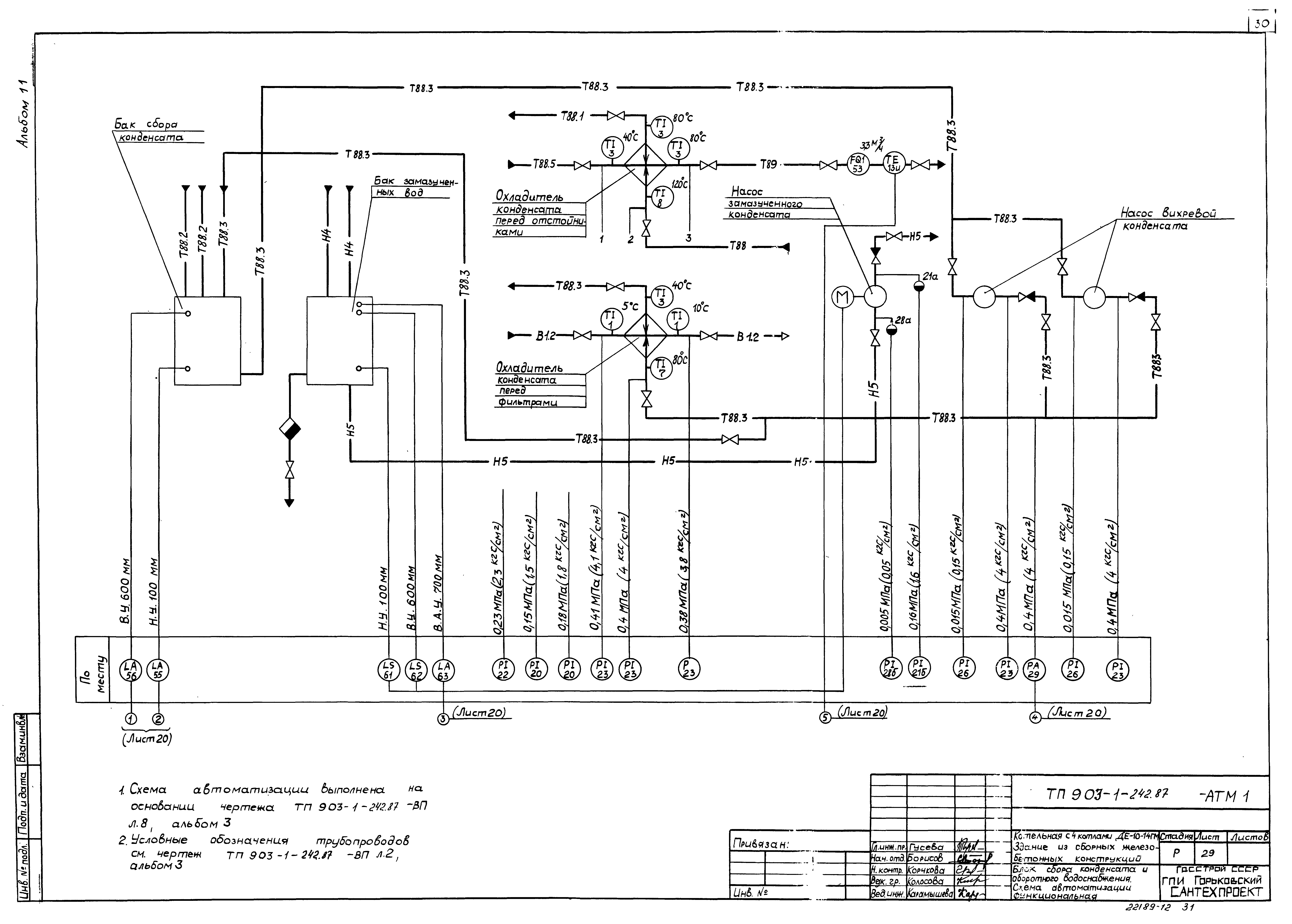
Блок сбора конденсата и оборотного водоснабжения. Схема автоматизации функциональная
Блок сбора конденсата и оборотного водоснабжения. Схема соединений внешних проводок
Блок Na-катионных фильтров I ст. Поз. А1. Схема автоматизации функциональная. Схема соединений внешних проводок
Блок Na-катионных фильтров II ст. Поз. А2. Схема автоматизации функциональная. Схема соединений внешних проводок
Блок Na-катионных фильтров I ст. Поз. А3. Схема автоматизации функциональная. Схема соединений внешних проводок
Блок очистки конденсата. Схема автоматизации функциональная. Схема соединений внешних проводок
Узел управления. Схема автоматизации функциональная. Схема соединений внешних проводок
Щит управления вспомогательного оборудования №1. Схема подключения
Щит управления вспомогательного оборудования №2. Схема подключения
Вспомогательное оборудование. Блок местных приборов №1 (начало)
Вспомогательное оборудование. Блок местных приборов №1 (окончание)
Вспомогательное оборудование. Блок местных приборов №2
Вспомогательное оборудование. План расположения (начало)
Вспомогательное оборудование. План расположения (продолжение)
Вспомогательное оборудование. План расположения (окончание)
Диафрагма с коническим входом на мазутопроводе к котлам поз. 49а
Сочленение МЭО-250/25-0,25Р с заслонкой тройника газохода
Сочленение МЭО-100/25-0,25Р с дымососом
Сочленение МЭО-100/25-0,25Р с вентилятором
Сочленение МЭО-16/25-0,25Р с заслонкой ЗМС-70
Сочленение МЭО-16/25-0,25Р с клапаном 9с-1-2
Сочленение МЭО-100/25-0,25Р с клапаном Т-33б
Сочленение МЭО-100/25-0,25Р с клапаном 6с-9-3
Сочленение МЭО-100/25-0,25Р с клапаном 9с-4-1-1
Разработан: Горьковский Сантехпроект
Утверждён:17.04.1987 Госстрой СССР (Государственный комитет Совета Министров СССР по делам строительства) (USSR Gosstroy А4-43)
Расположен в:Техническая документация Строительство Справочные документы Типовые строительные конструкции, изделия и узлы Общероссийский строительный каталог Промышленные предприятия, здания и сооружения Здания и сооружения санитарно-технические Теплоснабжение Котельные установки Закрытые системы теплоснабжения Топливо - газ, резерв - мазут
Заменяет собой:
Типовой проект 903-1-242.87Типовой проект 903-1-242.87Типовой проект 903-1-242.87Типовой проект 903-1-242.87Типовой проект 903-1-242.87Типовой проект 903-1-242.87Типовой проект 903-1-242.87Типовой проект 903-1-242.87Типовой проект 903-1-242.87Типовой проект 903-1-242.87Типовой проект 903-1-242.87Типовой проект 903-1-242.87Типовой проект 903-1-242.87Типовой проект 903-1-242.87Типовой проект 903-1-242.87Типовой проект 903-1-242.87Типовой проект 903-1-242.87Типовой проект 903-1-242.87Типовой проект 903-1-242.87Типовой проект 903-1-242.87Типовой проект 903-1-242.87Типовой проект 903-1-242.87Типовой проект 903-1-242.87Типовой проект 903-1-242.87Типовой проект 903-1-242.87Типовой проект 903-1-242.87Типовой проект 903-1-242.87Типовой проект 903-1-242.87Типовой проект 903-1-242.87Типовой проект 903-1-242.87Типовой проект 903-1-242.87Типовой проект 903-1-242.87Типовой проект 903-1-242.87Типовой проект 903-1-242.87Типовой проект 903-1-242.87Типовой проект 903-1-242.87Типовой проект 903-1-242.87Типовой проект 903-1-242.87Типовой проект 903-1-242.87Типовой проект 903-1-242.87Типовой проект 903-1-242.87Типовой проект 903-1-242.87Типовой проект 903-1-242.87Типовой проект 903-1-242.87Типовой проект 903-1-242.87Типовой проект 903-1-242.87Типовой проект 903-1-242.87Типовой проект 903-1-242.87Типовой проект 903-1-242.87Типовой проект 903-1-242.87Типовой проект 903-1-242.87Типовой проект 903-1-242.87Типовой проект 903-1-242.87

© 2013 Ёшкин Кот :-) Карта сайта