Информационная система
«Ёшкин Кот»

Скачать базу одним архивом
Скачать обновления
История создания базы
Карта сайта

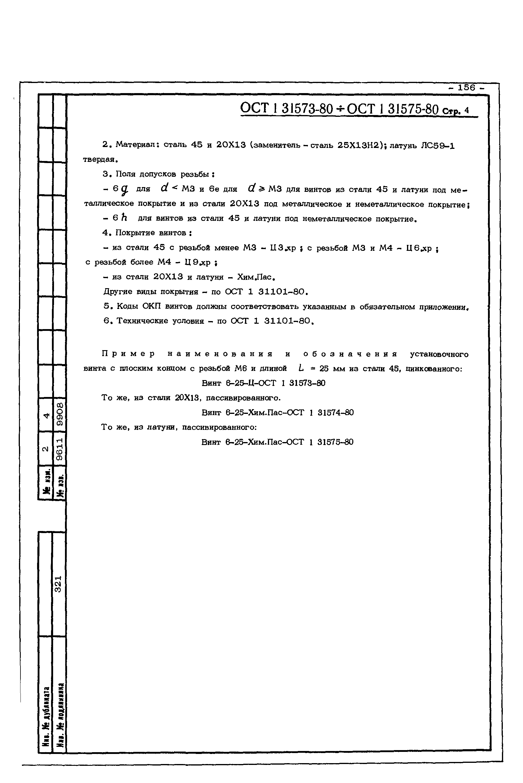
Скачать ОСТ 1 31573-80 Винты установочные с плоским концом. Конструкция и размеры

Дата актуализации: 10.08.2017

ОСТ 1 31573-80

Винты установочные с плоским концом. Конструкция и размеры

Обозначение: ОСТ 1 31573-80
Обозначение англ: 31573-80
Статус:действует
Название рус.:Винты установочные с плоским концом. Конструкция и размеры
Дата добавления в базу:01.09.2013
Дата актуализации:05.05.2017
Дата введения:01.01.1982
Оглавление:ОСТ 1
Приложение. (Обязательное). Коды ОКП винтов
Утверждён:30.10.1980 Министерство (Ministry 087-16)
Расположен в:Техническая документация
Заменяет собой:
  • Нормаль 971А50
  • Нормаль 972А50
  • Нормаль 973А50
ОСТ 1 31573-80ОСТ 1 31573-80ОСТ 1 31573-80ОСТ 1 31573-80ОСТ 1 31573-80ОСТ 1 31573-80

© 2013 Ёшкин Кот :-) Карта сайта