Информационная система
«Ёшкин Кот»

Скачать базу одним архивом
Скачать обновления
История создания базы
Карта сайта

Скачать Типовой проект 902-1-148.88 Альбом 5. Подземная часть. Конструкции железобетонные. Конструкции металлические. Изделия

Дата актуализации: 10.08.2017

Типовой проект 902-1-148.88

Альбом 5. Подземная часть. Конструкции железобетонные. Конструкции металлические. Изделия

Обозначение: Типовой проект 902-1-148.88
Обозначение англ: 902-1-148.88
Статус:не определен законодательством
Название рус.:Альбом 5. Подземная часть. Конструкции железобетонные. Конструкции металлические. Изделия
Дата добавления в базу:01.09.2013
Дата актуализации:05.05.2017
Дата введения:15.09.1988
Оглавление:Основной комплект чертежей марки КЖ2
   Общие данные
   Планы на отм. -6,190; -3,200. Разрез 1-1
   Схема расположения конструкций подземной части
   Плита днища ПДм 1. Общий вид и схема армирования
   Схема расположения стеновых панелей
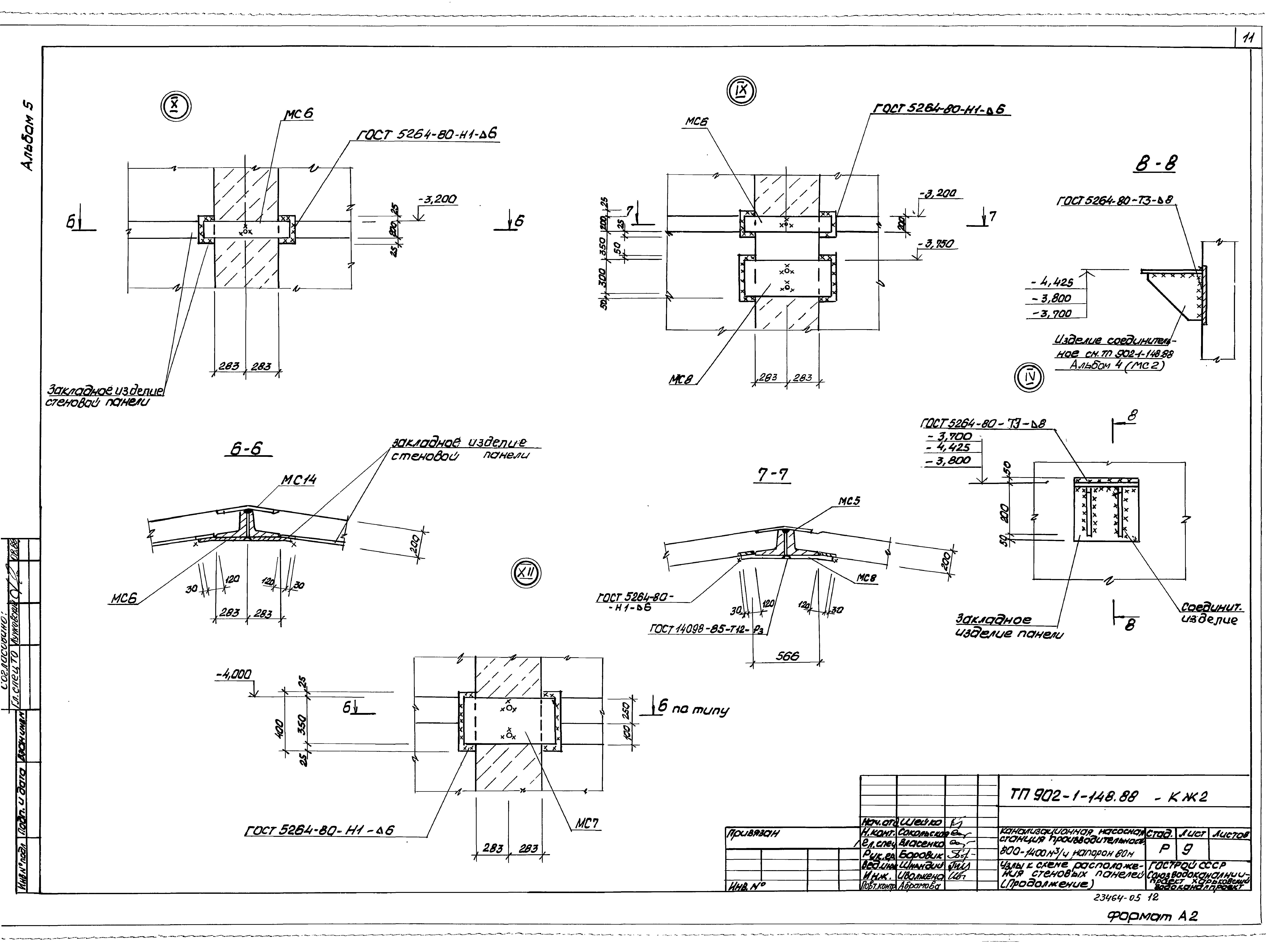
   Узлы к схеме расположения стеновых панелей
   Спецификация к схеме расположения стеновых панелей
Основной к5омплект чертежей марки КМ2
   Общие данные
   Схема расположения щитов, лестниц и переходных площадок
   Схема расположения площадки ПМ1 на отм. -3,150
   Схема расположения площадки для обслуживания крана
Изделия КЖ2.И
   Содержание выпуска
   Технические требования
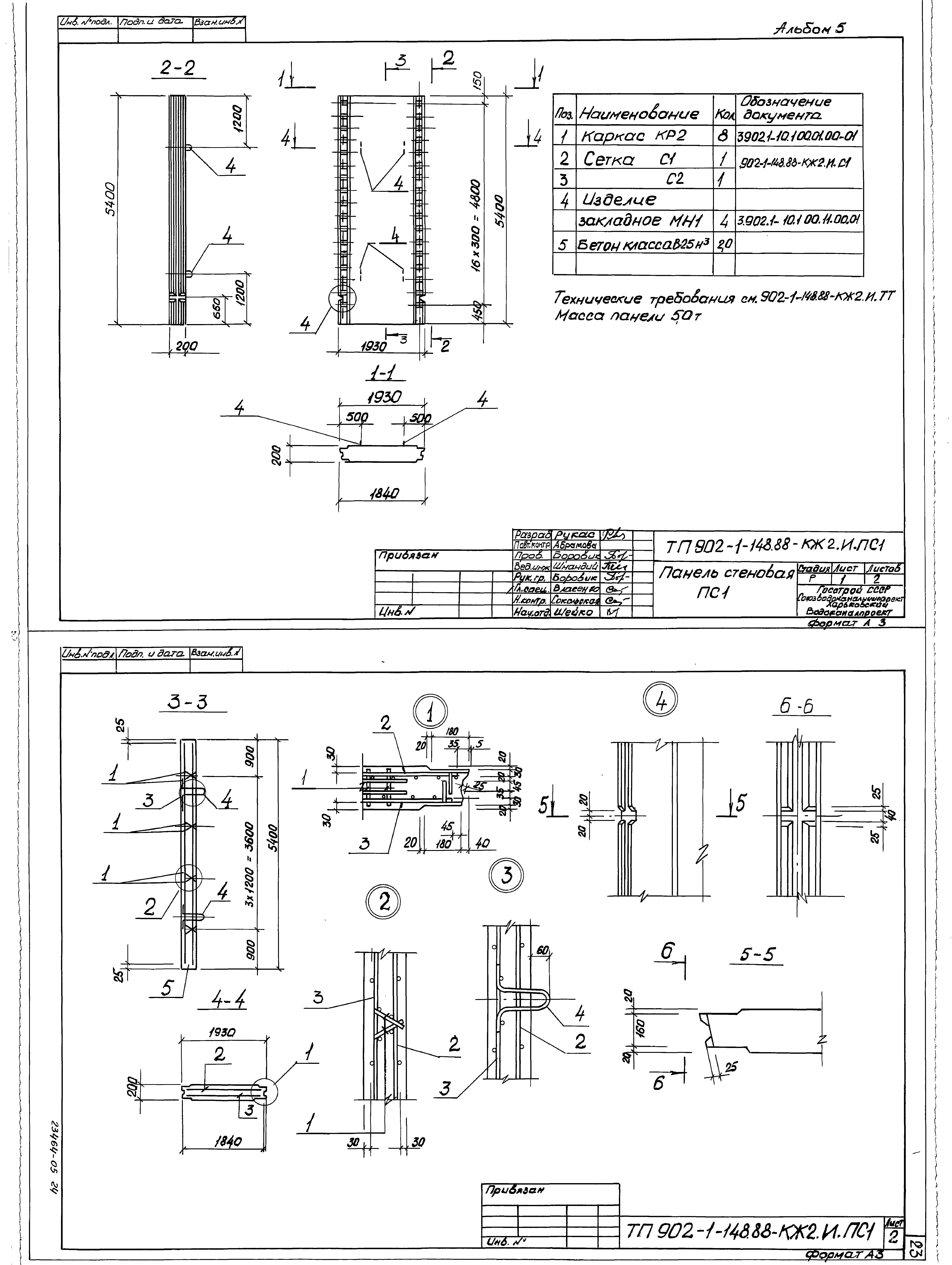
   Панель стеновая ПС1
   Панель перегородочная ПГ1
   Панель перегородочная ПГ2
   Панель перегородочная ПГ3 - ПГ7
   Панель стеновая ПС2
   Ведомость расхода стали
   Каркас Кр1, Кр2
   Каркас Кр3, Кр4
   Сетка С1, С2
   Изделие соединительное МС11
   Сетка С3, С4
   Сетка С5
   Изделие соединительное МС1, МС2, МС6, МС7, МС8, МС9
   Изделие соединительное МН1, МС14, МС5, МС3
   Изделие соединительное МС15, МС16, МС17, МС18
Разработан: Харьковский Водоканалпроект
Утверждён:08.07.1988 Госстрой СССР (Государственный комитет Совета Министров СССР по делам строительства) (USSR Gosstroy 20)
Расположен в:Техническая документация Строительство Справочные документы Типовые строительные конструкции, изделия и узлы Общероссийский строительный каталог Промышленные предприятия, здания и сооружения Здания и сооружения санитарно-технические Канализация Станции насосные Станции насосные для перекачки бытовых сточных вод
Типовой проект 902-1-148.88Типовой проект 902-1-148.88Типовой проект 902-1-148.88Типовой проект 902-1-148.88Типовой проект 902-1-148.88Типовой проект 902-1-148.88Типовой проект 902-1-148.88Типовой проект 902-1-148.88Типовой проект 902-1-148.88Типовой проект 902-1-148.88Типовой проект 902-1-148.88Типовой проект 902-1-148.88Типовой проект 902-1-148.88Типовой проект 902-1-148.88Типовой проект 902-1-148.88Типовой проект 902-1-148.88Типовой проект 902-1-148.88Типовой проект 902-1-148.88Типовой проект 902-1-148.88Типовой проект 902-1-148.88Типовой проект 902-1-148.88Типовой проект 902-1-148.88Типовой проект 902-1-148.88Типовой проект 902-1-148.88Типовой проект 902-1-148.88Типовой проект 902-1-148.88Типовой проект 902-1-148.88Типовой проект 902-1-148.88Типовой проект 902-1-148.88Типовой проект 902-1-148.88Типовой проект 902-1-148.88Типовой проект 902-1-148.88Типовой проект 902-1-148.88Типовой проект 902-1-148.88Типовой проект 902-1-148.88Типовой проект 902-1-148.88Типовой проект 902-1-148.88Типовой проект 902-1-148.88

© 2013 Ёшкин Кот :-) Карта сайта