Информационная система
«Ёшкин Кот»

Скачать базу одним архивом
Скачать обновления
История создания базы
Карта сайта

Скачать Типовой проект 902-1-148.88 Альбом 3. Надземная часть. Общие чертежи. Архитектурные решения. Конструкции железобетонные. Конструкции металлические

Дата актуализации: 10.08.2017

Типовой проект 902-1-148.88

Альбом 3. Надземная часть. Общие чертежи. Архитектурные решения. Конструкции железобетонные. Конструкции металлические

Обозначение: Типовой проект 902-1-148.88
Обозначение англ: 902-1-148.88
Статус:не определен законодательством
Название рус.:Альбом 3. Надземная часть. Общие чертежи. Архитектурные решения. Конструкции железобетонные. Конструкции металлические
Дата добавления в базу:01.09.2013
Дата актуализации:05.05.2017
Дата введения:15.09.1988
Оглавление:Основной комплект чертежей марки АР
   Общие данные
   План на отм. 0.000
   Разрез 1-1, 2-2
   Фасады. Схемы расположения злементов заполнения оконных проемов
   План кровли. Планы полов. Экспликация полов
   План отверстий и закладных деталей. Фрагмент 1. Сечения. Узлы
   Детали I - X
Основной комплект чертежей марки КЖ1
   Общие данные
   Схема расположения плит покрытия
   РКм1. Схема расположения плит перекрытия на отм. 0.000
   РКм1. Схема расположения балок на отм. 0.000
   РКм1. Монолитные участки Ум1, Ум2. Общий вид и схема армирования
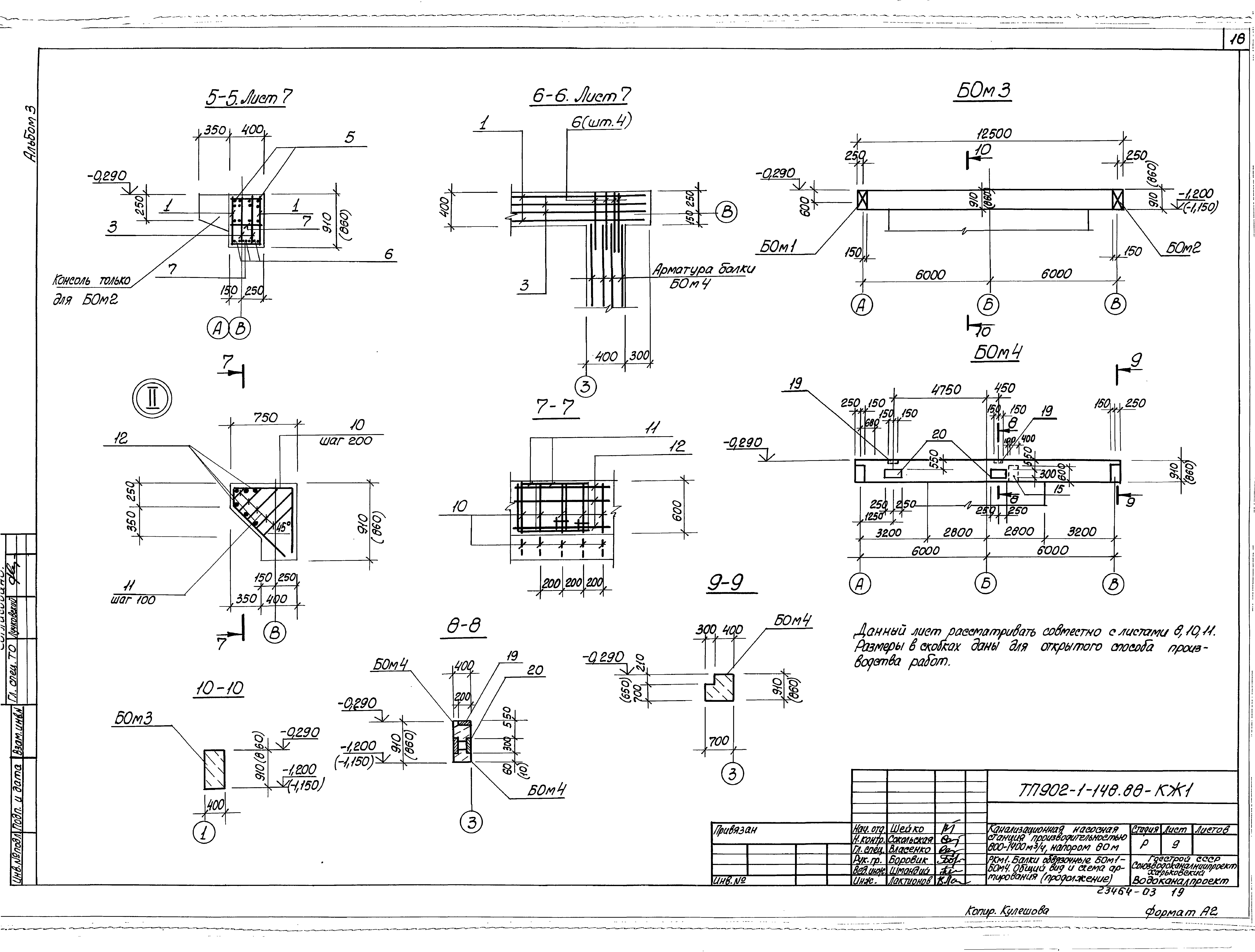
   РКм1. Балки обвязочные БОм1…БОм4. Общий вид и схема армирования
   ОКм1. Общий вид и схема армирования
   РКм2. Монолитный и сборно-монолитный вариант. Общий вид
   РКм2. Монолитный и сборно-монолитный вариант. Фрагмент 1
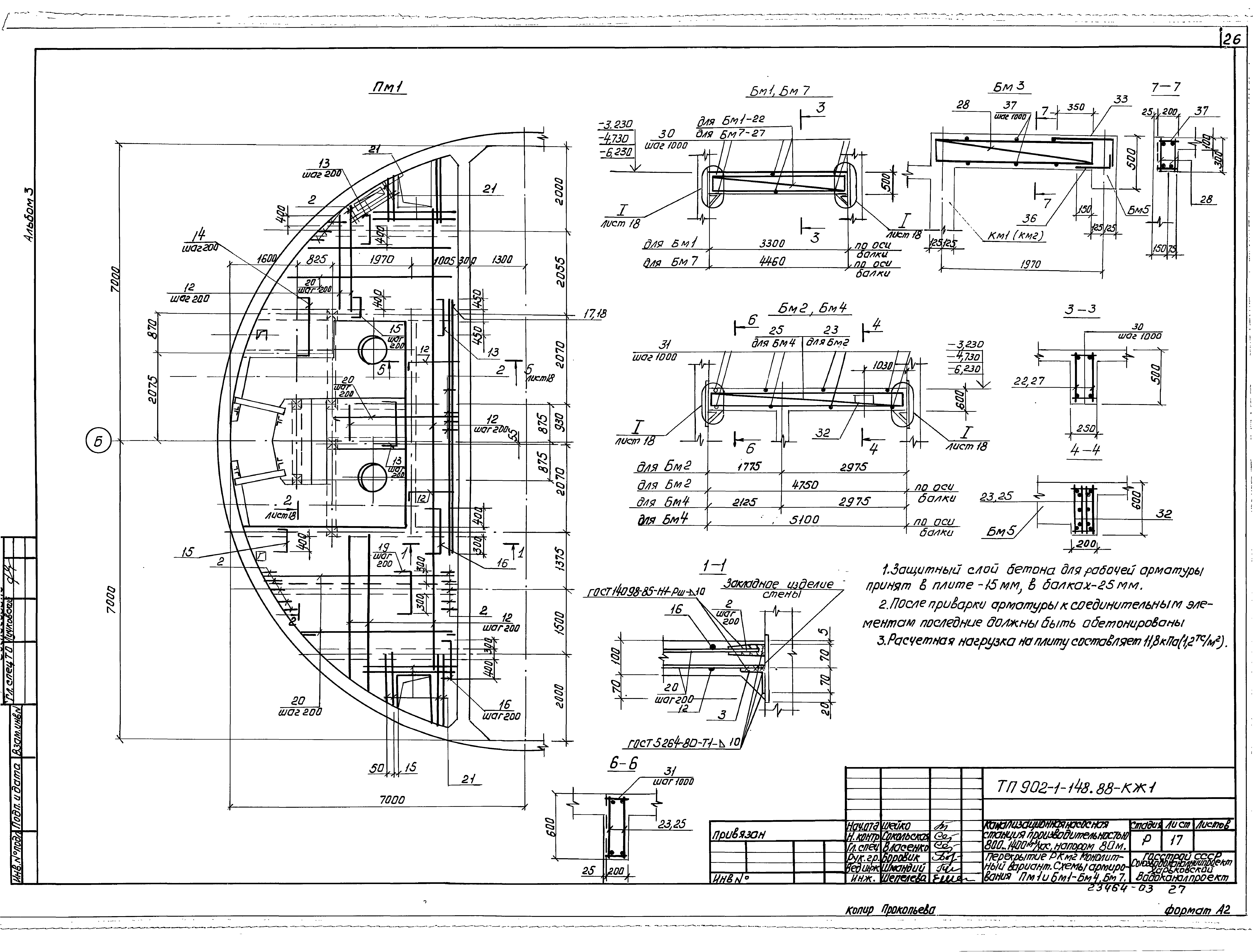
   РКм2. Монолитный и сборно-монолитный вариант. Плита ПМ1, балки Бм1…Бм4, Бм7. Схемы армирования
   РКм2. Монолитный и сборно-монолитный вариант. Балки Бм5, Бм6, Бм8, Бм9, колонны Км1, Км2. Схемы армирования
   РКм2. Монолитный и сборно-монолитный вариант. ЛТм1. Схема армирования
   РКм2. Монолитный вариант. Спецификация
   РКм2. Сборно-монолитный вариант. Плита ПМ1, балки Бм1…Бм4, Бм7. Схемы армирования
   РКм2. Сборно-монолитный вариант. Спецификация
   РКм2. Ведомость расхода стали
   КТП. Схема расположения каналов
   КТП. Балки Бм1-Бм3. Схема армирования
   КТП. Балки Бм4, Бм5. Схема армирования
   Схема расположения труб для укладки электрокабеля
   Схема арсположения фундаментов под оборудование и опор
   Схема расположения ростверков и фундаментных балок м/о 3-4. Открытый способ производства работ
   Схема расположения ростверков и фундаментных балок м/о 3-4. Опускной способ и "стена в грунте"
   Схема расположения элементов заземления
   Детали гидроизоляции. Установка дренажного приямка
Основной комплект чертежей марки КМ1
   Общие данные
   Схема расположения путей подвесного транспорта на отм. 0.000
   Схема расположения путей подвесного транспорта на отм. 3,500
   Схема расположения лестниц и ограждений кровли
Разработан: Харьковский Водоканалпроект
Утверждён:08.07.1988 Госстрой СССР (Государственный комитет Совета Министров СССР по делам строительства) (USSR Gosstroy 20)
Расположен в:Техническая документация Строительство Справочные документы Типовые строительные конструкции, изделия и узлы Общероссийский строительный каталог Промышленные предприятия, здания и сооружения Здания и сооружения санитарно-технические Канализация Станции насосные Станции насосные для перекачки бытовых сточных вод
Типовой проект 902-1-148.88Типовой проект 902-1-148.88Типовой проект 902-1-148.88Типовой проект 902-1-148.88Типовой проект 902-1-148.88Типовой проект 902-1-148.88Типовой проект 902-1-148.88Типовой проект 902-1-148.88Типовой проект 902-1-148.88Типовой проект 902-1-148.88Типовой проект 902-1-148.88Типовой проект 902-1-148.88Типовой проект 902-1-148.88Типовой проект 902-1-148.88Типовой проект 902-1-148.88Типовой проект 902-1-148.88Типовой проект 902-1-148.88Типовой проект 902-1-148.88Типовой проект 902-1-148.88Типовой проект 902-1-148.88Типовой проект 902-1-148.88Типовой проект 902-1-148.88Типовой проект 902-1-148.88Типовой проект 902-1-148.88Типовой проект 902-1-148.88Типовой проект 902-1-148.88Типовой проект 902-1-148.88Типовой проект 902-1-148.88Типовой проект 902-1-148.88Типовой проект 902-1-148.88Типовой проект 902-1-148.88Типовой проект 902-1-148.88Типовой проект 902-1-148.88Типовой проект 902-1-148.88Типовой проект 902-1-148.88Типовой проект 902-1-148.88Типовой проект 902-1-148.88Типовой проект 902-1-148.88Типовой проект 902-1-148.88Типовой проект 902-1-148.88Типовой проект 902-1-148.88Типовой проект 902-1-148.88Типовой проект 902-1-148.88Типовой проект 902-1-148.88Типовой проект 902-1-148.88Типовой проект 902-1-148.88Типовой проект 902-1-148.88Типовой проект 902-1-148.88Типовой проект 902-1-148.88Типовой проект 902-1-148.88Типовой проект 902-1-148.88Типовой проект 902-1-148.88Типовой проект 902-1-148.88Типовой проект 902-1-148.88Типовой проект 902-1-148.88Типовой проект 902-1-148.88Типовой проект 902-1-148.88Типовой проект 902-1-148.88Типовой проект 902-1-148.88

© 2013 Ёшкин Кот :-) Карта сайта