| ||||||||||||||||||||||||||
Скачать Серия 1.272.5-13 Выпуск 0. Указания по применению и монтажно-сборочным работамДата актуализации: 10.08.2017
|
| Обозначение: | Серия 1.272.5-13 |
| Обозначение англ: | Series 1.272.5-13 |
| Статус: | не определен законодательством |
| Название рус.: | Выпуск 0. Указания по применению и монтажно-сборочным работам |
| Дата добавления в базу: | 01.09.2013 |
| Дата актуализации: | 05.05.2017 |
| Дата введения: | 15.06.1992 |
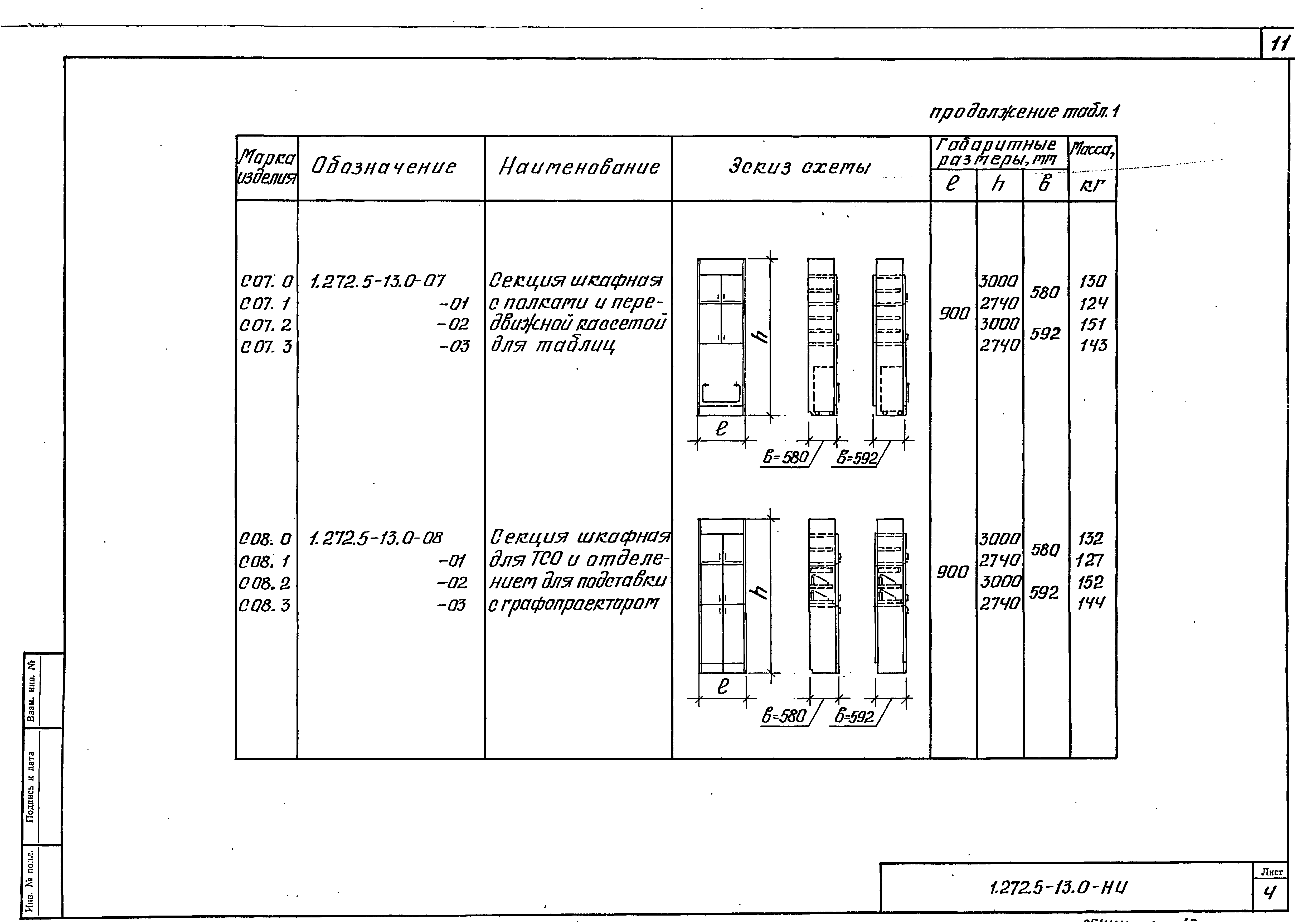
| Оглавление: | 1.272.5-13.0-ПЗ Пояснительная записка 1.272.5-13.0-НИ Номенклатура изделий 1.272.5-13.0-01 Секция шкафная с полками. Схема расположения 1.272.5-13.0-01 РМ Секция шкафная с полками. Ведомость расхода материалов 1.272.5-13.0-02 Секция шкафная с меловой доской. Схема расположения 1.272.5-13.0-02 РМ Секция шкафная с меловой доской. Ведомость расхода материалов 1.272.5-13.0-03 Секция шкафная с лотками и полками. Схема расположения 1.272.5-13.0-03 РМ Секция шкафная с лотками и полками. Ведомость расхода материалов 1.272.5-13.0-04 Секция шкафная с витриной. Схема расположения 1.272.5-13.0-04 РМ Секция шкафная с витриной. Ведомость расхода материалов 1.272.5-13.0-05 Секция шкафная комбинированная. Схема расположения 1.272.5-13.0-05 РМ Секция шкафная комбинированная. Ведомость расхода материалов 1.272.5-13.0-06 Секция шкафная со штангами одноярусными для карт. Схема расположения 1.272.5-13.0-06 РМ Секция шкафная со штангами одноярусными для карт. Ведомость расхода материалов 1.272.5-13.0-07 Секция шкафная с полками и передвижной кассетой для таблиц. Схема расположения 1.272.5-13.0-07 РМ Секция шкафная с полками и передвижной кассетой для таблиц. Ведомость расхода материалов 1.272.5-13.0-08 Секция шкафная для ТСО и отделением для подставки с графопроектором. Схема расположения 1.272.5-13.0-08 РМ Секция шкафная для ТСО и отделением для подставки с графопроектором. Ведомость расхода материалов 1.272.5-13.0-09 Секция шкафная для ТСО и отделением для подставки с демонстрационной аппаратурой. Схема расположения 1.272.5-13.0-09 РМ Секция шкафная для ТСО и отделением для подставки с демонстрационной аппаратурой. Ведомость расхода материалов 1.272.5-13.0-10 Секция шкафная с теплицей. Схема расположения 1.272.5-13.0-10 РМ Секция шкафная с теплицей. Ведомость расхода материалов 1.272.5-13.0-11 Секция шкафная с раздаточным окном и лабораторной раковиной. Схема расположения 1.272.5-13.0-11 РМ Секция шкафная с раздаточным окном и лабораторной раковиной. Ведомость расхода материалов 1.272.5-13.0-12 Секция шкафная с витриной и наклонными полками. Схема расположения 1.272.5-13.0-12 РМ Секция шкафная с витриной и наклонными полками. Ведомость расхода материалов 1.272.5-13.0-13 Секция шкафная со штангой и полками комбинированная. Схема расположения 1.272.5-13.0-13 РМ Секция шкафная со штангой и полками комбинированная. Ведомость расхода материалов 1.272.5-13.0-14 Секция шкафная со штангой и полкой. Схема расположения 1.272.5-13.0-14 РМ Секция шкафная со штангой и полкой. Ведомость расхода материалов 1.272.5-13.0-15 Секция шкафная с полками в нише. Схема расположения 1.272.5-13.0-15 РМ Секция шкафная с полками в нише. Ведомость расхода материалов 1.272.5-13.0-16 Секция шкафная с полками в нише, малая. Схема расположения 1.272.5-13.0-16 РМ Секция шкафная с полками в нише, малая. Ведомость расхода материалов 1.272.5-13.0-17 Секция шкафная с нишей для стола и открытыми полками. Схема расположения 1.272.5-13.0-17 РМ Секция шкафная с нишей для стола и открытыми полками. Ведомость расхода материалов 1.272.5-13.0-18 Секция шкафная с нишей для стола и ячейками. Схема расположения 1.272.5-13.0-18 РМ Секция шкафная с нишей для стола и ячейками. Ведомость расхода материалов 1.272.5-13.0-19 Секция шкафная с нишей для стола комбинированная. Схема расположения 1.272.5-13.0-19 РМ Секция шкафная с нишей для стола комбинированная. Ведомость расхода материалов 1.272.5-13.0-20 Антресоль для секции с дверным блоком. Схема расположения 1.272.5-13.0-20 РМ Антресоль для секции с дверным блоком. Ведомость расхода материалов 1.272.5-13.0-21 РМ Коробка фрамужная с дверным блоком. Ведомость расхода материалов 1.272.5-13.0-21 Коробка фрамужная с дверным блоком. Схема расположения 1.272.5-13.0-У Встроенные шкафные отделения секций. Узлы 1…98 1.272.5-13.0-1СМ Примеры компоновки встроенных шкафных отделений секций в шкафы пристенные. Справочный материал 1.272.5-13.0-2СМ Примеры компоновки встроенных шкафных отделений секций в шкафы пристенные. Справочный материал |
| Разработан: | ЦНИИЭП учебных зданий Госгражданстроя |
| Утверждён: | 21.12.1990 Госкомархитектура (ЮШ-2-1690) |
| Расположен в: |




















































































































