Скачать Типовой проект 704-1-252с.92 Альбом 1. Пояснительная записка. Оборудование технологическое, электротехническое, автоматикиДата актуализации: 10.08.2017 Типовой проект 704-1-252с.92
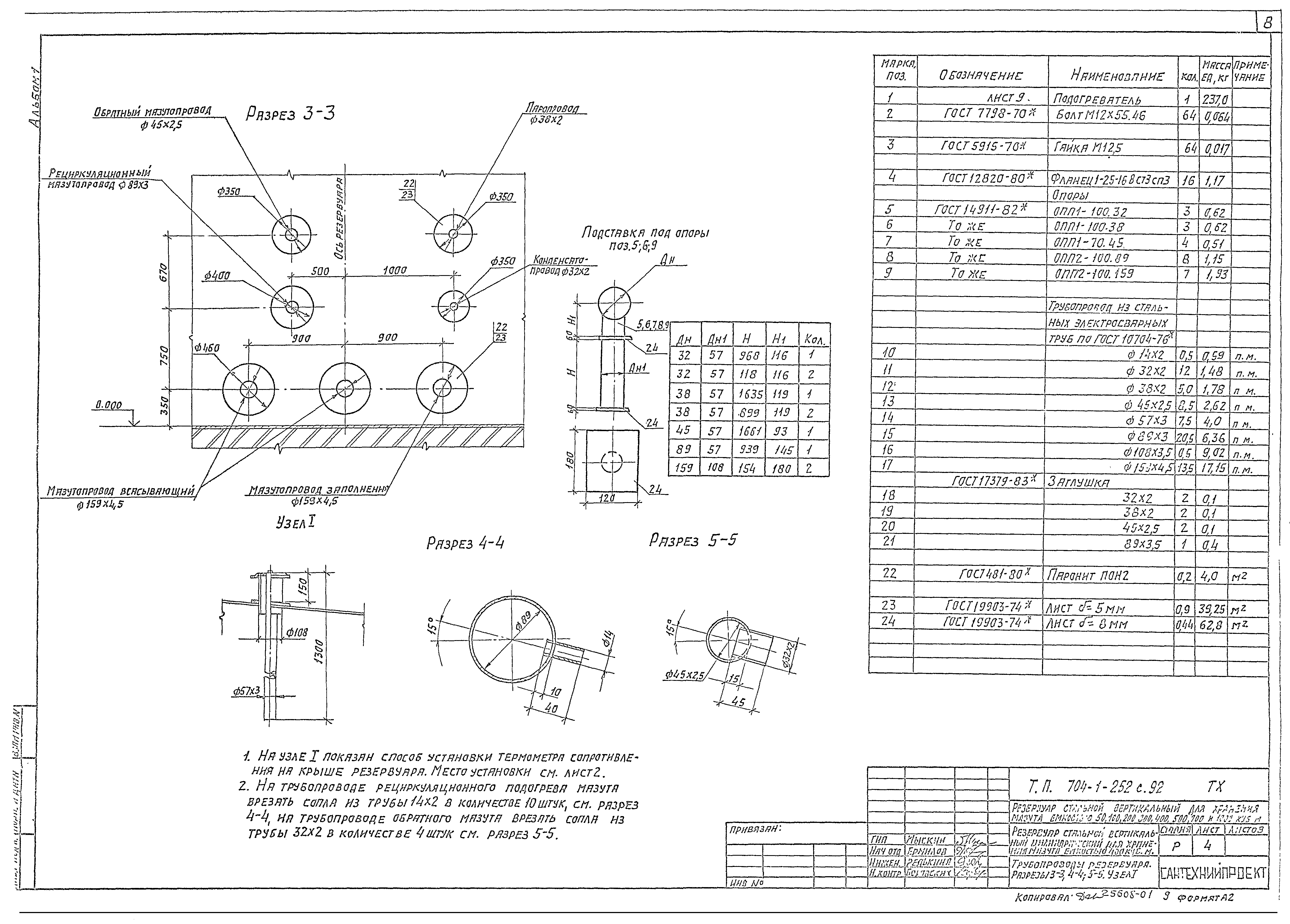
Альбом 1. Пояснительная записка. Оборудование технологическое, электротехническое, автоматикиОбозначение: | Типовой проект 704-1-252с.92 | Обозначение англ: | 704-1-252с.92 | Статус: | не определен законодательством | Название рус.: | Альбом 1. Пояснительная записка. Оборудование технологическое, электротехническое, автоматики | Дата добавления в базу: | 01.09.2013 | Дата актуализации: | 05.05.2017 | Дата введения: | 13.10.1992 | Оглавление: | ТП 704-1-352с.92 ПЗ Содержание альбома. Пояснительная записка ТП 704-1-352с.92 ПЗ Пояснительная записка ТП 704-1-352с.92 ТХ Оборудование технологическое ТП 704-1-352с.92 ТХ Общие данные ТП 704-1-352с.92 ТХ Оборудование резервуара. Общий вид ТП 704-1-352с.92 ТХ Трубопроводы резервуара. План. Разрезы 1-1;2-2 ТП 704-1-352с.92 ТХ Трубопроводы резервуара. Разрезы 3-3;4-4;5-5. Узел 1 ТП 704-1-352с.92 ТХ Подогреватель. План. Разрезы 1-1;2-2 ТП 704-1-352с.92 ТХ Рама под подогреватель. Общий вид ТП 704-1-352с.92 ТХ Вентиляционный патрубок. ВП-150. Общий вид ТП 704-1-352с.92 ТХ Люк Ду500 для установки уровнемера. Общий вид ТП 704-1-352с.92 ЭГ Оборудование электротехническое ТП 704-1-352с.92 ЭГ Молниезащита ТП 704-1-352с.92 А Оборудование автоматики ТП 704-1-352с.92 А Схема контроля и соединений внешних проводок | Разработан: | Сантехниипроект Госстроя России ВНИПИТеплопроект Фундаментпроект Гипронефтеспецмонтаж Минмонтажспецстроя СССР (Giproneftespetsmontazh, Minmontazhspetsstroy (USSR) ) ЦНИИпроектстальконструкция Госстроя
| Утверждён: | 13.10.1992 Сантехниипроект (35)
| Издан: | ГП ЦПП (1996 г. )
| Расположен в: |
|
            
|