| ||||||||||||||||||||||||||||||
Скачать СТО 0061-2008 Стандарт организации. Прогоны и ригели стальные оцинкованные из холодногнутых профилей С-образного и Z-образного сечений для систем покрытий и стен зданий. Технические требованияДата актуализации: 10.08.2017
|
| Обозначение: | СТО 0061-2008 |
| Обозначение англ: | STO 0061-2008 |
| Статус: | действует |
| Название рус.: | Стандарт организации. Прогоны и ригели стальные оцинкованные из холодногнутых профилей С-образного и Z-образного сечений для систем покрытий и стен зданий. Технические требования |
| Дата добавления в базу: | 01.09.2013 |
| Дата актуализации: | 05.05.2017 |
| Дата введения: | 30.12.2008 |
| Область применения: | Стандарт устанавливает требования, необходимые при проектировании, расчете и монтаже прогонов и ригелей из оцинкованных холодногнутых профилей С-образного и Z-образного сечений, поставляемых ЗАО "фестальпине Аркада Профиль" для систем и стен зданий. |
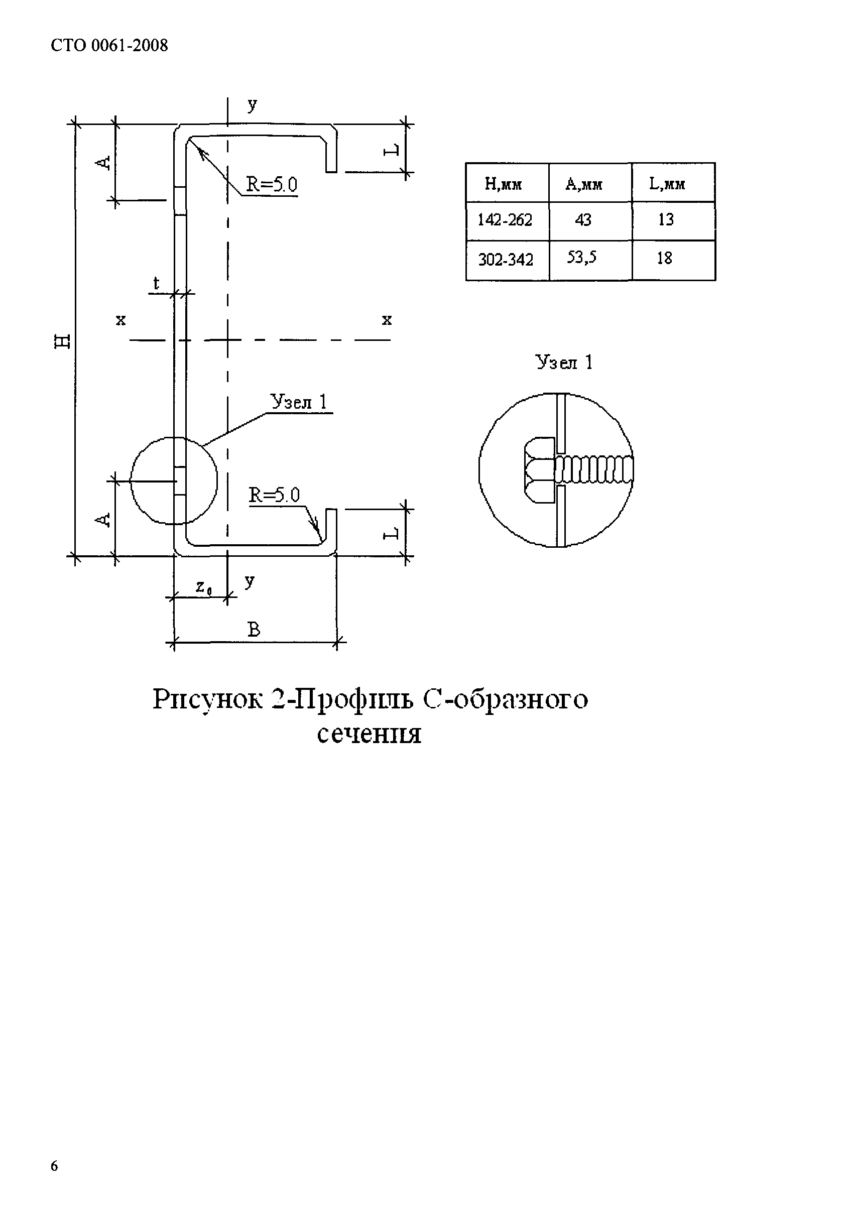
| Оглавление: | 1 Область применения 2 Нормативные ссылки 3 Термины и определения 4 Общие положения 5 Материалы 6 Конструктивные решения 6.1 Прогоны покрытия 6.2 Ригели стен 6.3 Карнизные балки 7 Основные положения расчета 8 Связи 9 Рекомендации по изготовлению, монтажу и эксплуатации конструкций систем покрытия и стен 9.1 Изготовление конструкций 9.2 Монтаж конструкций 9.3 Защита от коррозии и огнестойкость конструкций 10 Техника безопасности изготовления и монтажа конструкций 11 Требования охраны труда и окружающей среды Приложение А (обязательное) Приложение Б (рекомендуемое) Приложение В (рекомендуемое) Приложение Г (рекомендуемое) Приложение Д (рекомендуемое) Программа расчета на прочность и прогиб холодногнутых профилей из стали с пределом текучести 450 МПа в системах METSEC Библиография Приложение Е (рекомендуемое) Предельные нагрузки для систем прогонов из Z-образных профилей из оцинкованной стали с пределом текучести 450 Мпа |
| Разработан: | ЗАО ЦНИИПСК им. Мельникова ЗАО фестальпине Аркада Профиль |
| Утверждён: | 29.12.2008 ЗАО ЦНИИПСК им. Мельникова (411) 30.12.2008 ЗАО фестальпине Аркада Профиль (653) |
| Расположен в: | |
| Нормативные ссылки: |
|



























































































































