Информационная система
«Ёшкин Кот»

Скачать базу одним архивом
Скачать обновления
История создания базы
Карта сайта

Скачать ОСТ 1 12090-75 Хомуты зажимные. Конструкция и размеры

Дата актуализации: 10.08.2017

ОСТ 1 12090-75

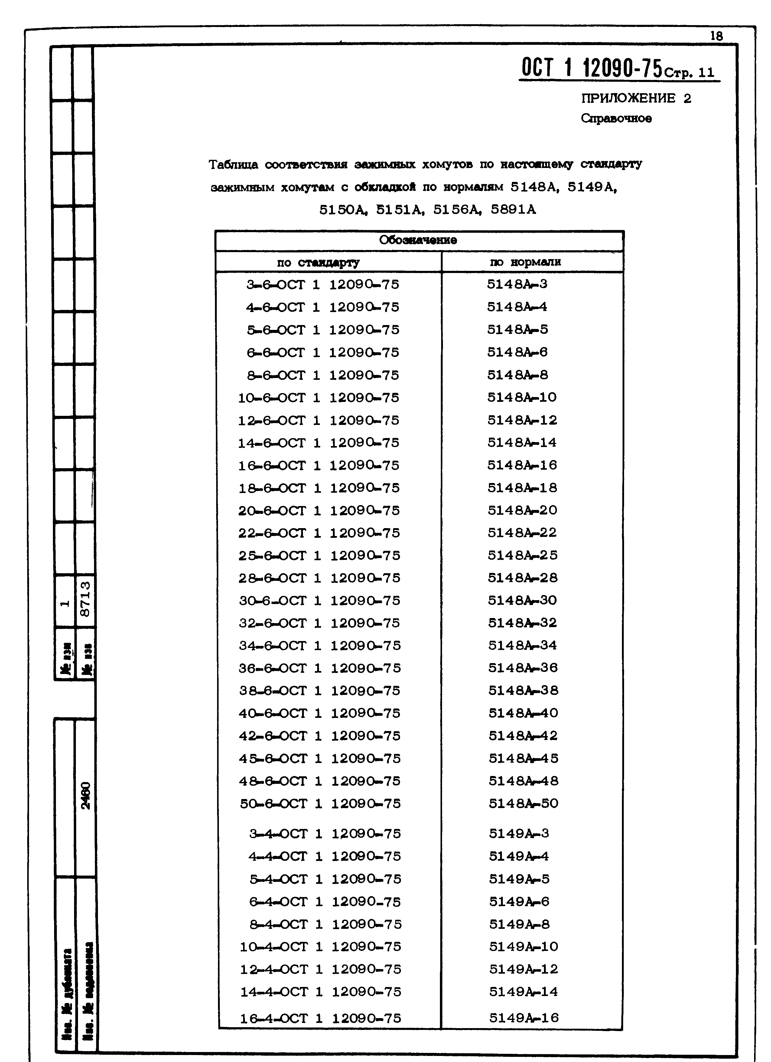
Хомуты зажимные. Конструкция и размеры

Обозначение: ОСТ 1 12090-75
Обозначение англ: 12090-75
Статус:действует
Название рус.:Хомуты зажимные. Конструкция и размеры
Дата добавления в базу:01.09.2013
Дата актуализации:05.05.2017
Дата введения:01.01.1976
Область применения:Стандарт распространяется на зажимные хомуты. В зависимости от материала хомута и обкладки стандарт устанавливает 8 исполнений.
Утверждён:30.05.1976 Министерство (Ministry 087/16)
Расположен в:Техническая документация
Заменяет собой:
  • Нормаль 5148А
  • Нормаль 5149А
  • Нормаль 5150А
  • Нормаль 5151А
  • Нормаль 5156А
  • Нормаль 5891А
ОСТ 1 12090-75ОСТ 1 12090-75ОСТ 1 12090-75ОСТ 1 12090-75ОСТ 1 12090-75ОСТ 1 12090-75ОСТ 1 12090-75ОСТ 1 12090-75ОСТ 1 12090-75ОСТ 1 12090-75ОСТ 1 12090-75ОСТ 1 12090-75ОСТ 1 12090-75ОСТ 1 12090-75ОСТ 1 12090-75

© 2013 Ёшкин Кот :-) Карта сайта