Информационная система
«Ёшкин Кот»

Скачать базу одним архивом
Скачать обновления
История создания базы
Карта сайта

Скачать Типовой проект 901-5-48.90 Альбом 5. Конструкции железобетонные сборные. Арматурные и закладные изделия

Дата актуализации: 10.08.2017

Типовой проект 901-5-48.90

Альбом 5. Конструкции железобетонные сборные. Арматурные и закладные изделия

Обозначение: Типовой проект 901-5-48.90
Обозначение англ: 901-5-48.90
Статус:не определен законодательством
Название рус.:Альбом 5. Конструкции железобетонные сборные. Арматурные и закладные изделия
Дата добавления в базу:01.09.2013
Дата актуализации:05.05.2017
Дата введения:01.01.1991
Оглавление:ТП 901-5-48.90 Содержание
ТП 901-5-48.90 Пояснительная записка
ТП 901-5-48.90-1 Колонна К1
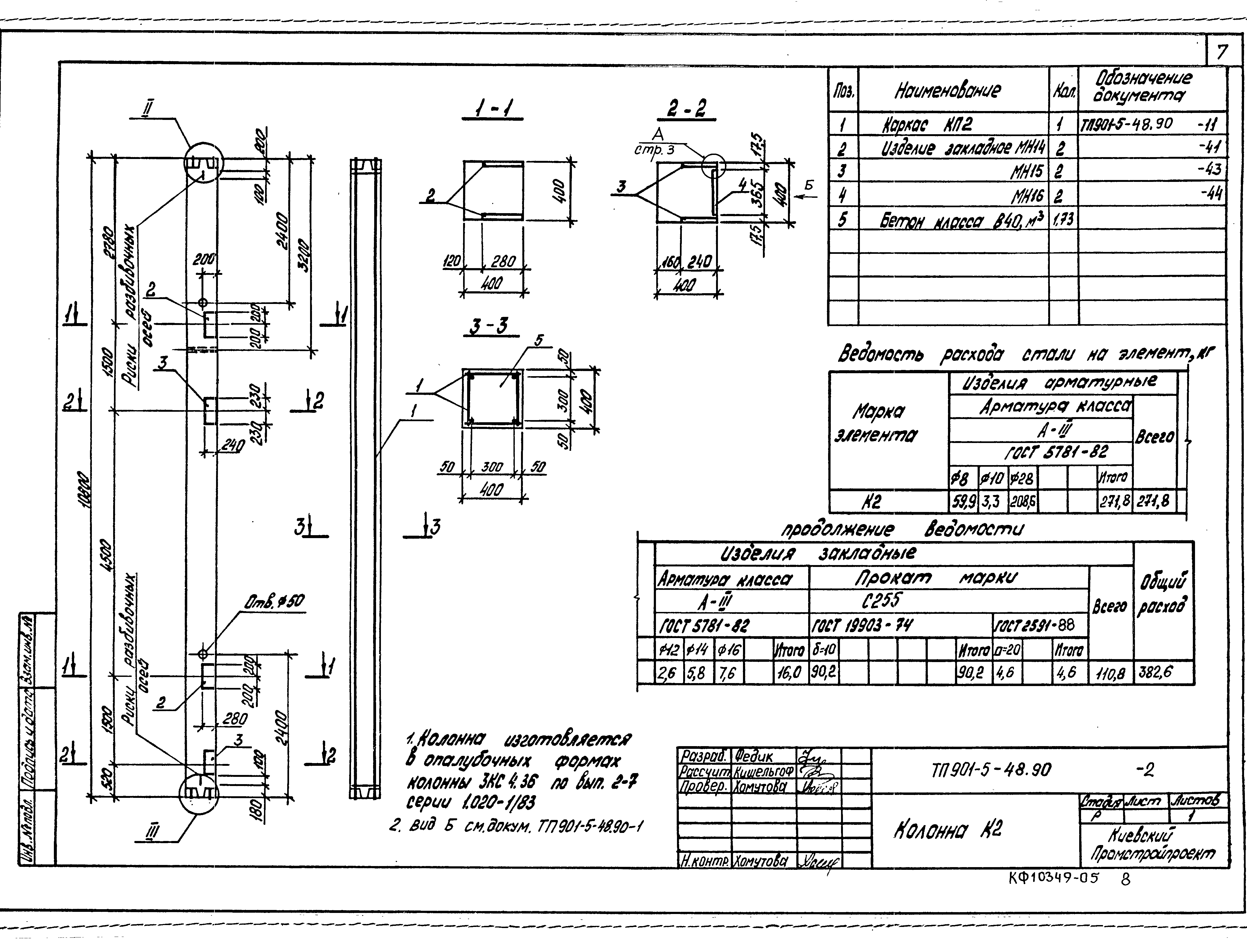
ТП 901-5-48.90-2 Колонна К2
 ТП 901-5-48.90-3 Колонна К3
ТП 901-5-48.90-4 Колонна К4
ТП 901-5-48.90-5 Колонна К5
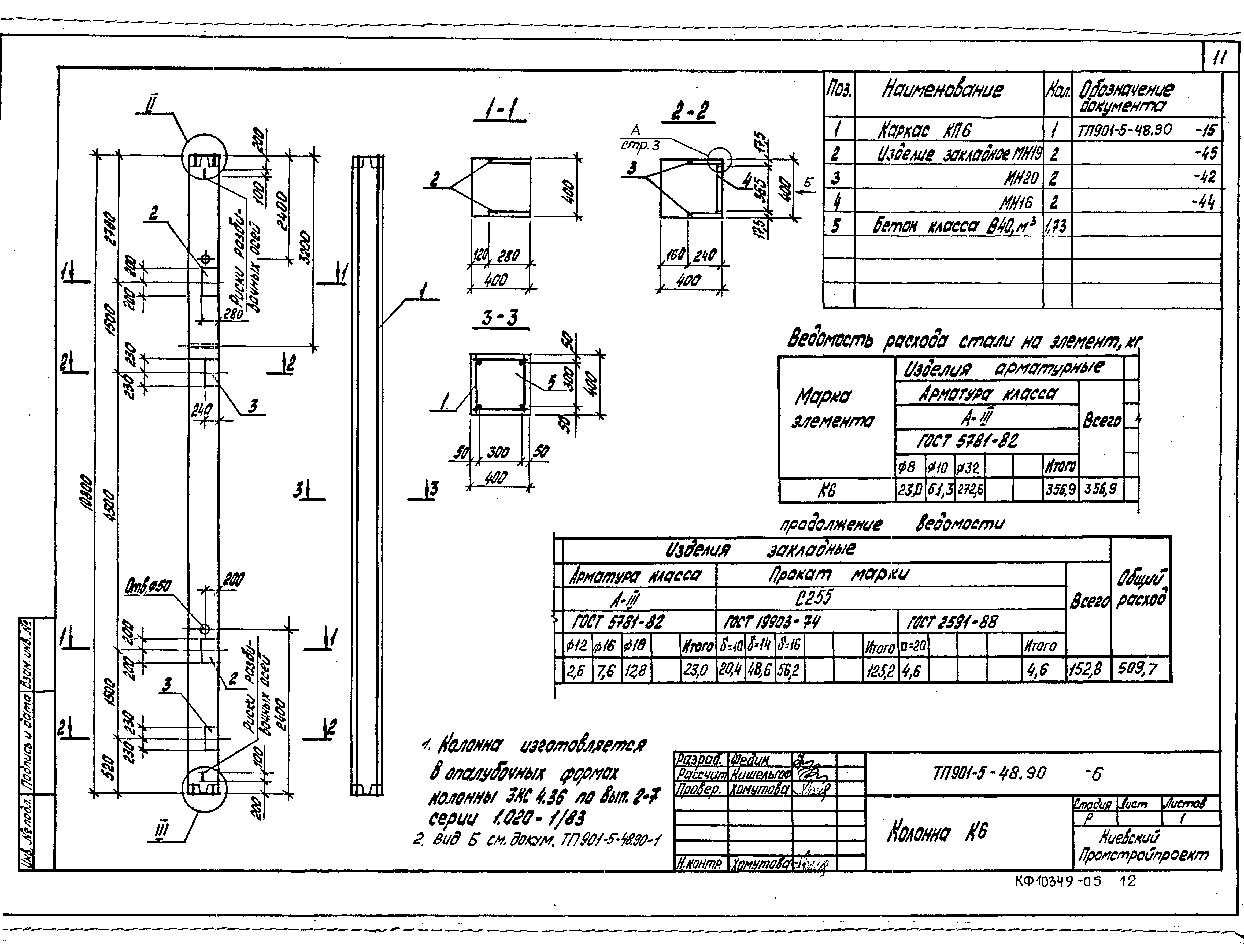
ТП 901-5-48.90-6 Колонна К6
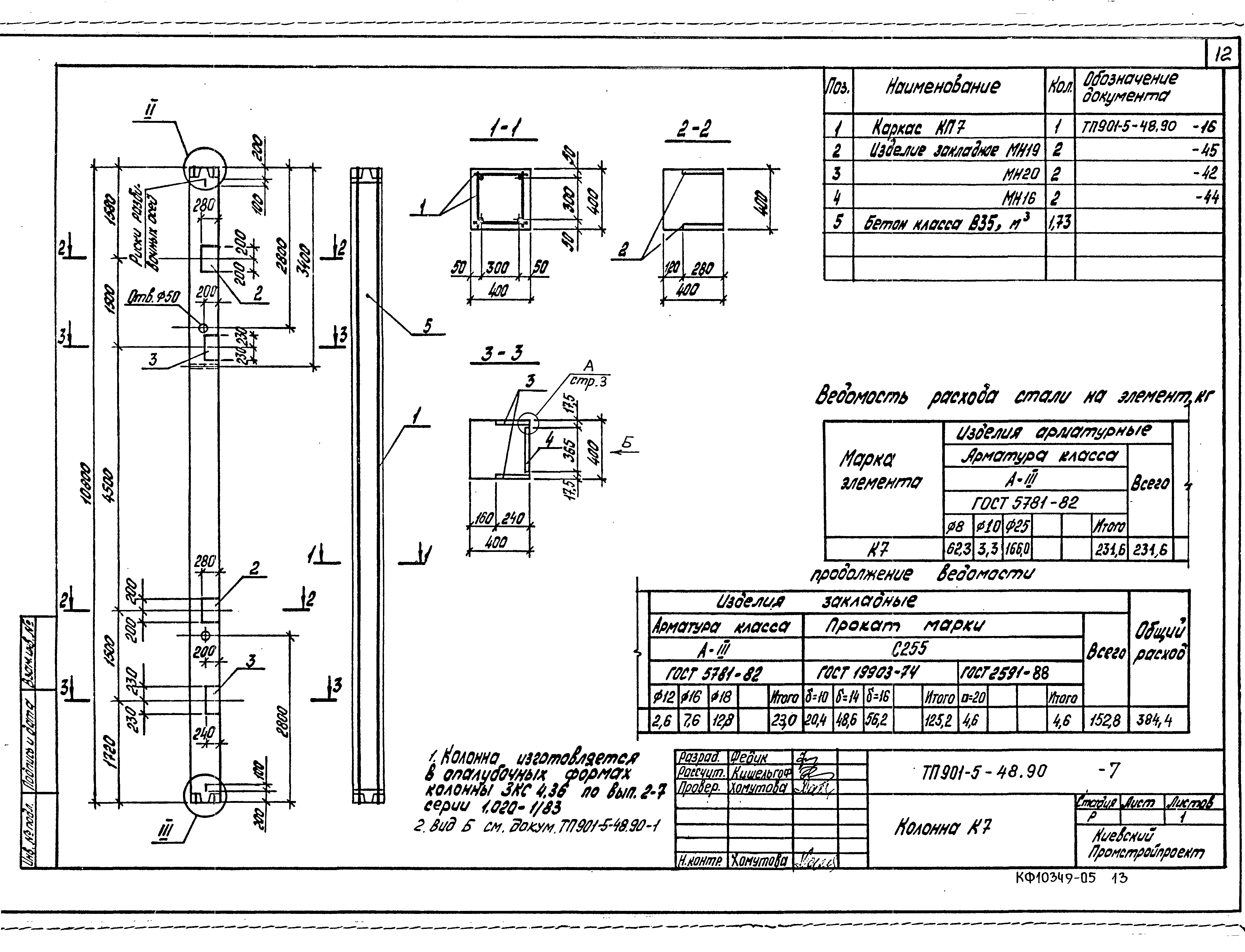
ТП 901-5-48.90-7 Колонна К7
ТП 901-5-48.90-8 Колонна К8
ТП 901-5-48.90-9 Узлы 1…3
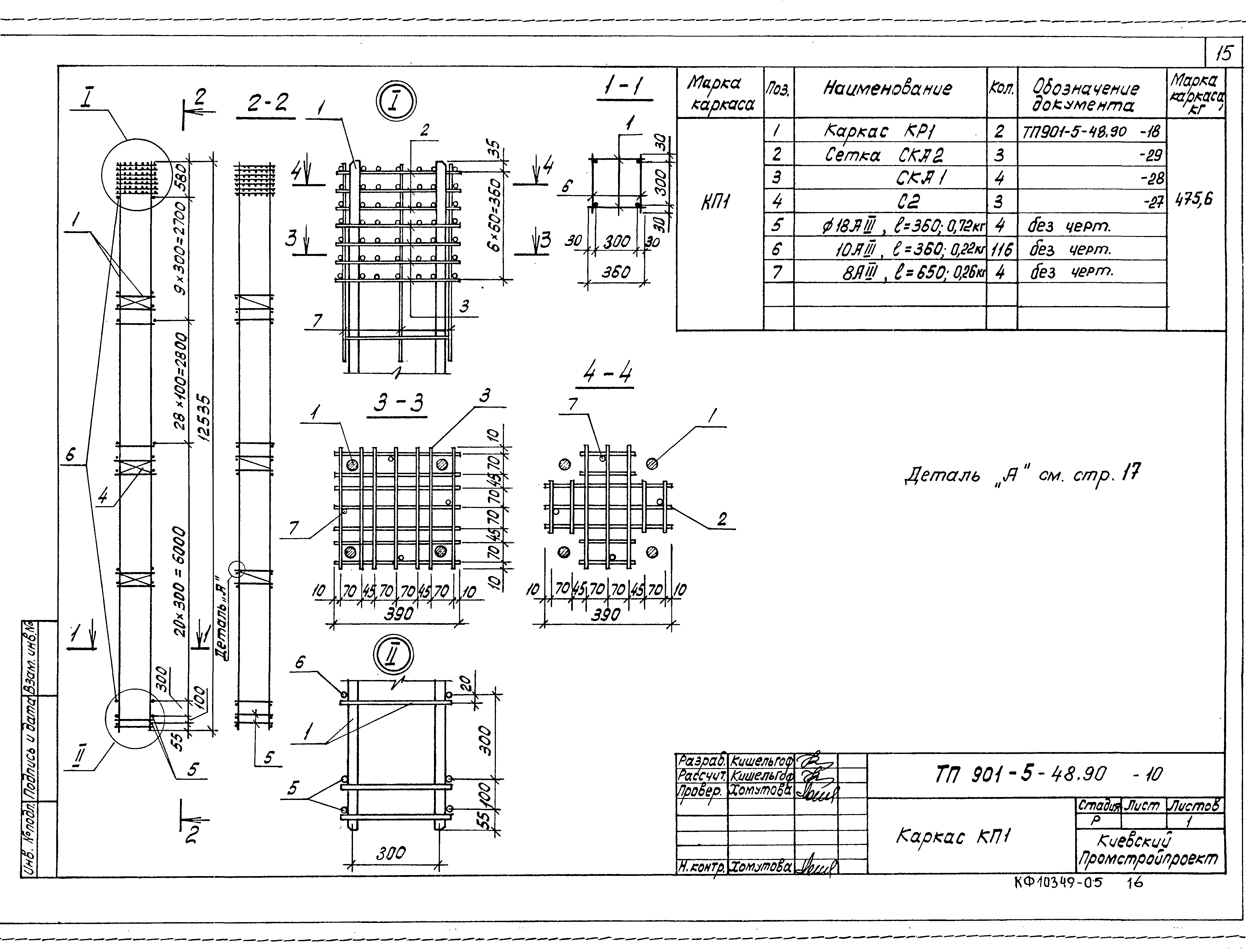
ТП 901-5-48.90-10 Каркас КП1
ТП 901-5-48.90-11 Каркас КП2
ТП 901-5-48.90-12 Каркас КП3
ТП 901-5-48.90-13 Каркас КП4
ТП 901-5-48.90-14 Каркас КП5
ТП 901-5-48.90-15 Каркас КП6
ТП 901-5-48.90-16 Каркас КП7
ТП 901-5-48.90-17 Каркас КП8
ТП 901-5-48.90-18 Каркас КР1
ТП 901-5-48.90-19 Каркас КР2
ТП 901-5-48.90-20 Каркас КР3
ТП 901-5-48.90-21 Каркас КР4
ТП 901-5-48.90-22 Каркас КР5
ТП 901-5-48.90-23 Каркас КР6
ТП 901-5-48.90-24 Каркас КР7
ТП 901-5-48.90-25 Каркас КР 8
ТП 901-5-48.90-26 Сетка С1
ТП 901-5-48.90-27 Сетка С2
ТП 901-5-48.90-28 Сетка косв. арм. СКА1; СКА3
ТП 901-5-48.90-29 Сетка косв. арм. СКА2
ТП 901-5-48.90-30 Изделие закладное МН1
ТП 901-5-48.90-31 Изделие закладное МН2; МН3
ТП 901-5-48.90-32 Изделие закладное МН4
ТП 901-5-48.90-33 Изделие закладное МН5; МН6
ТП 901-5-48.90-34 Изделие закладное МН7
ТП 901-5-48.90-35 Изделие закладное МН8
ТП 901-5-48.90-36 Изделие закладное МН9
ТП 901-5-48.90-37 Изделие закладное МН10
ТП 901-5-48.90-38 Изделие закладное МН11
ТП 901-5-48.90-39 Изделие закладное МН12
ТП 901-5-48.90-40 Изделие закладное МН13
ТП 901-5-48.90-41 Изделие закладное МН19
ТП 901-5-48.90-42 Изделие закладное МН115
ТП 901-5-48.90-43 Изделие закладное МН20
ТП 901-5-48.90-44 Изделие закладное МН16
ТП 901-5-48.90-45 Изделие закладное МН14
ТП 901-5-48.90-46 Изделие закладное МН17
ТП 901-5-48.90-47 Изделие закладное МН18
ТП 901-5-48.90-48 Изделие соединительное МС1
ТП 901-5-48.90-49 Изделие соединительное МС2
ТП 901-5-48.90-50 Изделие соединительное МС3
ТП 901-5-48.90-51 Изделие соединительное МС4
ТП 901-5-48.90-52 Изделие соединительное МС5
Разработан: Киевский Промстройпроект
Утверждён:25.07.1990 Госстрой СССР (Государственный комитет Совета Министров СССР по делам строительства) (USSR Gosstroy 10)
Расположен в:Техническая документация Строительство Справочные документы Типовые строительные конструкции, изделия и узлы Общероссийский строительный каталог Промышленные предприятия, здания и сооружения Здания и сооружения санитарно-технические Водоснабжение Водонапорные башни Железобетонные
Типовой проект 901-5-48.90Типовой проект 901-5-48.90Типовой проект 901-5-48.90Типовой проект 901-5-48.90Типовой проект 901-5-48.90Типовой проект 901-5-48.90Типовой проект 901-5-48.90Типовой проект 901-5-48.90Типовой проект 901-5-48.90Типовой проект 901-5-48.90Типовой проект 901-5-48.90Типовой проект 901-5-48.90Типовой проект 901-5-48.90Типовой проект 901-5-48.90Типовой проект 901-5-48.90Типовой проект 901-5-48.90Типовой проект 901-5-48.90Типовой проект 901-5-48.90Типовой проект 901-5-48.90Типовой проект 901-5-48.90Типовой проект 901-5-48.90Типовой проект 901-5-48.90Типовой проект 901-5-48.90Типовой проект 901-5-48.90Типовой проект 901-5-48.90Типовой проект 901-5-48.90Типовой проект 901-5-48.90Типовой проект 901-5-48.90Типовой проект 901-5-48.90Типовой проект 901-5-48.90Типовой проект 901-5-48.90Типовой проект 901-5-48.90Типовой проект 901-5-48.90Типовой проект 901-5-48.90Типовой проект 901-5-48.90Типовой проект 901-5-48.90Типовой проект 901-5-48.90Типовой проект 901-5-48.90Типовой проект 901-5-48.90Типовой проект 901-5-48.90Типовой проект 901-5-48.90

© 2013 Ёшкин Кот :-) Карта сайта