| ||||||||||||||||||||||||||||
Скачать Серия 1.134.1-13 Выпуск 2. Книга 2. Блоки бетонные стеновые толщиной 30 см, армированные с применением стали классов Ат-IVС и Врп-I. Рабочие чертежиДата актуализации: 10.08.2017
|
| Обозначение: | Серия 1.134.1-13 |
| Обозначение англ: | Series 1.134.1-13 |
| Статус: | действует |
| Название рус.: | Выпуск 2. Книга 2. Блоки бетонные стеновые толщиной 30 см, армированные с применением стали классов Ат-IVС и Врп-I. Рабочие чертежи |
| Дата добавления в базу: | 01.09.2013 |
| Дата актуализации: | 05.05.2017 |
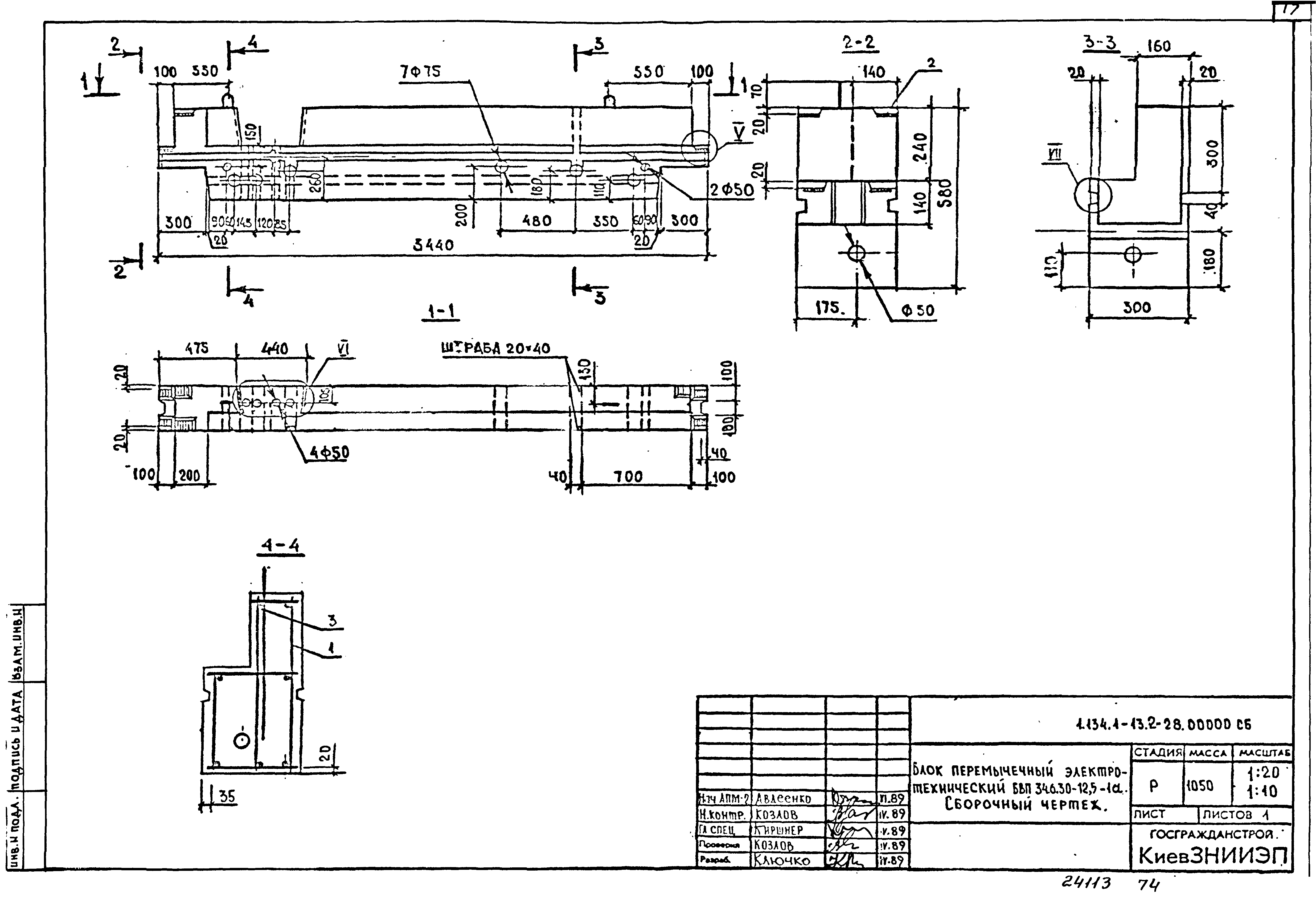
| Оглавление: | 1.134.1-13.2-27.00000 СБ Блок поясной электротехнический БВП 34.6.30-12,5-а. Сборочный чертеж 1.134.1-13.2-28.00000 СБ Блок поясной электротехнический БВП 34.6.30-12,5-1а. Сборочный чертеж 1.134.1-13.2-29.00000 Блок поясной электротехнический БВП 34.6.30-12,5-2а 1.134.1-13.2-30.00000 Блок поясной электротехнический БВП 34.6.30-12,5-3а 1.134.1-13.2-29.00000 СБ Блок поясной электротехнический БВП 34.6.30-12,5-2а. Сборочный чертеж 1.134.1-13.2-30.00000 СБ Блок поясной электротехнический БВП 34.6.30-12,5-3а. Сборочный чертеж 1.134.1-13.2-31.00000 Блок поясной электротехнический БВП 46.6.30-12,5-а 1.134.1-13.2-32.00000 Блок поясной электротехнический БВП 46.6.30-12,5-1а 1.134.1-13.2-31.00000 СБ Блок поясной электротехнический БВП 46.6.30-12,5-а. Сборочный чертеж 1.134.1-13.2-32.00000 СБ Блок поясной электротехнический БВП 46.6.30-12,5-1а. Сборочный чертеж 1.134.1-13.2-33.00000 Блок поясной электротехнический (БВП 20.22.30-5л; БВ 20.22.30-7,5л; БВ 20.22.30-12,5) 1.134.1-13.2-33.00000 СБ Блок поясной электротехнический (БВП 20.22.30-5л; БВ 20.22.30-7,5л; БВ 20.22.30-12,5). Сборочный чертеж 1.134.1-13.2-00.00000 Д1 Узлы I… VIII 1.134.1-13.2-00.10000 Блок арматурный (БА1… БА10) 1.134.1-13.2-00.10000 СБ Блок арматурный (БА1… БА10). Сборочный чертеж 1.134.1-13.2-00.20000 Блок арматурный (БА11… БА20) 1.134.1-13.2-00.20000 СБ Блок арматурный (БА11… БА20). Сборочный чертеж 1.134.1-13.2-09.10000 Каркас пространственный (КП1… КП7) 1.134.1-13.2-09.10000 СБ Каркас пространственный (КП1… КП7). Сборочный чертеж 1.134.1-13.2-09.10000 Каркас пространственный КП8 1.134.1-13.2-11.10000 Каркас пространственный (КП9, КП10, КП11) 1.134.1-13.2-11.10000 СБ Каркас пространственный (КП9, КП10, КП11). Сборочный чертеж 1.134.1-13.2-12.10000 Каркас пространственный КП12 1.134.1-13.2-13.10000 Каркас пространственный КП13 1.134.1-13.2-14.10000 Каркас пространственный КП14 1.134.1-13.2-15.10000 Каркас пространственный (КП15, КП16) 1.134.1-13.2-15.10000 СБ Каркас пространственный (КП15, КП16). Сборочный чертеж 1.134.1-13.2-16.10000 Каркас пространственный (КП17, КП18) 1.134.1-13.2-16.10000 СБ Каркас пространственный (КП17, КП18). Сборочный чертеж 1.134.1-13.2-17.10000 Каркас пространственный КП19 1.134.1-13.2-18.10000 Каркас пространственный КП20 1.134.1-13.2-18.10000 СБ Каркас пространственный КП20. Сборочный чертеж 1.134.1-13.2-19.10000 Каркас пространственный (КП21, КП27) 1.134.1-13.2-19.10000 СБ Каркас пространственный (КП21, КП27). Сборочный чертеж 1.134.1-13.2-20.10000 Каркас пространственный (КП22, КП28) 1.134.1-13.2-20.10000 СБ Каркас пространственный (КП22, КП28). Сборочный чертеж 1.134.1-13.2-21.10000 Каркас пространственный (КП23, КП29) 1.134.1-13.2-21.10000 СБ Каркас пространственный (КП23, КП29). Сборочный чертеж 1.134.1-13.2-22.10000 Каркас пространственный (КП24, КП30) 1.134.1-13.2-22.10000 СБ Каркас пространственный (КП24, КП30). Сборочный чертеж 1.134.1-13.2-23.10000 Каркас пространственный КП25 1.134.1-13.2-25.10000 Каркас пространственный (КП26, КП31) 1.134.1-13.2-25.10000 СБ Каркас пространственный (КП26, КП31). Сборочный чертеж 1.134.1-13.2-33.10000 Каркас пространственный КП32 1.134.1-13.2-33.10000 СБ Каркас пространственный КП32. Сборочный чертеж 1.134.1-13.2-00.00000 Д2 Узлы А… Г 1.134.1-13.2-00.00100 Каркас плоский (КР1… КР4) 1.134.1-13.2-00.00100 СБ Каркас плоский (КР1… КР4). Сборочный чертеж 1.134.1-13.2-00.00200 Каркас плоский (КР5… КР11) 1.134.1-13.2-00.00200 СБ Каркас плоский (КР5… КР11). Сборочный чертеж 1.134.1-13.2-00.00300 Каркас плоский КР12 1.134.1-13.2-00.00400 Каркас плоский (КР13… КР15) 1.134.1-13.2-00.00400 СБ Каркас плоский (КР13… КР15). Сборочный чертеж 1.134.1-13.2-00.00500 Каркас плоский КР16 1.134.1-13.2-00.00500 Каркас плоский КР17 1.134.1-13.2-00.00500 Каркас плоский КР18 1.134.1-13.2-00.00500 Каркас плоский КР19 1.134.1-13.2-00.00900 Каркас плоский КР20 1.134.1-13.2-00.01000 Каркас плоский КР21 1.134.1-13.2-00.01100 Каркас плоский КР22 1.134.1-13.2-00.01200 Каркас плоский КР24 1.134.1-13.2-00.01300 Каркас плоский КР23 1.134.1-13.2-00.01400 Каркас плоский КР25 1.134.1-13.2-00.01500 Каркас плоский КР26 1.134.1-13.2-00.01600 Каркас плоский КР27 1.134.1-13.2-00.01700 Каркас плоский КР28 1.134.1-13.2-00.01800 Каркас плоский КР29 1.134.1-13.2-00.01900 Каркас плоский КР30 1.134.1-13.2-00.02000 Каркас плоский КР31 1.134.1-13.2-00.02100 Каркас плоский КР32 1.134.1-13.2-00.02200 Каркас плоский КР33 1.134.1-13.2-00.02300 Каркас плоский КР34 1.134.1-13.2-00.02400 Каркас плоский КР35 1.134.1-13.2-00.02500 Каркас плоский КР36 1.134.1-13.2-00.02600 Каркас плоский КР37 1.134.1-13.2-00.02700 Каркас плоский КР38 1.134.1-13.2-00.02800 Каркас плоский КР39 1.134.1-13.2-00.02900 Каркас плоский КР40 1.134.1-13.2-00.03000 Каркас плоский КР41 1.134.1-13.2-00.03100 Каркас плоский КР42 1.134.1-13.2-00.03200 Каркас плоский КР43 1.134.1-13.2-00.03300 Каркас плоский КР44 1.134.1-13.2-00.03400 Каркас плоский КР45 1.134.1-13.2-00.03500 Каркас плоский КР46 1.134.1-13.2-00.03600 Каркас плоский КР47 1.134.1-13.2-00.03700 Каркас плоский КР48 1.134.1-13.2-00.03800 Каркас плоский КР49 1.134.1-13.2-00.03900 Каркас плоский КР50 1.134.1-13.2-00.04000 Каркас плоский КР51 1.134.1-13.2-00.04100 Каркас плоский КР52 1.134.1-13.2-00.04200 Каркас плоский КР53 1.134.1-13.2-00.04300 Каркас плоский КР54 1.134.1-13.2-00.04400 Каркас плоский КР55 1.134.1-13.2-00.04500 Изделие закладное МН1 1.134.1-13.2-00.04600 Изделие закладное МН2 1.134.1-13.2-00.04700 Петля строповочная (П12, П13) 1.134.1-13.2-00.04700 Петля строповочная (П12, П13). Сборочный чертеж 1.134.1-13.2-00.04800 Петля строповочная П16 1.134.1-13.2-00.04900 Петля строповочная (П14, П15) 1.134.1-13.2-00.05000 Петля строповочная (П1… П9) 1.134.1-13.2-00.05100 Петля строповочная (П10, П11) 1.134.1-13.2-00.05200 Стержень отдельный 1.134.1-13.2-00.00000 РС Ведомость расхода стали |
| Разработан: | КиевЗНИИЭП |
| Утверждён: | 19.06.1989 Госкомархитектура (114) |
| Издан: | ЦИТП Госстроя СССР (CITP, Gosstroy (USSR) 1990 г. ) |
| Расположен в: | |
| Нормативные ссылки: |
|



































































