| ||||||||||||||||||||||||||
Скачать Типовые материалы для проектирования 407-03-441.87 Альбом X. Автоматика пожаротушенияДата актуализации: 10.08.2017
|
| Обозначение: | Типовые материалы для проектирования 407-03-441.87 |
| Обозначение англ: | 407-03-441.87 |
| Статус: | cправочные материалы, мп, тпр |
| Название рус.: | Альбом X. Автоматика пожаротушения |
| Дата добавления в базу: | 01.09.2013 |
| Дата актуализации: | 05.05.2017 |
| Дата введения: | 16.03.1987 |
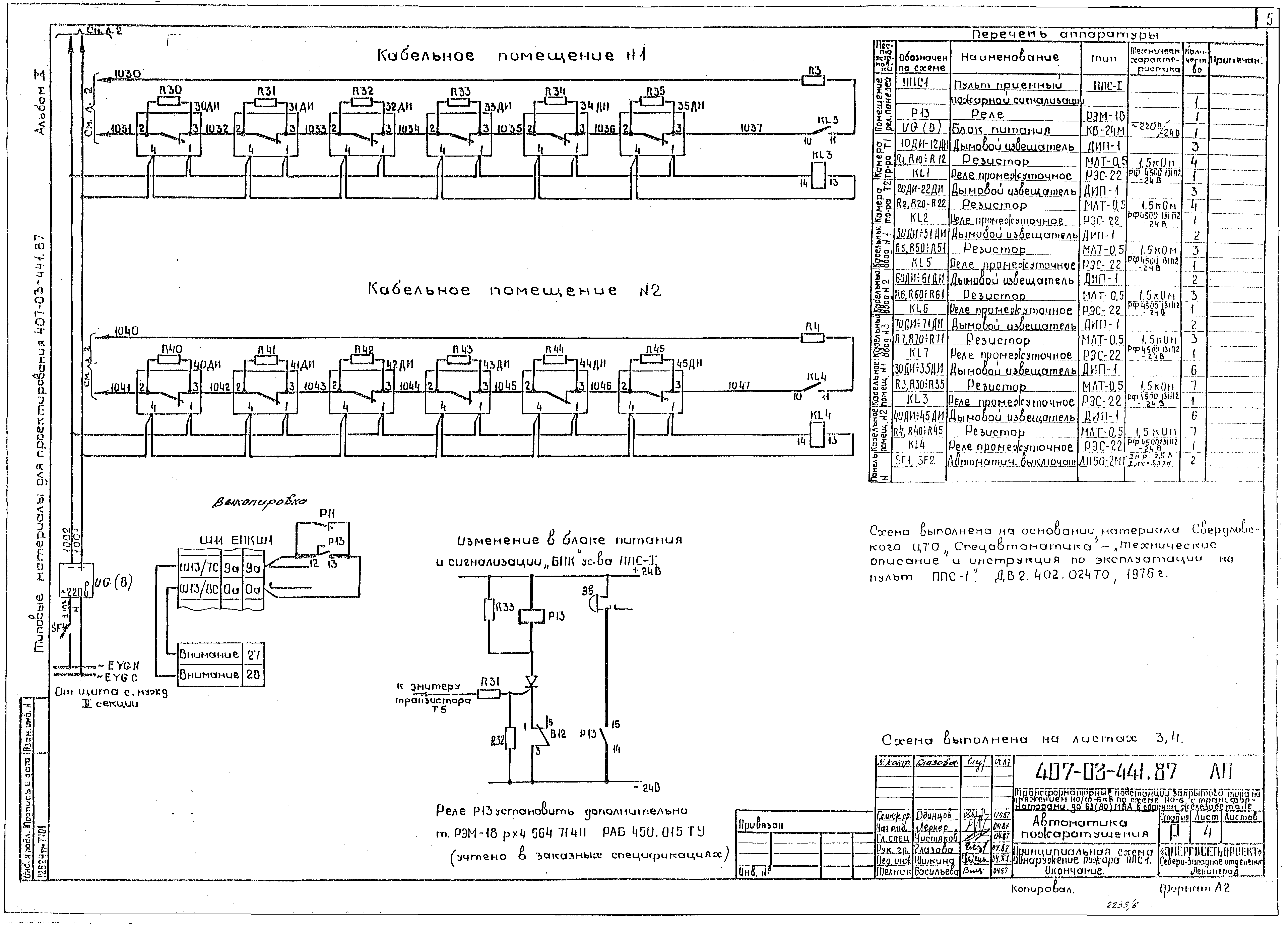
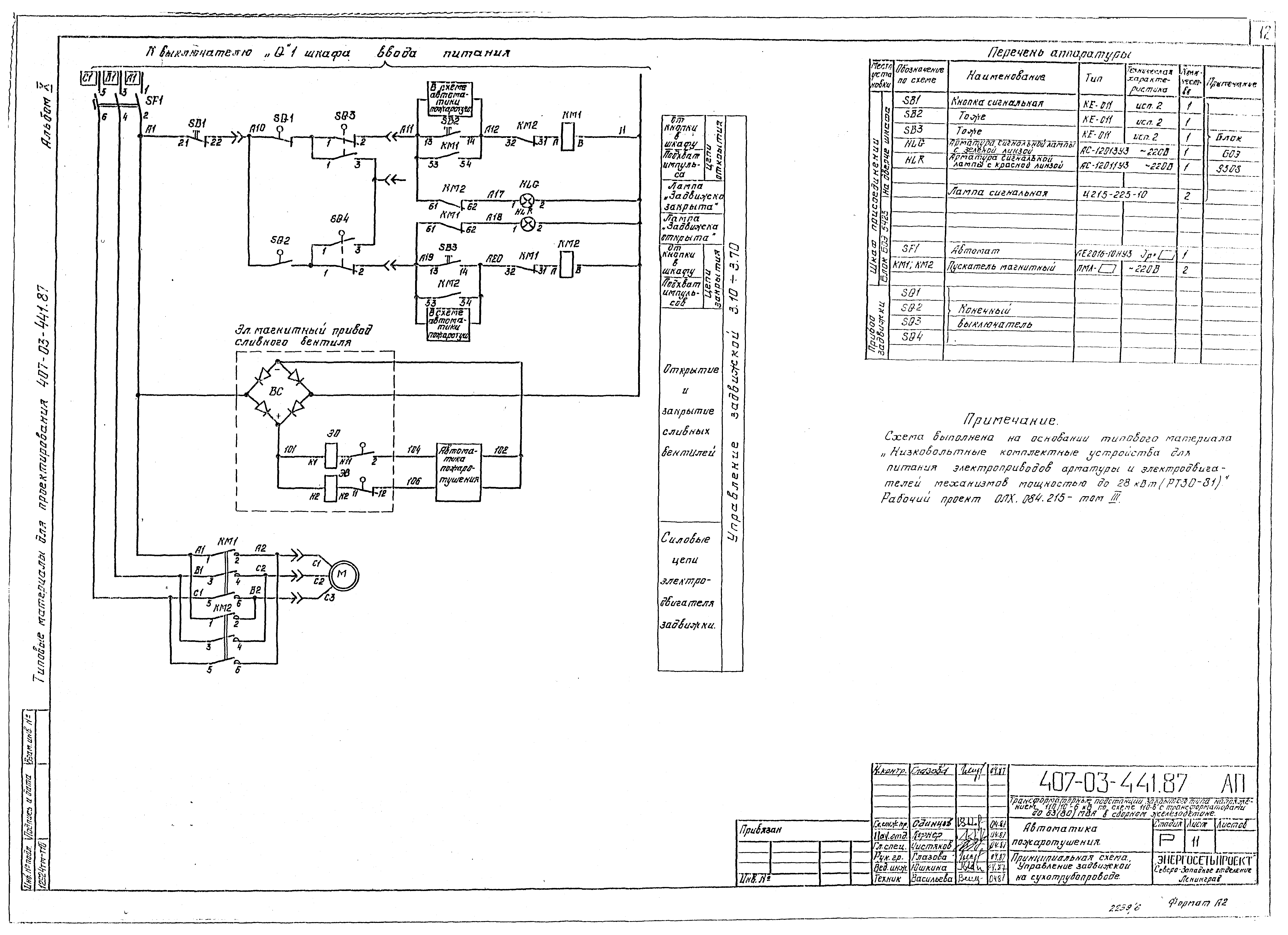
| Оглавление: | Общие данные Пояснительная записка Принципиальная схема. Обнаружение пожара ППС-1 Принципиальная схема. Автоматика пожаротушения Принципиальная схема. Сборка РТ30. Шкаф ввода питания Принципиальная схема. Управление задвижкойна вводе насосной Принципиальная схема. Управление задвижкой на сухотрубопроводе Принципиальная схема. Управление задвижкой у пожарных кранов 3.80 (3.81) Принципиальная схема. Управление задвижкой у пожарных кранов 3.82 (3.83) Принципиальная схема. Управление заслонкой кабельного помещения Схема подключений. Панель № . Автоматика пожаротушения. Левая боковина Схема подключений. Панель № . Автоматика пожаротушения. Правая боковина Схема соединений. Сборка РТ30. Шкаф №1 и №2 Схема соединений. Сборка РТ30. Шкаф №2 Схема подключений. Шкаф управления задвижками. Шкаф №3 Схема подключений кабелей к задвижкам и сливным вентилям Схема соединений. Устройство ППС Схема соединений. Пожарная сигнализация в камерах трансформаторов Схема соединений. Пожарная сигнализация в кабельных вводах Схема соединений. Пожарная сигнализация в кабельных помещениях Схема соединений. Шкаф манометров Схема соединений. Автоматика заполнения резервуара водой Схема соединений. Кнопки у пожарных кранов Панель № . Общий вид.Автоматика пожаротушения Панель № . Полная схема в части панели пожаротушения Панель № . Схема соединений. Автоматика пожаротушения Кабельный журнал контрольных кабелей. Пример. Сводная ведомость контрольных кабелей. Пример План-схема раскладки контрольных кабелей. Пример |
| Разработан: | Северо-западное отделение института Энергосетьпроект |
| Утверждён: | 16.03.1987 Минэнерго СССР (USSR Minenergo 18) |
| Расположен в: |









































