| ||||||||||||||||||||||||
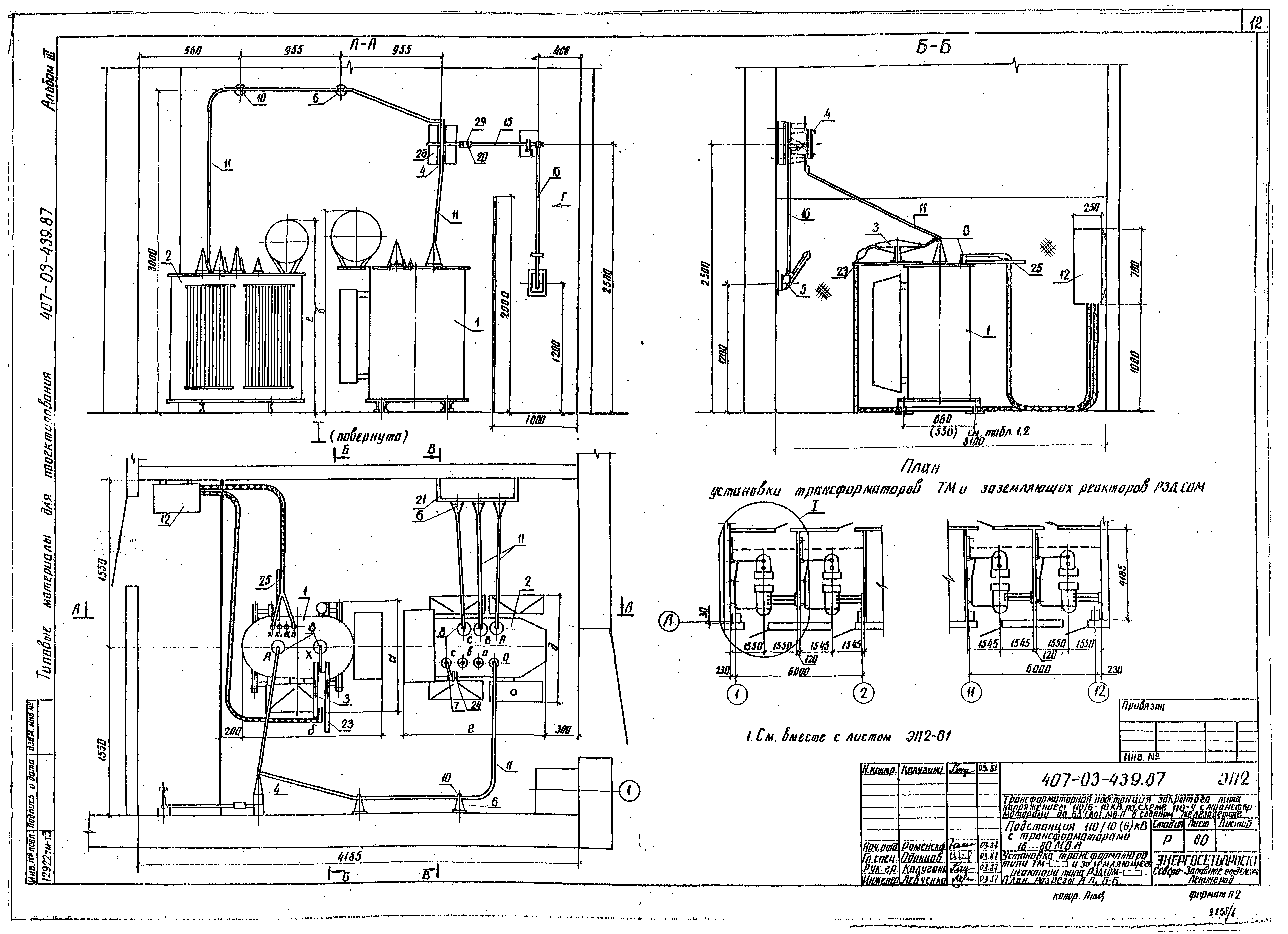
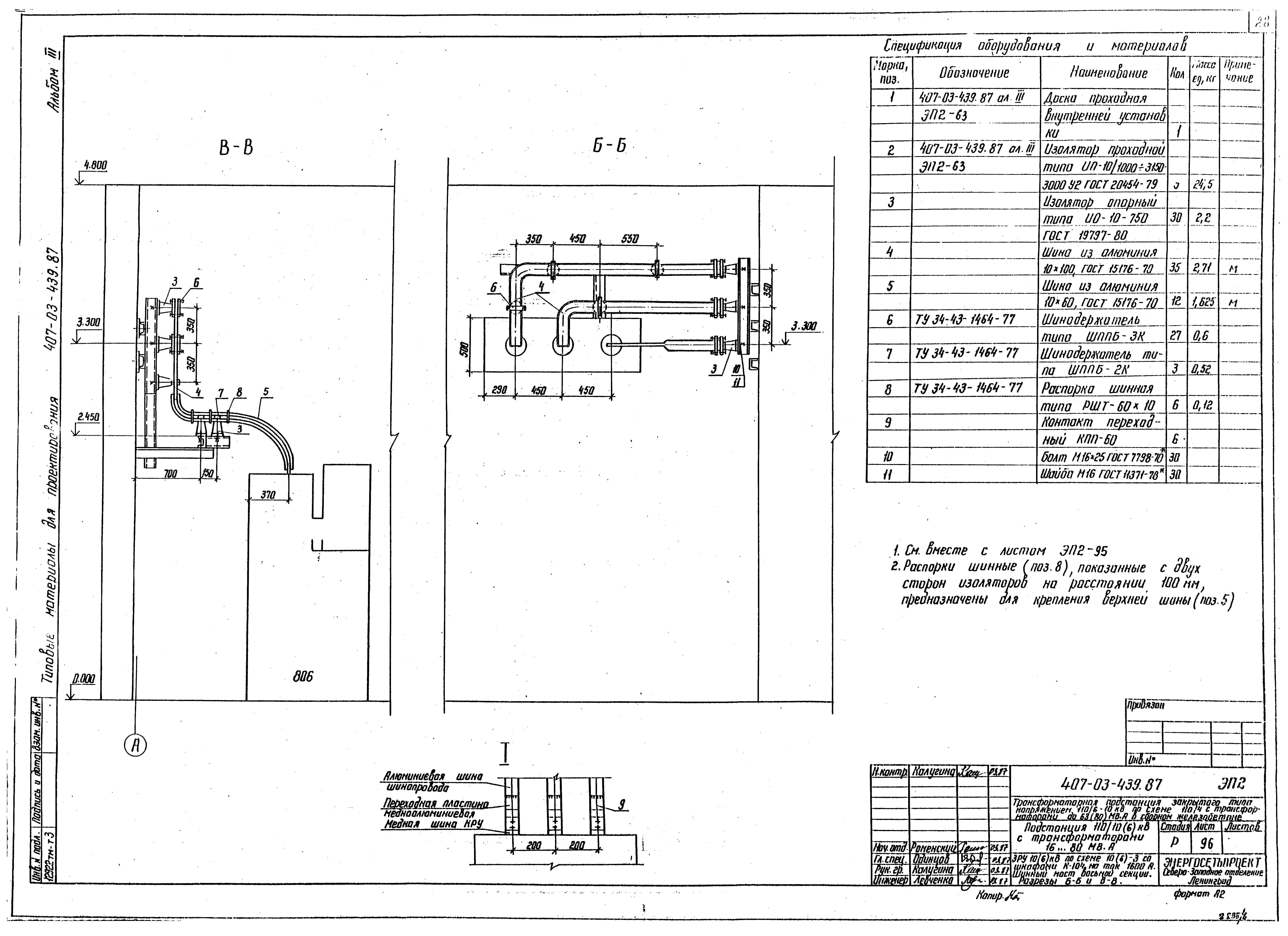
Скачать Типовые материалы для проектирования 407-03-441.87 Альбом III. Часть 2. Электротехнические решения. Конструктивно-монтажные чертежи (из ТП 407-03-439.87)Дата актуализации: 10.08.2017
|
| Обозначение: | Типовые материалы для проектирования 407-03-441.87 |
| Обозначение англ: | 407-03-441.87 |
| Статус: | cправочные материалы, мп, тпр |
| Название рус.: | Альбом III. Часть 2. Электротехнические решения. Конструктивно-монтажные чертежи (из ТП 407-03-439.87) |
| Дата добавления в базу: | 01.09.2013 |
| Дата актуализации: | 05.05.2017 |
| Дата введения: | 16.03.1987 |
| Разработан: | Северо-западное отделение института Энергосетьпроект |
| Утверждён: | 16.03.1987 Минэнерго СССР (USSR Minenergo 16) |
| Расположен в: |












































