Информационная система
«Ёшкин Кот»

Скачать базу одним архивом
Скачать обновления
История создания базы
Карта сайта

Скачать Типовой проект 407-3-669.04 Альбом 3. Электротехническая часть с оборудованием на постоянном оперативном токе и микропроцессорными устройствами РЗиА типа Sepam 1000+

Дата актуализации: 10.08.2017

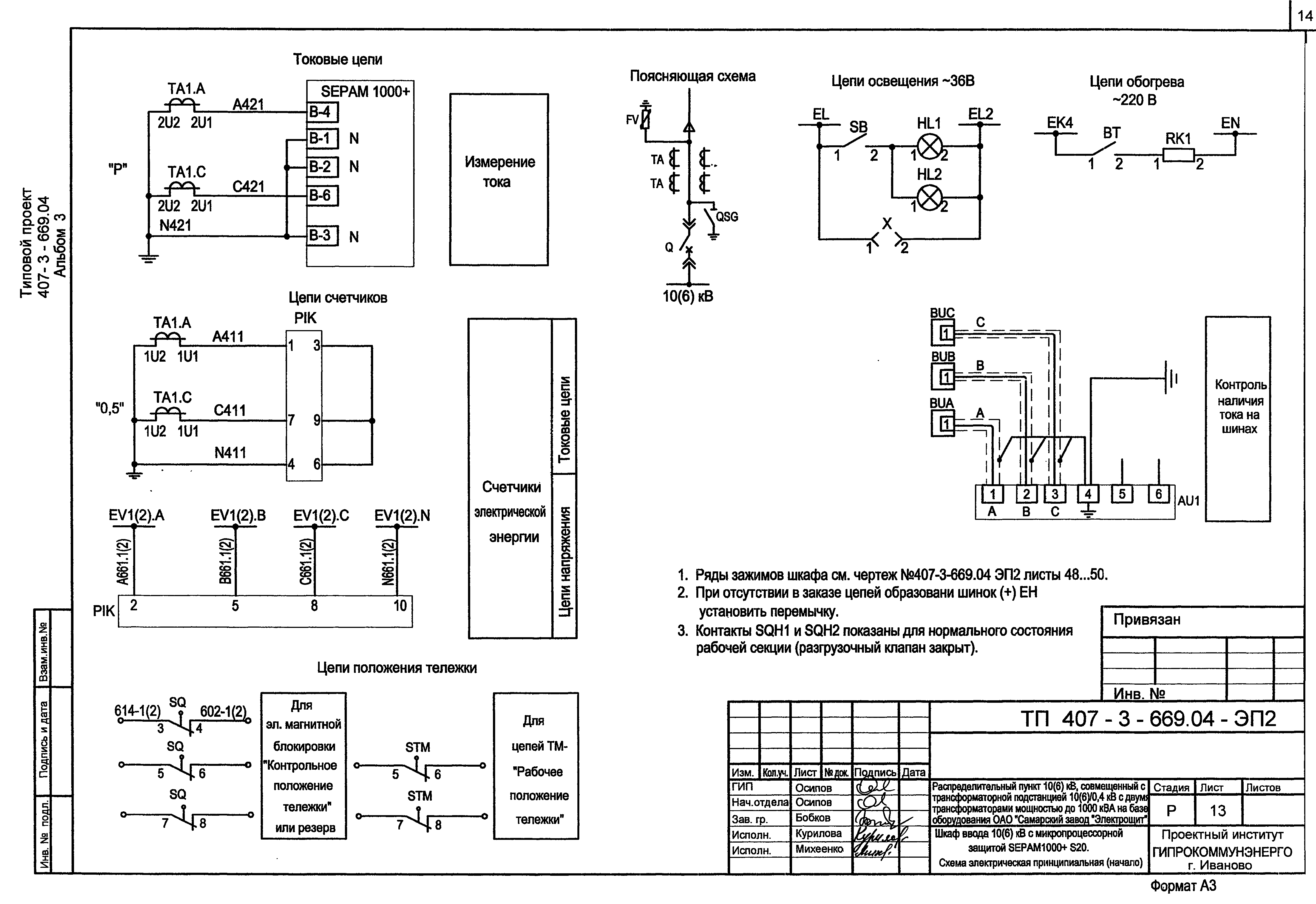
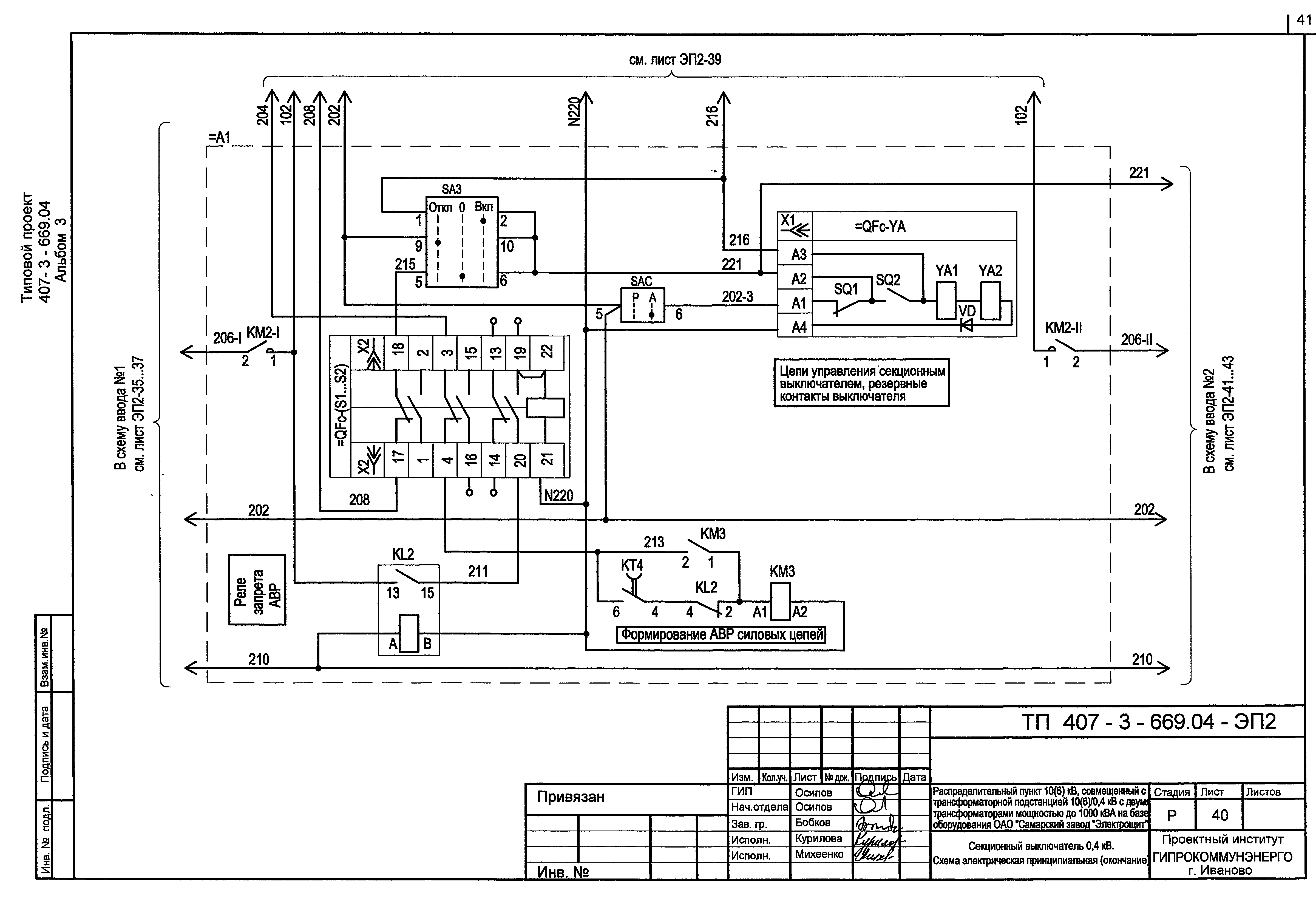
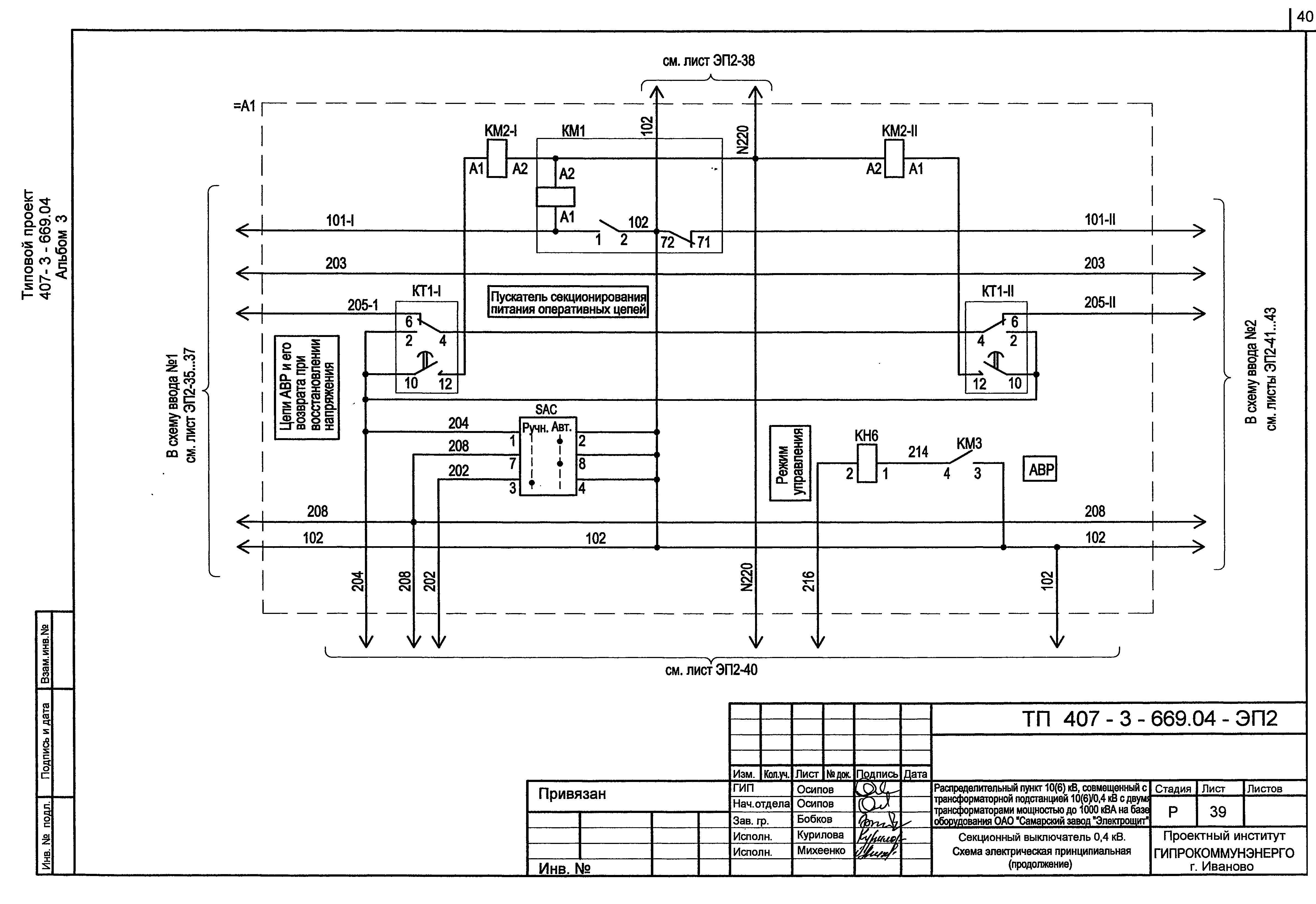
Типовой проект 407-3-669.04

Альбом 3. Электротехническая часть с оборудованием на постоянном оперативном токе и микропроцессорными устройствами РЗиА типа Sepam 1000+

Обозначение: Типовой проект 407-3-669.04
Обозначение англ: 407-3-669.04
Статус:не определен законодательством
Название рус.:Альбом 3. Электротехническая часть с оборудованием на постоянном оперативном токе и микропроцессорными устройствами РЗиА типа Sepam 1000+
Дата добавления в базу:01.09.2013
Дата актуализации:05.05.2017
Дата введения:17.03.2005
Разработан: ОГУП ПИ Гипрокоммунэнерго
Утверждён:17.03.2005 ОАО Самарский завод Электрощит (88-Пр)
Расположен в:Техническая документация Строительство Справочные документы Типовые строительные конструкции, изделия и узлы Общероссийский строительный каталог Промышленные предприятия, здания и сооружения Предприятия, здания и сооружения промышленности и электроэнергетики Электроэнергетика Устройства и подстанции распределительные
Типовой проект 407-3-669.04Типовой проект 407-3-669.04Типовой проект 407-3-669.04Типовой проект 407-3-669.04Типовой проект 407-3-669.04Типовой проект 407-3-669.04Типовой проект 407-3-669.04Типовой проект 407-3-669.04Типовой проект 407-3-669.04Типовой проект 407-3-669.04Типовой проект 407-3-669.04Типовой проект 407-3-669.04Типовой проект 407-3-669.04Типовой проект 407-3-669.04Типовой проект 407-3-669.04Типовой проект 407-3-669.04Типовой проект 407-3-669.04Типовой проект 407-3-669.04Типовой проект 407-3-669.04Типовой проект 407-3-669.04Типовой проект 407-3-669.04Типовой проект 407-3-669.04Типовой проект 407-3-669.04Типовой проект 407-3-669.04Типовой проект 407-3-669.04Типовой проект 407-3-669.04Типовой проект 407-3-669.04Типовой проект 407-3-669.04Типовой проект 407-3-669.04Типовой проект 407-3-669.04Типовой проект 407-3-669.04Типовой проект 407-3-669.04Типовой проект 407-3-669.04Типовой проект 407-3-669.04Типовой проект 407-3-669.04Типовой проект 407-3-669.04Типовой проект 407-3-669.04Типовой проект 407-3-669.04Типовой проект 407-3-669.04Типовой проект 407-3-669.04Типовой проект 407-3-669.04Типовой проект 407-3-669.04Типовой проект 407-3-669.04Типовой проект 407-3-669.04Типовой проект 407-3-669.04Типовой проект 407-3-669.04Типовой проект 407-3-669.04Типовой проект 407-3-669.04Типовой проект 407-3-669.04Типовой проект 407-3-669.04Типовой проект 407-3-669.04Типовой проект 407-3-669.04Типовой проект 407-3-669.04Типовой проект 407-3-669.04Типовой проект 407-3-669.04Типовой проект 407-3-669.04Типовой проект 407-3-669.04Типовой проект 407-3-669.04Типовой проект 407-3-669.04Типовой проект 407-3-669.04

© 2013 Ёшкин Кот :-) Карта сайта