| 
 | ||||||||||||||||||||||||||||
| 
 Скачать Альбом ПП 16-21 Альбом 2. Строительная частьДата актуализации: 10.08.2017
 | 
| Обозначение: |  Альбом ПП 16-21 | 
| Обозначение англ: |  ПП 16-21 | 
| Статус: | не определен законодательством | 
| Название рус.: | Альбом 2. Строительная часть | 
| Дата добавления в базу: | 01.09.2013 | 
| Дата актуализации: | 05.05.2017 | 
| Дата введения: | 19.11.2002 | 
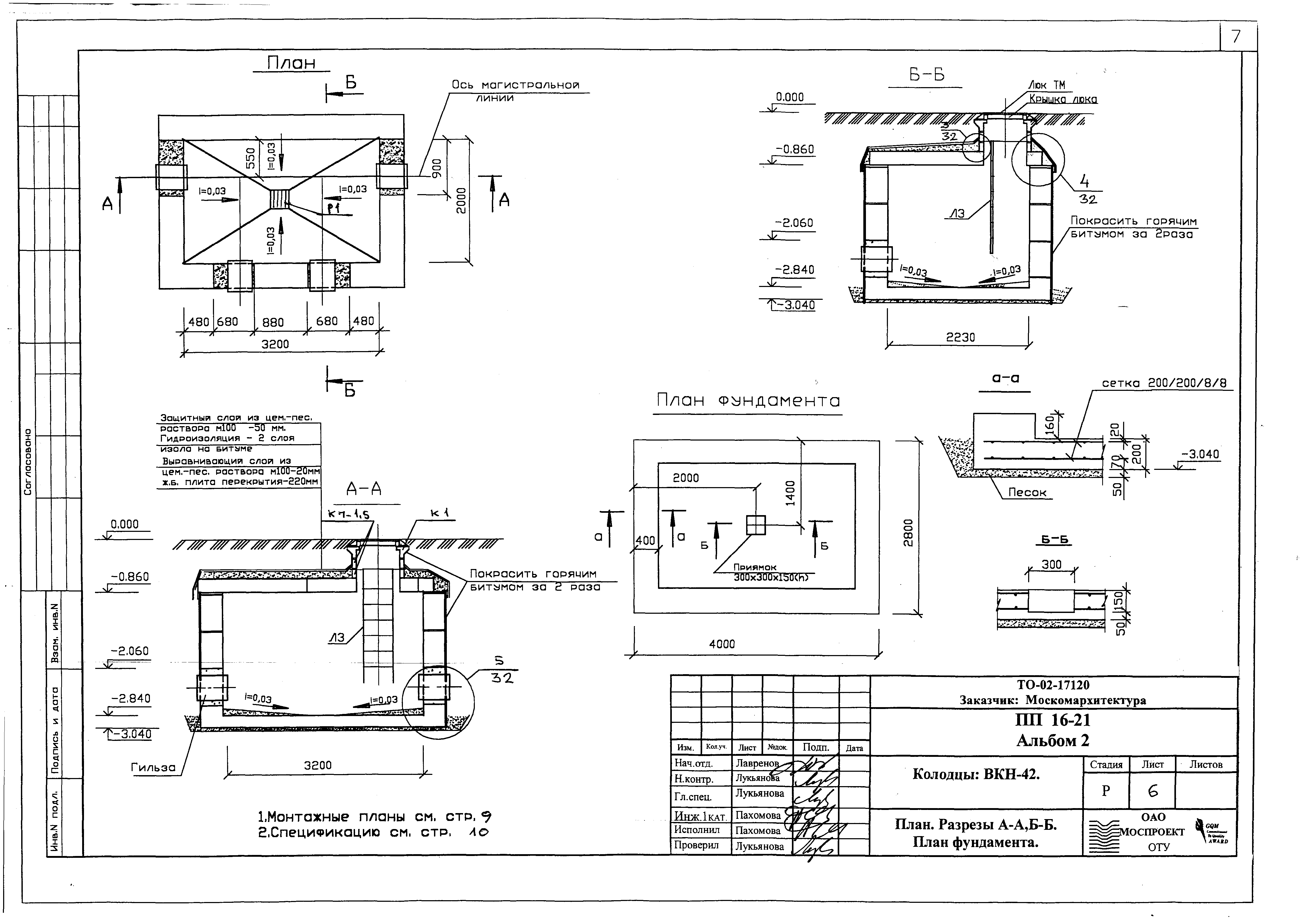
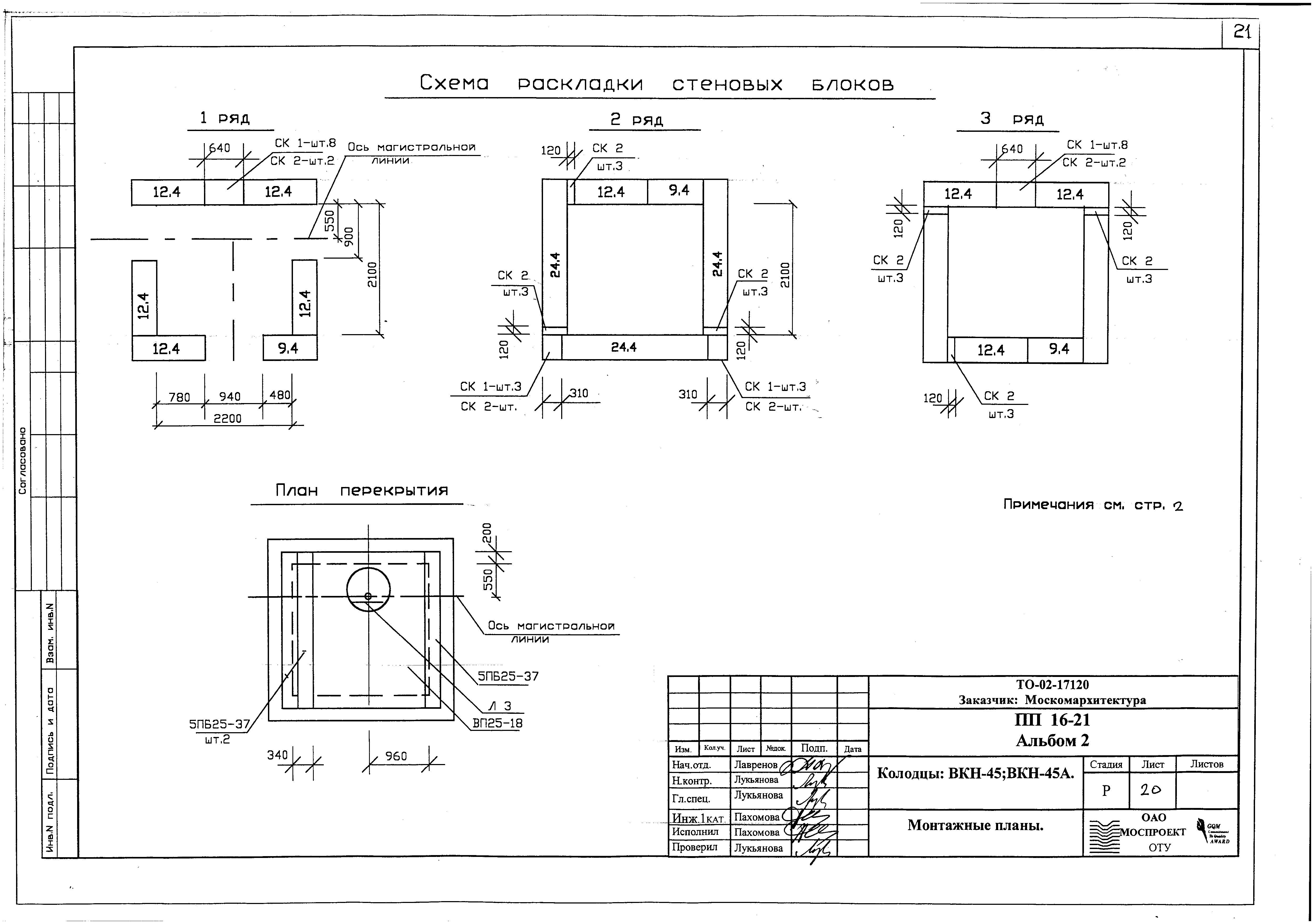
| Оглавление: | Содержание. Пояснительная записка Колодец ВКН-41. План. Разрезы А-А, Б-Б. План фундамента Колодец ВКН-41А. План. Разрезы А-А, Б-Б. План фундамента Колодцы ВКН-41, ВКН-41А. Монтажные планы Колодцы ВКН-41, ВКН-41А. Групповая спецификация Колодец ВКН-42. План. Разрезы А-А, Б-Б. План фундамента Колодец ВКН-42А. План. Разрезы А-А, Б-Б. План фундамента Колодцы ВКН-42, ВКН-42А. Монтажные планы Колодцы ВКН-42, ВКН-42А. Групповая спецификация Колодец ВКН-43. План. Разрезы А-А, Б-Б. План фундамента Колодец ВКН-43А. План. Разрезы А-А, Б-Б. План фундамента Колодцы ВКН-43, ВКН-43А. Монтажные планы Колодцы ВКН-43, ВКН-43А. Групповая спецификация Колодец ВКН-44. План. Разрезы А-А, Б-Б. План фундамента Колодец ВКН-44А. План. Разрезы А-А, Б-Б. План фундамента Колодцы ВКН-44, ВКН-44А. Монтажные планы Колодцы ВКН-44, ВКН-44А. Групповая спецификация Колодец ВКН-45. План. Разрезы А-А, Б-Б. План фундамента Колодец ВКН-45А. План. Разрезы А-А, Б-Б. План фундамента Колодцы ВКН-45, ВКН-45А. Монтажные планы Колодцы ВКН-45, ВКН-45А. Групповая спецификация Колодец ВКН-46. План. Разрезы А-А, Б-Б. План фундамента Колодец ВКН-46А. План. Разрезы А-А, Б-Б. План фундамента Колодцы ВКН-46, ВКН-46А. Монтажные планы Колодцы ВКН-46, ВКН-46А. Групповая спецификация Колодцы ВКН-47, ВКН-48. План. Разрезы А-А, Б-Б. План фундамента Колодцы ВКН-47А, ВКН-48А. План. Разрезы А-А, Б-Б. План фундамента Колодцы ВКН-47, ВКН-47А, ВКН-48, ВКН-48А. Монтажные планы Колодцы ВКН-47, ВКН-47А, ВКН-48, ВКН-48А. Групповая спецификация Узлы 1, 2 Узлы 3….5. Схема установки. Скобы С-1 Узел 5А. Диафрагма Изделия металлические. Решетка Р-1. Скоба С-1 Приложение: СК 2201-88-20; СК 2201-88-36 | 
| Разработан: | ОАО Моспроект | 
| Утверждён: | 19.11.2002 ОАО Моспроект (Mosproject OAO ) | 
| Расположен в: | |
| Заменяет собой: | 




































