| ||||||||||||||||||||||||
Скачать Типовые материалы для проектирования 407-03-567.90 Альбом 5. Строительная часть. Опоры под оборудованиеДата актуализации: 10.08.2017
|
| Обозначение: | Типовые материалы для проектирования 407-03-567.90 |
| Обозначение англ: | 407-03-567.90 |
| Статус: | cправочные материалы, мп, тпр |
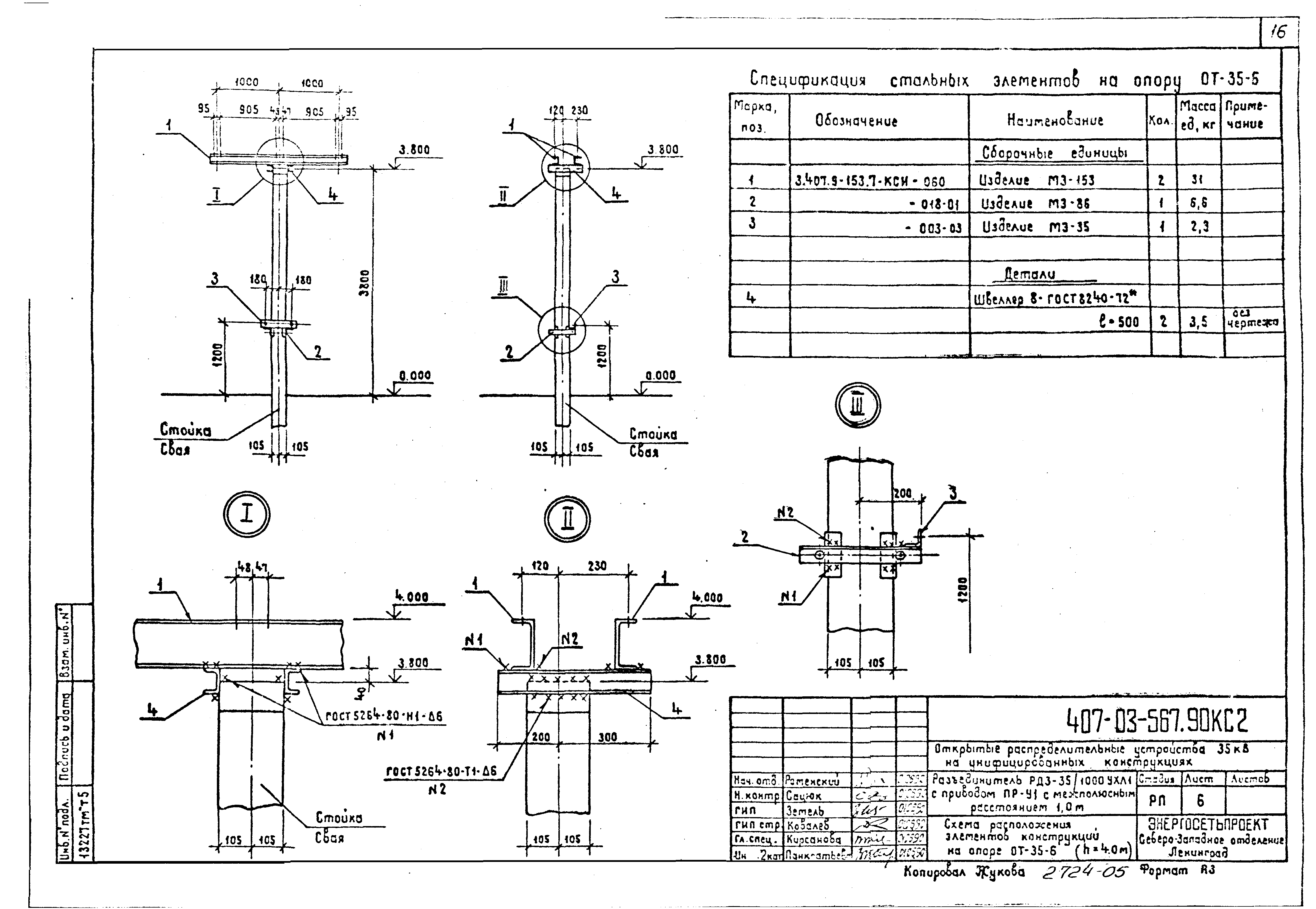
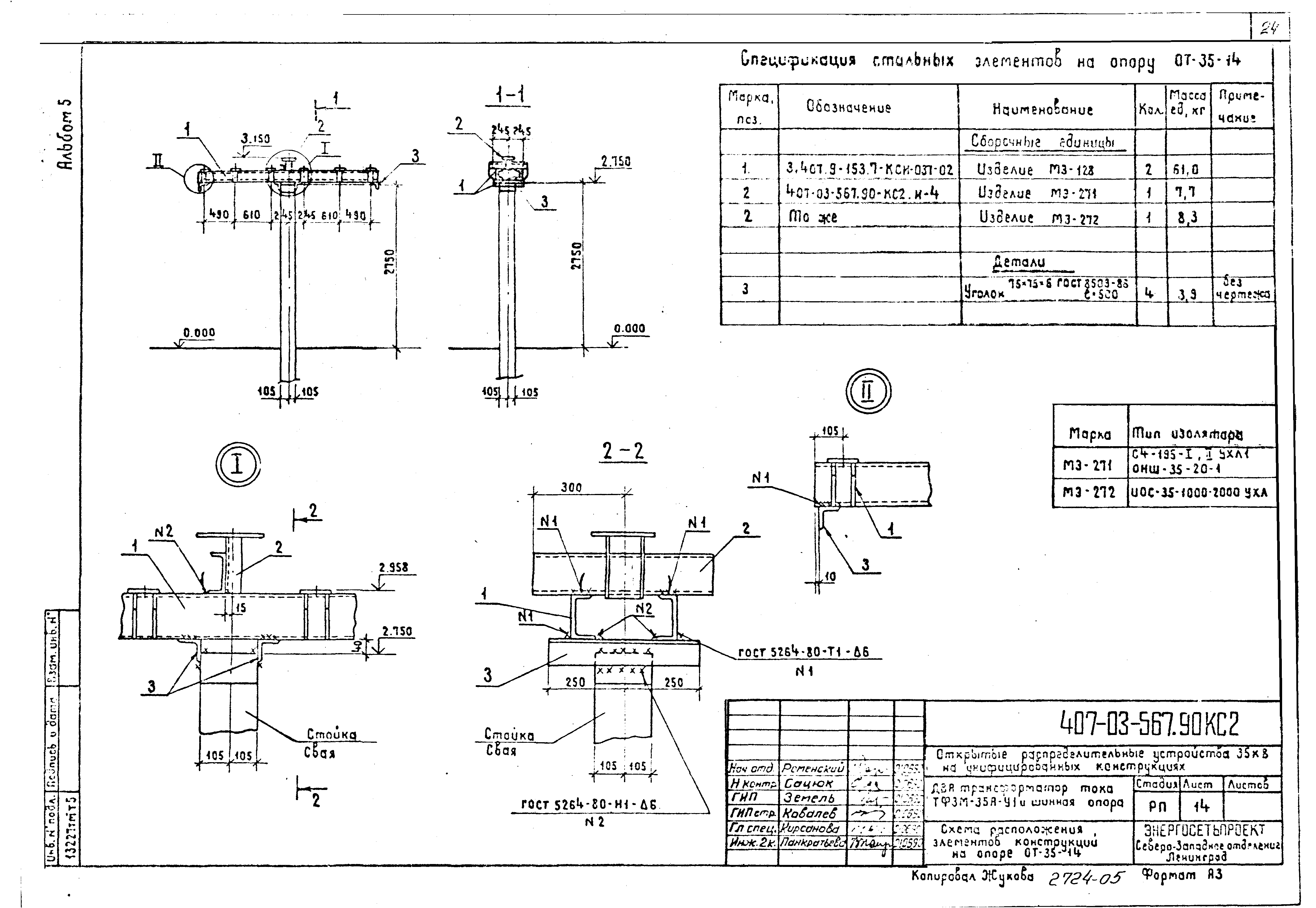
| Название рус.: | Альбом 5. Строительная часть. Опоры под оборудование |
| Дата добавления в базу: | 01.09.2013 |
| Дата актуализации: | 05.05.2017 |
| Разработан: | Севзапэнергосетьпроект |
| Утверждён: | 30.05.1990 Минэнерго СССР (USSR Minenergo 36) |
| Издан: | Энергосетьпроект (1990 г. ) |
| Расположен в: |













































