| ||||||||||||||||||||||||
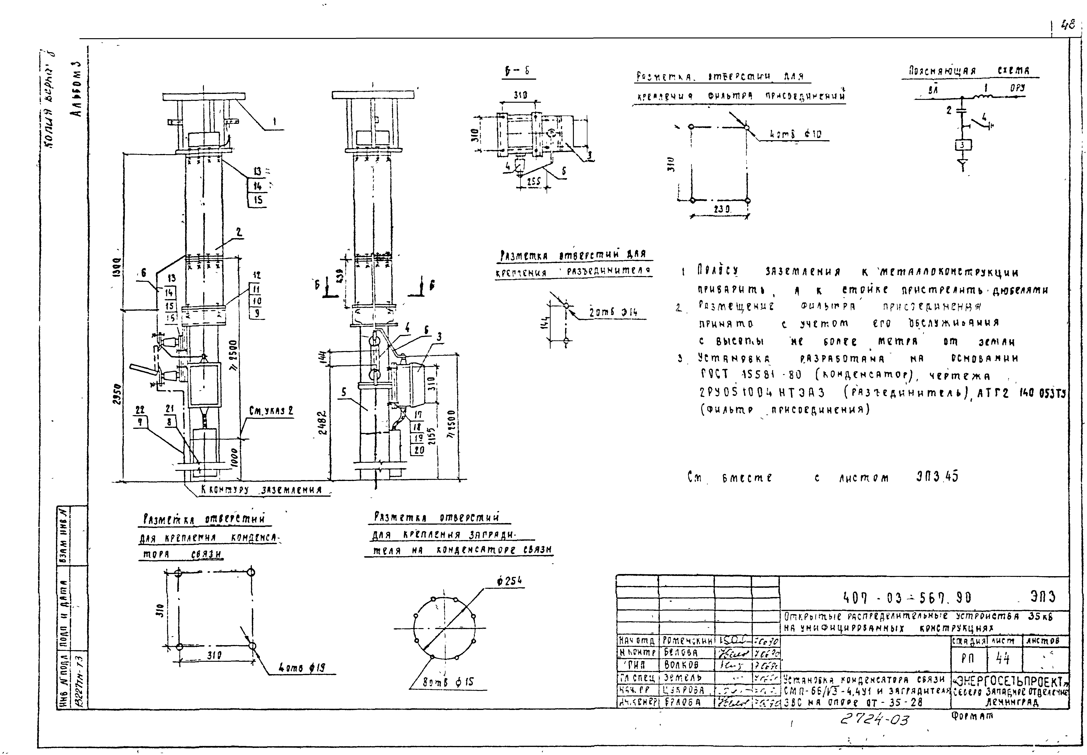
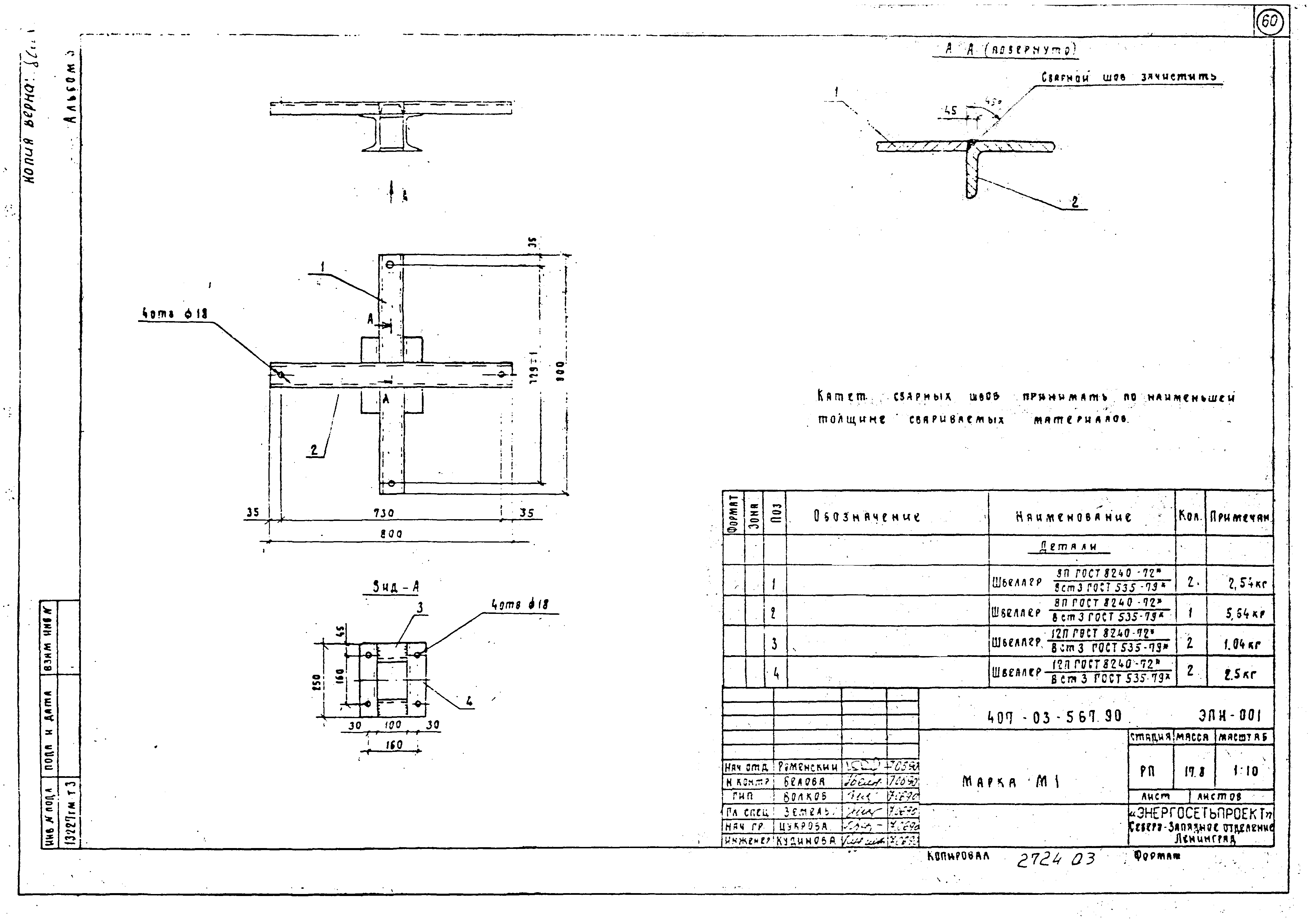
Скачать Типовые материалы для проектирования 407-03-567.90 Альбом 3. Электротехническая часть. Установочные чертежи оборудования и гирлянды изоляторовДата актуализации: 10.08.2017
|
| Обозначение: | Типовые материалы для проектирования 407-03-567.90 |
| Обозначение англ: | 407-03-567.90 |
| Статус: | cправочные материалы, мп, тпр |
| Название рус.: | Альбом 3. Электротехническая часть. Установочные чертежи оборудования и гирлянды изоляторов |
| Дата добавления в базу: | 01.09.2013 |
| Дата актуализации: | 05.05.2017 |
| Разработан: | Севзапэнергосетьпроект |
| Утверждён: | 30.05.1990 Минэнерго СССР (USSR Minenergo 36) |
| Издан: | Энергосетьпроект (1990 г. ) |
| Расположен в: |





























































