Информационная система
«Ёшкин Кот»

Скачать базу одним архивом
Скачать обновления
История создания базы
Карта сайта

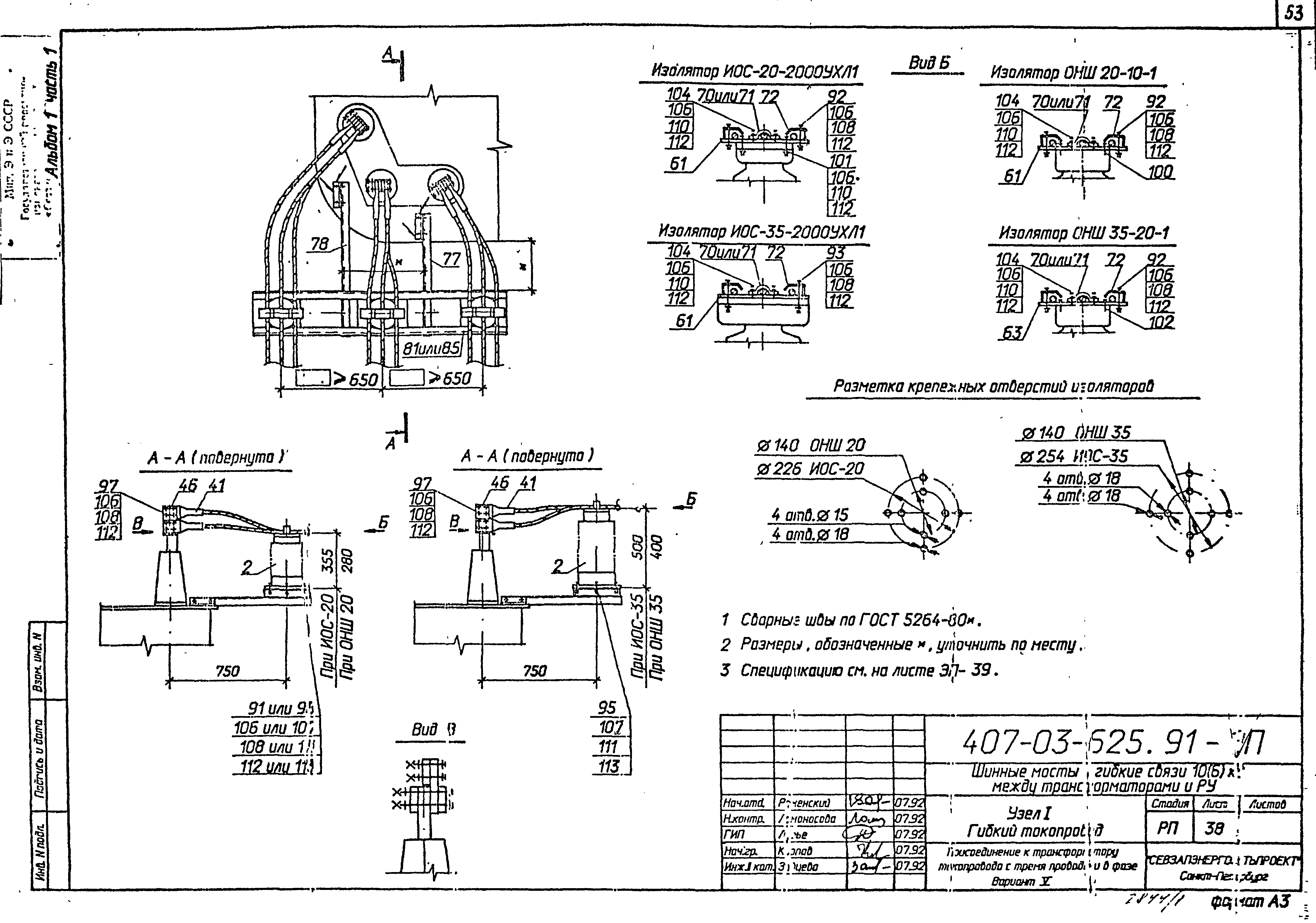
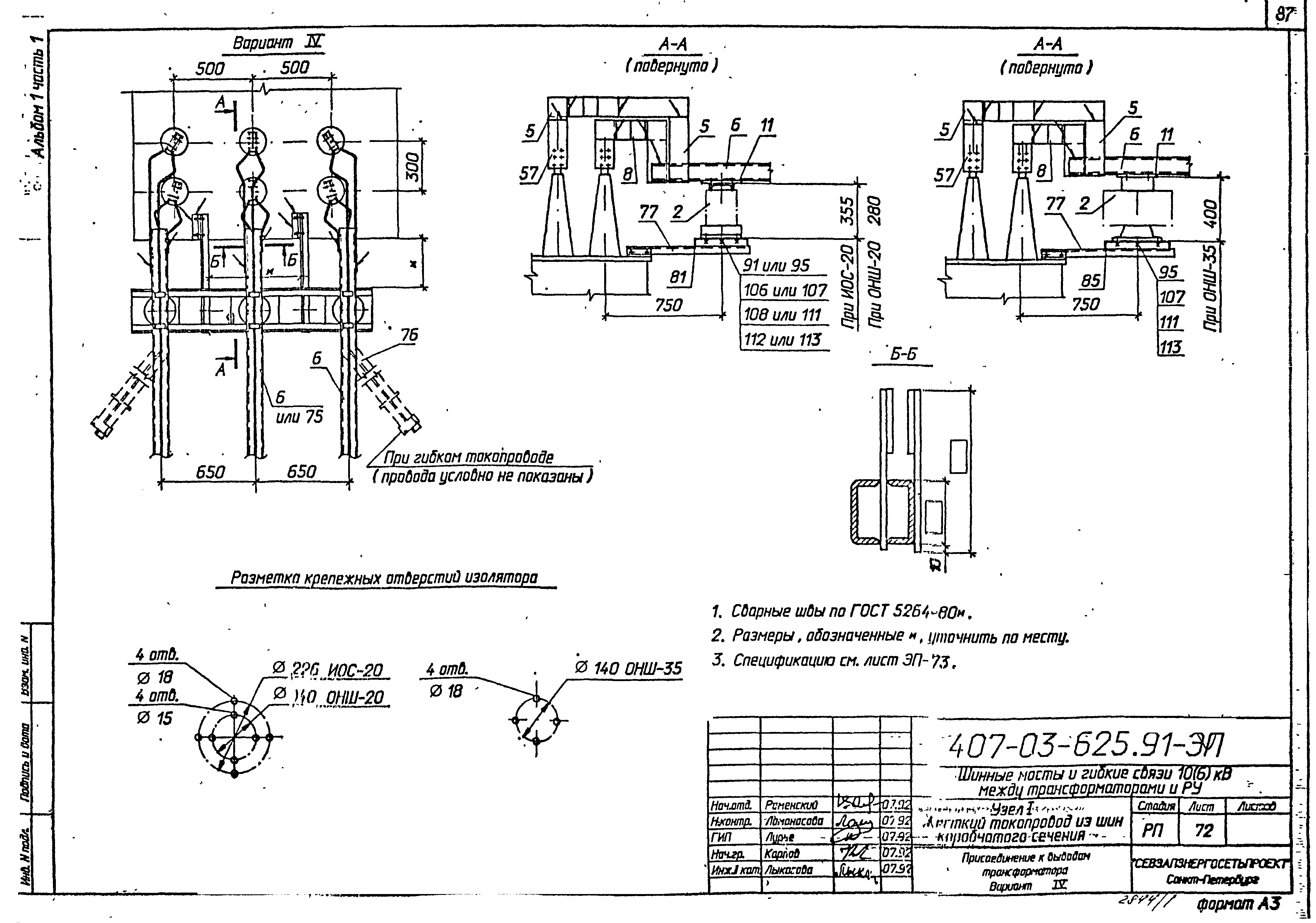
Скачать Типовые материалы для проектирования 407-03-625.91 Альбом 1. Часть 1. Пояснительная записка. Электротехнические чертежи

Дата актуализации: 10.08.2017

Типовые материалы для проектирования 407-03-625.91

Альбом 1. Часть 1. Пояснительная записка. Электротехнические чертежи

Обозначение: Типовые материалы для проектирования 407-03-625.91
Обозначение англ: 407-03-625.91
Статус:cправочные материалы, мп, тпр
Название рус.:Альбом 1. Часть 1. Пояснительная записка. Электротехнические чертежи
Дата добавления в базу:01.09.2013
Дата актуализации:05.05.2017
Дата введения:28.05.1992
Разработан: Севзапэнергосетьпроект
Утверждён:28.05.1992 Севзапэнергосетьпроект (5)
Расположен в:Техническая документация Строительство Справочные документы Типовые строительные конструкции, изделия и узлы Общероссийский строительный каталог Промышленные предприятия, здания и сооружения Предприятия, здания и сооружения промышленности и электроэнергетики Электроэнергетика Устройства и подстанции распределительные
Заменяет собой:
  • Типовые материалы для проектирования 407-03-458.87 «Шинные мосты и гибкие связи 6 - 10 кВ между трансформаторами и ЗРУ»
Типовые материалы для проектирования 407-03-625.91Типовые материалы для проектирования 407-03-625.91Типовые материалы для проектирования 407-03-625.91Типовые материалы для проектирования 407-03-625.91Типовые материалы для проектирования 407-03-625.91Типовые материалы для проектирования 407-03-625.91Типовые материалы для проектирования 407-03-625.91Типовые материалы для проектирования 407-03-625.91Типовые материалы для проектирования 407-03-625.91Типовые материалы для проектирования 407-03-625.91Типовые материалы для проектирования 407-03-625.91Типовые материалы для проектирования 407-03-625.91Типовые материалы для проектирования 407-03-625.91Типовые материалы для проектирования 407-03-625.91Типовые материалы для проектирования 407-03-625.91Типовые материалы для проектирования 407-03-625.91Типовые материалы для проектирования 407-03-625.91Типовые материалы для проектирования 407-03-625.91Типовые материалы для проектирования 407-03-625.91Типовые материалы для проектирования 407-03-625.91Типовые материалы для проектирования 407-03-625.91Типовые материалы для проектирования 407-03-625.91Типовые материалы для проектирования 407-03-625.91Типовые материалы для проектирования 407-03-625.91Типовые материалы для проектирования 407-03-625.91Типовые материалы для проектирования 407-03-625.91Типовые материалы для проектирования 407-03-625.91Типовые материалы для проектирования 407-03-625.91Типовые материалы для проектирования 407-03-625.91Типовые материалы для проектирования 407-03-625.91Типовые материалы для проектирования 407-03-625.91Типовые материалы для проектирования 407-03-625.91Типовые материалы для проектирования 407-03-625.91Типовые материалы для проектирования 407-03-625.91Типовые материалы для проектирования 407-03-625.91Типовые материалы для проектирования 407-03-625.91Типовые материалы для проектирования 407-03-625.91Типовые материалы для проектирования 407-03-625.91Типовые материалы для проектирования 407-03-625.91Типовые материалы для проектирования 407-03-625.91Типовые материалы для проектирования 407-03-625.91Типовые материалы для проектирования 407-03-625.91Типовые материалы для проектирования 407-03-625.91Типовые материалы для проектирования 407-03-625.91Типовые материалы для проектирования 407-03-625.91Типовые материалы для проектирования 407-03-625.91Типовые материалы для проектирования 407-03-625.91Типовые материалы для проектирования 407-03-625.91Типовые материалы для проектирования 407-03-625.91Типовые материалы для проектирования 407-03-625.91Типовые материалы для проектирования 407-03-625.91Типовые материалы для проектирования 407-03-625.91Типовые материалы для проектирования 407-03-625.91Типовые материалы для проектирования 407-03-625.91Типовые материалы для проектирования 407-03-625.91Типовые материалы для проектирования 407-03-625.91Типовые материалы для проектирования 407-03-625.91Типовые материалы для проектирования 407-03-625.91Типовые материалы для проектирования 407-03-625.91Типовые материалы для проектирования 407-03-625.91Типовые материалы для проектирования 407-03-625.91Типовые материалы для проектирования 407-03-625.91Типовые материалы для проектирования 407-03-625.91Типовые материалы для проектирования 407-03-625.91Типовые материалы для проектирования 407-03-625.91Типовые материалы для проектирования 407-03-625.91Типовые материалы для проектирования 407-03-625.91Типовые материалы для проектирования 407-03-625.91Типовые материалы для проектирования 407-03-625.91Типовые материалы для проектирования 407-03-625.91Типовые материалы для проектирования 407-03-625.91Типовые материалы для проектирования 407-03-625.91Типовые материалы для проектирования 407-03-625.91Типовые материалы для проектирования 407-03-625.91Типовые материалы для проектирования 407-03-625.91Типовые материалы для проектирования 407-03-625.91Типовые материалы для проектирования 407-03-625.91Типовые материалы для проектирования 407-03-625.91Типовые материалы для проектирования 407-03-625.91Типовые материалы для проектирования 407-03-625.91Типовые материалы для проектирования 407-03-625.91Типовые материалы для проектирования 407-03-625.91Типовые материалы для проектирования 407-03-625.91Типовые материалы для проектирования 407-03-625.91Типовые материалы для проектирования 407-03-625.91Типовые материалы для проектирования 407-03-625.91Типовые материалы для проектирования 407-03-625.91Типовые материалы для проектирования 407-03-625.91Типовые материалы для проектирования 407-03-625.91Типовые материалы для проектирования 407-03-625.91Типовые материалы для проектирования 407-03-625.91Типовые материалы для проектирования 407-03-625.91Типовые материалы для проектирования 407-03-625.91Типовые материалы для проектирования 407-03-625.91Типовые материалы для проектирования 407-03-625.91Типовые материалы для проектирования 407-03-625.91Типовые материалы для проектирования 407-03-625.91Типовые материалы для проектирования 407-03-625.91Типовые материалы для проектирования 407-03-625.91Типовые материалы для проектирования 407-03-625.91Типовые материалы для проектирования 407-03-625.91Типовые материалы для проектирования 407-03-625.91Типовые материалы для проектирования 407-03-625.91

© 2013 Ёшкин Кот :-) Карта сайта