Скачать Типовой проект 901-3-152 Альбом II. Архитектурно-строительная, технологическая, электротехническая и другие частиДата актуализации: 10.08.2017 Типовой проект 901-3-152
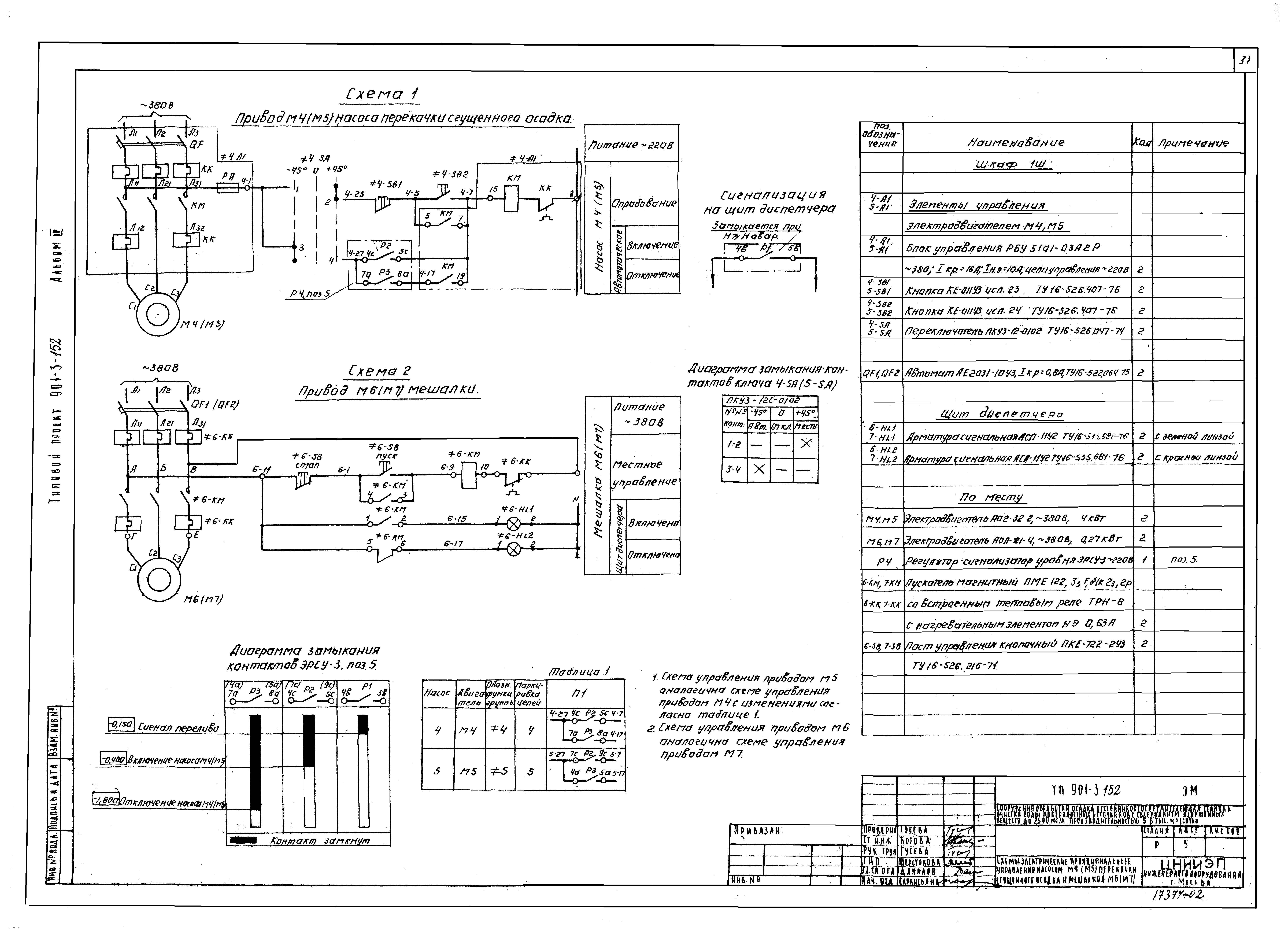
Альбом II. Архитектурно-строительная, технологическая, электротехническая и другие частиОбозначение: | Типовой проект 901-3-152 | Обозначение англ: | 901-3-152 | Статус: | не определен законодательством | Название рус.: | Альбом II. Архитектурно-строительная, технологическая, электротехническая и другие части | Дата добавления в базу: | 01.09.2013 | Дата актуализации: | 05.05.2017 | Дата введения: | 30.04.1981 | Оглавление: | Содержание Архитектурно-строительные решения Общие данные Планы на отм. 1.300; 4.800. Разрезы 1-1; 2-2 Фасады в осях 1 - 4; 4 - 1; А - В; В - А План плит покрытия на отм 1.300 и 4.800 Опалубочный чертеж. План на отм. 1.300. Разрезы 6-6 - 8-8 Опалубочный чертеж. Разрезы 1-1 - 5-5 Схема расположения опор под трубы. Спецификация элементов Армирование. Схемы расположения нижних и верхних сеток днища. Схема расположения арматуры в обвязочной балке. Разрезы 1-1 - 3-3 Армирование. Схема расположения сеток в стенах. Разрезы 4-4; 5-5; 14-14 Армирование. Разрезы 6-6 - 13-13. Ведомость стержней на один элемент Монолитные площадки. Опорная подушка ОП1 Конструкции металлические Общие данные Схемы расположения подвесных путей Схемы расположения переходных площадок, ограждений площадок, лестниц и балок Металлические марки Технологическая часть Общие данные Планы на отм. 1.300 и 4.800 Разрезы 1-1 - 3-3. Детали Аксонометрические схемы трубопроводов Спецификация материалов и оборудования Установка медленного перемешивания. Чертеж общего вида Отопление и вентиляция Общие данные План на отм. 1.300 и 4.800. Схема системы отопления. Схема системы вентиляции ВЕ-1, 2, 3, 4 Силовое электроснабжение и электроосвещение Общие данные Ведомость электрооборудования кабельных изделий и материалов Схема электрическая принципиальная распределительной сети ~380/220В Схема электрическая принципиальная управления насосом М1 (М2; М3) перекачки сырого осадка Схемы электрические принципиальные управления насосом М4(М5) перекачки сгущенного осадка и мешалкой М6(М7) Схема электрическая принципиальная управления вентилем М8(М9) на осадкоуплотнителе Схема подключения электрооборудования. Кабельный журнал Размещение электрооборудования и прокладка кабелей. План на отм. - 2.300 Электрическое освещение. План на отм. - 2.300 и 1.500 Автоматизация технологического процесса Общие данные. Схема функциональная технологического процесса Ведомость приборов, кабельных изделий и материалов Схема подключения приборов и устройств технологического контроля Размещение приборов и устройств технологического контроля и прокладка кабелей. План на отм. - 2.300 Задание заводу-изготовителю Шкаф 1Ш. Технические данные аппаратов Шкаф 1Ш. Таблица перечней надписей Шкаф 1Ш. Чертеж общего вида Шкаф 1Ш. Схема электрических соединений | Разработан: | ЦНИИЭП инженерного оборудования Госгражданстроя
| Утверждён: | 06.05.1980 Госгражданстрой (Gosgrazhdanstroy 120)
| Расположен в: |
|
                                        
|