Информационная система
«Ёшкин Кот»

Скачать базу одним архивом
Скачать обновления
История создания базы
Карта сайта

Скачать Типовой проект 503-149 Альбом II. Архитектурно-строительная часть

Дата актуализации: 10.08.2017

Типовой проект 503-149

Альбом II. Архитектурно-строительная часть

Обозначение: Типовой проект 503-149
Обозначение англ: 503-149
Статус:действует
Название рус.:Альбом II. Архитектурно-строительная часть
Дата добавления в базу:01.09.2013
Дата актуализации:05.05.2017
Оглавление:Титульный лист
Содержание альбома
Чертежи основного комплекта марки АС
   Главный корпус. Заглавный лист
   План на отм. 0.000
   План на отм. 3.300
   Фасады 1 - 14, 14 - 1, А - Ж, Ж - А
   Разрезы 1-1, 2-2, 3-3. Экспликация проемов ворот и дверей
   Фрагмент фасада. Элементы плана 1, 2, 3, 4
   Монтажные схемы перемычек. Спецификация ж/б элементов. Детали крепления перегородок
   Перегородки тип 1, 2. Сечения. Спецификации. Перегородка из стальных щитов с остекленением
   Элементы планов 1, 2. Элемент плана на отм. 4.200. Узлы
   Планы подвесных потолков. Разрезы. Узлы. Спецификации
   Главный корпус. План фундамента. Сечения. Спецификация
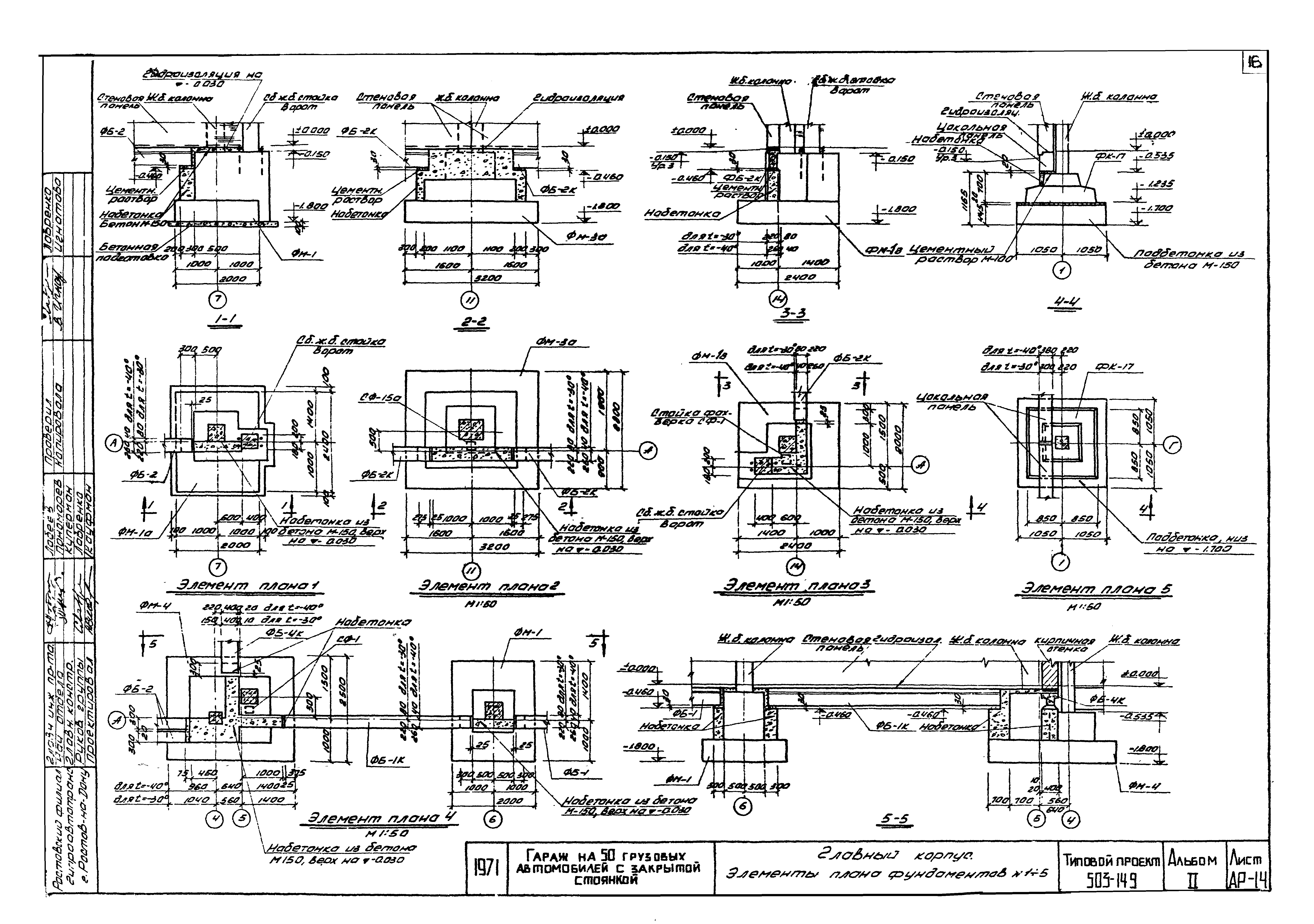
   Главный корпус. Элементы плана фундаментов №1 - 5
   Главный корпус. Элементы плана фундаментов №6 - 9
   План подпольных каналов. Сечения. Спецификации
   Элементы плана подпольных каналов №1 - 7. Сечения
   Производственная часть. Осмотровая канава. Планы на отм. 0.000 и ниже отм. 0.000
   Производственная часть. Осмотровая канава. Разрезы 1-1 - 5-5. Узлы
   Производственная часть. Осмотровая канава. Узлы. Детали. Спецификации
   Производственная часть. Моечная канава. План на отм ниже отм. 0.000. Сечения. Спецификация закладных деталей и съемных щитов
   Производственная часть. Моечная канава. Сечения и детали
   Производственная часть. Моечная канава. План на отм. 0.000. Стальные щиты СЩ-1 - СЩ-6. Сечения
   Главный корпус КТП. План на отм. 0.000. Сечения. Спецификации
Чертежи основного комплекта марки КС
   Главный корпус. Заглавный лист
   Производственная часть. Монтажный план колонн, рам, ворот, стропильных и подстропильных ферм
   Производственная часть. Монтажный план плит покрытия. Таблица узлов крепления. Спецификации
   Административно-бытовая часть. Монтажные системы колонн, ригелей, диафрагм на отм. 3.300 и на отм. 6.600. Сечения
   Административно-бытовая часть. Монтажный план плит перекрытия и покрытия. Спецификация
   Административно-бытовая часть. Монтажные схемы лестниц Л-1 и Л-2
   Производственная часть. Монтажная схема раскладки стеновых панелей по осям А, Ж
   Производственная часть. Монтажная схема раскладки стеновых панелей по оси 14. Узлы А и Б
   Производственная часть. Таблицы узлов крепления стеновых панелей. Спецификации
   Административно-бытовая часть. Монтажная схема раскладки панелей по осям 1, 4, А, Ж
   Административно-бытовая часть. Таблица узлов крепления стеновых панелей. Спецификация
   Производственная часть. Панельная перегородка по оси 8. Монтажная схема. Спецификации
   Производственная часть. Панельная перегородка по оси 8. Узлы. Спецификации
   Опалубочные чертежи фундаментов ФМ-1 - ФМ-1Г; ФМ-2 - ФМ-2б
   Опалубочные чертежи фундаментов ФМ-3, ФМ-3а, ФМ-3б
   Опалубочные чертежи фундаментов ФМ-4 - ФМ-7. Спецификации
   Армирование фундаментов. Спецификации
   Производственная часть. Опалубочные чертежи колонн К-1 - К-5
   Производственная часть. Опалубочный чертеж фермы ФБ18II-4Па, плиты ПНП7-3а/3.0х6.0, стакана СШ-70. Спецификация
   Административно-бытовая часть. Опалубочные чертежи плит ПР6-58-12а - ПР8-58-12д. Спецификации
   Административно-бытовая часть. Опалубочные чертежи плит ПР8-58-120 - ПР8-58-12п. Детали
   Административно-бытовая часть. Опалубочные чертежи панелей П-4а, П-4б стакана СШ70-а
   Производственная часть. Подвесное хозяйство. Маркировочный план. Разрезы
   Производственная часть. Подвесное хозяйство. Узлы 1 - 7
   Производственная часть. Металлоконструкции антресолей на отм. 4.200. Подвесное хозяйство моечного отделения. План. Разрезы. Узлы
   Производственная часть. Антресоли на отм. 4.200 и подвесное хозяйство моечного отделения. Узлы. Стойки С-1, С-2, С-3
   Производственная часть. Антресоли на отм. 4.200 и подвесное хозяйство моечного отделения. Раскладка плит перекрытия на отм. 4.200. Стремянка ЛМ-2. Спецификации
   Производственная часть. Моечная канава. Закладные детали М-1 - М-4, Т-1, МС-1 - МС-8, А-1 - А-4
   КТП. Балка Б-1. Закладные детали М-1, М-2, М-3, М-4. Решетки Р-1, Р-2. Спецификации
Разработан: Ростовский филиал Гипроавтотранса Минавтотранса РСФСР
Утверждён:22.12.1971 Минавтотранс РСФСР (Russian Federation Minavtotrans 189)
Расположен в:Техническая документация Строительство Справочные документы Типовые строительные конструкции, изделия и узлы Общероссийский строительный каталог Промышленные предприятия, здания и сооружения Предприятия, здания и сооружения транспорта Транспорт автомобильный Предприятия автотранспортные, гаражи и стоянки для грузовых автомобилей и механизмов
Типовой проект 503-149Типовой проект 503-149Типовой проект 503-149Типовой проект 503-149Типовой проект 503-149Типовой проект 503-149Типовой проект 503-149Типовой проект 503-149Типовой проект 503-149Типовой проект 503-149Типовой проект 503-149Типовой проект 503-149Типовой проект 503-149Типовой проект 503-149Типовой проект 503-149Типовой проект 503-149Типовой проект 503-149Типовой проект 503-149Типовой проект 503-149Типовой проект 503-149Типовой проект 503-149Типовой проект 503-149Типовой проект 503-149Типовой проект 503-149Типовой проект 503-149Типовой проект 503-149Типовой проект 503-149Типовой проект 503-149Типовой проект 503-149Типовой проект 503-149Типовой проект 503-149Типовой проект 503-149Типовой проект 503-149Типовой проект 503-149Типовой проект 503-149Типовой проект 503-149Типовой проект 503-149Типовой проект 503-149Типовой проект 503-149Типовой проект 503-149Типовой проект 503-149Типовой проект 503-149Типовой проект 503-149Типовой проект 503-149Типовой проект 503-149Типовой проект 503-149Типовой проект 503-149Типовой проект 503-149Типовой проект 503-149Типовой проект 503-149Типовой проект 503-149Типовой проект 503-149Типовой проект 503-149Типовой проект 503-149Типовой проект 503-149Типовой проект 503-149Типовой проект 503-149

© 2013 Ёшкин Кот :-) Карта сайта