Информационная система
«Ёшкин Кот»

Скачать базу одним архивом
Скачать обновления
История создания базы
Карта сайта

Скачать Типовой проект 902-1-178.91 Альбом 2. Технология производства. Внутренний водопровод и канализация. Отопление и вентиляция (из ТП 902-1-170.91)

Дата актуализации: 10.08.2017

Типовой проект 902-1-178.91

Альбом 2. Технология производства. Внутренний водопровод и канализация. Отопление и вентиляция (из ТП 902-1-170.91)

Обозначение: Типовой проект 902-1-178.91
Обозначение англ: 902-1-178.91
Статус:не определен законодательством
Название рус.:Альбом 2. Технология производства. Внутренний водопровод и канализация. Отопление и вентиляция (из ТП 902-1-170.91)
Дата добавления в базу:01.09.2013
Дата актуализации:05.05.2017
Дата введения:15.05.1991
Оглавление:Технология производства
   Общие данные
   План подземной части. Узел А
   Разрез 1-1, 3-3. Узел Б
   Разрез 2-2
   План приемного резервуара. Разрез 4-4
   Схема узла подводящего коллектора. Схема системы 1К1Н. Схема управления аварийной заслонкой
   План машинного зала с системой 1В3, 1К13, 1К13Н
Внутренний водопровод и канализация
   Общие данные. План на отм. 0.000. Схемы систем В1, К1, Т3
Отопление и вентиляция
   Общие данные
   План на отм. 0.000 и подземной части
   Разрез 1-1, 2-2. Схемы систем П1, П2, В1, В2, ВЕ1
   Схемы систем отопления, теплоснабжения водоподогревателя, установка П1, узла управления
   Установки систем П1, П2
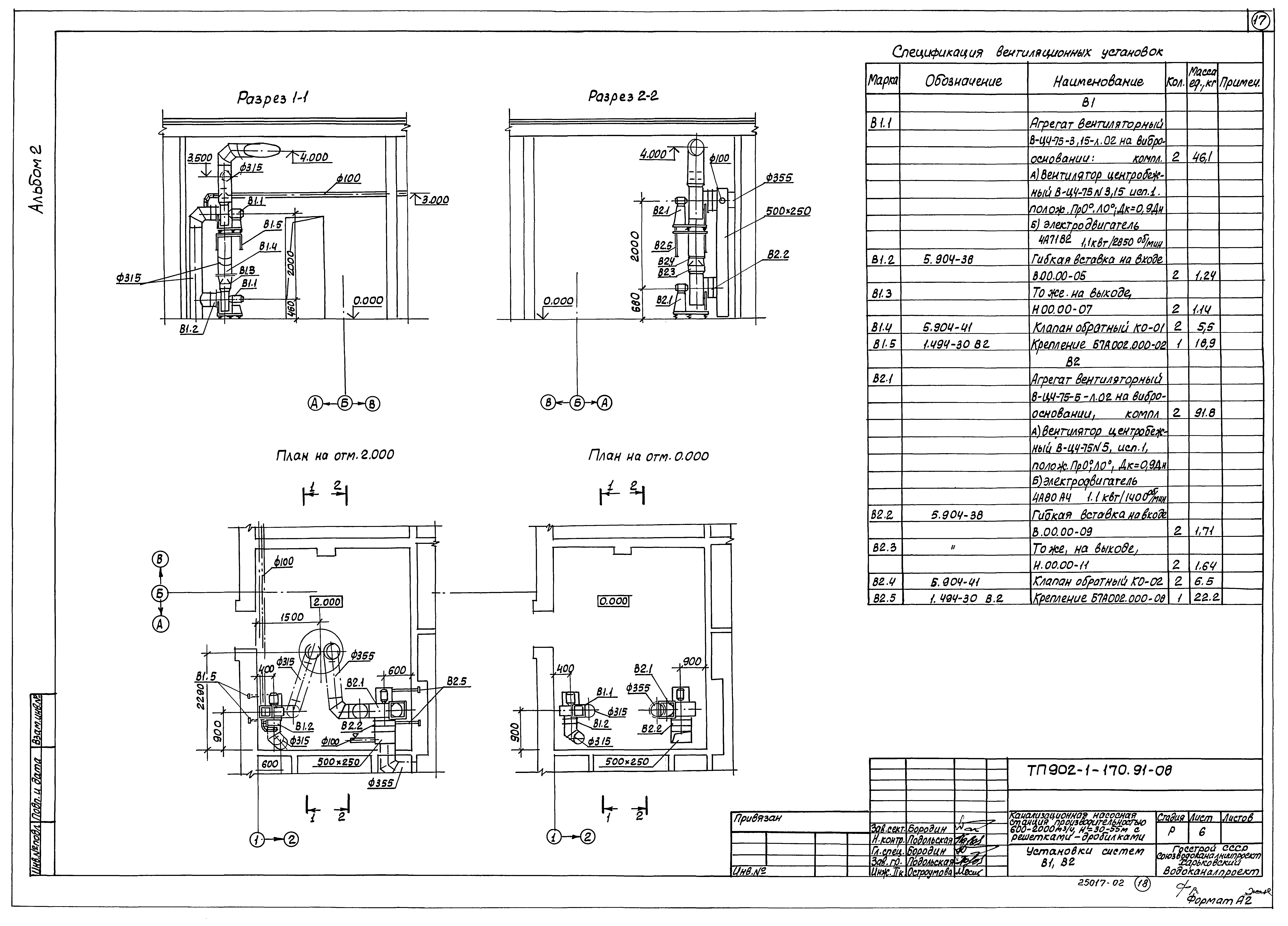
   Установки систем В1, В2
Разработан: Харьковский Водоканалпроект
Утверждён:15.05.1991 СоюзводоканалНИИпроект (SoyuzvodokanalNIIproject 9)
Расположен в:Техническая документация Строительство Справочные документы Типовые строительные конструкции, изделия и узлы Общероссийский строительный каталог Промышленные предприятия, здания и сооружения Здания и сооружения санитарно-технические Канализация Станции насосные Станции насосные для перекачки бытовых сточных вод
Типовой проект 902-1-178.91Типовой проект 902-1-178.91Типовой проект 902-1-178.91Типовой проект 902-1-178.91Типовой проект 902-1-178.91Типовой проект 902-1-178.91Типовой проект 902-1-178.91Типовой проект 902-1-178.91Типовой проект 902-1-178.91Типовой проект 902-1-178.91Типовой проект 902-1-178.91Типовой проект 902-1-178.91Типовой проект 902-1-178.91Типовой проект 902-1-178.91Типовой проект 902-1-178.91Типовой проект 902-1-178.91Типовой проект 902-1-178.91Типовой проект 902-1-178.91

© 2013 Ёшкин Кот :-) Карта сайта