Информационная система
«Ёшкин Кот»

Скачать базу одним архивом
Скачать обновления
История создания базы
Карта сайта

Скачать Типовой проект 902-1-179.91 Альбом 4. Изделия (из ТП 902-1-170.91)

Дата актуализации: 10.08.2017

Типовой проект 902-1-179.91

Альбом 4. Изделия (из ТП 902-1-170.91)

Обозначение: Типовой проект 902-1-179.91
Обозначение англ: 902-1-179.91
Статус:не определен законодательством
Название рус.:Альбом 4. Изделия (из ТП 902-1-170.91)
Дата добавления в базу:01.09.2013
Дата актуализации:05.05.2017
Дата введения:15.05.1991
Оглавление:Содержание альбома
Чертежи основного комплекта марки КЖ1
   Технические требования
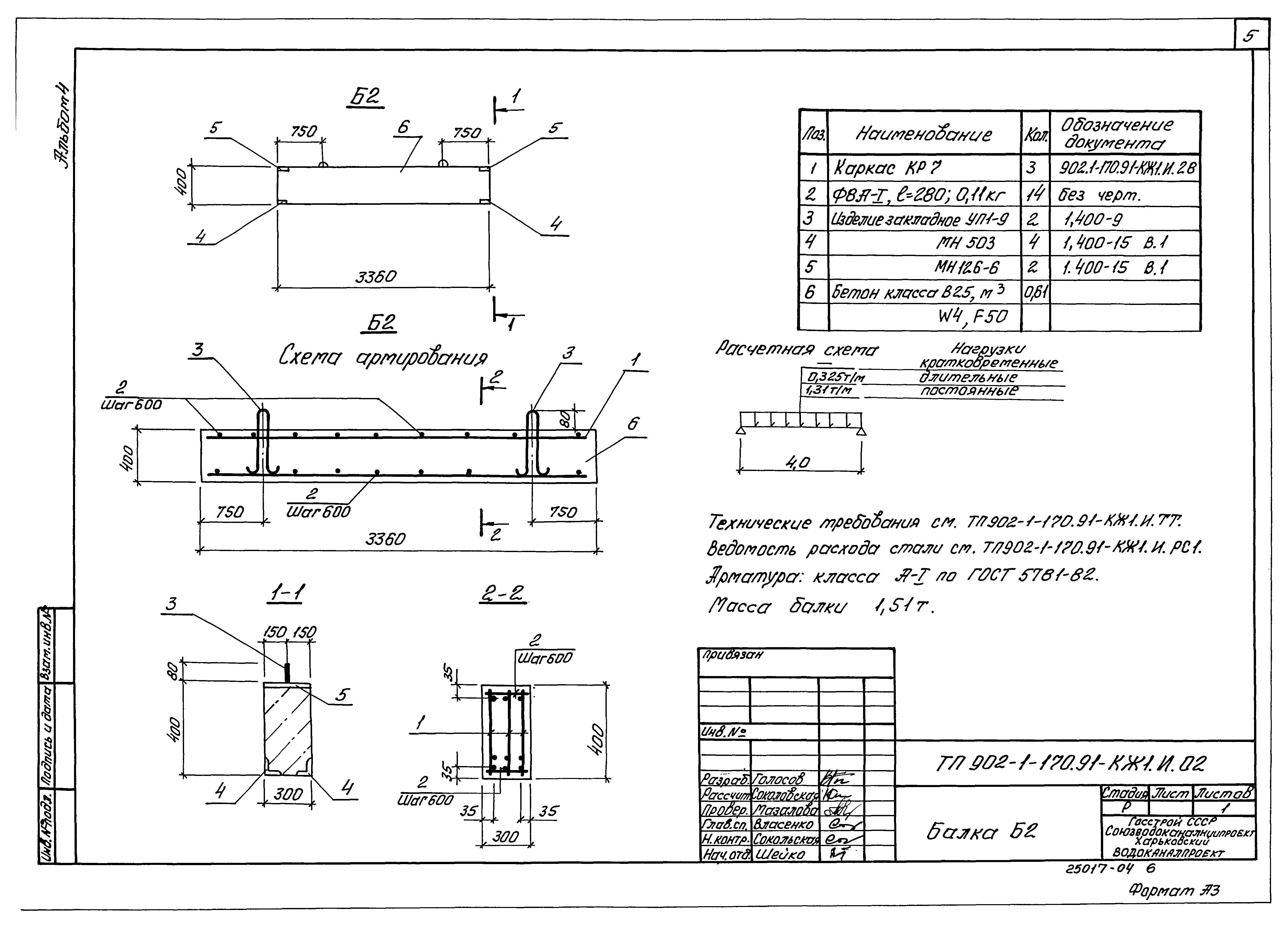
   Балки
   Решетка
   Плиты
   Каркас
   Перемычка
   Опорная подушка
   Изделие закладное
   Каркасы
   Изделие соединительное
   Изделие закладное
   Каркасы
   Сетки
   Изделие соединительное
   Изделия закладные
Чертежи основного комплекта марки АР
   Содержание выпуска
   Технические требования
   Дверной блок
   Дверные полотна
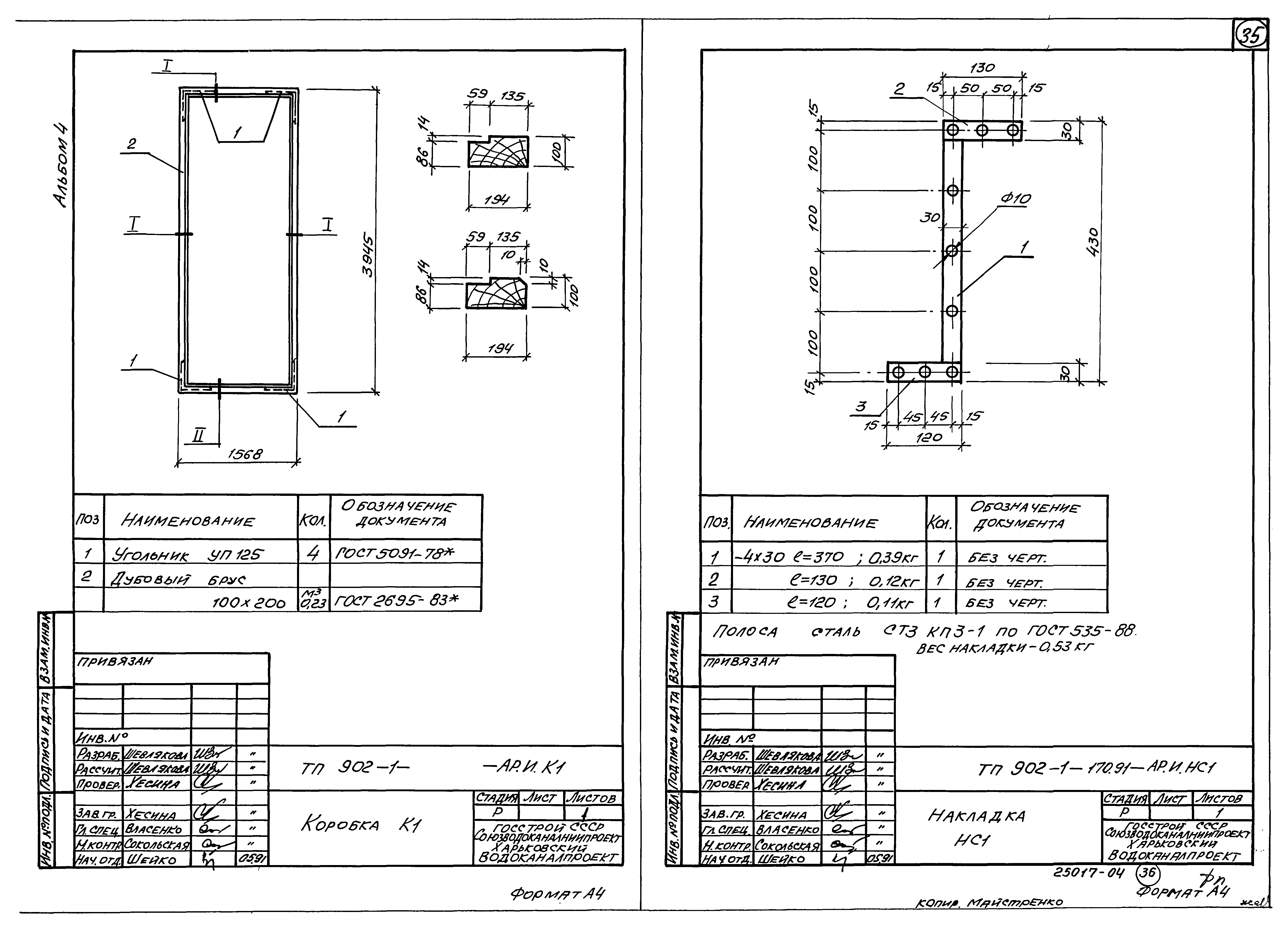
   Коробка
   Накладка
Разработан: Харьковский Водоканалпроект
Утверждён:15.05.1991 СоюзводоканалНИИпроект (SoyuzvodokanalNIIproject 9)
Расположен в:Техническая документация Строительство Справочные документы Типовые строительные конструкции, изделия и узлы Общероссийский строительный каталог Промышленные предприятия, здания и сооружения Здания и сооружения санитарно-технические Канализация Станции насосные Станции насосные для перекачки бытовых сточных вод
Типовой проект 902-1-179.91Типовой проект 902-1-179.91Типовой проект 902-1-179.91Типовой проект 902-1-179.91Типовой проект 902-1-179.91Типовой проект 902-1-179.91Типовой проект 902-1-179.91Типовой проект 902-1-179.91Типовой проект 902-1-179.91Типовой проект 902-1-179.91Типовой проект 902-1-179.91Типовой проект 902-1-179.91Типовой проект 902-1-179.91Типовой проект 902-1-179.91Типовой проект 902-1-179.91Типовой проект 902-1-179.91Типовой проект 902-1-179.91Типовой проект 902-1-179.91Типовой проект 902-1-179.91Типовой проект 902-1-179.91Типовой проект 902-1-179.91Типовой проект 902-1-179.91Типовой проект 902-1-179.91Типовой проект 902-1-179.91Типовой проект 902-1-179.91Типовой проект 902-1-179.91Типовой проект 902-1-179.91Типовой проект 902-1-179.91Типовой проект 902-1-179.91Типовой проект 902-1-179.91Типовой проект 902-1-179.91Типовой проект 902-1-179.91Типовой проект 902-1-179.91Типовой проект 902-1-179.91Типовой проект 902-1-179.91Типовой проект 902-1-179.91

© 2013 Ёшкин Кот :-) Карта сайта