Информационная система
«Ёшкин Кот»

Скачать базу одним архивом
Скачать обновления
История создания базы
Карта сайта

Скачать Типовой проект 902-1-179.91 Альбом 3. Надземная часть и общие чертежи подземной части. Архитектурные решения. Конструкции железобетонные. Конструкции металлические (из ТП 902-1-170.91)

Дата актуализации: 10.08.2017

Типовой проект 902-1-179.91

Альбом 3. Надземная часть и общие чертежи подземной части. Архитектурные решения. Конструкции железобетонные. Конструкции металлические (из ТП 902-1-170.91)

Обозначение: Типовой проект 902-1-179.91
Обозначение англ: 902-1-179.91
Статус:не определен законодательством
Название рус.:Альбом 3. Надземная часть и общие чертежи подземной части. Архитектурные решения. Конструкции железобетонные. Конструкции металлические (из ТП 902-1-170.91)
Дата добавления в базу:01.09.2013
Дата актуализации:05.05.2017
Дата введения:15.05.1991
Оглавление:Содержание
Чертежи основного комплекта марки АР
   Общие данные
   План на отм. 0.000
   Разрезы 1-1, 2-2
   Фасады. Схемы расположения элементов заполнения оконных проемов
   План кровли. Планы полов. Экспликация полов
   План отверстий и закладных отверстий
   Фрагмент 1. Сечения. Узлы
   Детали
Чертежи основного комплекта марки КЖ1
   Общие данные
   Схема расположения плит покрытия
   Схема расположения плит перекрытия на отм. 0.000
   РКм1. Схема расположения балок перекрытия на отм. - 0.290
   РКм1. Монолитные участки УМ1, УМ2. Общий вид и схема армирования
   РКм1. Балки обвязочные БОМ1…БОМ4. Общий вид и схема армирования
   ОКм1. Общий вид и схема армирования
   РКм2. ЛТм1. Общий вид
   РКм2. Плита Пм1. Схемы армирования
   РКм2. Балки Бм1…Бм3. Схемы армирования
   Лотки ЛТм1. Схемы армирования
   РКм2. ЛТм1. Спецификация
   КТП. Схема расположения каналов
   Схема расположения труб для укладки электрокабеля
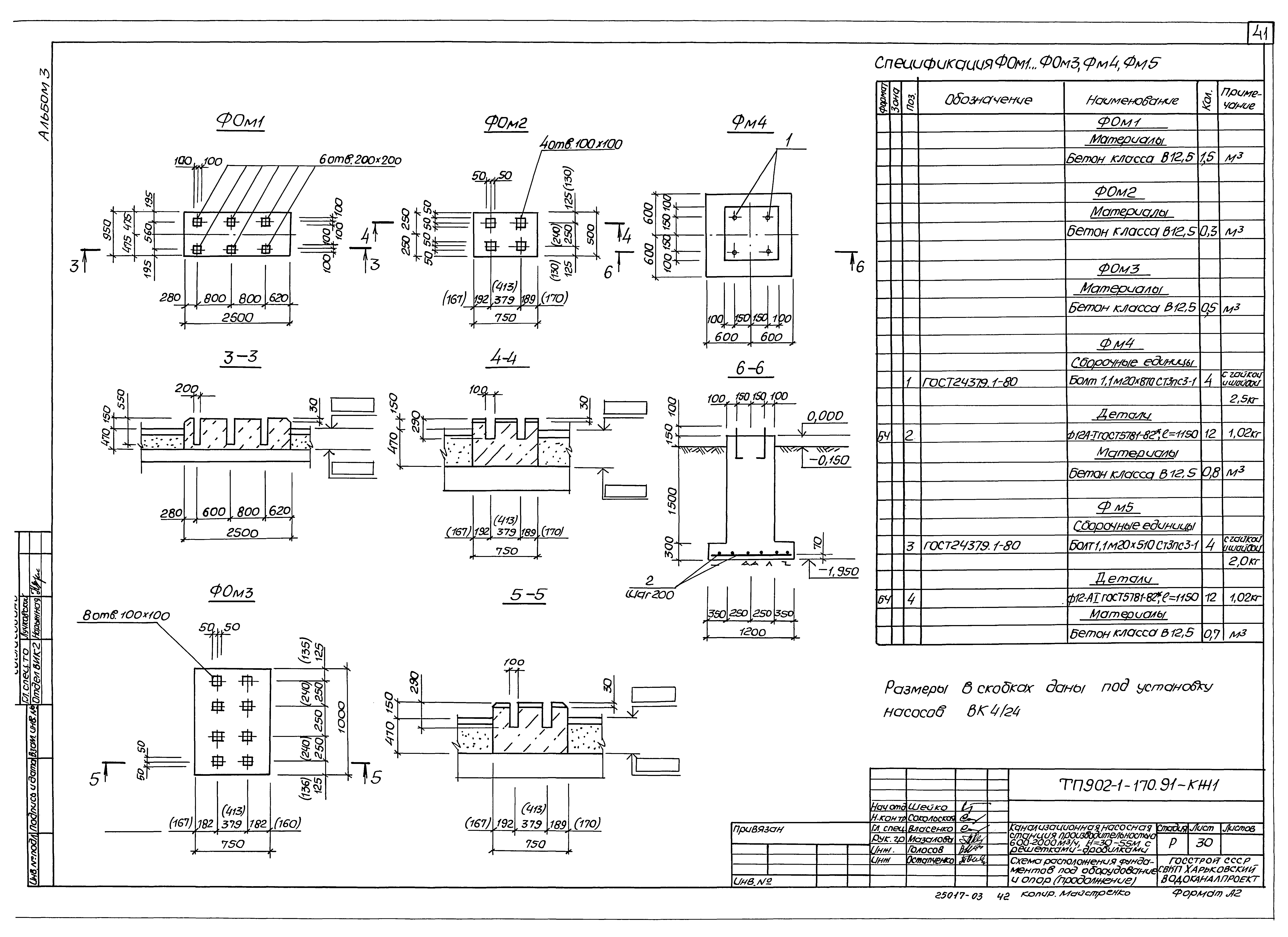
   Схема расположения фундаментов под оборудование и опор
   Схема расположения ростверков и фундаментных балок между осями 3 - 4. Открытый способ производства работ
   Схема расположения фундаментов и фундаментных балок между осями 3 - 4. Опускной способ и "стена в грунте"
   Схема расположения элементов заземления
   Детали гидроизоляции. Установка дренажного приямка
Чертежи основного комплекта марки КМ1
   Общие данные
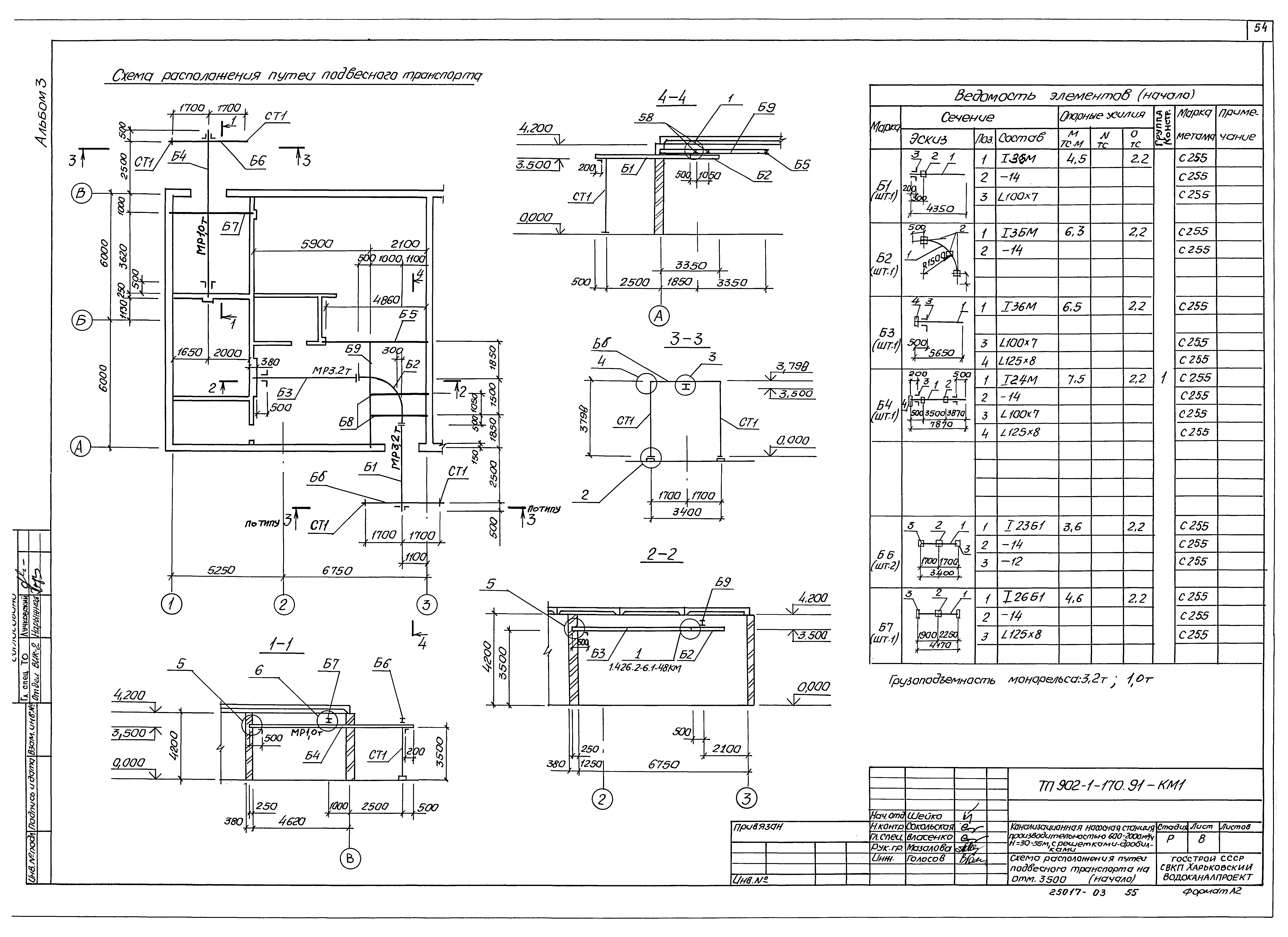
   Схема расположения путей подвесного транспорта на отм. 0.000
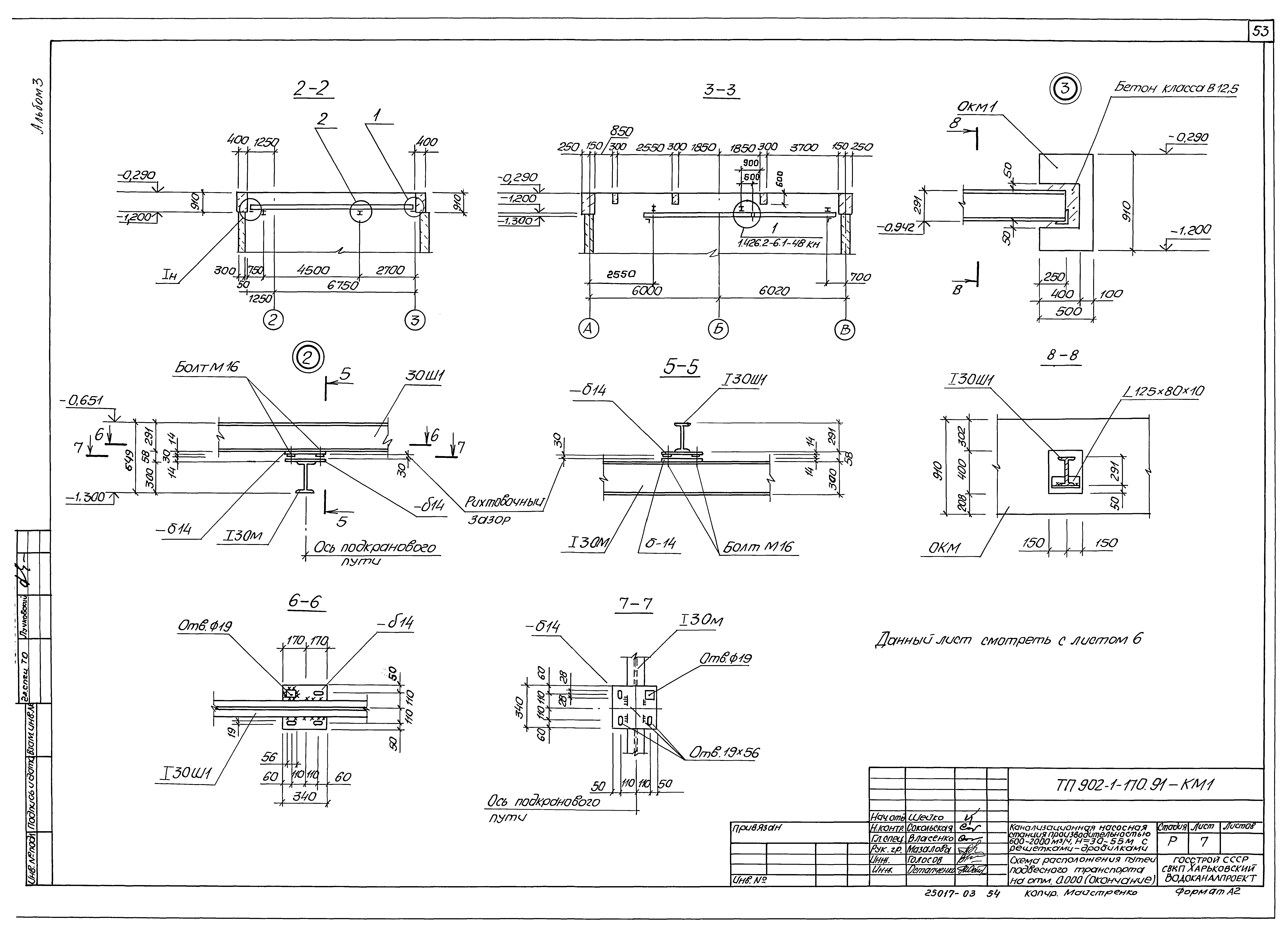
   Схема расположения путей подвесного транспорта на отм. 3.500
   Схема расположения наружной лестницы
   Схема расположения ограждения кровли
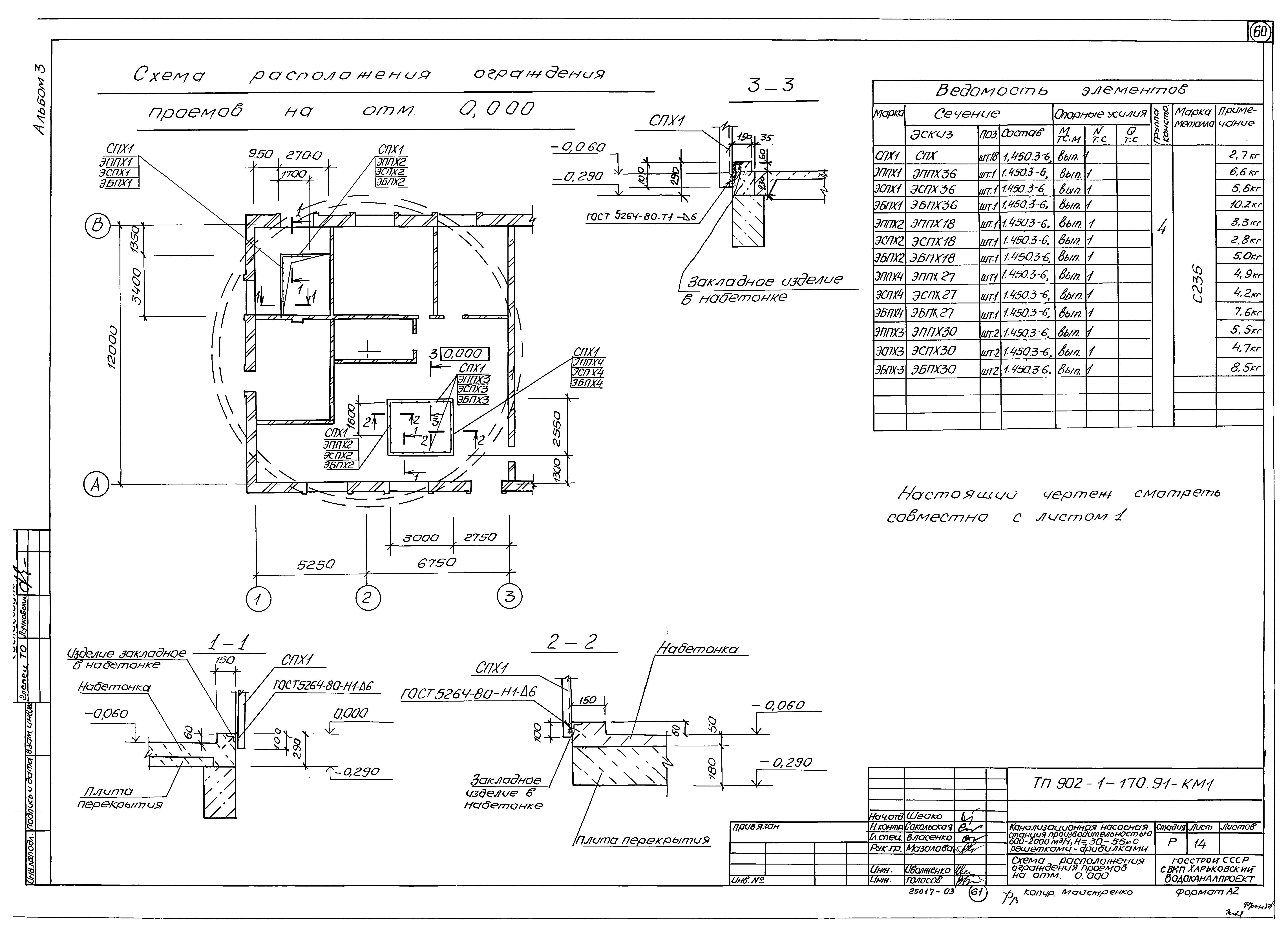
   Схема расположения ограждения проемов
Разработан: Харьковский Водоканалпроект
Утверждён:15.05.1991 СоюзводоканалНИИпроект (SoyuzvodokanalNIIproject 9)
Расположен в:Техническая документация Строительство Справочные документы Типовые строительные конструкции, изделия и узлы Общероссийский строительный каталог Промышленные предприятия, здания и сооружения Здания и сооружения санитарно-технические Канализация Станции насосные Станции насосные для перекачки бытовых сточных вод
Типовой проект 902-1-179.91Типовой проект 902-1-179.91Типовой проект 902-1-179.91Типовой проект 902-1-179.91Типовой проект 902-1-179.91Типовой проект 902-1-179.91Типовой проект 902-1-179.91Типовой проект 902-1-179.91Типовой проект 902-1-179.91Типовой проект 902-1-179.91Типовой проект 902-1-179.91Типовой проект 902-1-179.91Типовой проект 902-1-179.91Типовой проект 902-1-179.91Типовой проект 902-1-179.91Типовой проект 902-1-179.91Типовой проект 902-1-179.91Типовой проект 902-1-179.91Типовой проект 902-1-179.91Типовой проект 902-1-179.91Типовой проект 902-1-179.91Типовой проект 902-1-179.91Типовой проект 902-1-179.91Типовой проект 902-1-179.91Типовой проект 902-1-179.91Типовой проект 902-1-179.91Типовой проект 902-1-179.91Типовой проект 902-1-179.91Типовой проект 902-1-179.91Типовой проект 902-1-179.91Типовой проект 902-1-179.91Типовой проект 902-1-179.91Типовой проект 902-1-179.91Типовой проект 902-1-179.91Типовой проект 902-1-179.91Типовой проект 902-1-179.91Типовой проект 902-1-179.91Типовой проект 902-1-179.91Типовой проект 902-1-179.91Типовой проект 902-1-179.91Типовой проект 902-1-179.91Типовой проект 902-1-179.91Типовой проект 902-1-179.91Типовой проект 902-1-179.91Типовой проект 902-1-179.91Типовой проект 902-1-179.91Типовой проект 902-1-179.91Типовой проект 902-1-179.91Типовой проект 902-1-179.91Типовой проект 902-1-179.91Типовой проект 902-1-179.91Типовой проект 902-1-179.91Типовой проект 902-1-179.91Типовой проект 902-1-179.91Типовой проект 902-1-179.91Типовой проект 902-1-179.91Типовой проект 902-1-179.91Типовой проект 902-1-179.91Типовой проект 902-1-179.91Типовой проект 902-1-179.91Типовой проект 902-1-179.91

© 2013 Ёшкин Кот :-) Карта сайта