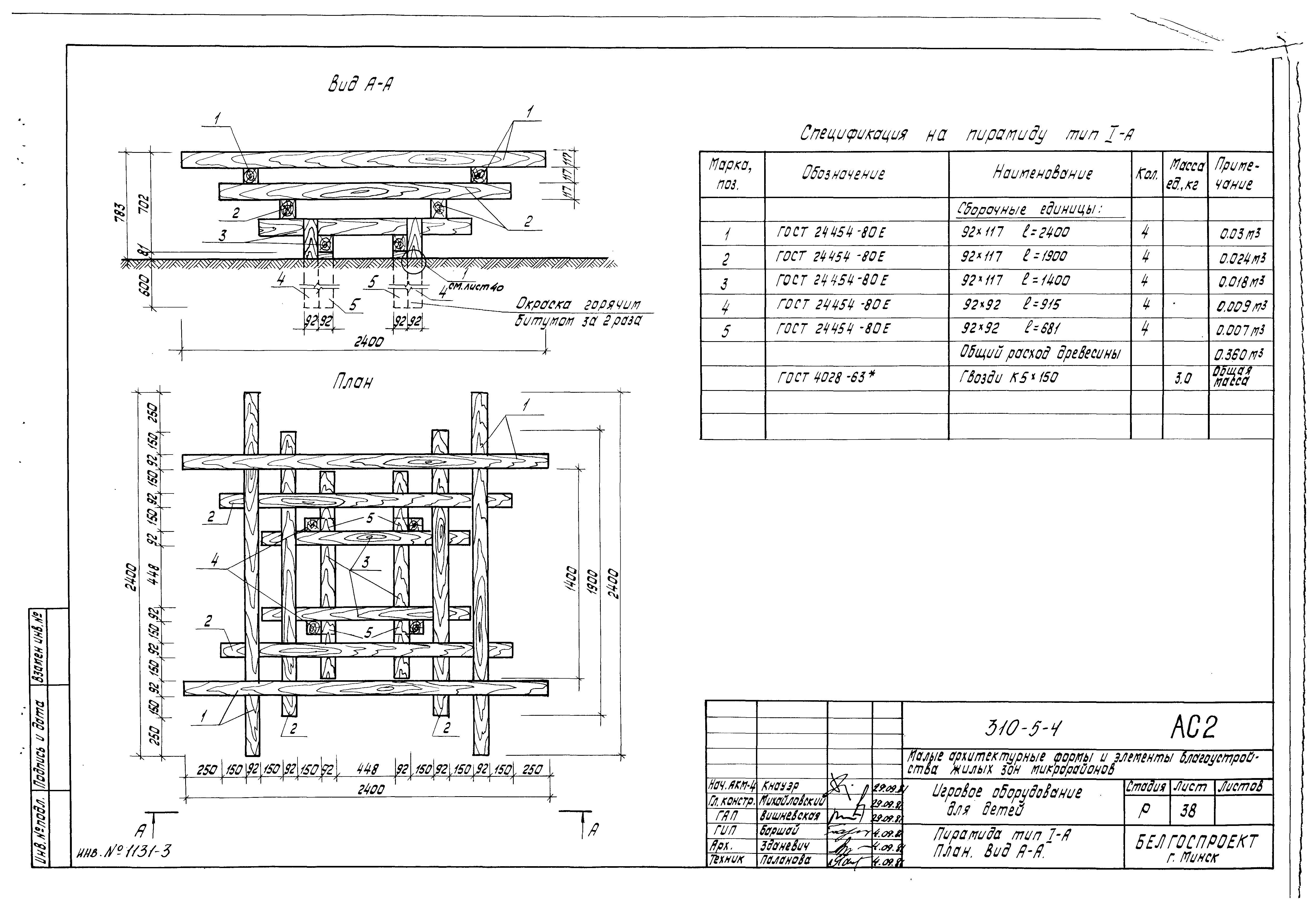
Скачать Типовой проект 310-5-4 Альбом II. Архитектурно-строительные решения. Игровое оборудование для детейДата актуализации: 10.08.2017 Типовой проект 310-5-4
Альбом II. Архитектурно-строительные решения. Игровое оборудование для детейОбозначение: | Типовой проект 310-5-4 | Обозначение англ: | 310-5-4 | Статус: | не определен законодательством | Название рус.: | Альбом II. Архитектурно-строительные решения. Игровое оборудование для детей | Дата добавления в базу: | 01.09.2013 | Дата актуализации: | 05.05.2017 | Дата введения: | 12.04.1982 | Разработан: | Белгоспроект
| Утверждён: | 30.04.1976 Госстрой БССР (BSSR Gosstroy 59)
| Расположен в: |
|
                                                                           
|