Скачать Серия 1.020-1/83 Выпуск 3-10. Ригели высотой 600 мм пролетом 3,0; 6,0 и 9,0 м для опирания ребристых плит перекрытия и плит типа ТТ. Рабочие чертежиДата актуализации: 10.08.2017 Серия 1.020-1/83
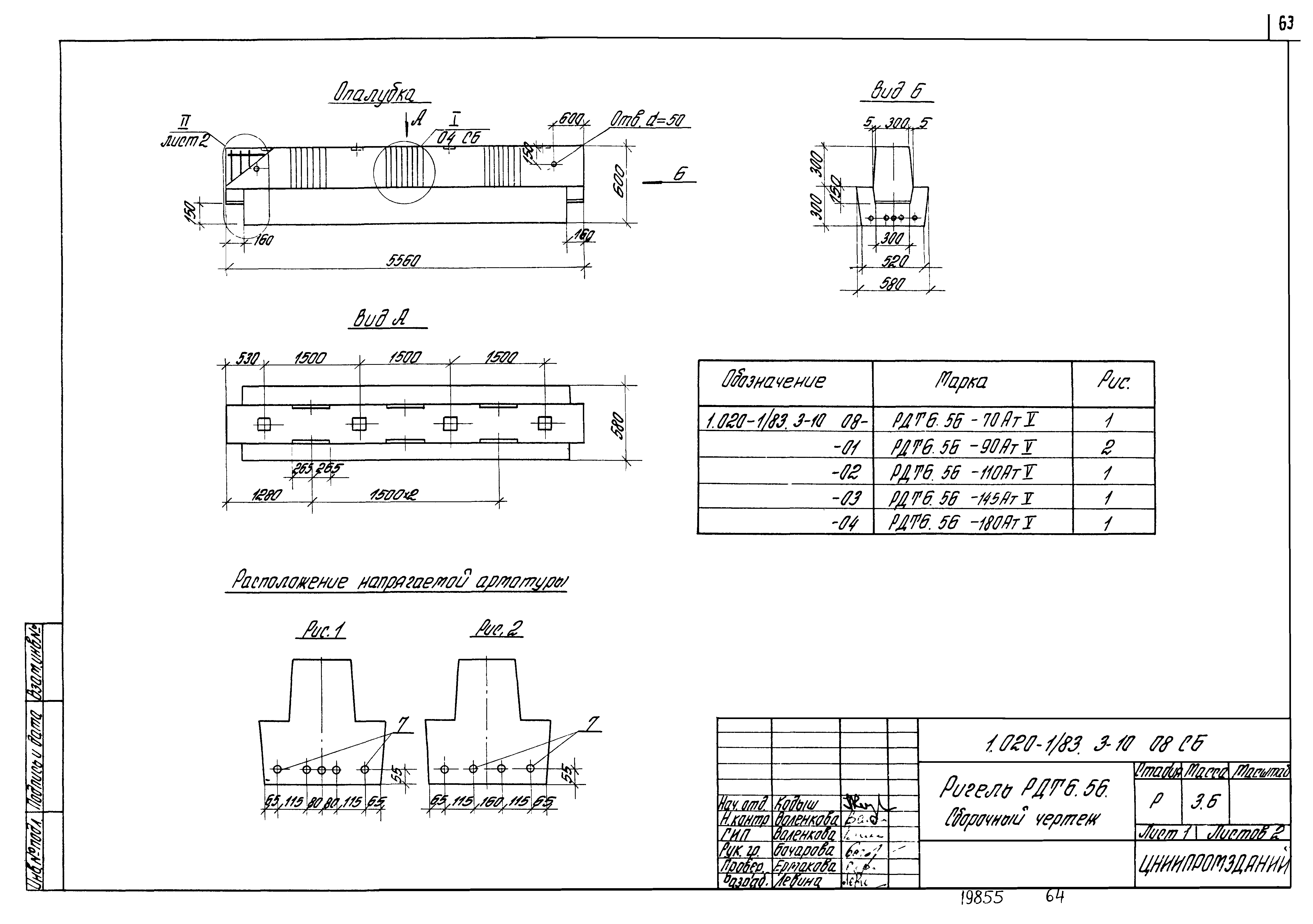
Выпуск 3-10. Ригели высотой 600 мм пролетом 3,0; 6,0 и 9,0 м для опирания ребристых плит перекрытия и плит типа "ТТ". Рабочие чертежиОбозначение: | Серия 1.020-1/83 | Обозначение англ: | Series 1.020-1/83 | Статус: | не действует | Название рус.: | Выпуск 3-10. Ригели высотой 600 мм пролетом 3,0; 6,0 и 9,0 м для опирания ребристых плит перекрытия и плит типа "ТТ". Рабочие чертежи | Дата добавления в базу: | 01.09.2013 | Дата актуализации: | 05.05.2017 | Дата введения: | 01.09.1984 | Дата окончания срока действия: | 01.12.1992 | Оглавление: | 1.020-1/83.3-10 00 Содержание 1.020-1/83.3-10 00 ПЗ Пояснительная записка 1.020-1/83.3-10 01 Ригель РДР6.86 1.020-1/83.3-10 02 Ригель РДР6.86-д 1.020-1/83.3-10 03 Ригель РДР6.86 1.020-1/83.3-10 04 Ригель РДР6.56 1.020-1/83.3-10 05 Ригель РДР6.56-д 1.020-1/83.3-10 06 Ригель РОР6.56 1.020-1/83.3-10 07 Ригель РЛР6.56 1.020-1/83.3-10 08 Ригель РДТ6.56 1.020-1/83.3-10 09 Ригель РОТ6.56 1.020-1/83.3-10 10 Ригель РЛТ6.56 1.020-1/83.3-10 11 Ригель РДР6.26 1.020-1/83.3-10 12 Ригель РОР6.26,РЛР6.26 1.020-1/83.3-10 13 Ригель РДТ6.26 1.020-1/83.3-10 14 Ригель РОТ6.56;РЛТ6.26 1.020-1/83.3-10 ВС Выборка стали на один ригель | Разработан: | НИИЖБ Госстроя СССР НИИСК Госстроя СССР ЦНИИпромзданий ЦНИИЭП торгово-бытовых зданий и туристских комплексов Гипростроммаш
| Утверждён: | 13.07.1984 Госстрой СССР (Государственный комитет Совета Министров СССР по делам строительства) (USSR Gosstroy 112)
| Издан: | ЦИТП Госстроя СССР (CITP, Gosstroy (USSR) 1985 г. )
| Расположен в: |
| Заменяет собой: | | Чем заменён: | |
                                                                                          
|