Информационная система
«Ёшкин Кот»

Скачать базу одним архивом
Скачать обновления
История создания базы
Карта сайта

Скачать Типовой проект 708-75.93 Альбом 3. Электротехническая часть

Дата актуализации: 10.08.2017

Типовой проект 708-75.93

Альбом 3. Электротехническая часть

Обозначение: Типовой проект 708-75.93
Обозначение англ: 708-75.93
Статус:не определен законодательством
Название рус.:Альбом 3. Электротехническая часть
Дата добавления в базу:01.09.2013
Дата актуализации:05.05.2017
Дата введения:06.12.1993
Оглавление:ТП 708-75.93 СА Содержание альбома
ТП 708-75.93 ЭМ Силовое электрооборудование - ЭМ
ТП 708-75.93 ЭМ Общие данные (начало)
ТП 708-75.93 ЭМ Общие данные (продолжение)
ТП 708-75.93 ЭМ Общие данные (окончание)
ТП 708-75.93 ЭМ Схема принципиальная распределительной сети (начало)
ТП 708-75.93 ЭМ Схема принципиальная распределительной сети (продолжение)
ТП 708-75.93 ЭМ Схема принципиальная распределительной сети (окончание)
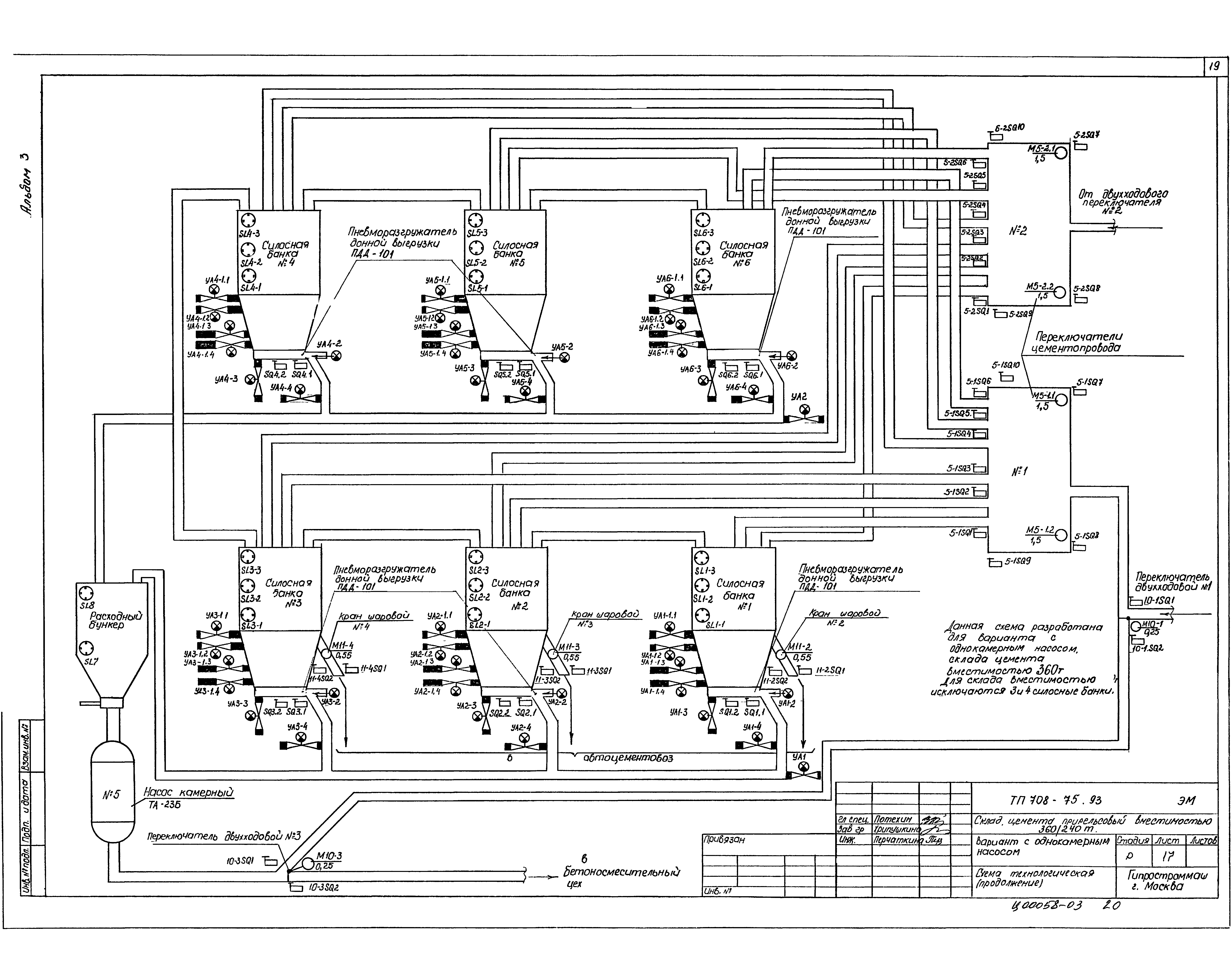
ТП 708-75.93 ЭМ Схема технологическая (начало)
ТП 708-75.93 ЭМ Схема технологическая (продолжение)
ТП 708-75.93 ЭМ Схема технологическая (окончание)
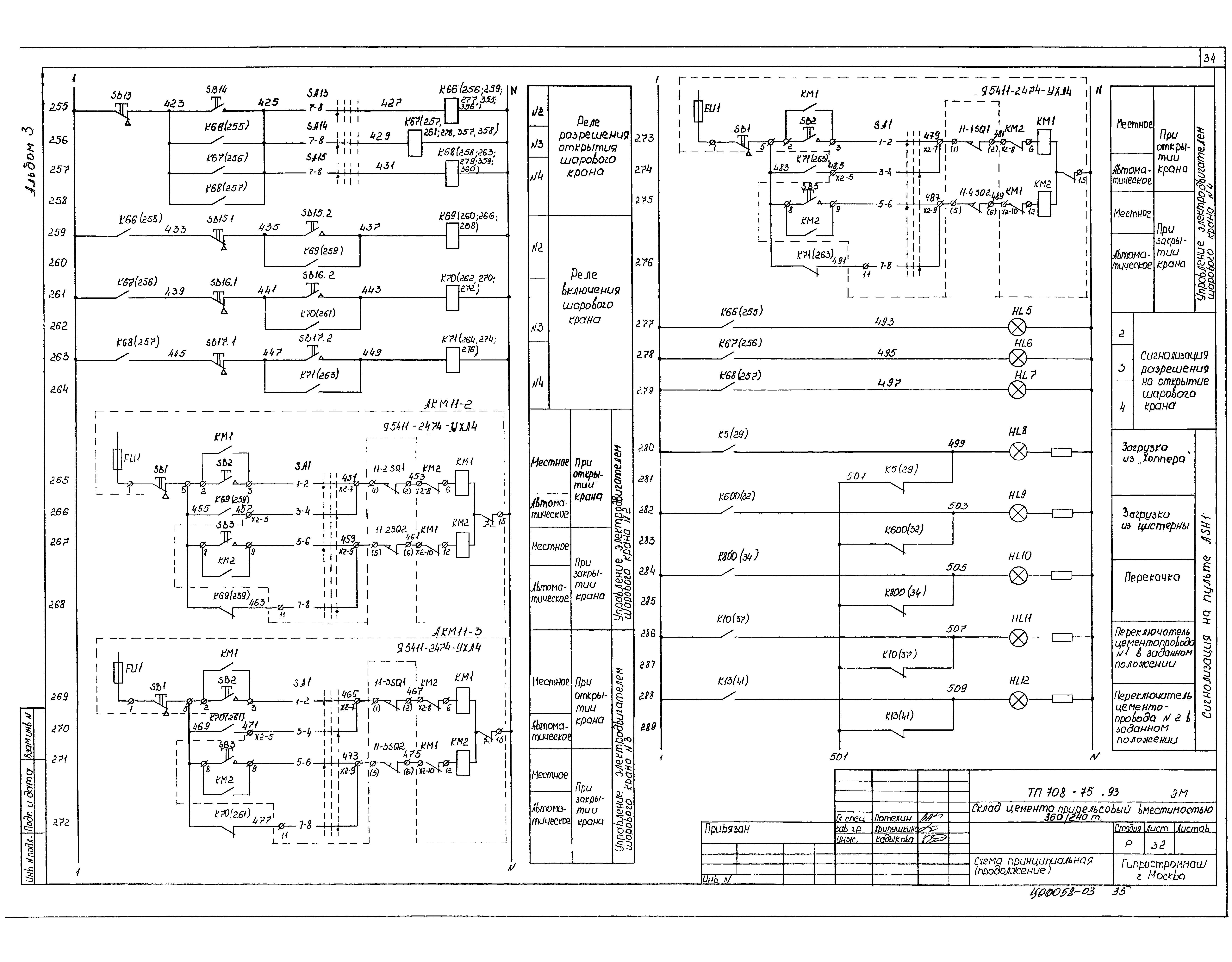
ТП 708-75.93 ЭМ Схема принципиальная (начало)
ТП 708-75.93 ЭМ Схема принципиальная (продолжение)
ТП 708-75.93 ЭМ Схема принципиальная (окончание)
ТП 708-75.93 ЭМ Насос камерный пневматический ТА-23Б. Схема электрическая принципиальная (начало)
ТП 708-75.93 ЭМ Насос камерный пневматический ТА-23Б. Схема электрическая принципиальная (окончание)
ТП 708-75.93 ЭМ Схема принципиальная управление лебедкой
ТП 708-75.93 ЭМ Схема принципиальная сигнализации отклонения давления в сети
ТП 708-75.93 ЭМ Схема принципиальная управления пневмовинтовым насосом
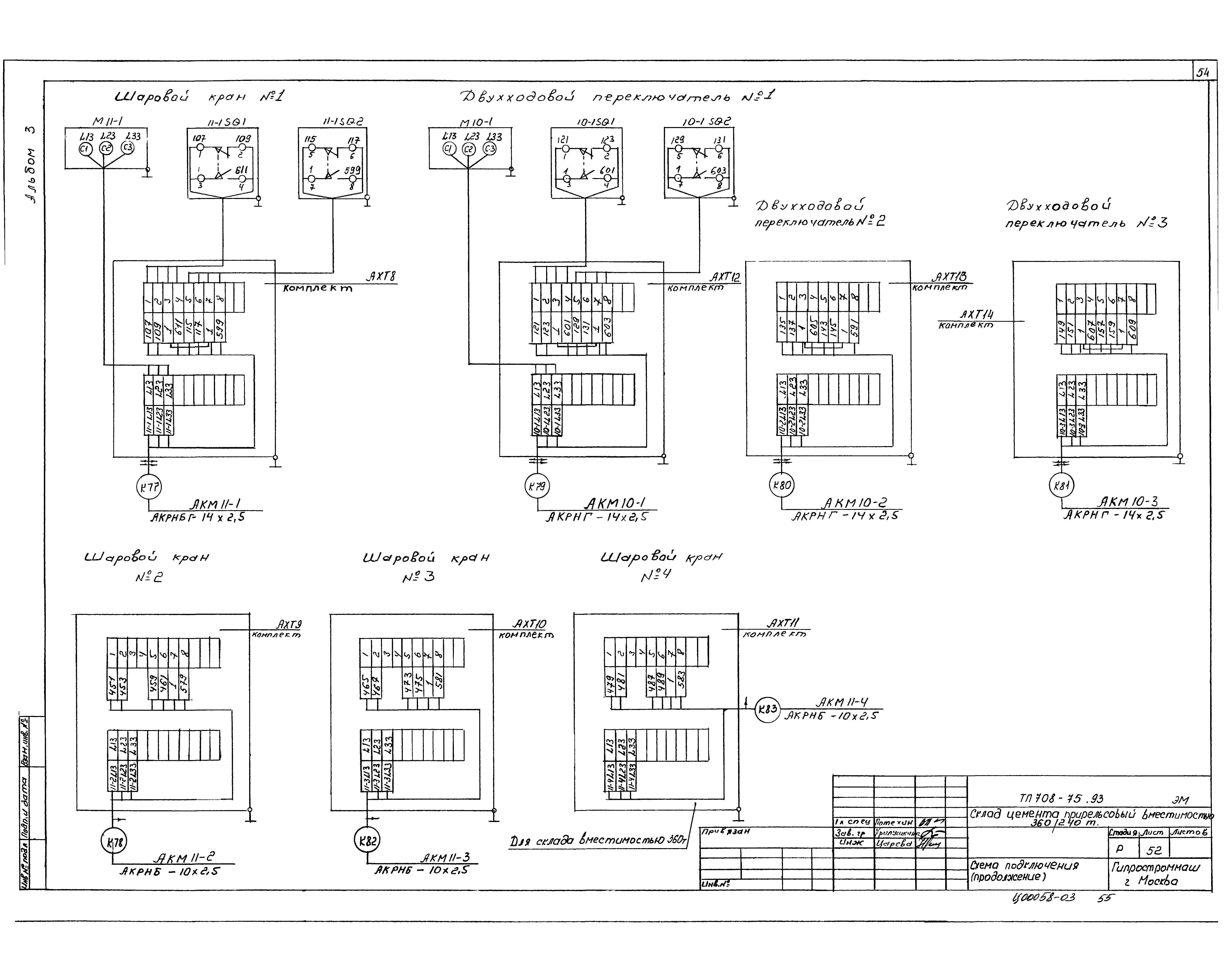
ТП 708-75.93 ЭМ Схема подключения (начало)
ТП 708-75.93 ЭМ Схема подключения (продолжение)
ТП 708-75.93 ЭМ Схема подключения (окончание)
ТП 708-75.93 ЭМ Кабельный журнал (начало)
ТП 708-75.93 ЭМ Кабельный журнал (продолжение)
ТП 708-75.93 ЭМ Кабельный журнал (окончание
ТП 708-75.93 ЭМ План расположения (начало)
ТП 708-75.93 ЭМ План расположения (продолжение)
ТП 708-75.93 ЭМ План расположения (окончание)
ТП 708-75.93 ЭМ Заземления электрооборудования (начало)
ТП 708-75.93 ЭМ Заземления электрооборудования (продолжение)
ТП 708-75.93 ЭМ Заземления электрооборудования (окончание)
ТП 708-75.93 ЭМ Ведомость объемов электромонтажных и строительных работ и задание МЭЗ
ТП 708-75.93 ЭМ1 Силовое электрооборудование технологической аспирации - ЭМ1
ТП 708-75.93 ЭМ1 Общие данные. Схема принципиальная (начало)
ТП 708-75.93 ЭМ1 Схема принципиальная (окончание)
ТП 708-75.93 ЭМ1 Схема подключения (начало)
ТП 708-75.93 ЭМ1 Схема подключения (окончание)
ТП 708-75.93 ЭМ1 Кабельный журнал и план расположения
ТП 708-75.93 ЭМ1 Ведомости на электрооборудование, кабельные изделия и материалы
ТП 708-75.93 СС Связь и сигнализация - СС
ТП 708-75.93 СС Общие данные. Устройства связи и сигнализации. Скелетные схемы
ТП 708-75.93 СС Планы на отм. 0.000 и отм.3.500
ТП 708-75.93 ЭО Электроосвещение - ЭО
ТП 708-75.93 ЭО Общие данные
ТП 708-75.93 ЭО Планы сети электроосвещения (начало)
ТП 708-75.93 ЭО Планы сети электроосвещения (окончание)
ТП 708-75.93 ЭО Конструкция и установка светильников с лампой накаливания
ТП 708-75.93 ЭО Коробка с выключателем и коробка со штепсельной розеткой
ТП 708-75.93 ЭО Ведомости электрооборудования, кабельных изделий и материалов
Разработан: Гипростроммаш
Проектный институт №2
Утверждён:30.11.1993 Главпроект Госстроя России (9-3-1/254)
Расположен в:Техническая документация Строительство Справочные документы Типовые строительные конструкции, изделия и узлы Общероссийский строительный каталог Промышленные предприятия, здания и сооружения Предприятия, здания и сооружения складские Склады строительных материалов и изделий
Типовой проект 708-75.93Типовой проект 708-75.93Типовой проект 708-75.93Типовой проект 708-75.93Типовой проект 708-75.93Типовой проект 708-75.93Типовой проект 708-75.93Типовой проект 708-75.93Типовой проект 708-75.93Типовой проект 708-75.93Типовой проект 708-75.93Типовой проект 708-75.93Типовой проект 708-75.93Типовой проект 708-75.93Типовой проект 708-75.93Типовой проект 708-75.93Типовой проект 708-75.93Типовой проект 708-75.93Типовой проект 708-75.93Типовой проект 708-75.93Типовой проект 708-75.93Типовой проект 708-75.93Типовой проект 708-75.93Типовой проект 708-75.93Типовой проект 708-75.93Типовой проект 708-75.93Типовой проект 708-75.93Типовой проект 708-75.93Типовой проект 708-75.93Типовой проект 708-75.93Типовой проект 708-75.93Типовой проект 708-75.93Типовой проект 708-75.93Типовой проект 708-75.93Типовой проект 708-75.93Типовой проект 708-75.93Типовой проект 708-75.93Типовой проект 708-75.93Типовой проект 708-75.93Типовой проект 708-75.93Типовой проект 708-75.93Типовой проект 708-75.93Типовой проект 708-75.93Типовой проект 708-75.93Типовой проект 708-75.93Типовой проект 708-75.93Типовой проект 708-75.93Типовой проект 708-75.93Типовой проект 708-75.93Типовой проект 708-75.93Типовой проект 708-75.93Типовой проект 708-75.93Типовой проект 708-75.93Типовой проект 708-75.93Типовой проект 708-75.93Типовой проект 708-75.93Типовой проект 708-75.93Типовой проект 708-75.93Типовой проект 708-75.93Типовой проект 708-75.93Типовой проект 708-75.93Типовой проект 708-75.93Типовой проект 708-75.93Типовой проект 708-75.93Типовой проект 708-75.93Типовой проект 708-75.93Типовой проект 708-75.93Типовой проект 708-75.93Типовой проект 708-75.93Типовой проект 708-75.93Типовой проект 708-75.93Типовой проект 708-75.93Типовой проект 708-75.93Типовой проект 708-75.93Типовой проект 708-75.93Типовой проект 708-75.93Типовой проект 708-75.93Типовой проект 708-75.93Типовой проект 708-75.93Типовой проект 708-75.93Типовой проект 708-75.93Типовой проект 708-75.93Типовой проект 708-75.93Типовой проект 708-75.93Типовой проект 708-75.93Типовой проект 708-75.93Типовой проект 708-75.93Типовой проект 708-75.93Типовой проект 708-75.93Типовой проект 708-75.93Типовой проект 708-75.93Типовой проект 708-75.93Типовой проект 708-75.93Типовой проект 708-75.93

© 2013 Ёшкин Кот :-) Карта сайта