Информационная система
«Ёшкин Кот»

Скачать базу одним архивом
Скачать обновления
История создания базы
Карта сайта

Скачать СТК 3-19-90 Установка аппаратов внутри щитов по ОСТ 36.13-90

Дата актуализации: 10.08.2017

СТК 3-19-90

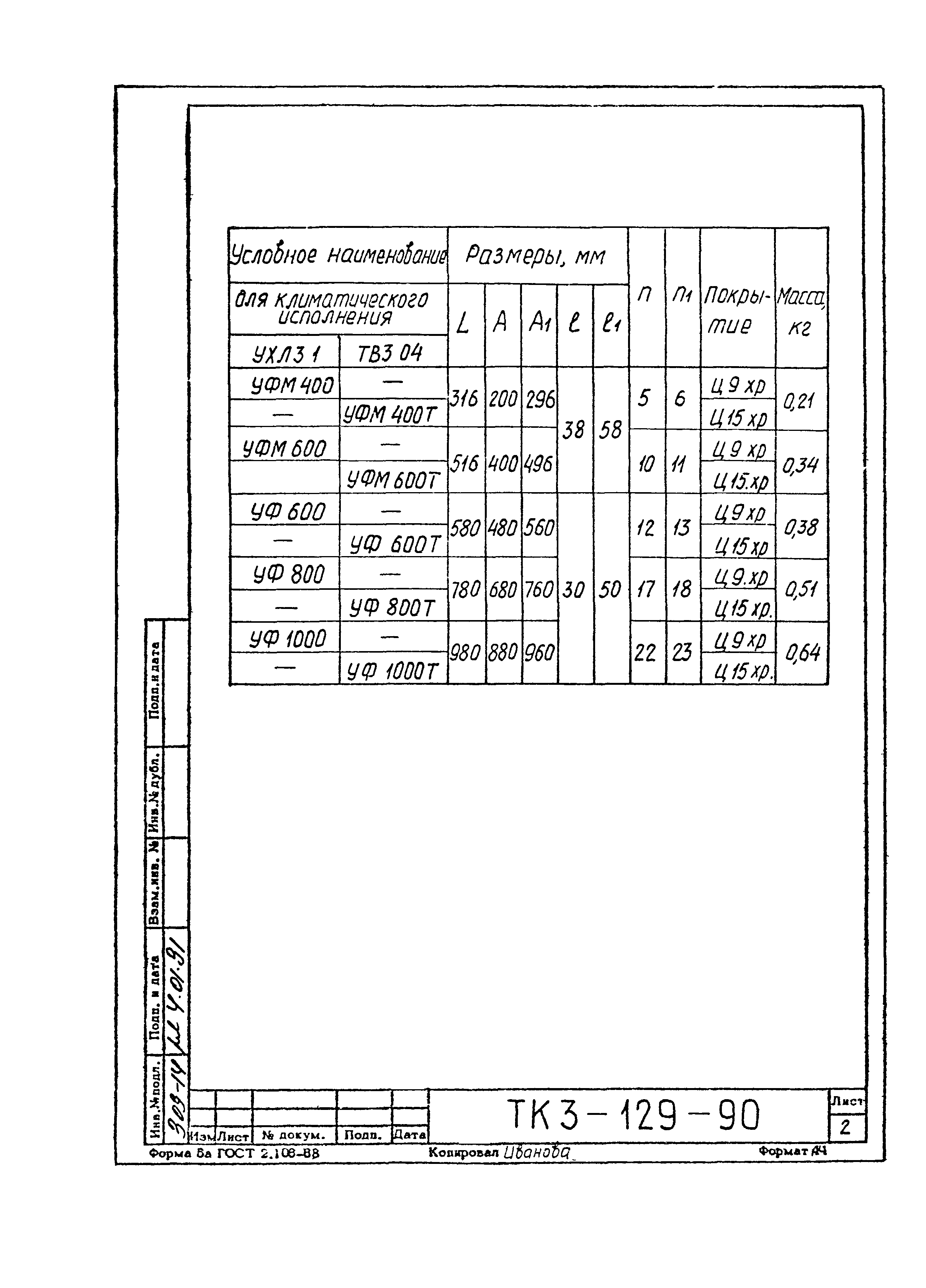
Установка аппаратов внутри щитов по ОСТ 36.13-90

Обозначение: СТК 3-19-90
Обозначение англ: 3-19-90
Статус:действует
Название рус.:Установка аппаратов внутри щитов по ОСТ 36.13-90
Дата добавления в базу:01.09.2013
Дата актуализации:05.05.2017
Дата введения:21.12.1990
Область применения:Представленные в настоящем сборнике типовые конструкции предназначены для установки аппаратов, прокладки электрических проводок, а также для поддержки глубоких и тяжелых приборов внутри щитов, пультов и стативов, изготавливаемых по ОСТ 36.13-90 на стадиях их проектирования и изготовления
Оглавление:Ведомость документов
Общие указания
Чертежи типовых конструкций
Разработан: ГПКИ Проектмонтажавтоматика
Утверждён:21.12.1990 НПО Монтажавтоматика (Montazhavtomatika NPO )
Принят:21.12.1990 ГПКИ Проектмонтажавтоматика (Projectmontazhavtomatika GPKI )
Издан: НПО Монтажавтоматика (1990 г. )
Расположен в:Техническая документация Экология ЭЛЕКТРОТЕХНИКА Электрическая арматура Электрическая арматура в целом МАШИНОСТРОЕНИЕ Промышленные автоматизированные системы Промышленные автоматизированные системы в целом Строительство Нормативные документы Отраслевые и ведомственные нормативно-методические документы Производство монтажных и специальных строительных работ
Список изменений:
Заменяет собой:
  • Сборник 44
Нормативные ссылки:
СТК 3-19-90СТК 3-19-90СТК 3-19-90СТК 3-19-90СТК 3-19-90СТК 3-19-90СТК 3-19-90СТК 3-19-90СТК 3-19-90СТК 3-19-90СТК 3-19-90СТК 3-19-90СТК 3-19-90СТК 3-19-90СТК 3-19-90СТК 3-19-90СТК 3-19-90СТК 3-19-90СТК 3-19-90СТК 3-19-90СТК 3-19-90СТК 3-19-90СТК 3-19-90СТК 3-19-90СТК 3-19-90СТК 3-19-90СТК 3-19-90СТК 3-19-90СТК 3-19-90СТК 3-19-90СТК 3-19-90СТК 3-19-90СТК 3-19-90СТК 3-19-90СТК 3-19-90СТК 3-19-90СТК 3-19-90СТК 3-19-90СТК 3-19-90СТК 3-19-90СТК 3-19-90СТК 3-19-90СТК 3-19-90СТК 3-19-90СТК 3-19-90СТК 3-19-90СТК 3-19-90СТК 3-19-90СТК 3-19-90СТК 3-19-90СТК 3-19-90СТК 3-19-90СТК 3-19-90СТК 3-19-90СТК 3-19-90СТК 3-19-90СТК 3-19-90СТК 3-19-90СТК 3-19-90СТК 3-19-90СТК 3-19-90СТК 3-19-90СТК 3-19-90СТК 3-19-90СТК 3-19-90СТК 3-19-90СТК 3-19-90СТК 3-19-90СТК 3-19-90СТК 3-19-90СТК 3-19-90СТК 3-19-90СТК 3-19-90СТК 3-19-90СТК 3-19-90СТК 3-19-90СТК 3-19-90СТК 3-19-90

Текстовое изменение № 3.193-91 от 19.11.1991

№ 3.193-91№ 3.193-91№ 3.193-91№ 3.193-91№ 3.193-91№ 3.193-91№ 3.193-91

Текстовое изменение № 3.202-92 от 01.12.1992

№ 3.202-92№ 3.202-92№ 3.202-92№ 3.202-92№ 3.202-92№ 3.202-92№ 3.202-92

© 2013 Ёшкин Кот :-) Карта сайта