Информационная система
«Ёшкин Кот»

Скачать базу одним архивом
Скачать обновления
История создания базы
Карта сайта

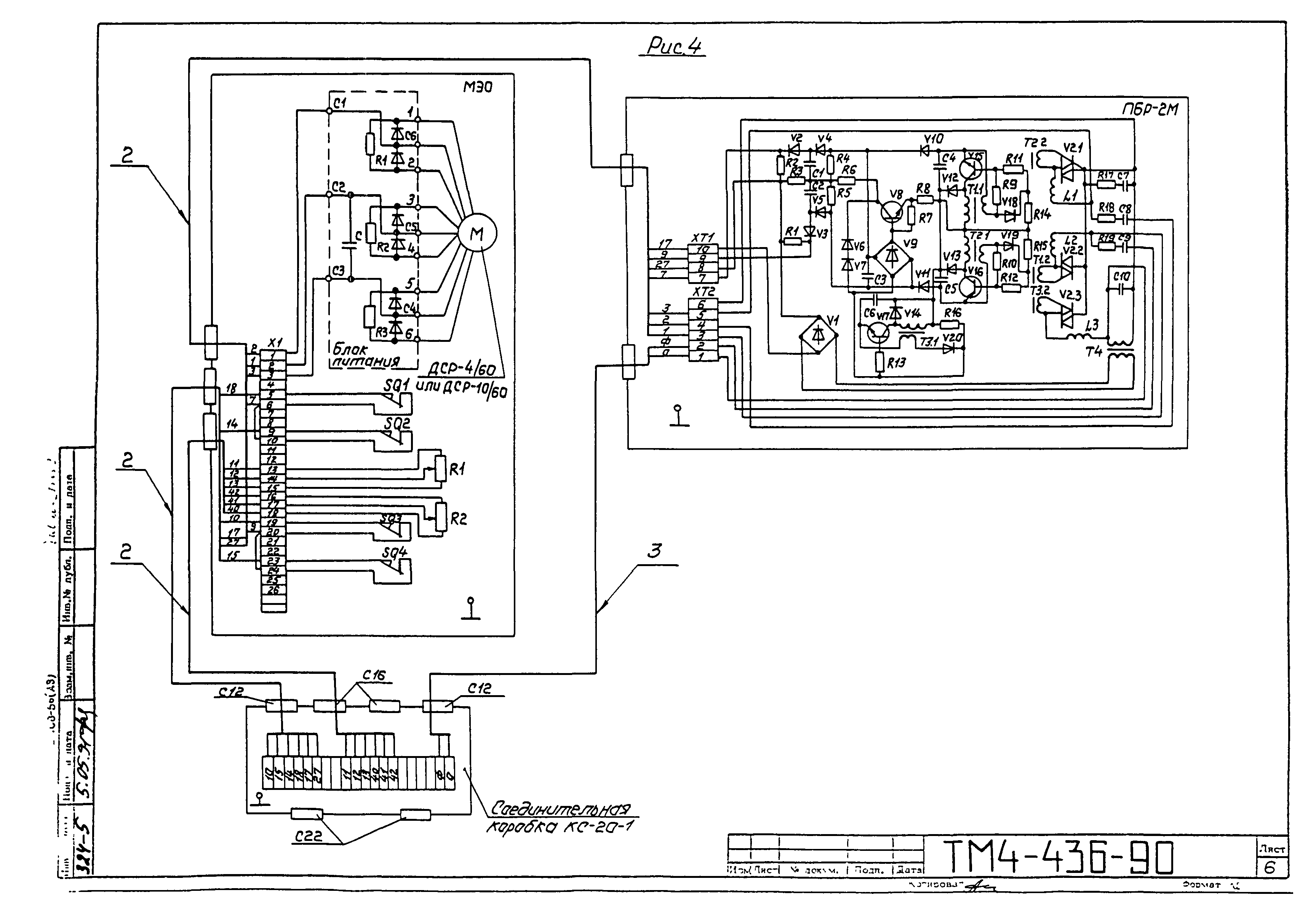
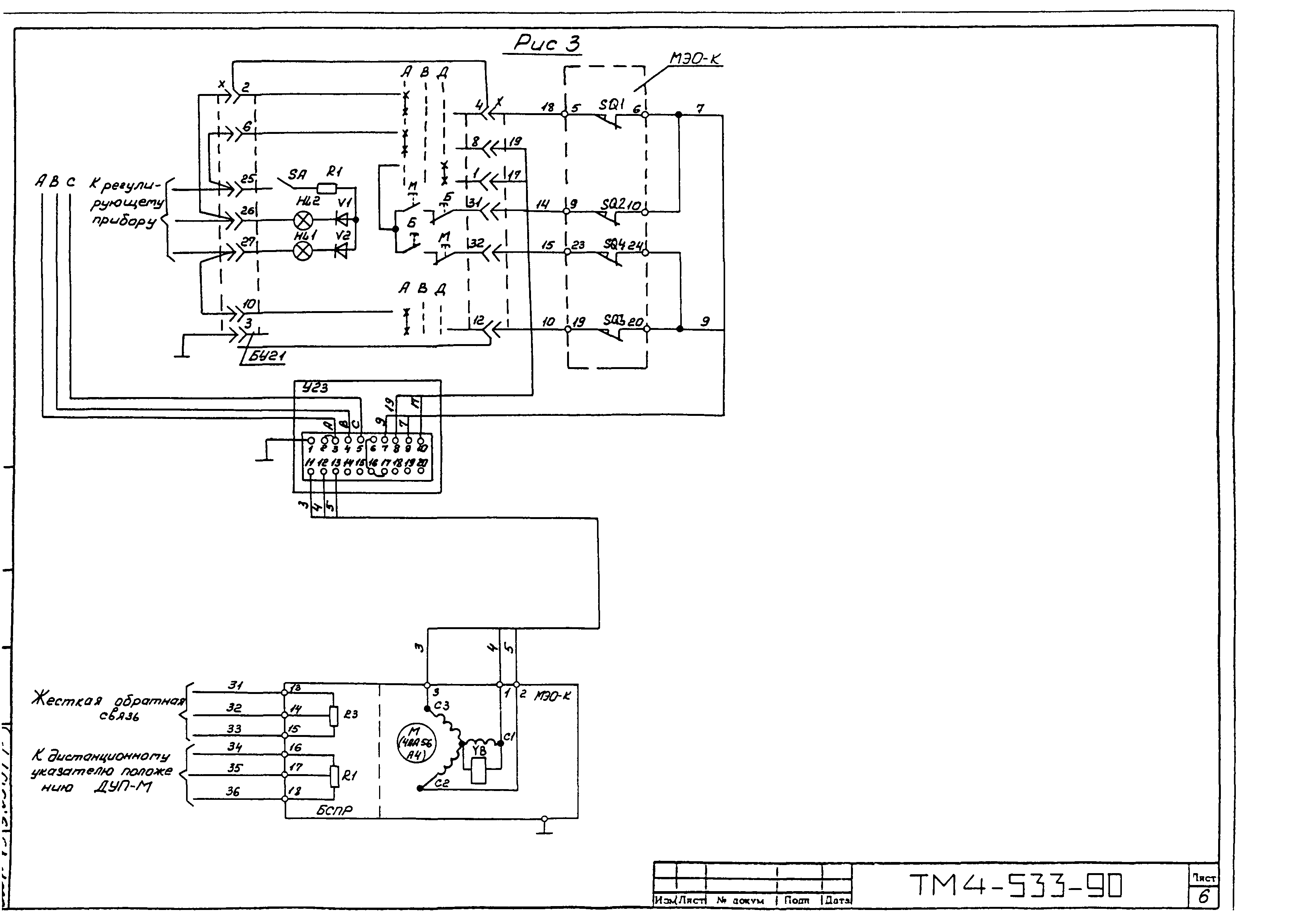
Скачать СТМ 4-8-90 Механизмы исполнительные электрические. Установка на полу и стене

Дата актуализации: 10.08.2017

СТМ 4-8-90

Механизмы исполнительные электрические. Установка на полу и стене

Обозначение: СТМ 4-8-90
Обозначение англ: 4-8-90
Статус:действует
Название рус.:Механизмы исполнительные электрические. Установка на полу и стене
Дата добавления в базу:01.09.2013
Дата актуализации:05.05.2017
Область применения:Типовые чертежи предназначены для применения при проектировании и монтаже исполнительных механизмов технологических процессов
Оглавление:Ведомость документов
Общие указания
Типовые чертежи
Разработан: НПО Монтажавтоматика
Издан: НПО Монтажавтоматика (1990 г. )
Расположен в:Техническая документация Экология СТРОИТЕЛЬНЫЕ МАТЕРИАЛЫ И СТРОИТЕЛЬСТВО Установки в зданиях Инженерное оборудование зданий в целом ЭЛЕКТРОТЕХНИКА Электрическая арматура Электрическая арматура в целом МАШИНОСТРОЕНИЕ Промышленные автоматизированные системы Промышленные автоматизированные системы в целом Строительство Нормативные документы Отраслевые и ведомственные нормативно-методические документы Производство монтажных и специальных строительных работ
Заменяет собой:
  • Сборник 59 «Монтажные чертежи. Механизмы электрические исполнительные. Установка на полу и стене»
СТМ 4-8-90СТМ 4-8-90СТМ 4-8-90СТМ 4-8-90СТМ 4-8-90СТМ 4-8-90СТМ 4-8-90СТМ 4-8-90СТМ 4-8-90СТМ 4-8-90СТМ 4-8-90СТМ 4-8-90СТМ 4-8-90СТМ 4-8-90СТМ 4-8-90СТМ 4-8-90СТМ 4-8-90СТМ 4-8-90СТМ 4-8-90СТМ 4-8-90СТМ 4-8-90СТМ 4-8-90СТМ 4-8-90СТМ 4-8-90СТМ 4-8-90СТМ 4-8-90СТМ 4-8-90СТМ 4-8-90СТМ 4-8-90СТМ 4-8-90СТМ 4-8-90СТМ 4-8-90СТМ 4-8-90СТМ 4-8-90СТМ 4-8-90СТМ 4-8-90СТМ 4-8-90СТМ 4-8-90СТМ 4-8-90СТМ 4-8-90СТМ 4-8-90СТМ 4-8-90СТМ 4-8-90СТМ 4-8-90СТМ 4-8-90СТМ 4-8-90СТМ 4-8-90СТМ 4-8-90СТМ 4-8-90СТМ 4-8-90СТМ 4-8-90СТМ 4-8-90СТМ 4-8-90СТМ 4-8-90СТМ 4-8-90СТМ 4-8-90СТМ 4-8-90СТМ 4-8-90СТМ 4-8-90СТМ 4-8-90СТМ 4-8-90СТМ 4-8-90СТМ 4-8-90СТМ 4-8-90СТМ 4-8-90СТМ 4-8-90СТМ 4-8-90СТМ 4-8-90СТМ 4-8-90СТМ 4-8-90СТМ 4-8-90СТМ 4-8-90СТМ 4-8-90СТМ 4-8-90СТМ 4-8-90СТМ 4-8-90СТМ 4-8-90СТМ 4-8-90СТМ 4-8-90СТМ 4-8-90СТМ 4-8-90СТМ 4-8-90СТМ 4-8-90СТМ 4-8-90СТМ 4-8-90СТМ 4-8-90СТМ 4-8-90СТМ 4-8-90СТМ 4-8-90СТМ 4-8-90СТМ 4-8-90СТМ 4-8-90СТМ 4-8-90СТМ 4-8-90СТМ 4-8-90СТМ 4-8-90СТМ 4-8-90СТМ 4-8-90СТМ 4-8-90СТМ 4-8-90СТМ 4-8-90СТМ 4-8-90СТМ 4-8-90СТМ 4-8-90СТМ 4-8-90СТМ 4-8-90СТМ 4-8-90СТМ 4-8-90СТМ 4-8-90СТМ 4-8-90СТМ 4-8-90СТМ 4-8-90СТМ 4-8-90СТМ 4-8-90СТМ 4-8-90СТМ 4-8-90СТМ 4-8-90СТМ 4-8-90СТМ 4-8-90СТМ 4-8-90СТМ 4-8-90СТМ 4-8-90СТМ 4-8-90СТМ 4-8-90СТМ 4-8-90СТМ 4-8-90СТМ 4-8-90СТМ 4-8-90СТМ 4-8-90СТМ 4-8-90СТМ 4-8-90СТМ 4-8-90СТМ 4-8-90СТМ 4-8-90

© 2013 Ёшкин Кот :-) Карта сайта