| ||||||||||||||||||||||||||||
Скачать Шифр М25.13/98 Выпуск 2. Арматурные и закладные изделия. Рабочие чертежиДата актуализации: 10.08.2017
|
| Обозначение: | Шифр М25.13/98 |
| Обозначение англ: | М25.13/98 |
| Статус: | не определен законодательством |
| Название рус.: | Выпуск 2. Арматурные и закладные изделия. Рабочие чертежи |
| Дата добавления в базу: | 01.09.2013 |
| Дата актуализации: | 05.05.2017 |
| Дата введения: | 30.07.1999 |
| Область применения: | В выпуске приведены рабочие чертежи арматурных и закладных изделий трехслойных железобетонных панелей |
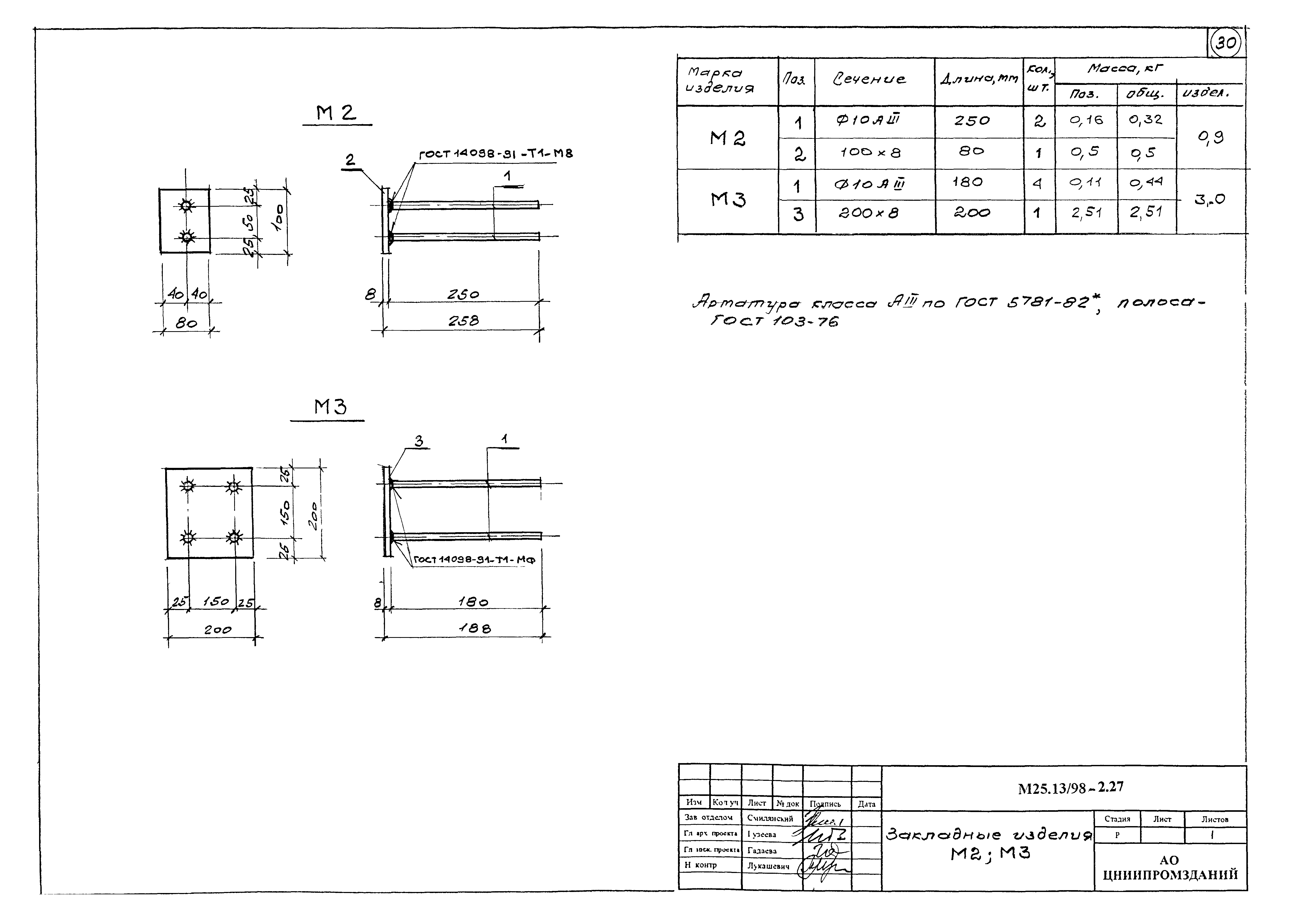
| Оглавление: | М25.13/98-2.ТТ Технические требования М25.13/98-2.1 Сетки С1…С10 М25.13/98-2.2 Сетки С11…С20 М25.13/98-2.3 Сетки С21…С30 М25.13/98-2.4 Сетки С31…С40 М25.13/98-2.5 Сетки С41…С50 М25.13/98-2.6 Сетки С51…С63 М25.13/98-2.7 Сетки С64…С73 М25.13/98-2.8 Сетки С74…С83 М25.13/98-2.9 Сетки С84…С93 М25.13/98-2.10 Сетки С94…С103 М25.13/98-2.11 Сетки С104…С113 М25.13/98-2.12 Сетки С114…С118 М25.13/98-2.13 Сетки С119…С128 М25.13/98-2.14 Сетки С128…С138 М25.13/98-2.15 Сетки С139…С150 М25.13/98-2.16 Сетки С151…С162 М25.13/98-2.17 Сетки С163…С174 М25.13/98-2.18 Сетки С175…С179 М25.13/98-2.19 Сетки С180…С184 М25.13/98-2.19А Сетки С185…С192 М25.13/98-2.20 Каркасы КР1…КР10 М25.13/98-2.21 Каркасы КР11…КР18 М25.13/98-2.22 Каркасы КР19…КР25 М25.13/98-2.23 Каркасы КР26…КР33 М25.13/98-2.24 Каркасы КР40…КР43 М25.13/98-2.25 Петли П1…П6. Гибкая связь К35 М25.13/98-2.26 Закладные изделия М1,М4…М6,м1-1 М25.13/98-2.27 Закладные изделия М2,М3 |
| Разработан: | ЦНИИпромзданий |
| Утверждён: | 30.12.1999 ЦНИИ промзданий (TsNII promzdaniy ) |
| Расположен в: |































