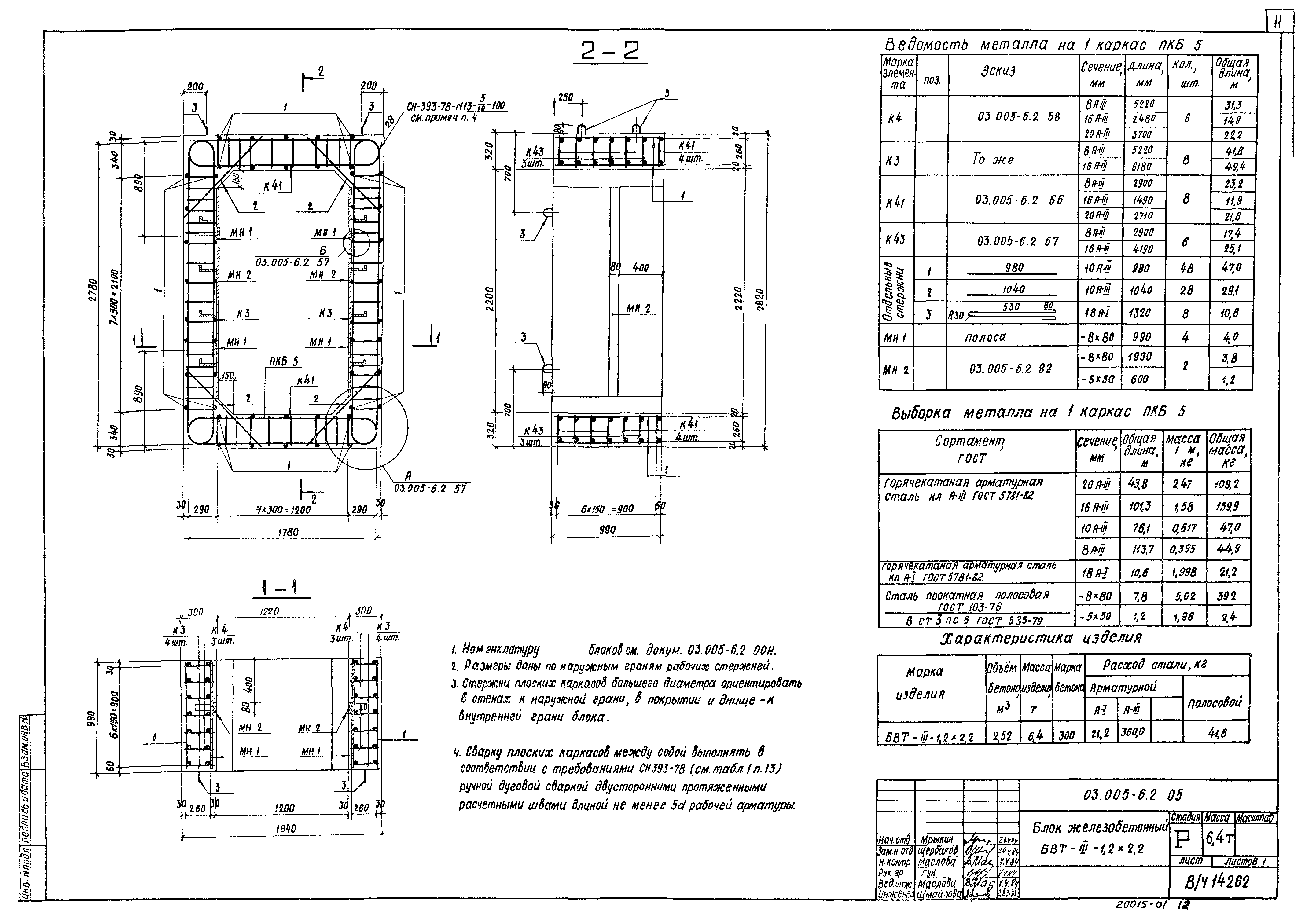
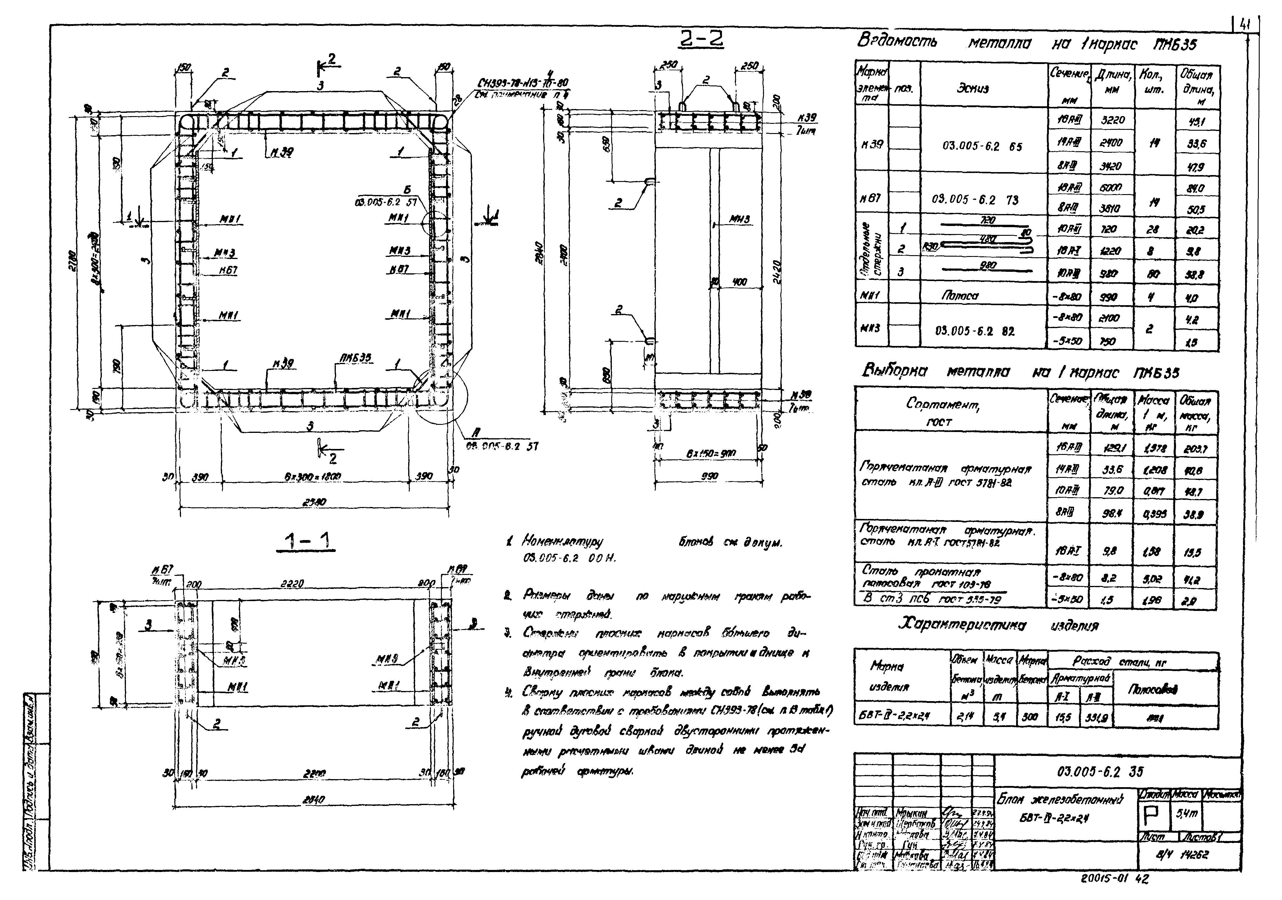
Скачать Серия 03.005-6 Выпуск 2. Сборные железобетонные блоки входов. Рабочие чертежиДата актуализации: 10.08.2017 Серия 03.005-6
Выпуск 2. Сборные железобетонные блоки входов. Рабочие чертежи| Обозначение: | Серия 03.005-6 | | Обозначение англ: | Series 03.005-6 | | Статус: | не определен законодательством | | Название рус.: | Выпуск 2. Сборные железобетонные блоки входов. Рабочие чертежи | | Дата добавления в базу: | 01.09.2013 | | Дата актуализации: | 05.05.2017 | | Дата введения: | 21.02.1984 | | Разработан: | В/ч 14262
| | Утверждён: | 21.02.1984 Госстрой СССР (Государственный комитет Совета Министров СССР по делам строительства) (USSR Gosstroy ВА-8)
| | Расположен в: |
| | Заменяет собой: | |
                                                                                     
|