Информационная система
«Ёшкин Кот»

Скачать базу одним архивом
Скачать обновления
История создания базы
Карта сайта

Скачать Типовой проект 704-1-162.83 Альбом II. Оборудование резервуаров для хранения нефтепродуктов с давлением насыщенных паров 200-500 мм рт. ст. при надземной установке

Дата актуализации: 10.08.2017

Типовой проект 704-1-162.83

Альбом II. Оборудование резервуаров для хранения нефтепродуктов с давлением насыщенных паров 200-500 мм рт. ст. при надземной установке

Обозначение: Типовой проект 704-1-162.83
Обозначение англ: 704-1-162.83
Статус:не действует
Название рус.:Альбом II. Оборудование резервуаров для хранения нефтепродуктов с давлением насыщенных паров 200-500 мм рт. ст. при надземной установке
Дата добавления в базу:01.09.2013
Дата актуализации:05.05.2017
Оглавление:Механическая часть
   Общие данные
   Общий вид резервуаров емкостью 3, 5, 16 и 25 куб. м
   Общий вид резервуаров емкостью 50, 75 и 100 куб. м
   Общий вид резервуаров емкостью 3 - 100 куб. м. Спецификация
   Установка оборудования на крышке горловины резервуара
   Патрубок замерного люка. Общий вид
   Труба дыхательная
   Труба приемно-раздаточная Ду80. Общий вид
   Пробка водогрязевыпускная. Общий вид. Детали
   Пробка водогрязевыпускная. Детали
   Люк уровнемера. Общий вид
   Люк уровнемера. Детали
Архитектурно-строительная часть
   Общие данные
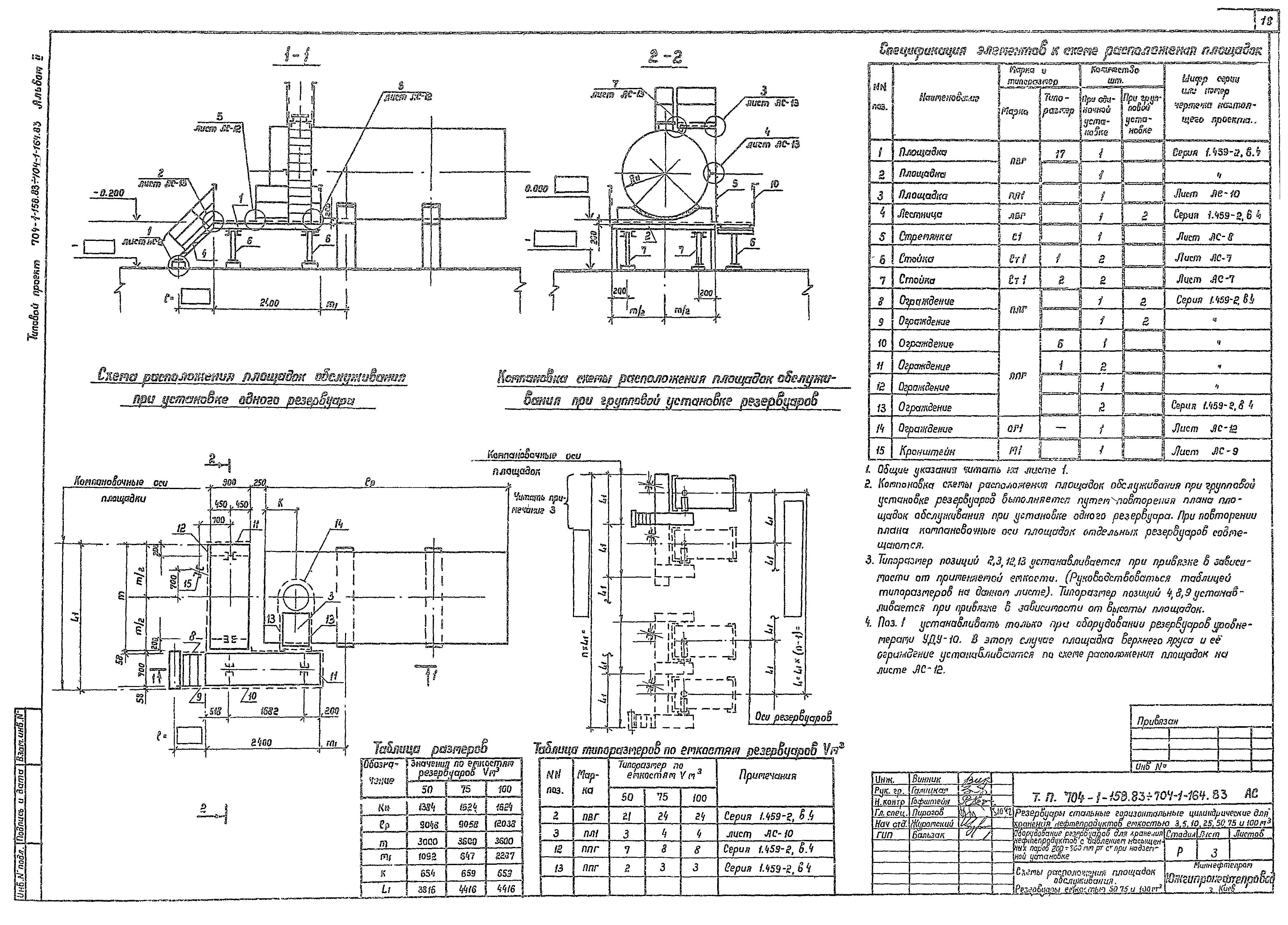
   Схемы расположения площадок обслуживания. Резервуары емкостью 3, 5, 10, 25 куб. м
   Схемы расположения площадок обслуживания. Резервуары емкостью 50, 75 и 100 куб. м
   Схемы расположения фундаментов. Резервуары емкостью 3, 5, 10, 25 куб. м
   Схемы расположения фундаментов. Резервуары емкостью 50, 75 и 100 куб. м
   Фундаменты Ф-1, Ф-2, Ф-3
   Стойка СТ1
   Стремянка С1
   Кронштейн М1
   Площадка ПЛ1
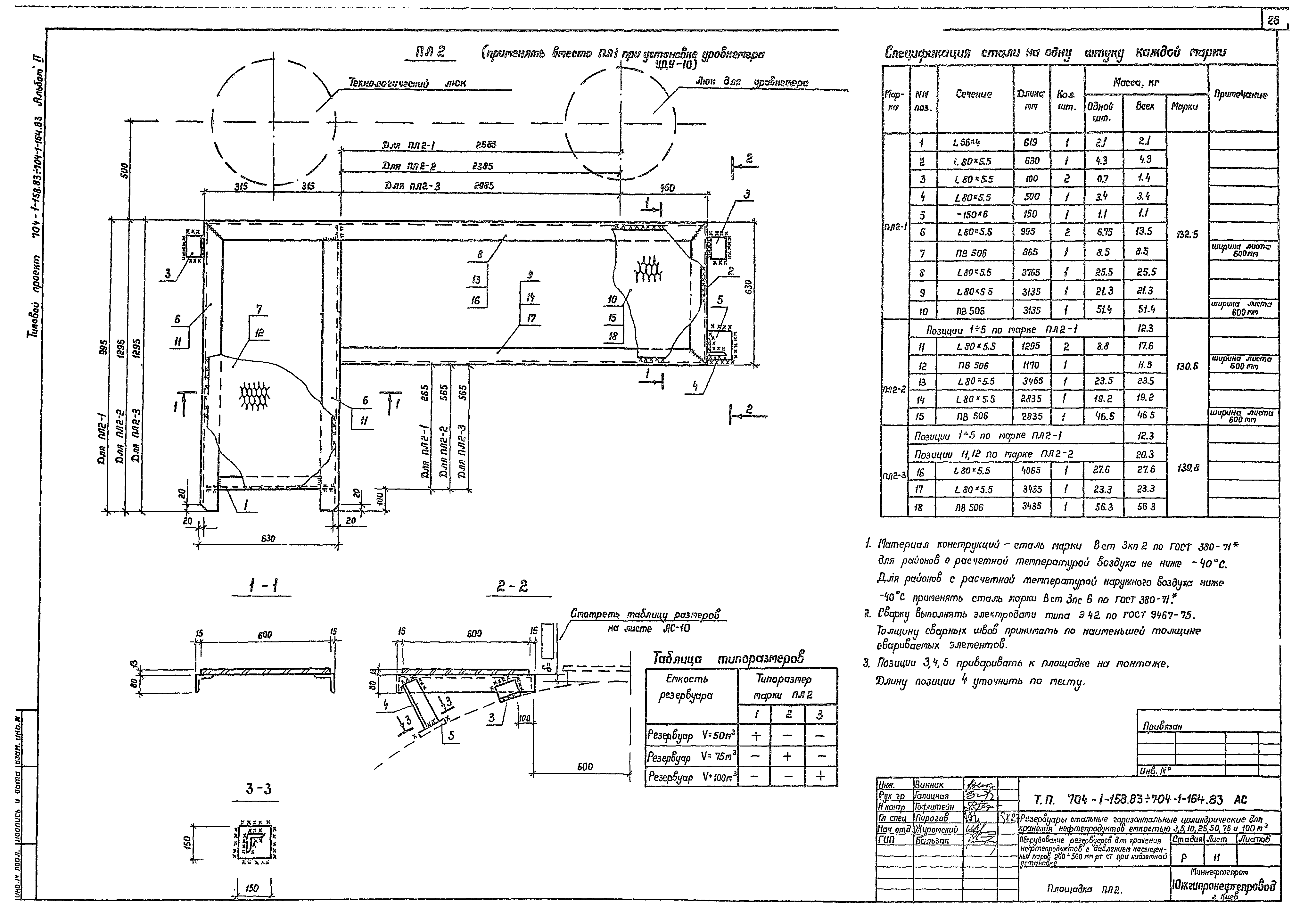
   Площадка ПЛ2
   Схема расположения площадок верхнего яруса. Узлы №5, 6, 7
   Монтажные узлы
Часть КИП и автоматики
   Общие данные. Функциональная схема автоматики
   Установка уровнемера
Разработан: Южгипронефтепровод Миннефтепрома СССР
Утверждён:10.12.1982 Миннефтепром (Minnefteprom )
Расположен в:Техническая документация Строительство Справочные документы Типовые строительные конструкции, изделия и узлы Общероссийский строительный каталог Промышленные предприятия, здания и сооружения Предприятия, здания и сооружения складские Резервуары и склады для нефти и нефтепродуктов Резервуары стальные для нефти и нефтепродуктов
Типовой проект 704-1-162.83Типовой проект 704-1-162.83Типовой проект 704-1-162.83Типовой проект 704-1-162.83Типовой проект 704-1-162.83Типовой проект 704-1-162.83Типовой проект 704-1-162.83Типовой проект 704-1-162.83Типовой проект 704-1-162.83Типовой проект 704-1-162.83Типовой проект 704-1-162.83Типовой проект 704-1-162.83Типовой проект 704-1-162.83Типовой проект 704-1-162.83Типовой проект 704-1-162.83Типовой проект 704-1-162.83Типовой проект 704-1-162.83Типовой проект 704-1-162.83Типовой проект 704-1-162.83Типовой проект 704-1-162.83Типовой проект 704-1-162.83Типовой проект 704-1-162.83Типовой проект 704-1-162.83Типовой проект 704-1-162.83Типовой проект 704-1-162.83Типовой проект 704-1-162.83Типовой проект 704-1-162.83Типовой проект 704-1-162.83Типовой проект 704-1-162.83Типовой проект 704-1-162.83

© 2013 Ёшкин Кот :-) Карта сайта