| ||||||||||||||||||||||||||
Скачать Серия 3.903 КЛ-13 Выпуск 1-3. Теплоснабжение. Сборные железобетонные камеры на тепловых сетяхДата актуализации: 10.08.2017
|
| Обозначение: | Серия 3.903 КЛ-13 |
| Обозначение англ: | Series 3.903 КЛ-13 |
| Статус: | не действует |
| Название рус.: | Выпуск 1-3. Теплоснабжение. Сборные железобетонные камеры на тепловых сетях |
| Дата добавления в базу: | 01.09.2013 |
| Дата актуализации: | 05.05.2017 |
| Область применения: | В выпуске 1-3 разработаны рабочие чертежи сборных железобетонных камер на тепловых сетях и изделий, из которых собираются камеры |
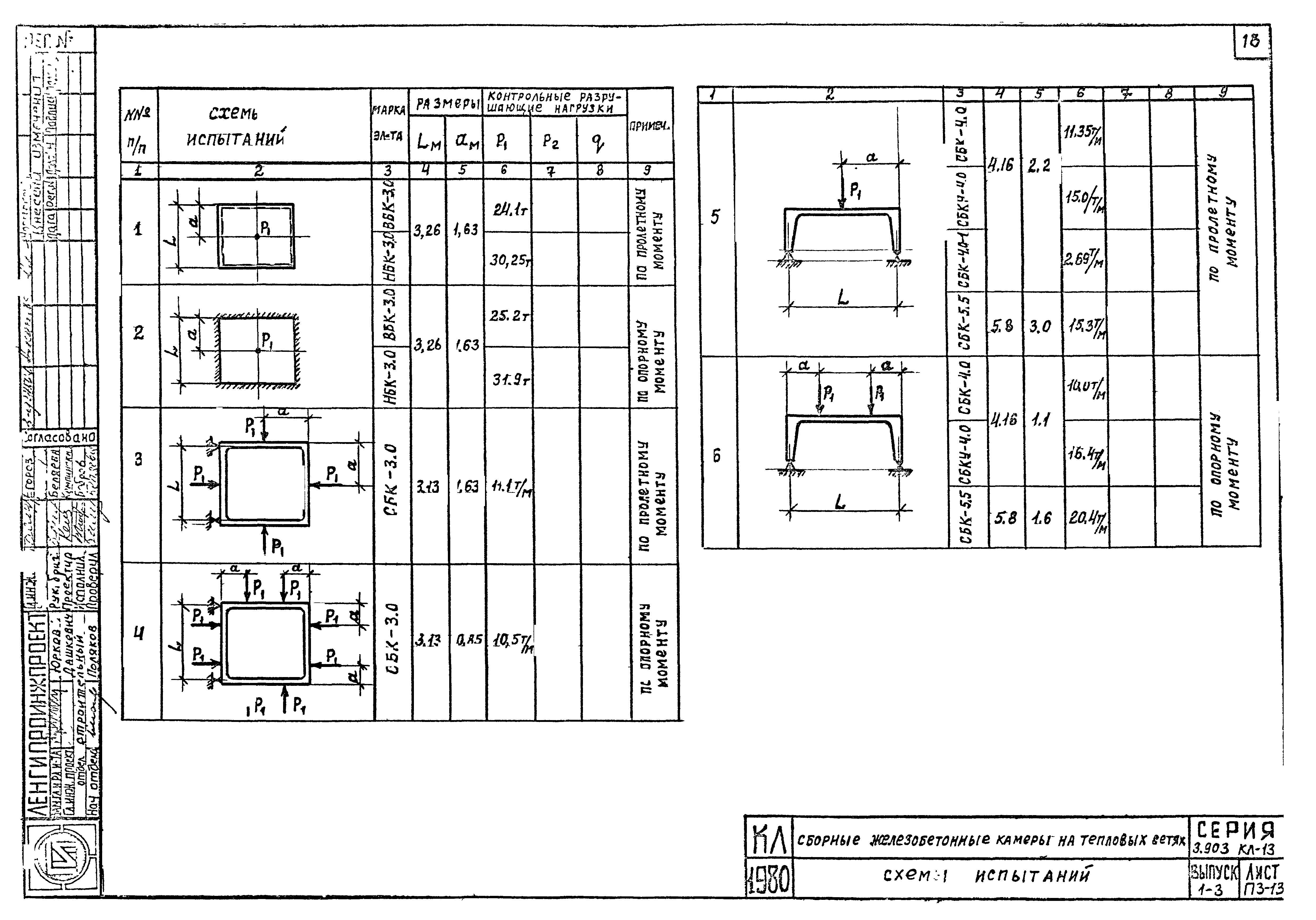
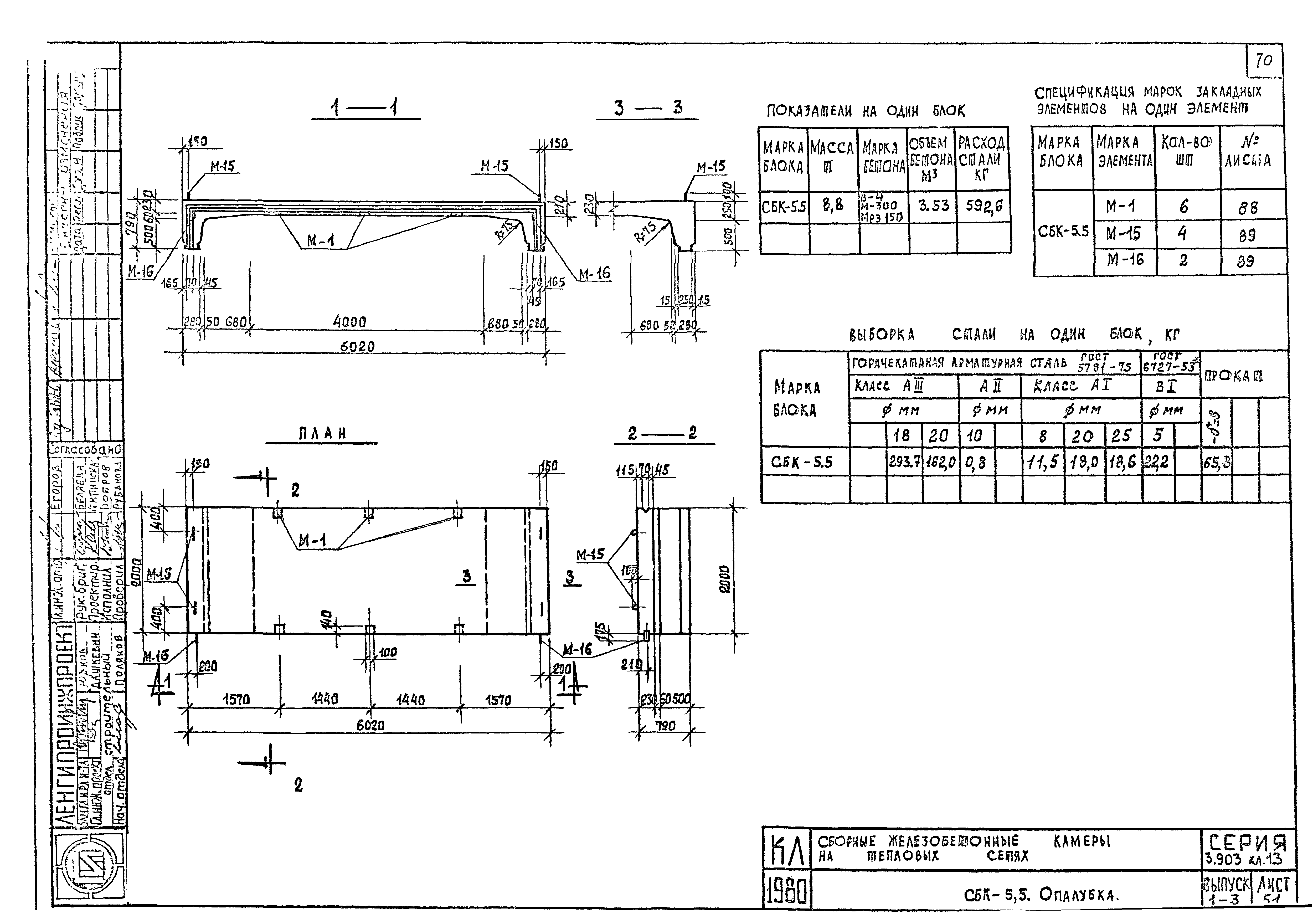
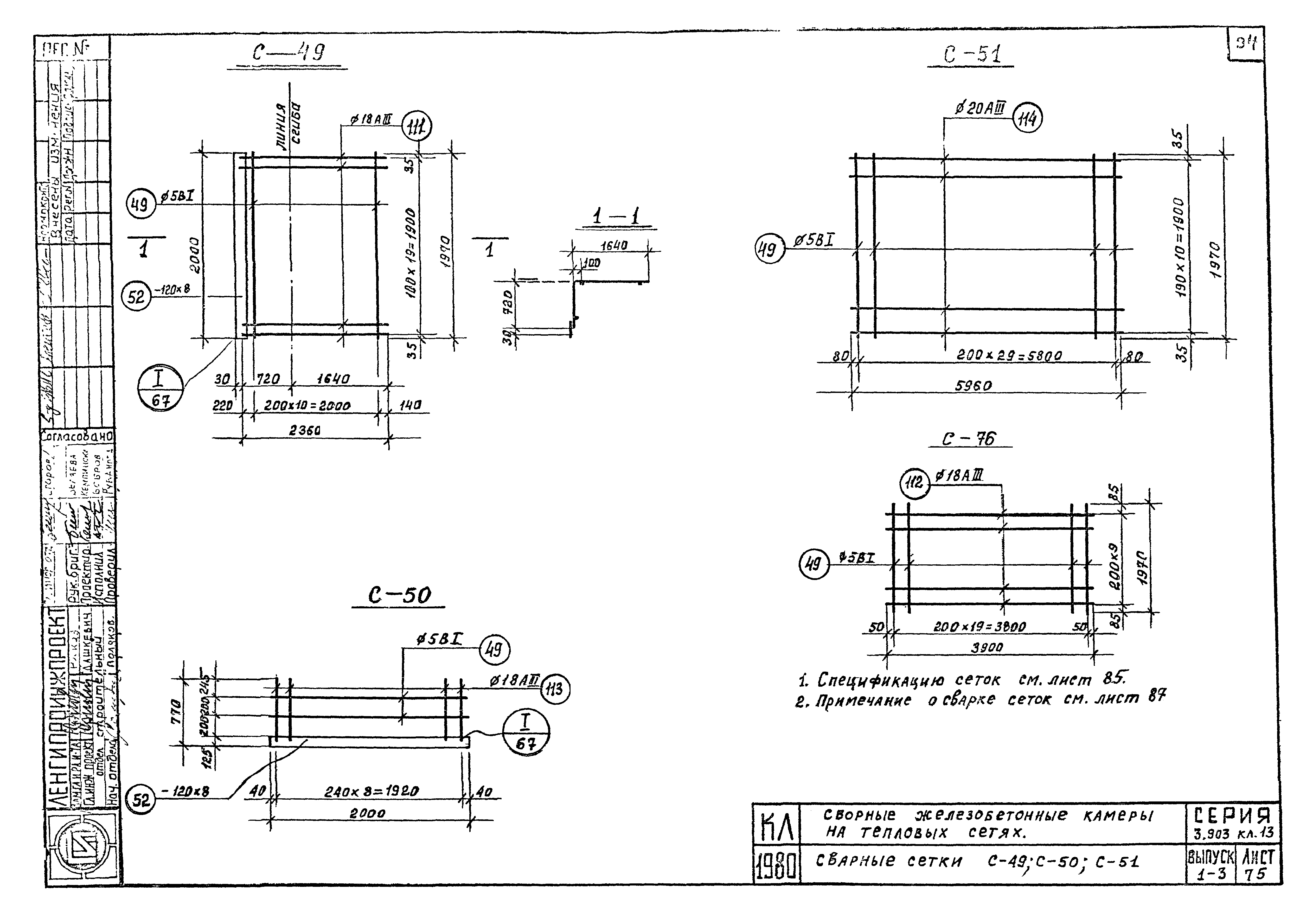
| Оглавление: | Содержание Пояснительная записка Камера 3,0х3,0х2.0 м Камера 3,0х3,0х3,4 м Камера 2,5х4,0х2,0 м Камера 2,5х4,0х4,0 м Камера с плоской плитой покрытия 2,5х4,0х2,0 м Камера 4,0х4,0х2,0 м Камера 4,0х4,0х4,0 м Камера 4,0х5,5х2,0 м Камера 4,0х5,5х4,0 м Камера 4,0х7,0х2,0 м Камера 4,0х7,0х4,0 м Камера 5,5х5,5х2,0 м Камера 5,5х7,0х2,0 м Узлы 1 - 5, 5а, 2а. Спецификация Узлы 6 - 9 Узлы 10 - 13 НБК-3,0. Опалубка НБК-3,0. Армирование СБК-3,0. Опалубка СБК-3,0. Армирование СБК-3,0/2 800х1600. Опалубка СБК-3,0/2 800х1600. Армирование ВБК-3,0. Опалубка ВБК-3,0. Армирование НБК-4,0. Опалубка НБК-4,0-3. Опалубка НБК-4,0. НБК-4,0-3. Армирование НБК-4,0-1. Опалубка НБК-4,0-1. Армирование НБК-4,0-2. Опалубка НБК-4,0-2. Армирование СБК-4,0А. СБК-4,0; СБКУ-4,0. Опалубка СБК-4,0А. СБК-4,0. Армирование СБКУ-4,0. Армирование СБК-4,0А/ 2500х800; СБК-4,0/ 2500х800; СБКУ-4,0/ 2500х800. Опалубка СБК-4,0А/ 2500х800; СБК-4,0/ 2500х800. Армирование СБКУ-4,0/ 2500х800. Армирование СБК-4,0-1. Опалубка СБК-4,0-1. Армирование СБК-4,0-1/ 2500х800. Опалубка СБК-4,0-1/ 2500х800. Армирование ВБК-4,0-1. Опалубка ВБК-4,0-1. Армирование ВБК-4,0/ 900х600. Опалубка ВБК-4,0/ 900х600. Армирование НБК-5,5-1. Опалубка НБК-5,5-1. Армирование НБК-5,5-2. Опалубка НБК-5,5-2. Армирование СБК-5,5. Опалубка СБК-5,5. Армирование ВБК-5,5. Опалубка ВБК-5,5. Армирование ВБК-5,5/ 900х600. Опалубка ВБК-5,5/ 900х600. Армирование СПК-2,5. Опалубка и армирование СПК-4,0. Опалубка и армирование СПК-5,5. Опалубка и армирование СПК-7,0. Опалубка и армирование ВПК-4,0. Опалубка и армирование Сварные сетки С-1 - С-3, К-1 Сварные сетки С-4 - С-7 Сварные сетки С-8 - С-12 Сварные сетки С-13 - С-16 Сварные сетки С-17 - С-22 Сварные сетки С-23 - С-25 Сварные сетки С-26 - С-28 Сварные сетки С-29 - С-31 Сварные сетки С-32 - С-34 Сварные сетки С-35 - С-37 Сварные сетки С-38 - С-41 Сварные сетки С-42 - С-44, К-2 Сварные сетки С-45 - С-48 Сварные сетки С-49 - С-51 Сварные сетки С-52 - С-55 Сварные сетки С-56 - С-59 Сварные сетки С-60 - С-63 Сварные сетки С-64 - С-66 Сварные сетки С-67 - С-69, К-3 Спецификация сеток С-1 - С-16, К-1 Спецификация сеток С-17 - С-27 Спецификация сеток С-28 - С-37 Спецификация сеток С-38 - С-48, К-2 Спецификация сеток С-49 - С-61 Спецификация сеток С-62 - С-69, К-3 Отдельные позиции Закладные детали М-1 - М-5 Закладные детали М-6 - М-16 и накладные детали Лестницы металлические Л-1, Л-3 Лестницы металлические Л-2, Л-4 Лестницы металлические Л-5тн, Л-6тн |
| Разработан: | Ленгипроинжпроект Ленгорисполкома |
| Утверждён: | 20.12.1980 Ленгипроинжпроект (Lengiproinzhproject 229-КЛ) |
| Расположен в: |













































































































