| ||||||||||||||||||||||||||||||
Скачать Серия 1.090.1-2с Выпуск 2-2. Панели наружных стен однослойные для зданий с высотой этажа 3,3 м. Пространственные каркасы. Рабочие чертежиДата актуализации: 10.08.2017
|
| Обозначение: | Серия 1.090.1-2с |
| Обозначение англ: | Series 1.090.1-2с |
| Статус: | не действует |
| Название рус.: | Выпуск 2-2. Панели наружных стен однослойные для зданий с высотой этажа 3,3 м. Пространственные каркасы. Рабочие чертежи |
| Дата добавления в базу: | 01.09.2013 |
| Дата актуализации: | 05.05.2017 |
| Дата введения: | 01.01.1985 |
| Дата окончания срока действия: | 01.04.1991 |
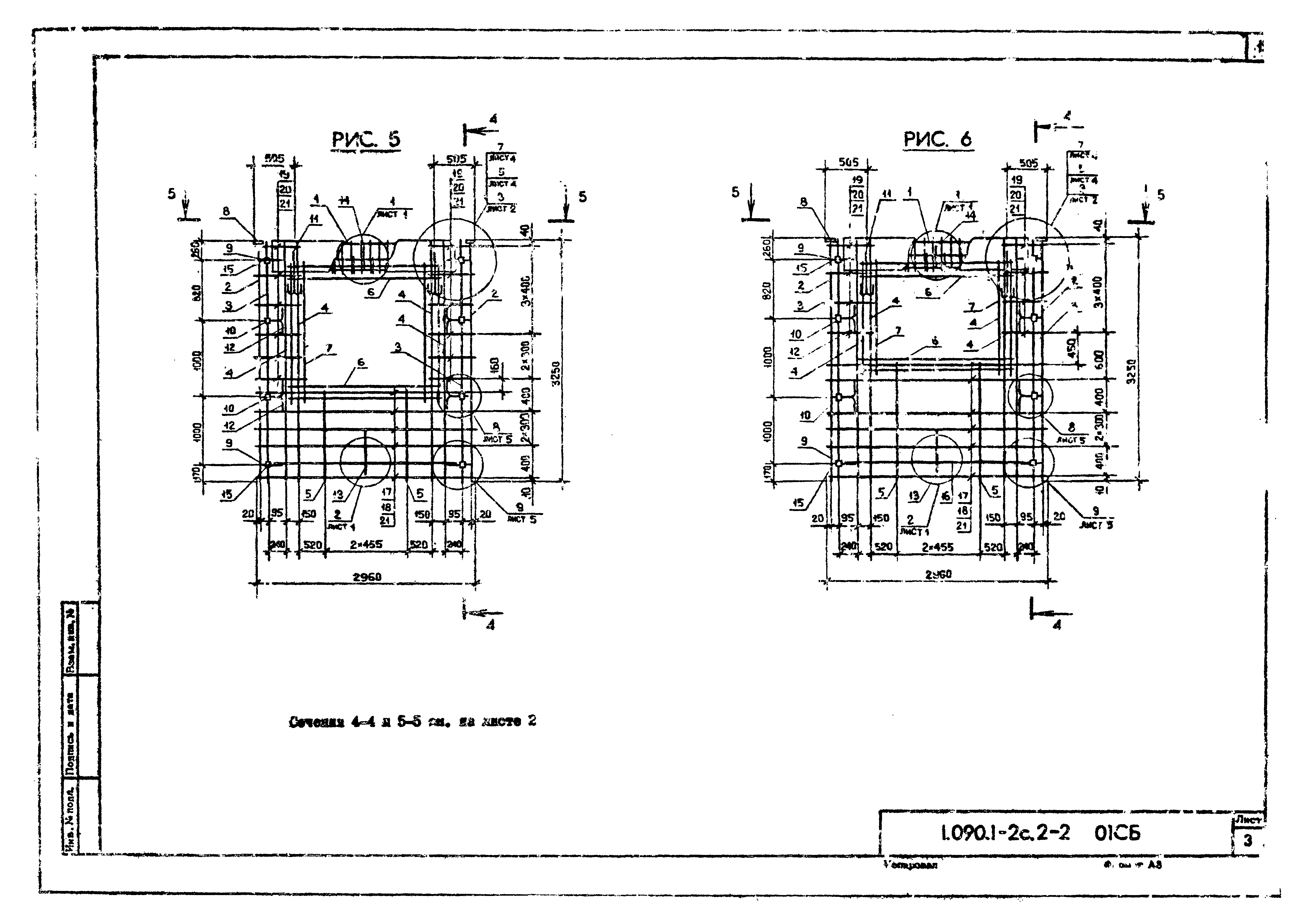
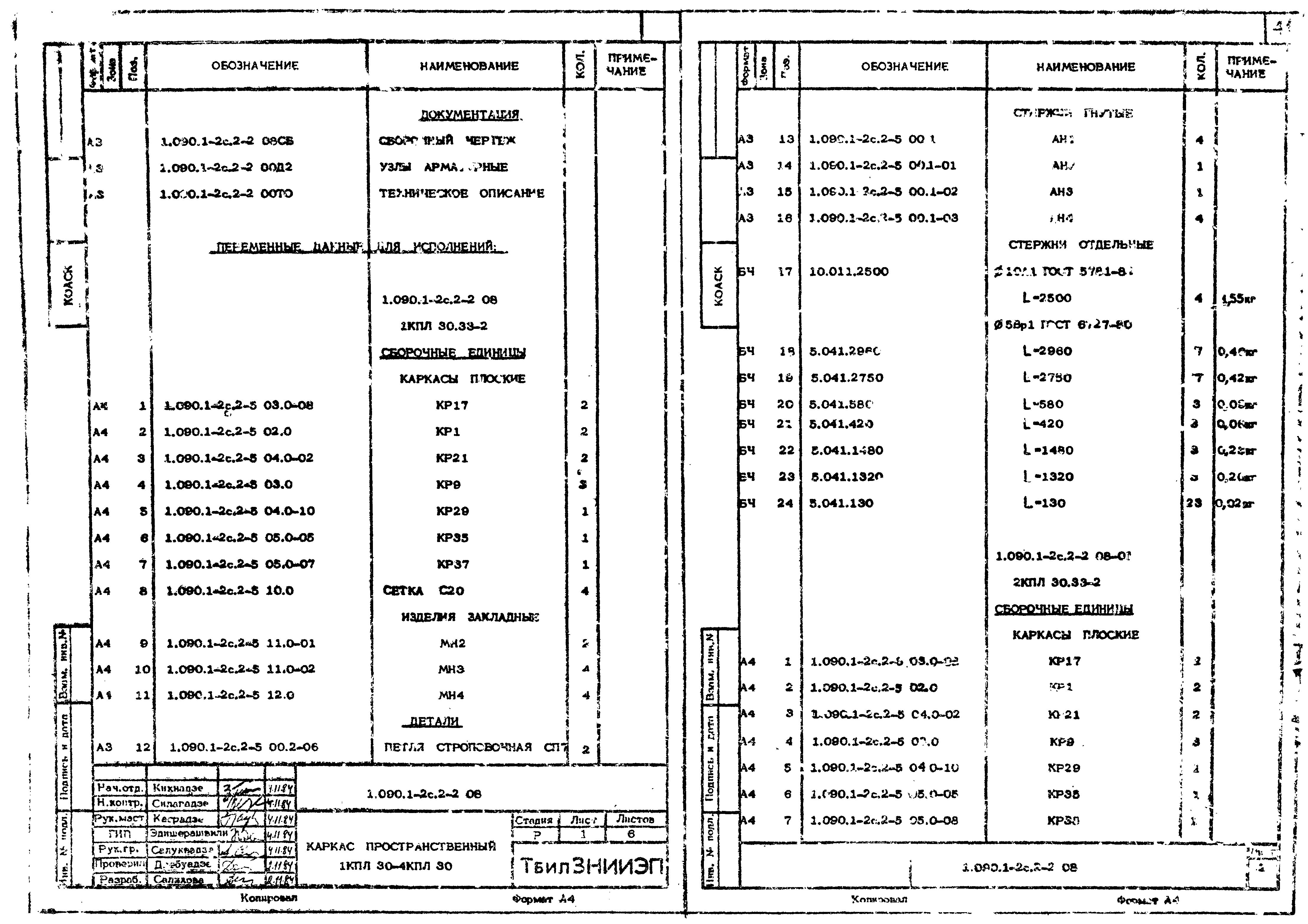
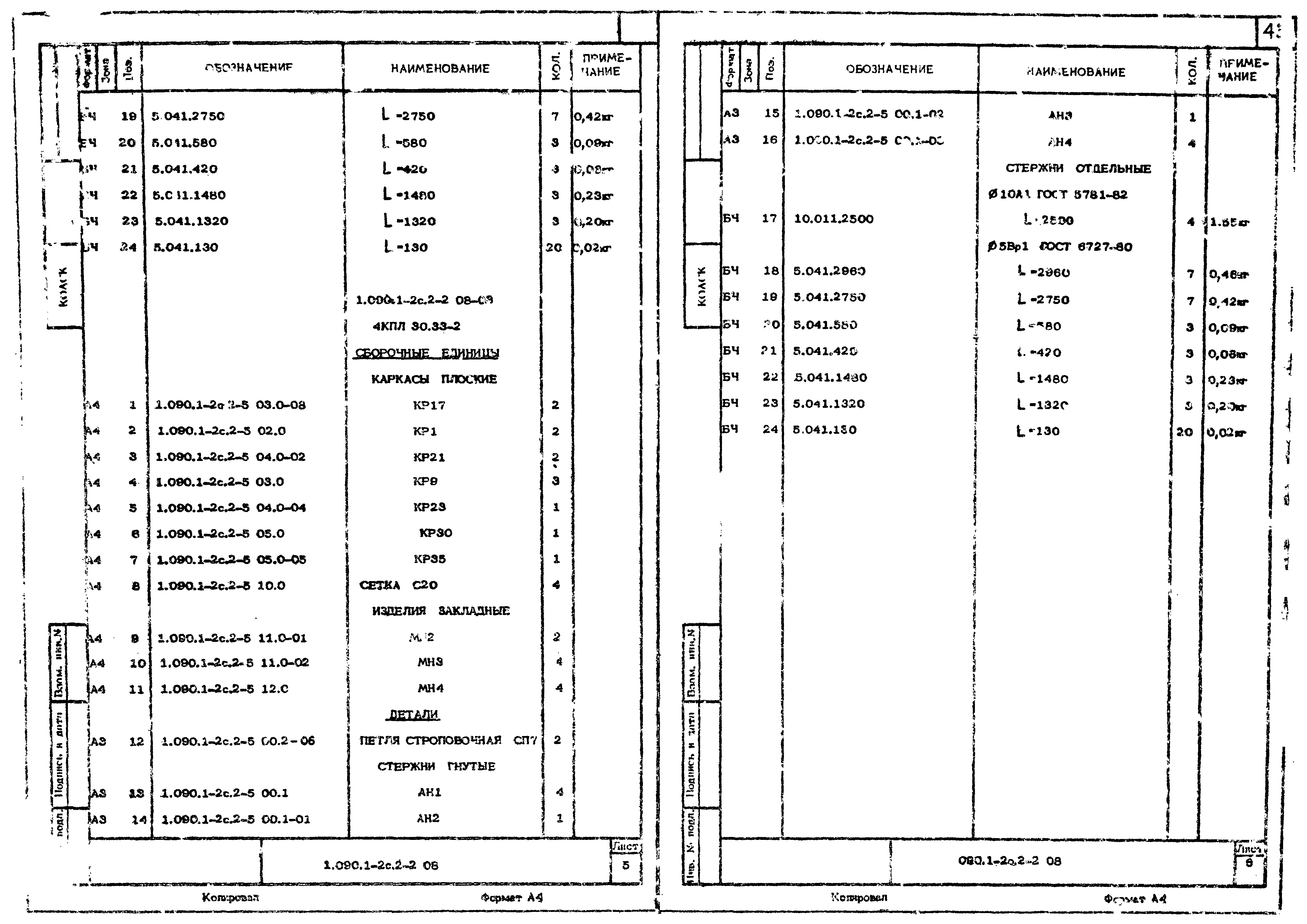
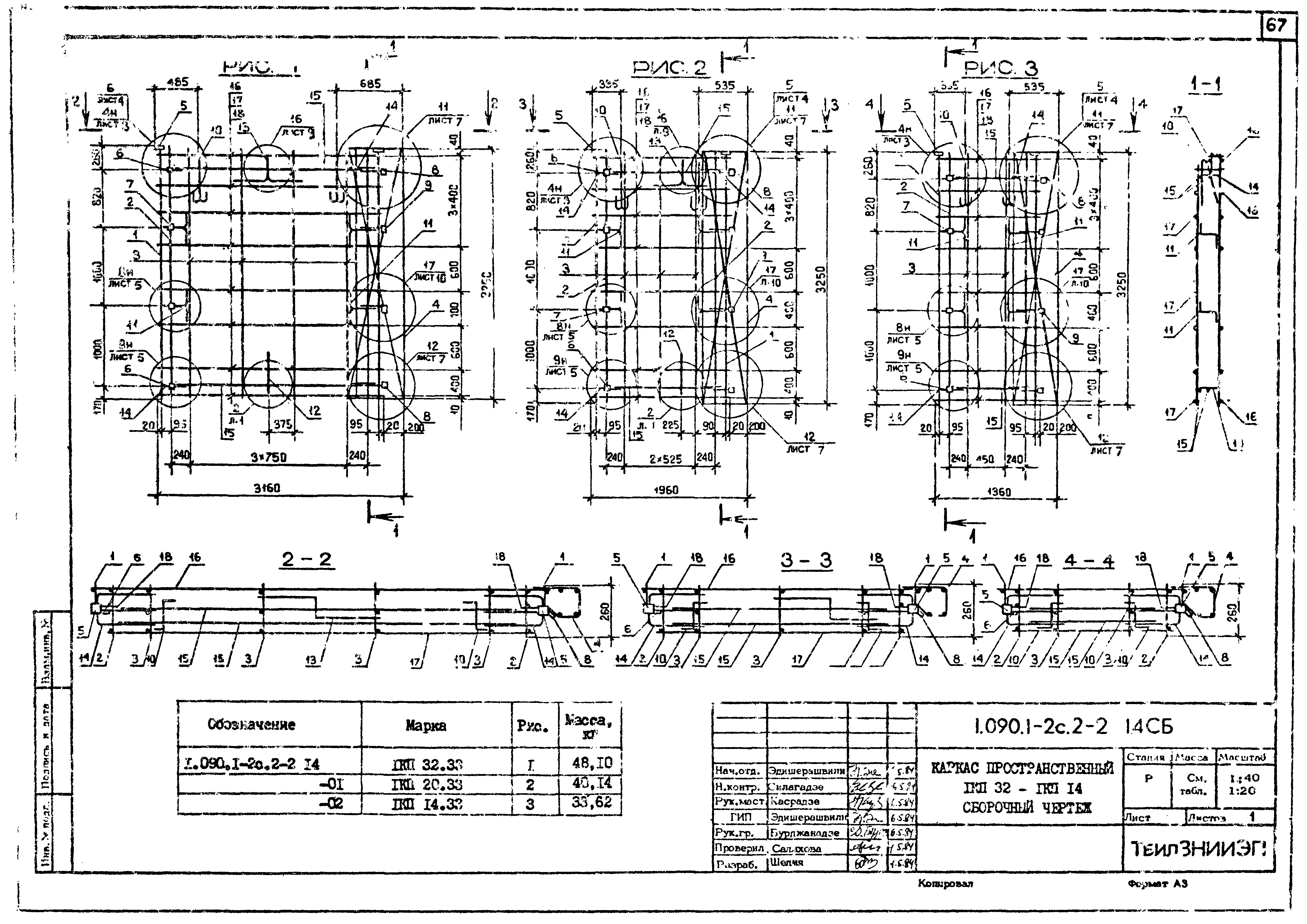
| Оглавление: | 1.090.1-2с.2-2 00ТО Техническое описание 1.090.1-2с.2-2 01 Каркас пространственный 1КПО30-6КПО30 1.090.1-2с.2-2 02 Каркас пространственный 7КПО30-9КПО30 1.090.1-2с.2-2 03 Каркас пространственный 1КПО32-2КПО32 1.090.1-2с.2-2 04 Каркас пространственный 1КПО60-2КПО60 1.090.1-2с.2-2 05 Каркас пространственный 3КПО60-4КПО60 1.090.1-2с.2-2 06 Каркас пространственный 1КПБ30-2КПО30 1.090.1-2с.2-2 07 Каркас пространственный КПД30 1.090.1-2с.2-2 08 Каркас пространственный КПД30-4КПЛ30 1.090.1-2с.2-2 09 Каркас пространственный 5КПД30-8КПЛ30 1.090.1-2с.2-2 10 Каркас пространственный 1КПД30-3КПД30 1.090.1-2с.2-2 11 Каркас пространственный 4КПД30-КПД30 1.090.1-2с.2-2 12 Каркас пространственный КП30, КП24 1.090.1-2с.2-2 13 Каркас пространственный КП18, КП12, КП30 1.090.1-2с.2-2 14 Каркас пространственный КП32-1КП14 1.090.1-2с.2-2 15 Каркас пространственный 2КП32-2КП14 1.090.1-2с.2-2 16 Каркас пространственный КПА30 1.090.1-2с.2-2 17 Каркас пространственный КПП60-КПП12 1.090.1-2с.2-2 18 Каркас пространственный 1КПП32-2КПП32 1.090.1-2с.2-2 19 Каркас пространственный 1КПП20-2КПП14 1.090.1-2с.2-2 00Д2 Узлы арматурные |
| Разработан: | ТбилЗНИИЭП |
| Утверждён: | 01.11.1984 Госстрой СССР (Государственный комитет Совета Министров СССР по делам строительства) (USSR Gosstroy ИИ-31) |
| Расположен в: | |
| Чем заменён: |


































































































