| 
 | ||||||||||||||||||||||||||
| 
 Скачать Альбом ИЖ 1.1-1 Часть 1. Рабочая документация. Наружные стеновые панели 3-х слойные с гибкими связямиДата актуализации: 10.08.2017
 | 
| Обозначение: |  Альбом ИЖ 1.1-1 | 
| Обозначение англ: |  ИЖ 1.1-1 | 
| Статус: | не определен законодательством | 
| Название рус.: | Часть 1. Рабочая документация. Наружные стеновые панели 3-х слойные с гибкими связями | 
| Дата добавления в базу: | 01.09.2013 | 
| Дата актуализации: | 05.05.2017 | 
| Дата введения: | 18.12.2002 | 
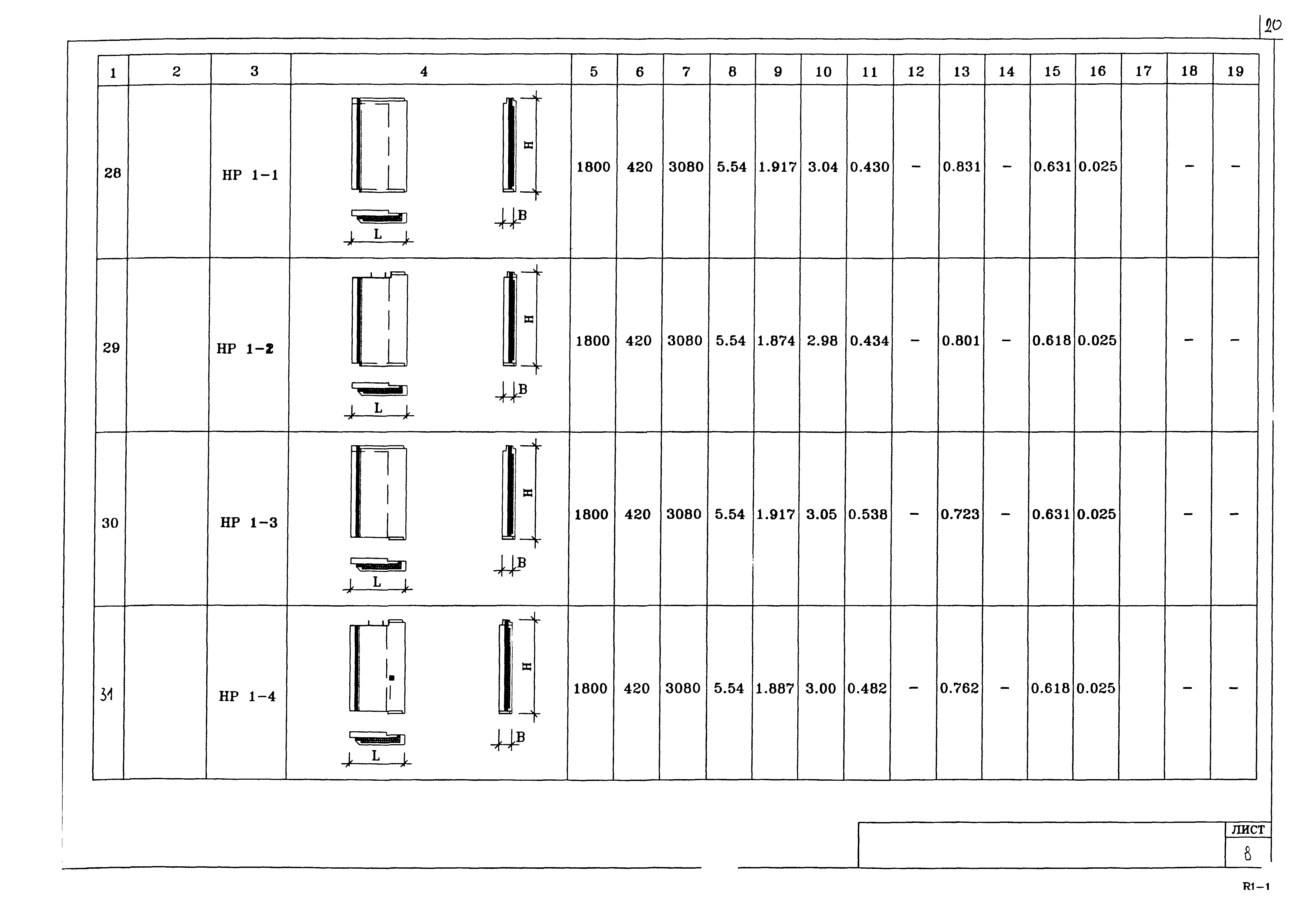
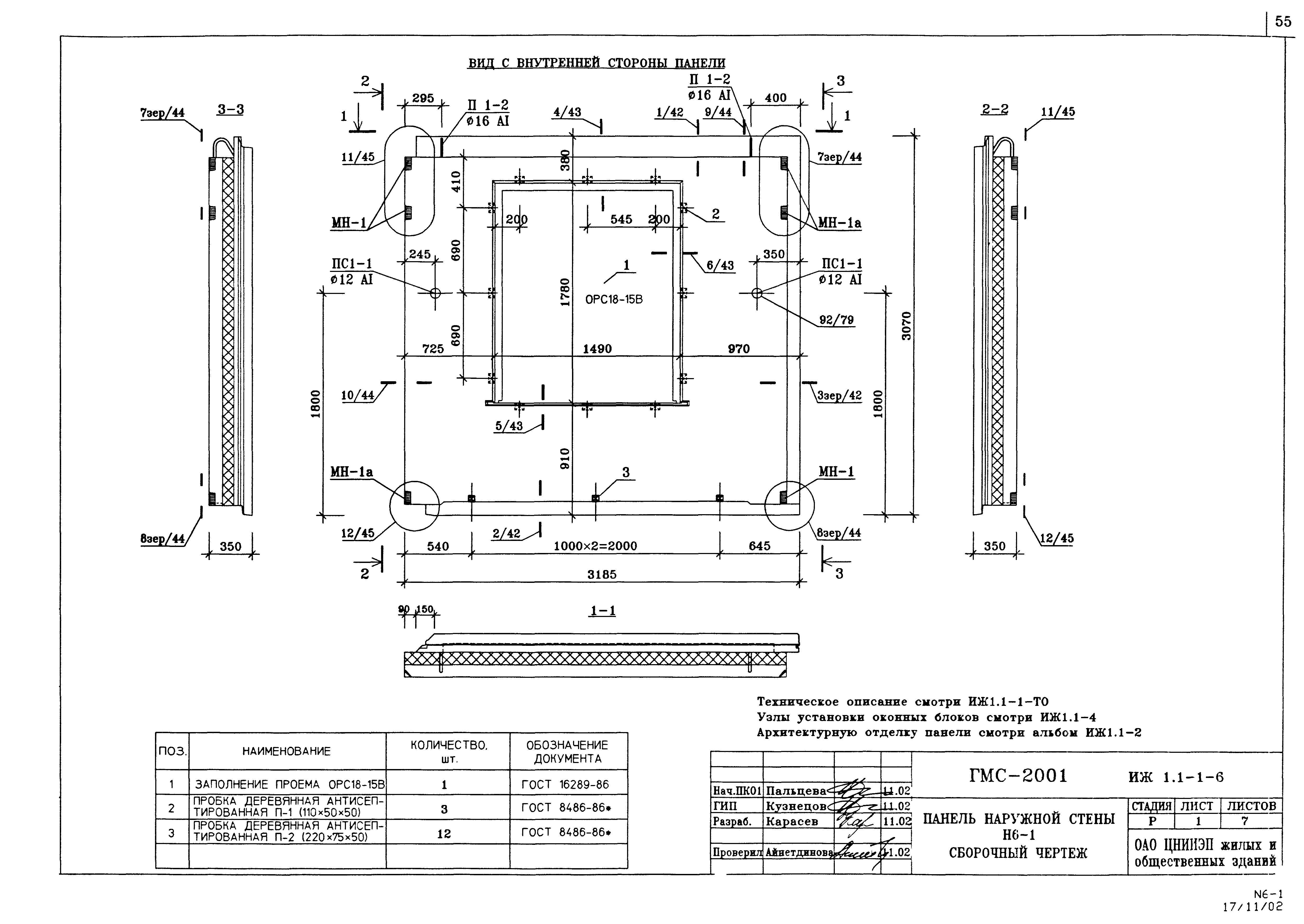
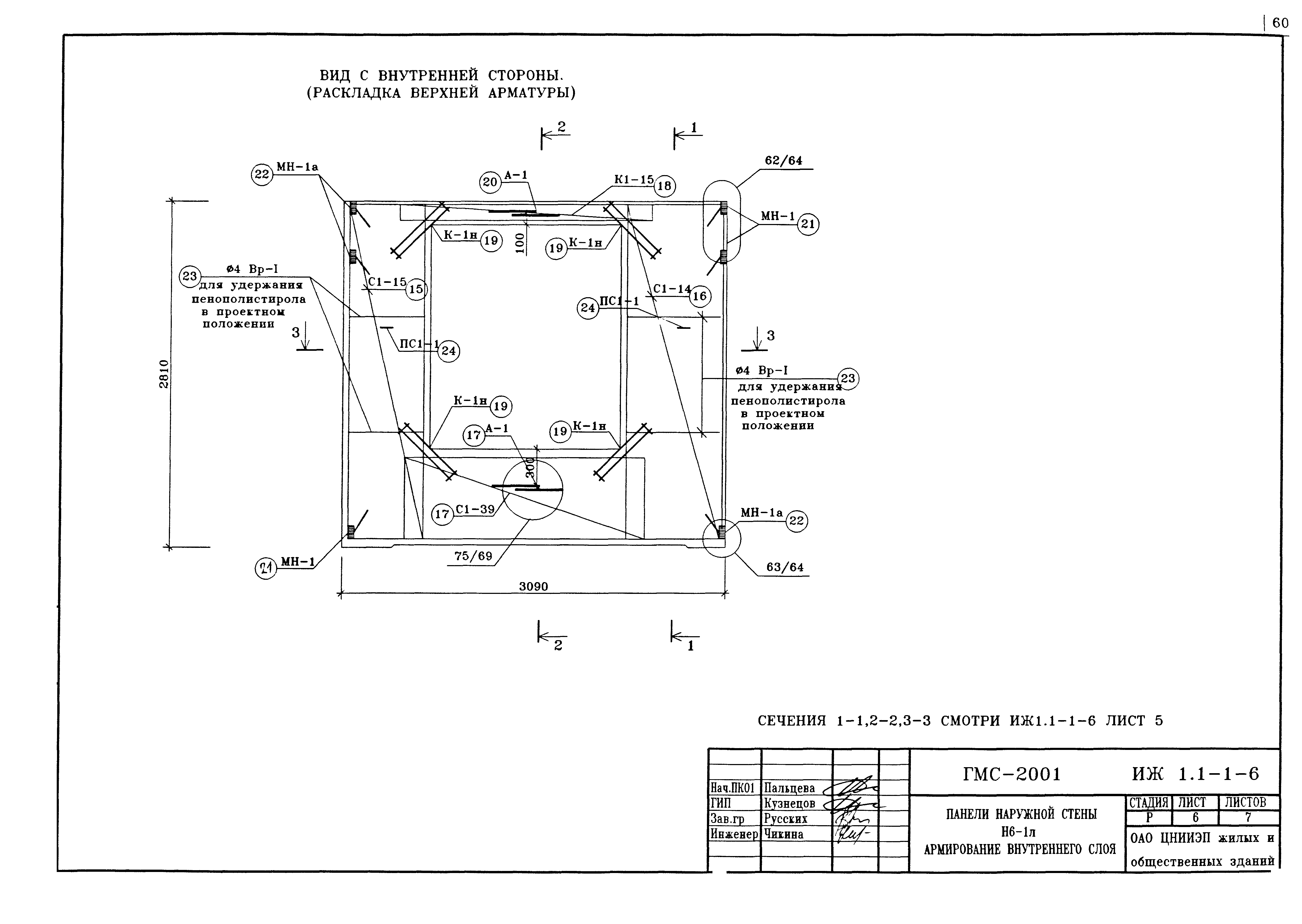
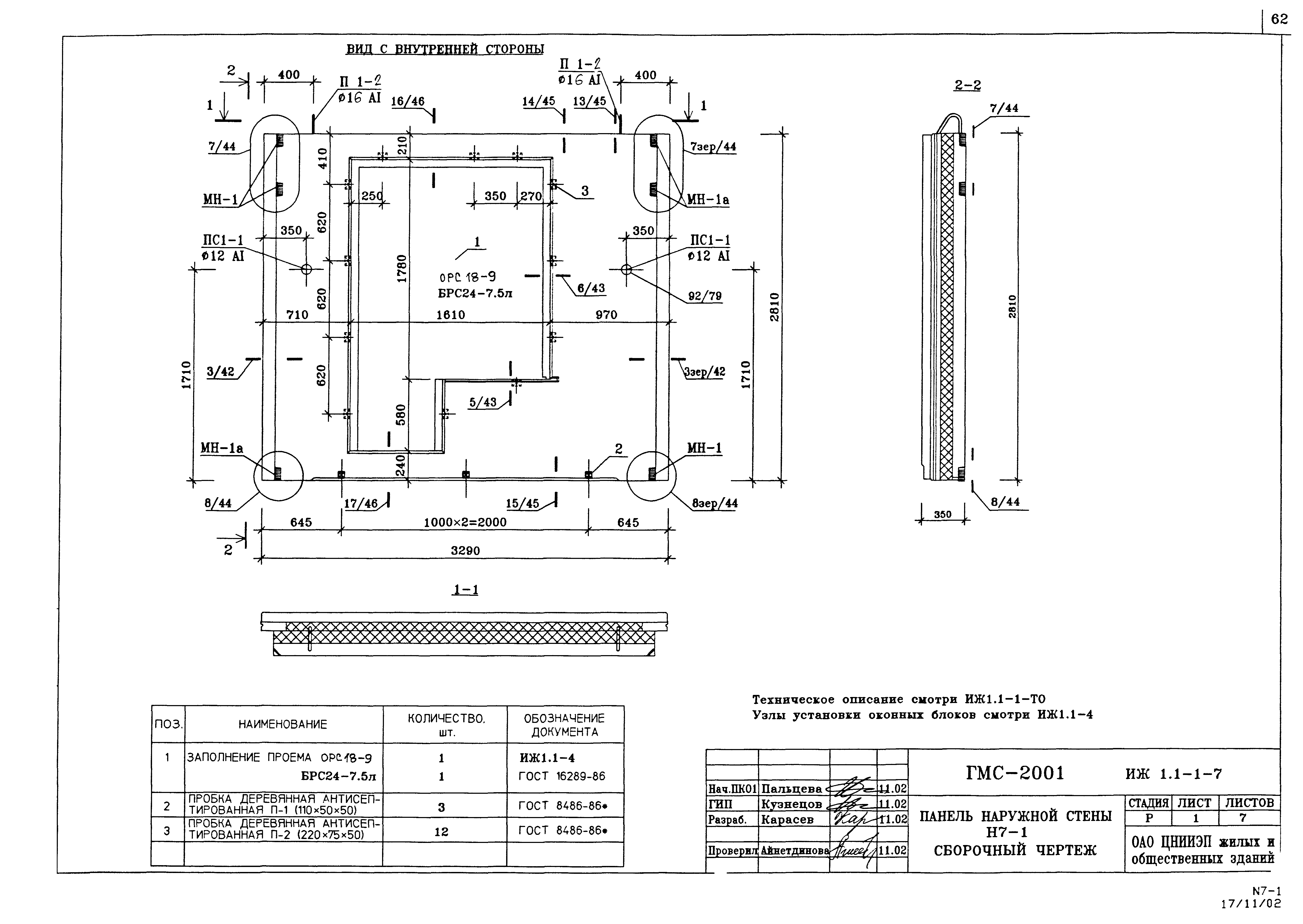
| Оглавление: | ГМС-2001ИЖ1.1-1 Содержание, часть 1. ГМС-2001ИЖ1.1-1-ТО Техническое описание ГМС-2001ИЖ1.1-1-Н Номенклатура ГМС-2001ИЖ1.1-1-1 Панель наружной стены Н1-1 Сборочный чертеж. ГМС-2001ИЖ1.1-1-1 Панель наружной стены Н1-1 Армирование наружного слоя. ГМС-2001ИЖ1.1-1-1 Панель наружной стены Н1-1 Армирование внутреннего слоя. ГМС-2001ИЖ1.1-1-1 Панель наружной стены Н1-1 Ведомость расхода стали. ГМС-2001ИЖ1.1-1-2 Панель наружной стены Н2-1 Сборочный чертеж. ГМС-2001ИЖ1.1-1-2 Панель наружной стены Н2-1 Армирование наружного слоя. ГМС-2001ИЖ1.1-1-2 Панель наружной стены Н2-1 Армирование внутреннего слоя. ГМС-2001ИЖ1.1-1-2 Панель наружной стены Н2-1 Ведомость расхода стали. ГМС-2001ИЖ1.1-1-3 Панель наружной стены Н3-1 Сборочный чертеж. ГМС-2001ИЖ1.1-1-3 Панель наружной стены Н3-1 Армирование наружного слоя. ГМС-2001ИЖ1.1-1-3 Панель наружной стены Н3-1 Армирование внутреннего слоя. ГМС-2001ИЖ1.1-1-3 Панель наружной стены Н3-1л Сборочный чертеж. ГМС-2001ИЖ1.1-1-3 Панель наружной стены Н3-1л Армирование наружного слоя. ГМС-2001ИЖ1.1-1-3 Панель наружной стены Н3-1л Армирование внутреннего слоя. ГМС-2001ИЖ1.1-1-3 Панель наружной стены Н3-1,Н3-1 л. Ведомость расхода стали. ГМС-2001ИЖ1.1-1-4 Панель наружной стены Н4-1 Сборочный чертеж. ГМС-2001ИЖ1.1-1-4 Панель наружной стены Н4-1 Армирование наружного слоя. ГМС-2001ИЖ1.1-1-4 Панель наружной стены Н4-1 Армирование внутреннего слоя. ГМС-2001ИЖ1.1-1-4 Панель наружной стены Н4-1л Сборочный чертеж. ГМС-2001ИЖ1.1-1-4 Панель наружной стены Н4-1л Армирование наружного слоя. ГМС-2001ИЖ1.1-1-4 Панель наружной стены Н4-1л Армирование внутреннего слоя. ГМС-2001ИЖ1.1-1-4 Панель наружной стены Н4-1,Н4-1л. Ведомость расхода стали. ГМС-2001ИЖ1.1-1-5 Панель наружной стены Н5-1 Сборочный чертеж. ГМС-2001ИЖ1.1-1-5 Панель наружной стены Н5-1 Армирование наружного слоя. ГМС-2001ИЖ1.1-1-5 Панель наружной стены Н5-1 Армирование внутреннего слоя. ГМС-2001ИЖ1.1-1-5 Панель наружной стены Н5-1л Сборочный чертеж. ГМС-2001ИЖ1.1-1-5 Панель наружной стены Н5-1л Армирование наружного слоя. ГМС-2001ИЖ1.1-1-5 Панель наружной стены Н5-1л Армирование внутреннего слоя. ГМС-2001ИЖ1.1-1-5 Панель наружной стены Н5-1,Н5-1л. Ведомость расхода стали. ГМС-2001ИЖ1.1-1-6 Панель наружной стены Н6-1 Сборочный чертеж. ГМС-2001ИЖ1.1-1-6 Панель наружной стены Н6-1 Армирование наружного слоя. ГМС-2001ИЖ1.1-1-6 Панель наружной стены Н6-1 Армирование внутреннего слоя. ГМС-2001ИЖ1.1-1-6 Панель наружной стены Н6-1л Сборочный чертеж. ГМС-2001ИЖ1.1-1-6 Панель наружной стены Н6-1 л Армирование наружного слоя. ГМС-2001ИЖ1.1-1-6 Панель наружной стены Н6-1л Армирование внутреннего слоя. ГМС-2001ИЖ1.1-1-6 Панель наружной стены Н6-1,Нб-1 л. Ведомость расхода стали. ГМС-2001ИЖ1.1-1-7 Панель наружной стены Н7-1 Сборочный чертеж. ГМС-2001ИЖ1.1-1-7 Панель наружной стены Н7-1 Армирование наружного слоя. ГМС-2001ИЖ1.1-1-7 Панель наружной стены Н7-1 Армирование внутреннего слоя. ГМС-2001ИЖ1.1-1-7 Панель наружной стены Н7-1л Сборочный чертеж. ГМС-2001ИЖ1.1-1-7 Панель наружной стены Н7-1л Армирование наружного слоя ГМС-2001ИЖ1.1-1-7 Панель наружной стены Н7-1л Армирование внутреннего слоя. ГМС-2001ИЖ1.1-1-7 Панель наружной стены Н7-1,Н7-1л. Ведомость расхода стали. ГМС-2001ИЖ1.1-1-8 Панель наружной стены Н7-2 Сборочный чертеж. ГМС-2001ИЖ1.1-1-8 Панель наружной стены Н7-2 Армирование наружного слоя. ГМС-2001ИЖ1.1-1-8 Панель наружной стены Н7-2 Армирование внутреннего слоя. ГМС-2001ИЖ1.1-1-8 Панель наружной стены Н7-2л Сборочный чертеж. ГМС-2001ИЖ1.1-1-8 Панель наружной стены Н7-2л Армирование наружного слоя. ГМС-2001ИЖ1.1-1-8 Панель наружной стены Н7-2л Армирование внутреннего слоя. ГМС-2001ИЖ1.1-1-8 Панель наружной стены Н7-2,Н7-2л. Ведомость расхода стали. ГМС-2001ИЖ1.1-1-9 Панель наружной стены Н8-1 Сборочный чертеж. ГМС-2001ИЖ1.1-1-9 Панель наружной стены Н8-1 Армирование наружного слоя. ГМС-2001ИЖ1.1-1-9 Панель наружной стены Н8-1 Армирование внутреннего слоя. ГМС-2001ИЖ1.1-1-9 Панель наружной стены Н8-1л Сборочный чертеж. ГМС-2001ИЖ1.1-1-9 Панель наружной стены Н8-1л Армирование наружного слоя. ГМС-2001ИЖ1.1-1-9 Панель наружной стены Н8-1л Армирование внутреннего слоя. ГМС-2001ИЖ1.1-1-9 Панель наружной стены Н8-1,Н8-1л. Ведомость расхода стали. ГМС-2001ИЖ1.1-1-10 Панель наружной стены Н8-2 Сборочный чертеж. ГМС-2001ИЖ1.1-1-10 Панель наружной стены Н8-2 Армирование наружного слоя. ГМС-2001ИЖ1.1-1-10 Панель наружной стены Н8-2 Армирование внутреннего слоя. ГМС-2001ИЖ1.1-1-10 Панель наружной стены Н8-2л Сборочный чертеж. ГМС-2001ИЖ1.1-1-10 Панель наружной стены Н8-2л Армирование наружного слоя. ГМС-2001ИЖ1.1-1-10 Панель наружной стены Н8-2л Армирование внутреннего слоя. ГМС-2001ИЖ1.1-1-10 Панель наружной стены Н8-2,Н8-2л. Ведомость расхода стали. ГМС-2001ИЖ1.1-1-11 Панель наружной стены Н8-3 Сборочный чертеж. ГМС-2001ИЖ1.1-1-11 Панель наружной стены Н8-3 Армирование наружного слоя. ГМС-2001ИЖ1.1-1-11 Панель наружной стены Н8-3 Армирование внутреннего слоя. ГМС-2001ИЖ1.1-1-11 Панель наружной стены Н8-3л Сборочный чертеж. ГМС-2001ИЖ1.1-1-11 Панель наружной стены Н8-3л Армирование наружного слоя. ГМС-2001ИЖ1.1-1-11 Панель наружной стены Н8-3л Армирование внутреннего слоя. ГМС-2001ИЖ1.1-1-11 Панель наружной стены Н8-3,Н8-3л. Ведомость расхода стали. ГМС-2001ИЖ1.1-1-12 Панель наружной стены Н9-1 Сборочный чертеж. ГМС-2001ИЖ1.1-1-12 Панель наружной стены Н9-1 Армирование наружного слоя. ГМС-2001ИЖ1.1-1-12 Панель наружной стены Н9-1 Армирование внутреннего слоя. ГМС-2001ИЖ1.1-1-12 Панель наружной стены Н9-1л Сборочный чертеж. ГМС-2001ИЖ1.1-1-12 Панель наружной стены Н9-1л Армирование наружного слоя. ГМС-2001ИЖ1.1-1-12 Панель наружной стены Н9-1л Армирование внутреннего слоя. ГМС-2001ИЖ1.1-1-12 Панель наружной стены Н9-1,Н9-1л. Ведомость расхода стали. ГМС-2001ИЖ1.1-1-13 Панель наружной стены H10-1 Сборочный чертеж. ГМС-2001ИЖ1.1-1-13 Панель наружной стены Н10-1 Армирование наружного слоя. ГМС-2001ИЖ1.1-1-13 Панель наружной стены Н10-1 Армирование внутреннего слоя. ГМС-2001ИЖ1.1-1-13 Панель наружной стены Н10-1л Сборочный чертеж. ГМС-2001ИЖ1.1-1-13 Панель наружной стены H10-1 л Армирование наружного слоя. ГМС-2001ИЖ1.1-1-13 Панель наружной стены Н10-1л Армирование внутреннего слоя. ГМС-2001ИЖ1.1-1-13 Панель наружной стены Н10-1,Н10-1л. Ведомость расхода стали. ГМС-2001ИЖ1.1-1-14 Панель наружной стены H10-2 Сборочный чертеж. ГМС-2001ИЖ1.1-1-14 Панель наружной стены Н10-2 Армирование наружного слоя. ГМС-2001ИЖ1.1-1-14 Панель наружной стены H10-2 Армирование внутреннего слоя. ГМС-2001ИЖ1.1-1-14 Панель наружной стены Н10-2л Сборочный чертеж. ГМС-2001ИЖ1.1-1-14 Панель наружной стены Н10-2л Армирование наружного слоя. ГМС-2001ИЖ1.1-1-14 Панель наружной стены Н10-2л Армирование внутреннего слоя. ГМС-2001ИЖ1.1-1-14 Панель наружной стены Н10-2,Н10-2л. Ведомость расхода стали. ГМС-2001ИЖ1.1-1-15 Панель наружной стены H10-3 Сборочный чертеж. ГМС-2001ИЖ1.1-1-15 Панель наружной стены Н10-3 Армирование наружного слоя. ГМС-2001ИЖ1.1-1-15 Панель наружной стены Н10-3 Армирование внутреннего слоя. ГМС-2001ИЖ1.1-1-15 Панель наружной стены Н10-3 Ведомость расхода стали. ГМС-2001ИЖ1.1-1-16 Панель наружной стены H11-1 Сборочный чертеж. ГМС-2001ИЖ1.1-1-16 Панель наружной стены H11-1 Армирование наружного слоя. ГМС-2001ИЖ1.1-1-16 Панель наружной стены H11-1 Армирование внутреннего слоя. ГМС-2001ИЖ1.1-1-16 Панель наружной стены Н11-1л Сборочный чертеж. ГМС-2001ИЖ1.1-1-16 Панель наружной стены H11-1 л Армирование наружного слоя. ГМС-2001ИЖ1.1-1-16 Панель наружной стены Н11-1л Армирование внутреннего слоя. ГМС-2001ИЖ1.1-1-16 Панель наружной стены Н11-1,Н11-1л. Ведомость расхода стали. ГМС-2001ИЖ1.1-1-17 Панель наружной стены H12-1 Сборочный чертеж. ГМС-2001ИЖ1.1-1-17 Панель наружной стены Н12-1 Армирование наружного слоя. ГМС-2001ИЖ1.1-1-17 Панель наружной стены H12-1 Армирование внутреннего слоя. ГМС-2001ИЖ1.1-1-17 Панель наружной стены H12-1л Сборочный чертеж. ГМС-2001ИЖ1.1-1-17 Панель наружной стены H12-1л Армирование наружного слоя. ГМС-2001ИЖ1.1-1-17 Панель наружной стены H12-1л Армирование внутреннего слоя. ГМС-2001ИЖ1.1-1-17 Панель наружной стены Н12-1,Н12-1л. Ведомость расхода стали. ГМС-2001ИЖ1.1-1-18 Панель наружной стены H13-1 Сборочный чертеж. ГМС-2001ИЖ1.1-1-18 Панель наружной стены Н13-1 Армирование наружного слоя. ГМС-2001ИЖ1.1-1-18 Панель наружной стены H13-1 Армирование внутреннего слоя. ГМС-2001ИЖ1.1-1-18 Панель наружной стены Н13-1 Ведомость расхода стали. ГМС-2001ИЖ1.1-1-19 Панель наружной стены Н14-1 Сборочный чертеж. ГМС-2001ИЖ1.1-1-19 Панель наружной стены Н14-1 Армирование наружного слоя. ГМС-2001ИЖ1.1-1-19 Панель наружной стены Н14-1 Армирование внутреннего слоя. ГМС-2001ИЖ1.1-1-19 Панель наружной стены Н14-1л Сборочный чертеж. ГМС-2001ИЖ1.1-1-19 Панель наружной стены Н14-1л Армирование наружного слоя. ГМС-2001ИЖ1.1-1-19 Панель наружной стены Н14-1л Армирование внутреннего слоя. ГМС-2001ИЖ1.1-1-19 Панель наружной стены Н14-1,Н14-1л. Ведомость расхода стали. ГМС-2001ИЖ1.1-1-20 Панель наружной стены НТ1-1 Сборочный чертеж. ГМС-2001ИЖ1.1-1-20 Панель наружной стены НТ1-1 Армирование наружного слоя. ГМС-2001ИЖ1.1-1-20 Панель наружной стены НТ1-1 Армирование внутреннего слоя. ГМС-2001ИЖ1.1-1-20 Панель наружной стены НТ1-1л Сборочный чертеж. ГМС-2001ИЖ1.1-1-20 Панель наружной стены НТ1-1л Армирование наружного слоя. ГМС-2001ИЖ1.1-1-20 Панель наружной стены НТ1-1л Армирование внутреннего слоя. ГМС-2001ИЖ1.1-1-20 Панель наружной стены НТ1-1,НТ1-1л. Ведомость расхода стали. ГМС-2001ИЖ1.1-1-21 Панель наружной стены НТ1-2 Сборочный чертеж. ГМС-2001ИЖ1.1-1-21 Панель наружной стены НТ1-2 Армирование наружного слоя. ГМС-2001ИЖ1.1-1-21 Панель наружной стены НТ1-2 Армирование внутреннего слоя. ГМС-2001ИЖ1.1-1-21 Панель наружной стены НТ1-2 Ведомость расхода стали. ГМС-2001ИЖ1.1-1-22 Панель наружной стены НТ2-1 Сборочный чертеж. ГМС-2001ИЖ1.1-1-22 Панель наружной стены НТ2-1 Армирование наружного слоя. ГМС-2001ИЖ1.1-1-22 Панель наружной стены НТ2-1 Армирование внутреннего слоя. ГМС-2001ИЖ1.1-1-22 Панель наружной стены НТ2-1л Сборочный чертеж. ГМС-2001ИЖ1.1-1-22 Панель наружной стены НТ2-1л Армирование наружного слоя. ГМС-2001ИЖ1.1-1-22 Панель наружной стены НТ2-1л Армирование внутреннего слоя. ГМС-2001ИЖ1.1-1-22 Панель наружной стены НТ2-1,НТ2-1л. Ведомость расхода стали. ГМС-2001ИЖ1.1-1-23 Панель наружной стены НТ3-1 Сборочный чертеж. ГМС-2001ИЖ1.1-1-23 Панель наружной стены НТ3-1 Армирование наружного слоя. ГМС-2001ИЖ1.1-1-23 Панель наружной стены НТ3-1 Армирование внутреннего слоя. ГМС-2001ИЖ1.1-1-23 Панель наружной стены НТ3-1л Сборочный чертеж. ГМС-2001ИЖ1.1-1-23 Панель наружной стены НТ3-1л Армирование наружного слоя. ГМС-2001ИЖ1.1-1-23 Панель наружной стены НТ3-1л Армирование внутреннего слоя. ГМС-2001ИЖ1.1-1-23 Панель наружной стены НТ3-1,НТ3-1л. Ведомость расхода стали. ГМС-2001ИЖ1.1-1-24 Панель наружной стены НТ4-1 Сборочный чертеж. ГМС-2001ИЖ1.1-1-24 Панель наружной стены НТ4-1 Армирование наружного слоя. ГМС-2001ИЖ1.1-1-24 Панель наружной стены НТ4-1 Армирование внутреннего слоя. ГМС-2001ИЖ1.1-1-24 Панель наружной стены НТ4-1. Ведомость расхода стали. ГМС-2001ИЖ1.1-1-25 Панель наружной стены НТ1-3 Сборочный чертеж. ГМС-2001ИЖ1.1-1-25 Панель наружной стены НТ1-3 Армирование наружного слоя. ГМС-2001ИЖ1.1-1-25 Панель наружной стены НТ1-3 Армирование внутреннего слоя. ГМС-2001ИЖ1.1-1-25 Панель наружной стены НТ1-3л Сборочный чертеж. ГМС-2001ИЖ1.1-1-25 Панель наружной стены НТ1-3л Армирование наружного слоя. ГМС-2001ИЖ1.1-1-25 Панель наружной стены НТ1-3л Армирование внутреннего слоя. ГМС-2001ИЖ1.1-1-25 Панель наружной стены НТ1-3,НТ1-3л. Ведомость расхода стали. ГМС-2001ИЖ1.1-1-26 Панель наружной стены НТ1-4 Сборочный чертеж. ГМС-2001ИЖ1.1-1-26 Панель наружной стены НТ1-4 Армирование наружного слоя. ГМС-2001ИЖ1.1-1-26 Панель наружной стены НТ1-4 Армирование внутреннего слоя. ГМС-2001ИЖ1.1-1-26 Панель наружной стены НТ1-4л Сборочный чертеж. ГМС-2001ИЖ1.1-1-26 Панель наружной стены НТ1-4л Армирование наружного слоя. ГМС-2001ИЖ1.1-1-26 Панель наружной стены НТ1-4л Армирование внутреннего слоя. ГМС-2001ИЖ1.1-1-26 Панель наружной стены НТ1-4,НТ1-4л. Ведомость расхода стали. ГМС-2001ИЖ1.1-1-27 Панель наружной стены НТ5-1 Сборочный чертеж. ГМС-2001ИЖ1.1-1-27 Панель наружной стены НТ5-1 Армирование наружного слоя. ГМС-2001ИЖ1.1-1-27 Панель наружной стены НТ5-1 Армирование внутреннего слоя. ГМС-2001ИЖ1.1-1-27 Панель наружной стены НТ5-1л Сборочный чертеж. ГМС-2001ИЖ1.1-1-27 Панель наружной стены НТ5-1л Армирование наружного слоя. ГМС-2001ИЖ1.1-1-27 Панель наружной стены НТ5-1л Армирование внутреннего слоя. ГМС-2001ИЖ1.1-1-27 Панель наружной стены НТ5-1,НТ5-1л. Ведомость расхода стали. ГМС-2001ИЖ1.1-1-28 Панель наружной стены НР1-1 Сборочный чертеж. ГМС-2001ИЖ1.1-1-28 Панель наружной стены НР1-1 Армирование наружного слоя. ГМС-2001ИЖ1.1-1-28 Панель наружной стены HP 1-1 Армирование внутреннего слоя. ГМС-2001ИЖ1.1-1-28 Панель наружной стены НР1-1л Сборочный чертеж. ГМС-2001ИЖ1.1-1-28 Панель наружной стены НР1-1л Армирование наружного слоя. ГМС-2001ИЖ1.1-1-28 Панель наружной стены НР1-1л Армирование внутреннего слоя. ГМС-2001ИЖ1.1-1-28 Панель наружной стены НР1-1,НР1-1л. Ведомость расхода стали. ГМС-2001ИЖ1.1-1-29 Панель наружной стены НР2-1 Сборочный чертеж. ГМС-2001ИЖ1.1-1-29 Панель наружной стены НР2-1 Армирование наружного слоя. ГМС-2001ИЖ1.1-1-29 Панель наружной стены НР2-1 Армирование внутреннего слоя. ГМС-2001ИЖ1.1-1-29 Панель наружной стены НР2-1л Сборочный чертеж. ГМС-2001ИЖ1.1-1-29 Панель наружной стены НР2-1л Армирование наружного слоя. ГМС-2001ИЖ1.1-1-29 Панель наружной стены НР2-1л Армирование внутреннего слоя. ГМС-2001ИЖ1.1-1-29 Панель наружной стены НР2-1,НР2-1л. Ведомость расхода стали. ГМС-2001ИЖ1.1-1-30 Панель наружной стены HP 1-2 Сборочный чертеж. ГМС-2001ИЖ1.1-1-30 Панель наружной стены HP! - 2 Армирование наружного слоя ГМС-2001ИЖ1.1-1-30 Панель наружной стены HP1-2 Армирование внутреннего слоя. ГМС-2001ИЖ1.1-1-30 Панель наружной стены НР1-2л Сборочный чертеж. ГМС-2001ИЖ1.1-1-30 Панель наружной стены НР1-2л Армирование наружного слоя. ГМС-2001ИЖ1.1-1-30 Панель наружной стены НР1-2л Армирование внутреннего слоя. ГМС-2001ИЖ1.1-1-30 Панель наружной стены НР1-2,НР1-2л. Ведомость расхода стали. ГМС-2001ИЖ1.1-1-31 Панель наружной стены НР2-2 Сборочный чертеж. ГМС-2001ИЖ1.1-1-31 Панель наружной стены НР2-2 Армирование наружного слоя. ГМС-2001ИЖ1.1-1-31 Панель наружной стены НР2-2 Армирование внутреннего слоя. ГМС-2001ИЖ1.1-1-31 Панель наружной стены НР2-2л Сборочный чертеж. ГМС-2001ИЖ1.1-1-31 Панель наружной стены НР2-2л Армирование наружного слоя. ГМС-2001ИЖ1.1-1-31 Панель наружной стены НР2-2л Армирование внутреннего слоя. ГМС-2001ИЖ1.1-1-31 Панель наружной стены НР2-2,НР2-2л. Ведомость расхода стали. ГМС-2001ИЖ1.1-1-32 Панель наружной стены HP1-3 Сборочный чертеж. ГМС-2001ИЖ1.1-1-32 Панель наружной стены НР1-3 Армирование наружного слоя. ГМС-2001ИЖ1.1-1-32 Панель наружной стены НР1-3 Армирование внутреннего слоя. ГМС-2001ИЖ1.1-1-32 Панель наружной стены HP1-3л Сборочный чертеж. ГМС-2001ИЖ1.1-1-32 Панель наружной стены HP1-3л Армирование наружного слоя. ГМС-2001ИЖ1.1-1-32 Панель наружной стены НР1-3л Армирование внутреннего слоя. ГМС-2001ИЖ1.1-1-32 Панель наружной стены НР1-3,НР1-3л. Ведомость расхода стали. ГМС-2001ИЖ1.1-1-33 Панель наружной стены НР2-3 Сборочный чертеж. ГМС-2001ИЖ1.1-1-33 Панель наружной стены НР2-3 Армирование наружного слоя ГМС-2001ИЖ1.1-1-33 Панель наружной стены НР2-3 Армирование внутреннего слоя. ГМС-2001ИЖ1.1-1-33 Панель наружной стены НР2-3л Сборочный чертеж. ГМС-2001ИЖ1.1-1-33 Панель наружной стены НР2-Зл Армирование наружного слоя. ГМС-2001ИЖ1.1-1-33 Панель наружной стены НР2-3л Армирование внутреннего слоя. ГМС-2001ИЖ1.1-1-33 Панель наружной стены НР2-3,НР2-3л. Ведомость расхода стали. ГМС-2001ИЖ1.1-1-34 Панель наружной стены HP1-4 Сборочный чертеж. ГМС-2001ИЖ1.1-1-34 Панель наружной стены НР1-4 Армирование наружного слоя. ГМС-2001ИЖ1.1-1-34 Панель наружной стены HP1-4 Армирование внутреннего слоя. ГМС-2001ИЖ1.1-1-34 Панель наружной стены НР1-4л Сборочный чертеж. ГМС-2001ИЖ1.1-1-34 Панель наружной стены НР1-4л Армирование наружного слоя. ГМС-2001ИЖ1.1-1-34 Панель наружной стены НР1-4л Армирование внутреннего слоя. ГМС-2001ИЖ1.1-1-34 Панель наружной стены НР1-4,НР1-4л. Ведомость расхода стали. ГМС-2001ИЖ1.1-1-35 Панель наружной стены НР2-4 Сборочный чертеж. ГМС-2001ИЖ1.1-1-35 Панель наружной стены НР2-4 Армирование наружного слоя. ГМС-2001ИЖ1.1-1-35 Панель наружной стены НР2-4 Армирование внутреннего слоя. ГМС-2001ИЖ1.1-1-35 Панель наружной стены НР2-4л Сборочный чертеж. ГМС-2001ИЖ1.1-1-35 Панель наружной стены НР2-4л Армирование наружного слоя. ГМС-2001ИЖ1.1-1-35 Панель наружной стены НР2-4л Армирование внутреннего слоя. ГМС-2001ИЖ1.1-1-35 Панель наружной стены НР2-4,НР2-4л. Ведомость расхода стали. ГМС-2001ИЖ1.1-1-36 Панель наружной стены НР3-1 Сборочный чертеж. ГМС-2001ИЖ1.1-1-36 Панель наружной стены НР3-1 Армирование наружного слоя. ГМС-2001ИЖ1.1-1-36 Панель наружной стены НР3-1 Армирование внутреннего слоя. ГМС-2001ИЖ1.1-1-36 Панель наружной стены НР3-1л Сборочный чертеж. ГМС-2001ИЖ1.1-1-36 Панель наружной стены НР3-1л Армирование наружного слоя. ГМС-2001ИЖ1.1-1-36 Панель наружной стены НР3-1л Армирование внутреннего слоя. ГМС-2001ИЖ1.1-1-36 Панель наружной стены НР3-1,НР3- 1л. Ведомость расхода стали. ГМС-2001ИЖ1.1-1-37 Панель наружной стены НР1-5 Сборочный чертеж. ГМС-2001ИЖ1.1-1-37 Панель наружной стены HP1-5 Армирование наружного слоя. ГМС-2001ИЖ1.1-1-37 Панель наружной стены НР1-5 Армирование внутреннего слоя. ГМС-2001ИЖ1.1-1-37 Панель наружной стены НР1-5л Сборочный чертеж. ГМС-2001ИЖ1.1-1-37 Панель наружной стены НР1-5л Армирование наружного слоя. ГМС-2001ИЖ1.1-1-37 Панель наружной стены НР1-5л Армирование внутреннего слоя. ГМС-2001ИЖ1.1-1-37 Панель наружной стены НР1-5,НР1-5л. Ведомость расхода стали. ГМС-2001ИЖ1.1-1-38 Панель наружной стены НР5-1 Сборочный чертеж. ГМС-2001ИЖ1.1-1-38 Панель наружной стены HР5-1 Армирование наружного слоя. ГМС-2001ИЖ1.1-1-38 Панель наружной стены НР5-1 Армирование внутреннего слоя. ГМС-2001ИЖ1.1-1-38 Панель наружной стены НР5-1л Сборочный чертеж. ГМС-2001ИЖ1.1-1-38 Панель наружной стены НР5-1л Армирование наружного слоя. ГМС-2001ИЖ1.1-1-38 Панель наружной стены НР5-1л Армирование внутреннего слоя. ГМС-2001ИЖ1.1-1-38 Панель наружной стены НР5-1,НР5-1л. Ведомость расхода стали. ГМС-2001ИЖ1.1-1-39 Панель наружной стены НР6-1 Сборочный чертеж. ГМС-2001ИЖ1.1-1-39 Панель наружной стены HFb-1 Армирование наружного слоя. ГМС-2001ИЖ1.1-1-39 Панель наружной стены НР6-1 Армирование внутреннего слоя. ГМС-2001ИЖ1.1-1-39 Панель наружной стены НР6-1л Сборочный чертеж. ГМС-2001ИЖ1.1-1-39 Панель наружной стены НР6-1л Армирование наружного слоя. ГМС-2001ИЖ1.1-1-39 Панель наружной стены НР6-1л Армирование внутреннего слоя. ГМС-2001ИЖ1.1-1-39 Панель наружной стены НР6-1,НР6-1л. Ведомость расхода стали. ГМС-2001ИЖ1.1-1-40 Панель наружной стены НР6-2 Сборочный чертеж. ГМС-2001ИЖ1.1-1-40 Панель наружной стены НР6-2 Армирование наружного слоя. ГМС-2001ИЖ1.1-1-40 Панель наружной стены НР6-2 Армирование внутреннего слоя. ГМС-2001ИЖ1.1-1-40 Панель наружной стены НР6-2л Сборочный чертеж. ГМС-2001ИЖ1.1-1-40 Панель наружной стены НР6-2л Армирование наружного слоя. ГМС-2001ИЖ1.1-1-40 Панель наружной стены НР6-2л Армирование внутреннего слоя. ГМС-2001ИЖ1.1-1-40 Панель наружной стены НР6-2,НР6-2л. Ведомость расхода стали. ГМС-2001ИЖ1.1-1-41 Панель наружной стены НР7-1 Сборочный чертеж. ГМС-2001ИЖ1.1-1-41 Панель наружной стены НР7-1 Армирование наружного слоя. ГМС-2001ИЖ1.1-1-41 Панель наружной стены НР7-1 Армирование внутреннего слоя. ГМС-2001ИЖ1.1-1-41 Панель наружной стены НР7-1л Сборочный чертеж. ГМС-2001ИЖ1.1-1-41 Панель наружной стены НР7-1л Армирование наружного слоя. ГМС-2001ИЖ1.1-1-41 Панель наружной стены НР7-1л Армирование внутреннего слоя. ГМС-2001ИЖ1.1-1-41 Панель наружной стены НР7-1,НР7-1л. Ведомость расхода стали. ГМС-2001ИЖ1.1-1-42 Узлы опалубочные 1-3 ГМС-2001ИЖ1.1-1-43 Узлы опалубочные 4-6 ГМС-2001ИЖ1.1-1-44 Узлы опалубочные 7-10 ГМС-2001ИЖ1.1-1-45 Узлы опалубочные 11-15 ГМС-2001ИЖ1.1-1-46 Узлы опалубочные 16-19,17а, 19а ГМС-2001ИЖ1.1-1-47 Узлы опалубочные 20-24,20а-23а ГМС-2001ИЖ1.1-1-48 Узлы опалубочные 25,25а,26,26а ГМС-2001ИЖ1.1-1-49 Узлы опалубочные 27-29,29а ГМС-2001ИЖ1.1-1-50 Узлы опалубочные 30,31,31а ГМС-2001ИЖ1.1-1-51 Узлы опалубочные 32,33 ГМС-2001ИЖ1.1-1-52 Узлы опалубочные 34,34а,35,36,36а ГМС-2001ИЖ1.1-1-53 Узлы опалубочные 37,38 ГМС-2001ИЖ1.1-1-54 Узлы опалубочные 6-1, 6-2,16-1, 16-2 ГМС-2001ИЖ1.1-1-55 Узлы опалубочные 39-41,39а-41а ГМС-2001ИЖ1.1-1-56 Узлы опалубочные 42,42а ГМС-2001ИЖ1.1-1-57 Узлы опалубочные 43,44 ГМС-2001ИЖ1.1-1-58 Узлы опалубочные 45,46,47 ГМС-2001ИЖ1.1-1-59 Узлы арматурные 48, 49 ГМС-2001ИЖ1.1-1-60 Узлы арматурные 50,51,52 ГМС-2001ИЖ1.1-1-61 Узлы арматурные 53,54,55 ГМС-2001ИЖ1.1-1-62 Узлы арматурные 56,57,58 ГМС-2001ИЖ1.1-1-63 Узлы арматурные 59,60,61 ГМС-2001ИЖ1.1-1-64 Узлы арматурные 62,63 ГМС-2001ИЖ1.1-1-65 Узлы арматурные 64,64а,65,65а,66,67,67а ГМС-2001ИЖ1.1-1-66 Узлы арматурные 68,69 ГМС-2001ИЖ1.1-1-67 Узлы арматурные 70-72 ГМС-2001ИЖ1.1-1-68 Узлы арматурные 73, 74 ГМС-2001ИЖ1.1-1-69 Узлы арматурные 75,76,76а ГМС-2001ИЖ1.1-1-70 Узлы арматурные 77,78 ГМС-2001ИЖ1.1-1-71 Узлы арматурные 79,80 ГМС-2001ИЖ1.1-1-72 Узлы арматурные 81,82 ГМС-2001ИЖ1.1-1-73 Узлы арматурные 83,83а ГМС-2001ИЖ1.1-1-74 Узлы арматурные 84,84а,85 ГМС-2001ИЖ1.1-1-75 Узлы арматурные 86,87 ГМС-2001ИЖ1.1-1-76 Узел арматурный 88 ГМС-2001ИЖ1.1-1-77 Узлы арматурные 89,90 ГМС-2001ИЖ1.1-1-78 Узлы арматурные 91,91а ГМС-2001ИЖ1.1-1-79 Узел арматурный 92 ГМС-2001ИЖ1.1-1-80 Узлы опалубочные 93-95 ГМС-2001ИЖ1.1-1-81 Узлы опалубочные 96,97,98 ГМС-2001ИЖ1.1-1-82 Узлы опалубочные 99,99а ГМС-2001ИЖ1.1-1-83 Узлы опалубочные 100-102 ГМС-2001ИЖ1.1-1-84 Узлы арматурные 103,104,105 ГМС-2001ИЖ1.1-1-85 Узлы арматурные 106,107.108 ГМС-2001ИЖ1.1-1-86 Узел арматурный 109 ГМС-2001ИЖ1.1-1-87 Узлы арматурные 110,111,112 ГМС-2001ИЖ1.1-1-88 Узлы арматурные 113,114 ГМС-2001ИЖ1.1-1-89 Узлы арматурные 115,116,117 ГМС-2001ИЖ1.1-1-90 Узлы арматурные 118,119,120 | 
| Разработан: | ЦНИИЭП жилища | 
| Утверждён: | 18.12.2002 ЦНИИЭП жилища (TsNIIEPzhilishcha 287) | 
| Расположен в: | 



















































































































































