| ||||||||||||||||||||||||||||
Скачать Серия 5.903-10 Выпуск 1-1. Альбом 3. Блоки натрий-катионитных фильтров диаметров 700 мм. Рабочие чертежиДата актуализации: 10.08.2017
|
| Обозначение: | Серия 5.903-10 |
| Обозначение англ: | Series 5.903-10 |
| Статус: | не определен законодательством |
| Название рус.: | Выпуск 1-1. Альбом 3. Блоки натрий-катионитных фильтров диаметров 700 мм. Рабочие чертежи |
| Дата добавления в базу: | 01.09.2013 |
| Дата актуализации: | 05.05.2017 |
| Дата введения: | 01.09.1988 |
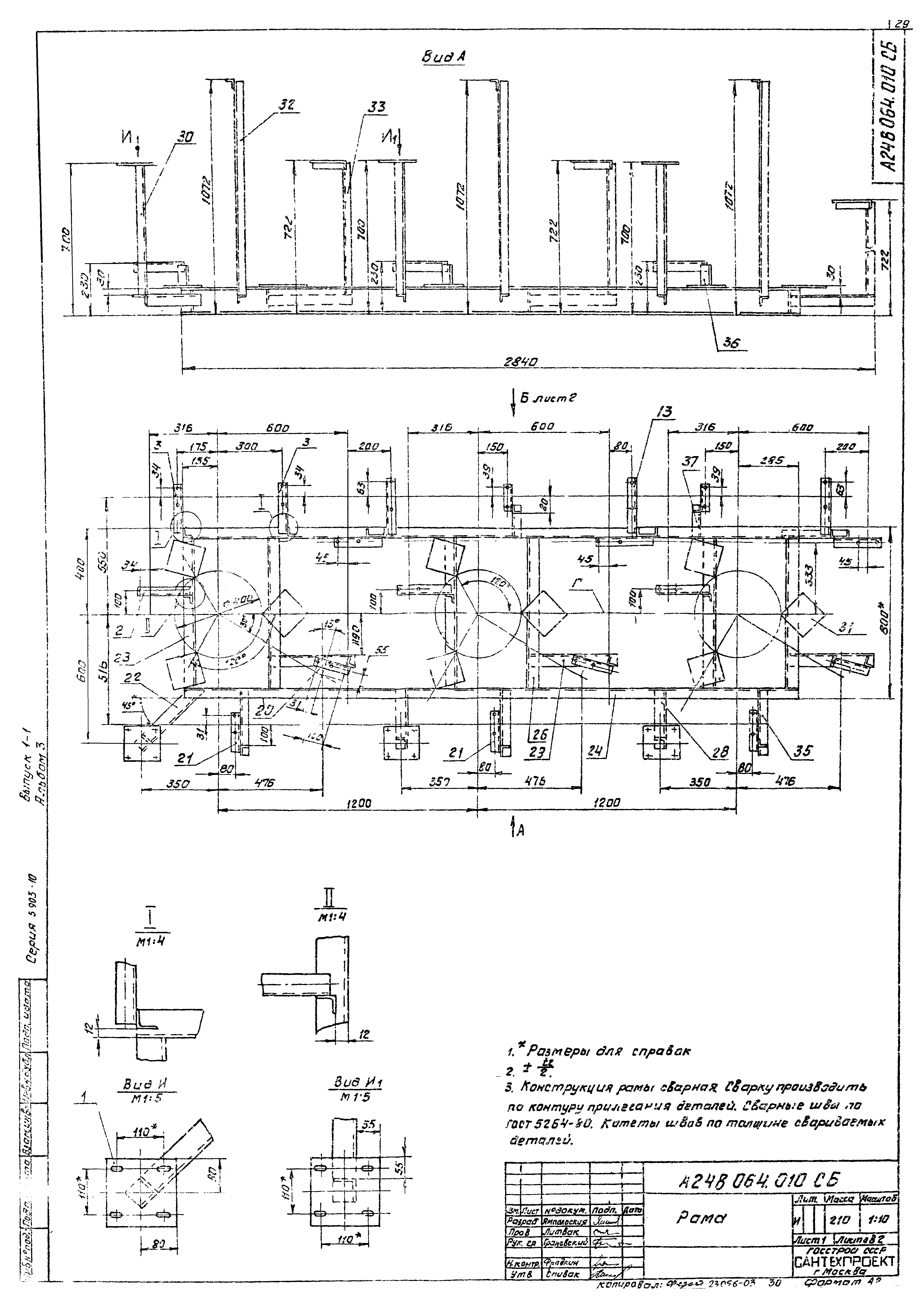
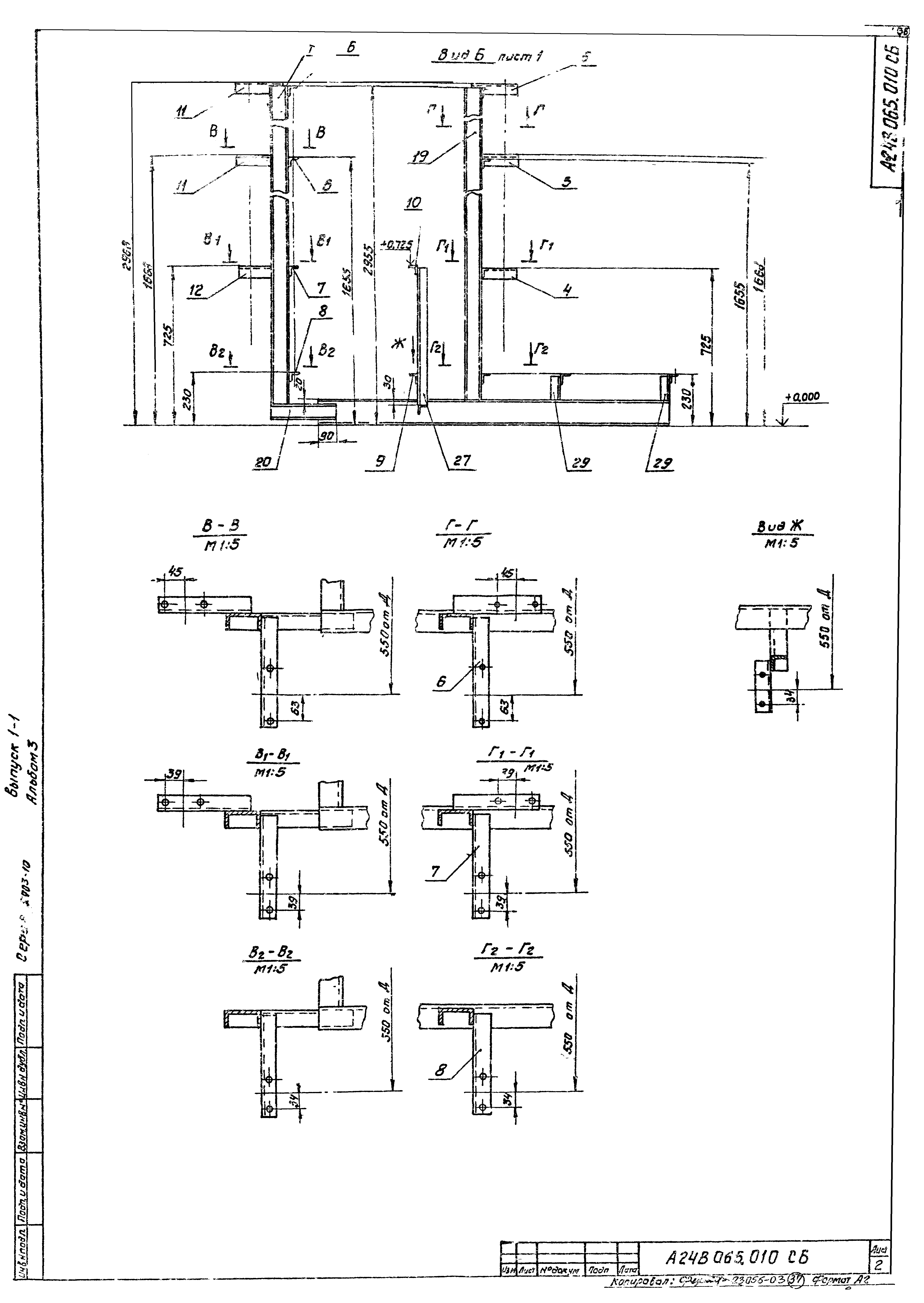
| Оглавление: | Содержание 5.903-10 А24В062.000СТ Блок натрий-катионитных фильтров БФNа1-700х3-1. Технологическая схема 5.903-10 А24В062.000 Блок натрий-катионитных фильтров БФNа1-700х3-1 5.903-10 А24В062.000СБ Блок натрий-катионитных фильтров БФNа1-700х3-1 5.903-10 А24В062.010 Трубопровод 5.903-10 А24В062.010СБ Трубопровод 5.903-10 А24В062.011 Труба 5.903-10 А24В062.023 Патрубок 5.903-10 А24В062.020 Трубопровод 5.903-10 А24В062.020СБ Трубопровод 5.903-10 А24В062.021 Патрубок 5.903-10 А24В062.030 Трубопровод 5.903-10 А24В062.030СБ Трубопровод 5.903-10 А24В062.040 Трубопровод 5.903-10 А24В062.071 Отвод 5.903-10 А24В062.070СБ Трубопровод 5.903-10 А24В062.070 Трубопровод 5.903-10 А24В062.050 Трубопровод 5.903-10 А24В062.050СБ Трубопровод 5.903-10 А24В062.022 Труба 5.903-10 А24В062.051 Патрубок 5.903-10 А24В062.060 Трубопровод 5.903-10 А24В062.100 Трубопровод 5.903-10 А24В062.060СБ Трубопровод 5.903-10 А24В062.061 Патрубок 5.903-10 А24В062.101 Патрубок 5.903-10 А24В062.1020 Труба 5.903-10 А24В062.040СБ Трубопровод 5.903-10 А24В062.080 Трубопровод 5.903-10 А24В062.080СБ Трубопровод 5.903-10 А24В062.006 Патрубок 5.903-10 А24В062.090 Трубопровод 5.903-10 А24В062.090СБ Трубопровод 5.903-10 А24В062.100СБ Трубопровод 5.903-10 А24В062.110 Рама 5.903-10 А24В062.110СБ Рама 5.903-10 А24В063.000СТ Блок натрий-катионитных фильтров БФNа1-700х2-1. Технологическая схема 5.903-10 А24В063.000 Блок натрий-катионитных фильтров БФNа1-700х2-1 5.903-10 А24В062.111 Уголок 5.903-10 А24В062.128 Уголок 5.903-10 А24В063.000СБ Блок натрий-катионитных фильтров БФNа1-700х3-2. Технологическая схема 5.903-10 А24В063.010 Рама 5.903-10 А24В063.110СБ Рама 5.903-10 А24В064.000СТ Блок натрий-катионитных фильтров БФNа1-700х3-2. Технологическая схема 5.903-10 А24В064.000 Блок натрий-катионитных фильтров БФNа1-700х3-2 5.903-10 А24В064.00СБ Блок натрий-катионитных фильтров БФNа1-700х3-2 5.903-10 А24В064.010 Рама 5.903-10 А24В064.010СБ Рама 5.903-10 А24В065.000СТ Блок натрий-катионитных фильтров БФNа1-700х2-2. Технологическая схема 5.903-10 А24В065.000 Блок натрий-катионитных фильтров БФNа1-700х2-2 5.903-10 А24В065.000СБ Блок натрий-катионитных фильтров БФNа1-700х2-2 5.903-10 А24В065.010 Рама 5.903-10 А24В065.010СБ Рама |
| Разработан: | Сантехпроект Госстроя СССР |
| Утверждён: | 10.12.1987 ММСС СССР |
| Издан: | ЦИТП Госстроя СССР (CITP, Gosstroy (USSR) 1988 г. ) |
| Расположен в: |




































