| ||||||||||||||||||||||||
Скачать Серия 1.031 КЛ-2 Выпуск 1. Закладные детали изделий, выпускаемых предприятиями ГЛСМДата актуализации: 10.08.2017
|
| Обозначение: | Серия 1.031 КЛ-2 |
| Обозначение англ: | Series 1.031 КЛ-2 |
| Статус: | действует |
| Название рус.: | Выпуск 1. Закладные детали изделий, выпускаемых предприятиями ГЛСМ |
| Дата добавления в базу: | 01.10.2014 |
| Дата актуализации: | 05.05.2017 |
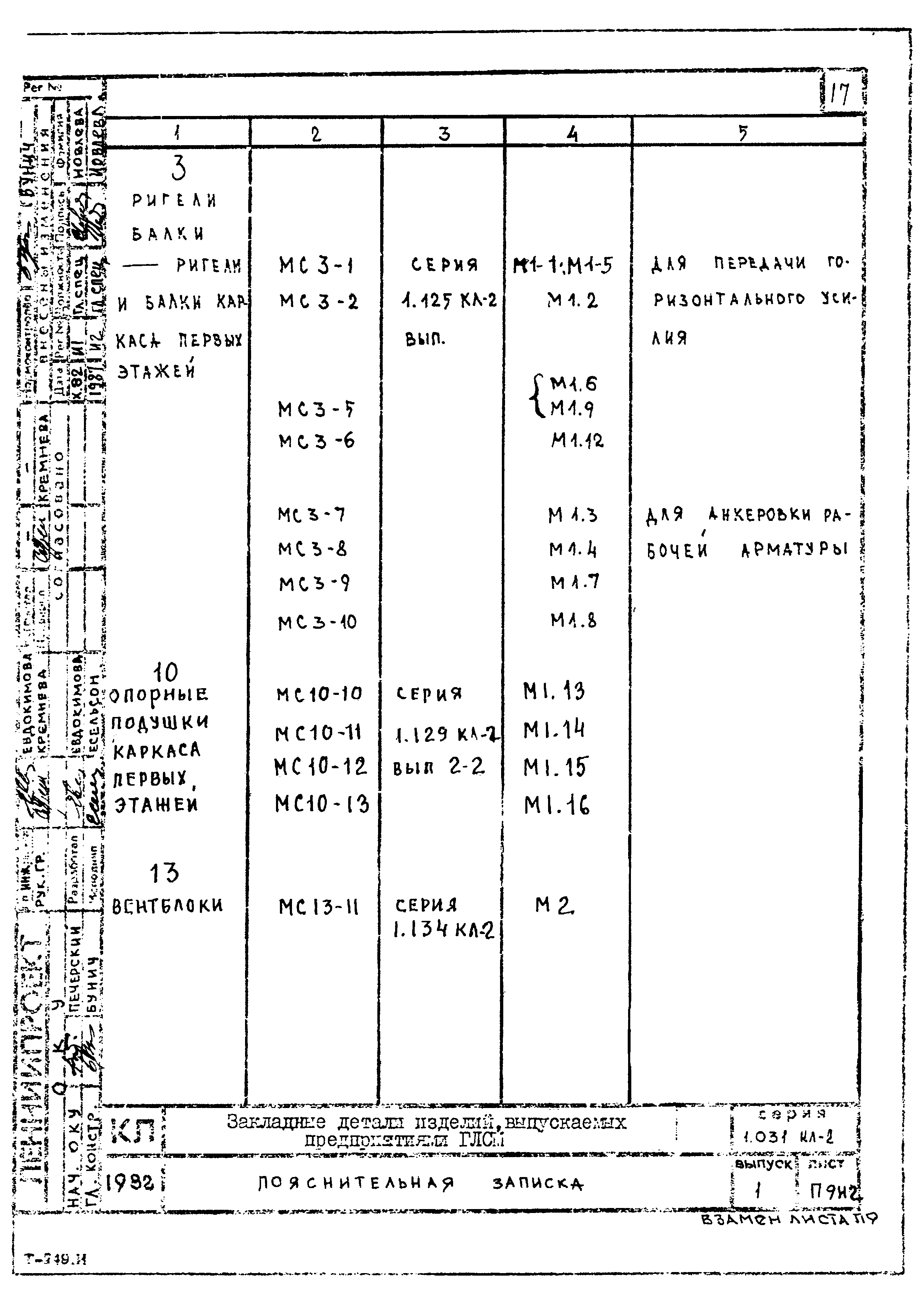
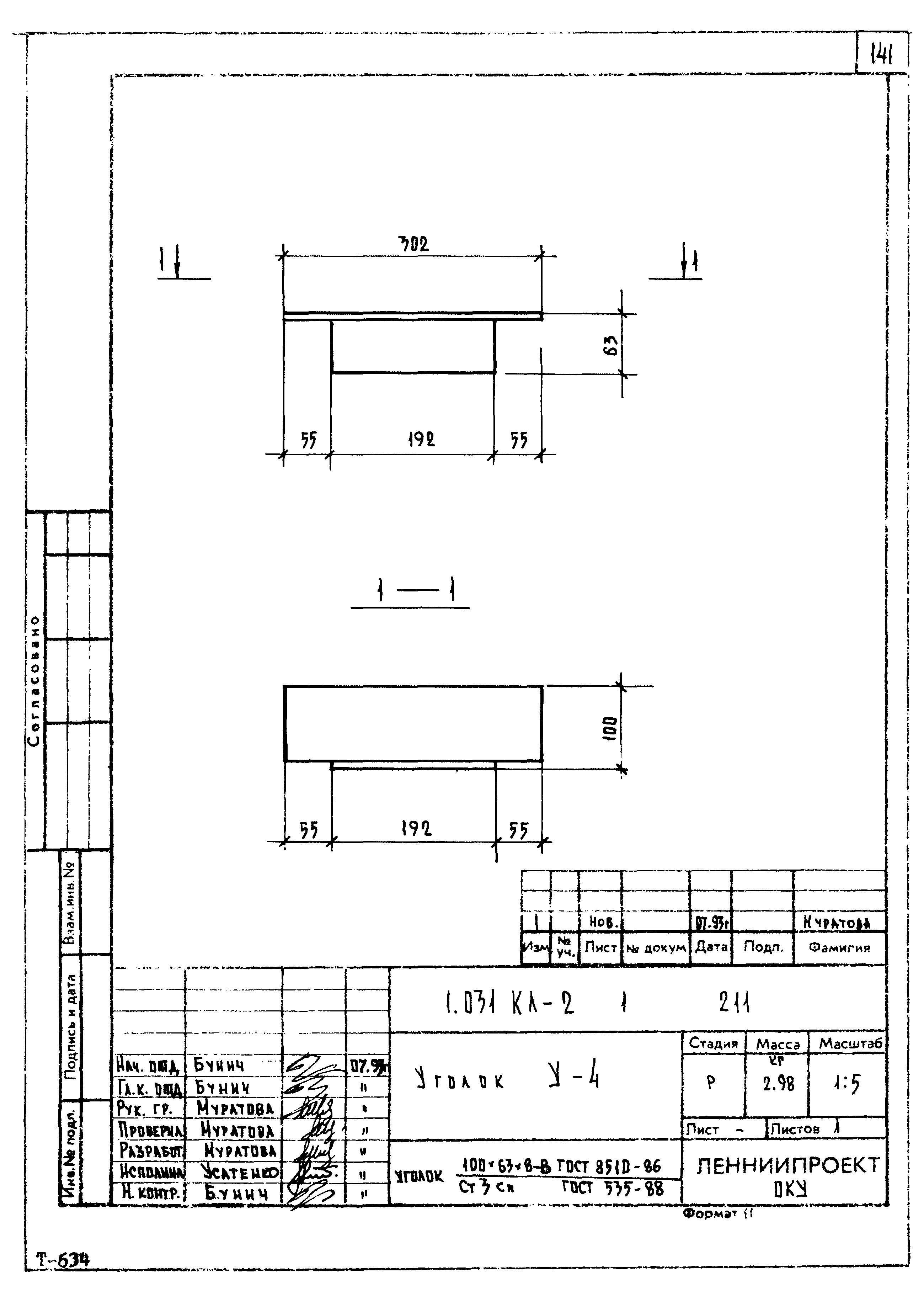
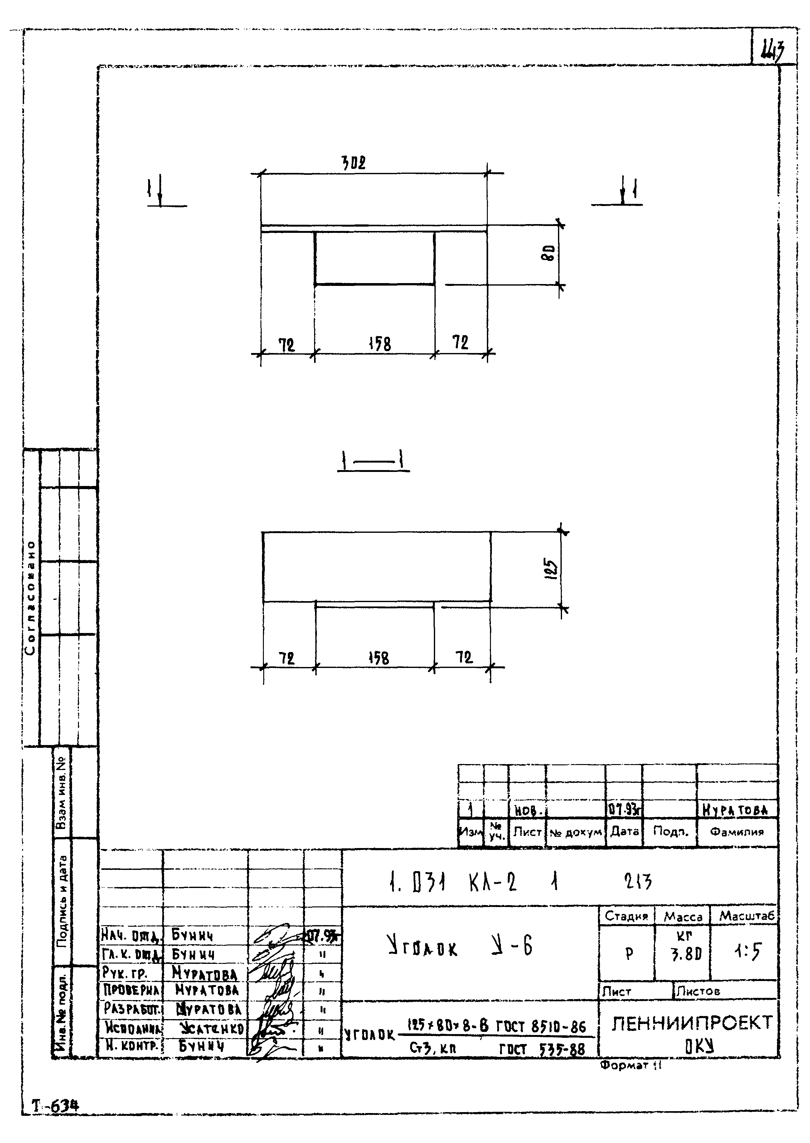
| Оглавление: | Информационная карта Состав серии Содержание Пояснительная записка МС1-3 МС1-4 МС1-5 МС1-6 МС2-1 МС2-2 МС2-3 МС2-4 МС2-5 МС2-6 МС2-7 МС2-8 МС2-9 МС2-10 МС2-11 МС2-12 МС2-13 МС2-14 МС2-17 МС2-18 МС2-19 МС2-20 МС2-21 МС2-23 МС2-24 МС2-27 МС2-27-1 МС2-28 МС2-30 МС2-30-1 МС2-31 МС2-31-1 МС2-31-2 МС2-32 МС2-32-2 МС2-35 МС2-36 МС2-37 МС2-38 МС2-39 МС3-1 МС3-2 МС3-5 МС3-6 МС3-7 МС3-8 МС3-9 МС3-10 МС3-11 МС3-14, МС3-14-1 МС3-15 МС3-16 МС3-17 МС3-18 МС3-19 МС3-20 МС3-26 МС3-27 МС3-30; МС3-30А МС3-31 МС4-1 МС4-2 МС4-3 МС4-6 МС4-7п МС4-7л МС4-11 МС7-29 МС7-30 МС7-31 МС7-32 - МС7-38 МС10-1 МС10-2 МС10-3 МС10-4 МС10-6 МС10-7 МС10-8 МС10-9 МС10-10 МС10-11 МС10-12 МС10-13 МС11-1 МС11-2 МС11-3 МС11-4 МС11-5 МС13-11 МС13-13 МС14-1 МС14-2 МС14-3; МС14-4 Изделие закладное МС3-7-1 Изделие закладное МС3-7-2 Изделие закладное МС3-8-1 Изделие закладное МС3-8-2 Изделие закладное МС3-10-1 Изделие закладное МС3-10-2 Изделие закладное МС3-10-3 Изделие закладное МС3-10-4 Изделие закладное МС1-7 Изделие закладное МС1-7. Сборочный чертеж Изделие закладное МС1-7-1 Изделие закладное МС1-7-1. Сборочный чертеж Изделие закладное МС1-7-2 Изделие закладное МС1-7-2. Сборочный чертеж Изделие закладное МС1-7-3 Изделие закладное МС1-7-3. Сборочный чертеж Изделие закладное МС1-9 Изделие закладное МС1-9. Сборочный чертеж Изделие закладное МС1-9-1 Изделие закладное МС1-9-1. Сборочный чертеж Изделие закладное МС1-9-2 Изделие закладное МС1-9-2. Сборочный чертеж Изделие закладное МС1-9-3 Изделие закладное МС1-9-3. Сборочный чертеж Уголок У-1 Уголок У-2 Уголок У-3 Уголок У-4 Уголок У-5 Уголок У-6 Уголок У-7 Уголок У-8 Уголок У-9 Уголок У-10 Уголок У-11 Уголок У-12 Пластина П-1 Пластина П-2 Пластина П-3 Пластина П-4 Пластина П-5 Пластина П-6 Пластина П-7 Пластина П-8 Пластина П-9 Пластина П-10 |
| Разработан: | Ленниипроект |
| Утверждён: | 31.12.1980 Ленниипроект (330) |
| Расположен в: |

































































































































































