Информационная система
«Ёшкин Кот»

Скачать базу одним архивом
Скачать обновления
История создания базы
Карта сайта

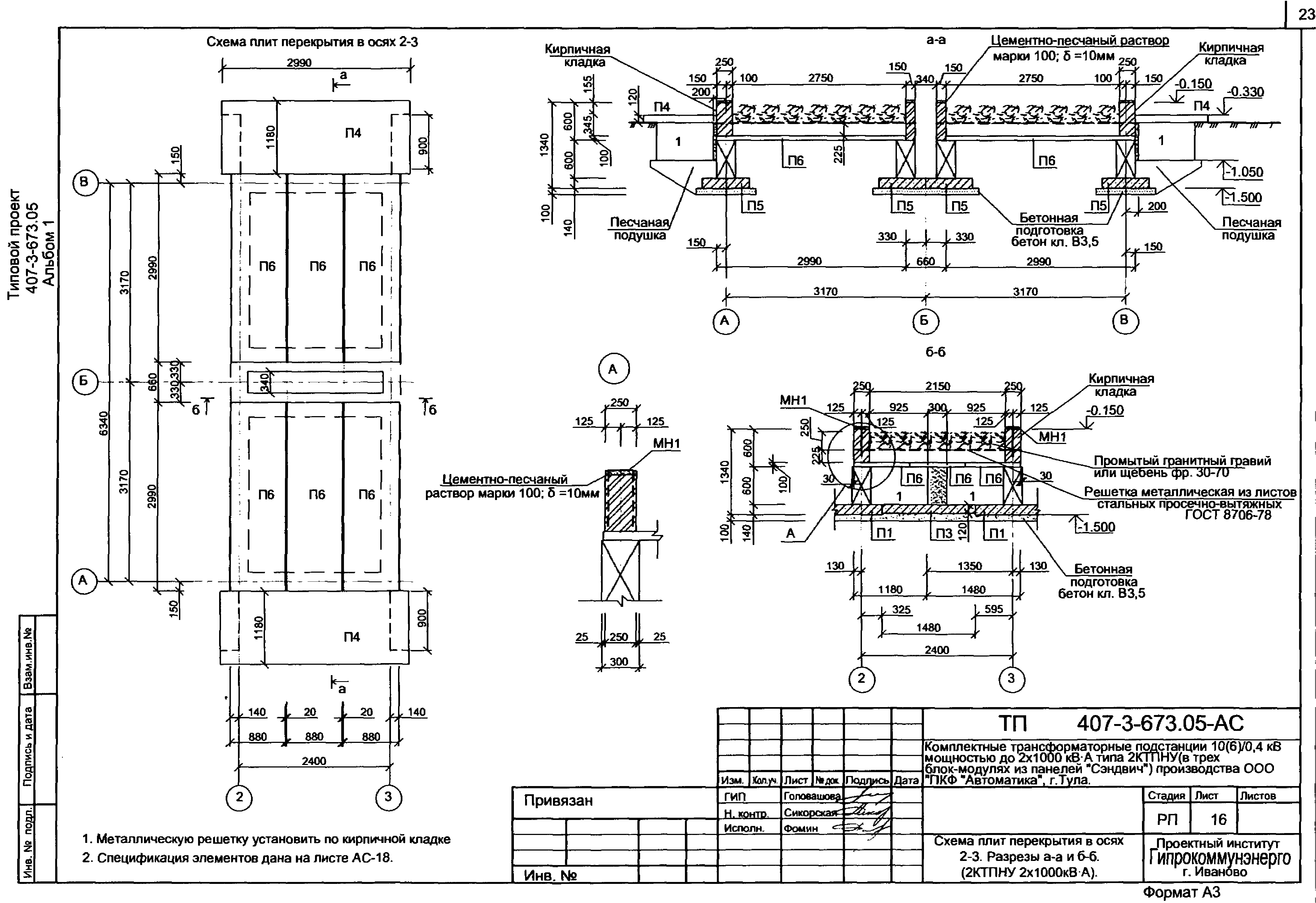
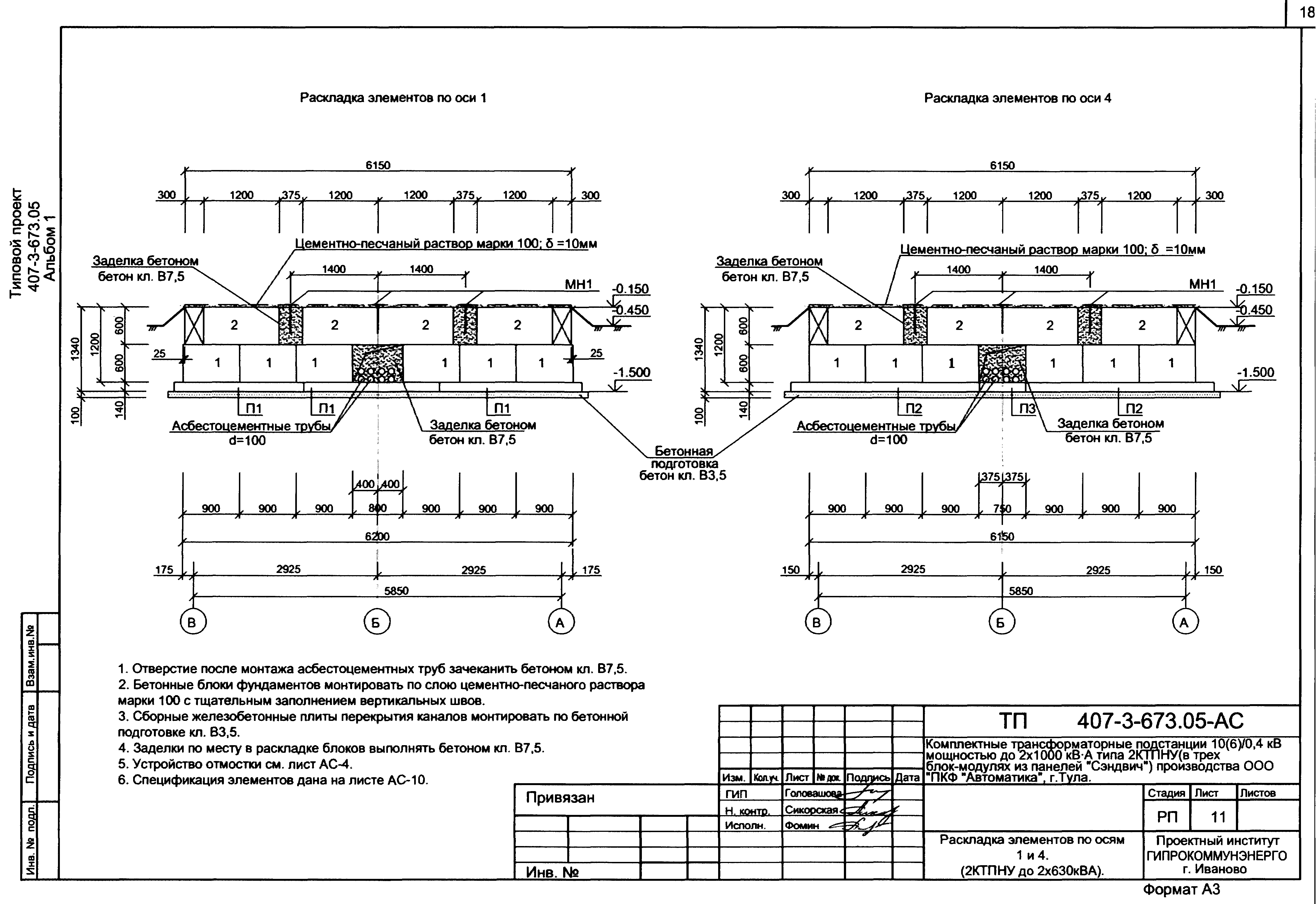
Скачать Типовой проект 407-3-673.05 Альбом 1. Пояснительная записка. Архитектурно-строительные решения. Электротехническая часть

Дата актуализации: 10.08.2017

Типовой проект 407-3-673.05

Альбом 1. Пояснительная записка. Архитектурно-строительные решения. Электротехническая часть

Обозначение: Типовой проект 407-3-673.05
Обозначение англ: 407-3-673.05
Статус:не определен законодательством
Название рус.:Альбом 1. Пояснительная записка. Архитектурно-строительные решения. Электротехническая часть
Дата добавления в базу:01.09.2013
Дата актуализации:05.05.2017
Дата введения:15.06.2006
Разработан: ОГУП ПИ Гипрокоммунэнерго
Утверждён:15.06.2006 ООО ПКФ Автоматика (199)
Издан: Информационный бюллетень о нормативной, методической и типовой проектной документации ФГУП ЦПП (2007 г. (03))
Расположен в:Техническая документация Строительство Справочные документы Типовые строительные конструкции, изделия и узлы Общероссийский строительный каталог Промышленные предприятия, здания и сооружения Предприятия, здания и сооружения промышленности и электроэнергетики Электроэнергетика Устройства и подстанции распределительные
Типовой проект 407-3-673.05Типовой проект 407-3-673.05Типовой проект 407-3-673.05Типовой проект 407-3-673.05Типовой проект 407-3-673.05Типовой проект 407-3-673.05Типовой проект 407-3-673.05Типовой проект 407-3-673.05Типовой проект 407-3-673.05Типовой проект 407-3-673.05Типовой проект 407-3-673.05Типовой проект 407-3-673.05Типовой проект 407-3-673.05Типовой проект 407-3-673.05Типовой проект 407-3-673.05Типовой проект 407-3-673.05Типовой проект 407-3-673.05Типовой проект 407-3-673.05Типовой проект 407-3-673.05Типовой проект 407-3-673.05Типовой проект 407-3-673.05Типовой проект 407-3-673.05Типовой проект 407-3-673.05Типовой проект 407-3-673.05Типовой проект 407-3-673.05Типовой проект 407-3-673.05Типовой проект 407-3-673.05Типовой проект 407-3-673.05Типовой проект 407-3-673.05Типовой проект 407-3-673.05Типовой проект 407-3-673.05Типовой проект 407-3-673.05Типовой проект 407-3-673.05Типовой проект 407-3-673.05Типовой проект 407-3-673.05Типовой проект 407-3-673.05Типовой проект 407-3-673.05Типовой проект 407-3-673.05Типовой проект 407-3-673.05Типовой проект 407-3-673.05Типовой проект 407-3-673.05Типовой проект 407-3-673.05Типовой проект 407-3-673.05Типовой проект 407-3-673.05Типовой проект 407-3-673.05Типовой проект 407-3-673.05Типовой проект 407-3-673.05Типовой проект 407-3-673.05Типовой проект 407-3-673.05Типовой проект 407-3-673.05Типовой проект 407-3-673.05Типовой проект 407-3-673.05Типовой проект 407-3-673.05Типовой проект 407-3-673.05Типовой проект 407-3-673.05Типовой проект 407-3-673.05

© 2013 Ёшкин Кот :-) Карта сайта