| ||||||||||||||||||||||||
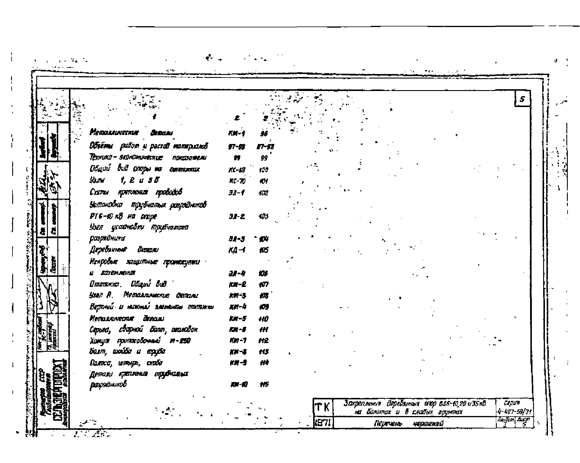
Скачать Серия 4.407-59/71 Альбом I. Монтажные схемы закреплений деревянных опор ВЛ 6-20 кВДата актуализации: 10.08.2017
|
| Обозначение: | Серия 4.407-59/71 |
| Обозначение англ: | Series 4.407-59/71 |
| Статус: | не определен законодательством |
| Название рус.: | Альбом I. Монтажные схемы закреплений деревянных опор ВЛ 6-20 кВ |
| Дата добавления в базу: | 01.09.2013 |
| Дата актуализации: | 05.05.2017 |
| Дата введения: | 22.09.1972 |
| Разработан: | Сельэнергопроект Минэнерго СССР |
| Утверждён: | 22.09.1972 Сельэнергопроект (35П) |
| Расположен в: |



















































































































