| ||||||||||||||||||||||||||
Скачать Серия 5.407-88 Установка конструкций для прокладки кабелей. Чертежи монтажные. Чертежи изделийДата актуализации: 10.08.2017
|
| Обозначение: | Серия 5.407-88 |
| Обозначение англ: | Series 5.407-88 |
| Статус: | не действует |
| Название рус.: | Установка конструкций для прокладки кабелей. Чертежи монтажные. Чертежи изделий |
| Дата добавления в базу: | 01.09.2013 |
| Дата актуализации: | 05.05.2017 |
| Дата введения: | 01.01.1993 |
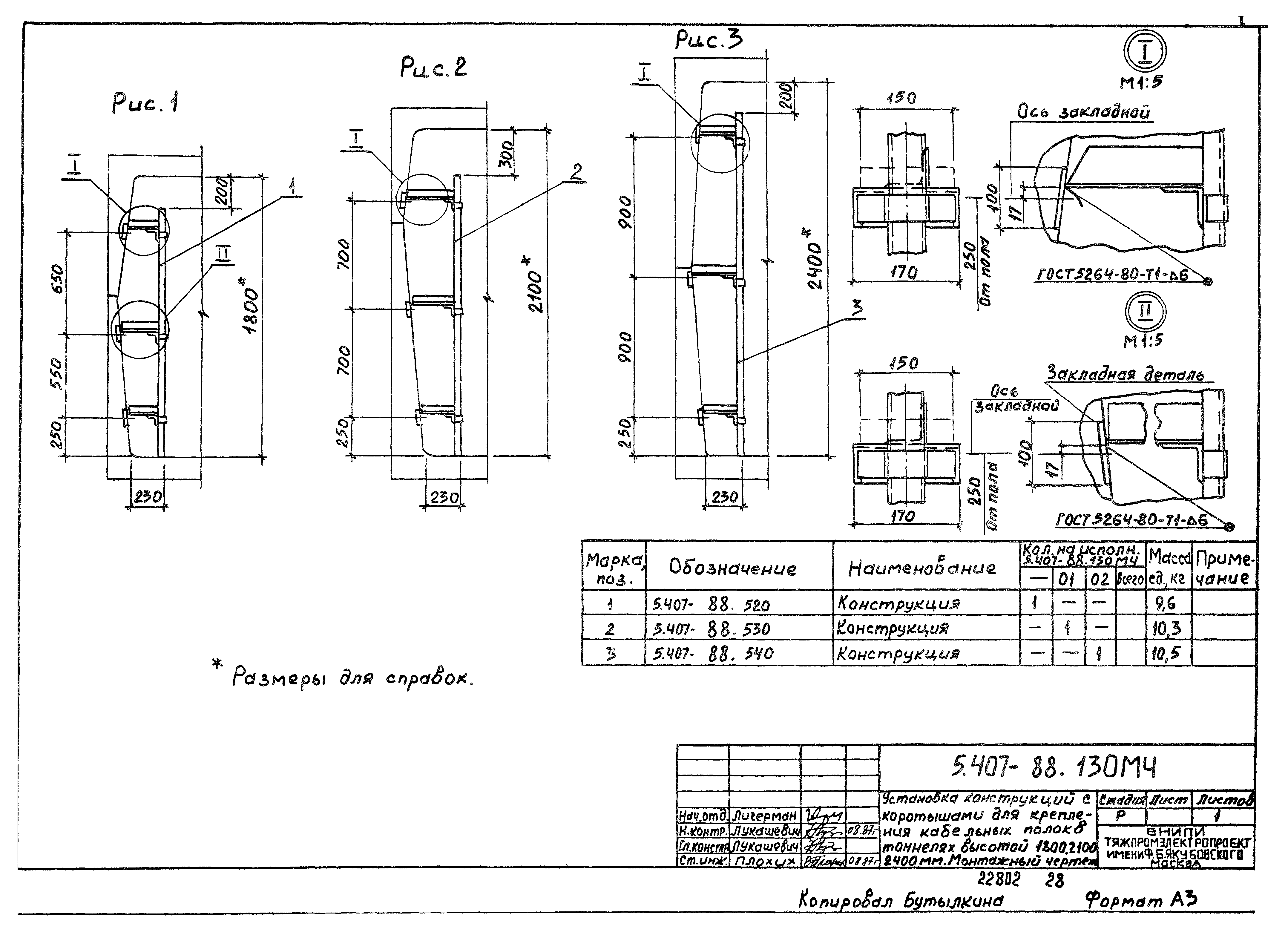
| Оглавление: | Содержание Пояснительная записка 5.407-88.10ТБ Таблица выбора чертежей установки кабельных конструкций на стене и под перекрытием 5.407-88.20ТБ Таблица выбора чертежей установки кабельных конструкций в каналах и тоннелях 5.407-88.30ВА Ведомость изделий и материалов для изготовления электромонтажных конструкций и деталей в МЭЗ 5.407-88.40МЧ Установка одиночной кабельной конструкции с полками на стене. Монтажный чертеж 5.407-88.50МЧ Установка одиночной кабельной конструкции с закладными подвесками на стене. Монтажный чертеж 5.407-88.60МЧ Установка одиночной односторонней кабельной конструкции с полками под перекрытием. Монтажный чертеж 5.407-88.70МЧ Установка одиночной двухсторонней кабельной конструкции с полками под перекрытием. Монтажный чертеж 5.407-88.80МЧ Установка одиночной сдвоенной кабельной конструкции с полками под перекрытием. Монтажный чертеж 5.407-88.90МЧ Установка одиночной кабельной конструкции с закладными подвесками под перекрытием. Монтажный чертеж 5.407-88.100МЧ Установка конструкций с кабельными полками в каналах глубиной 300…1200 мм. Монтажный чертеж 5.407-88.110МЧ Установка конструкций с закладными подвесками в каналах глубиной 300…1200 мм. Монтажный чертеж 5.407-88.120МЧ Установка конструкций для крепления кабельных полок в тоннелях высотой 1800, 2100, 2400 мм. Монтажный чертеж 5.407-88.130МЧ Установка конструкций с коротышами для крепления кабельных полок в тоннелях высотой 1800, 2100, 2400 мм. Монтажный чертеж 5.407-88.140МЧ Установка конструкций для крепления закладных подвесок в тоннелях высотой 1800, 2100 мм. Монтажный чертеж 5.407-88.150МЧ Установка конструкций для крепления кабельных полок в тоннелях прямоугольного сечения высотой 1800, 2100, 2400 мм. Монтажный чертеж 5.407-88.160 Настенная одиночная кабельная конструкция высотой 400 мм 5.407-88.170 Настенная одиночная кабельная конструкция высотой 600 мм 5.407-88.180 Настенная одиночная кабельная конструкция высотой 800 мм 5.407-88.190 Настенная одиночная кабельная конструкция высотой 1200 мм 5.407-88.200 Настенная одиночная кабельная конструкция высотой 200 мм с подвесками 5.407-88.210 Настенная одиночная кабельная конструкция высотой 400 мм с подвесками 5.407-88.220 Настенная одиночная кабельная конструкция высотой 600 мм с подвесками 5.407-88.230 Настенная одиночная кабельная конструкция высотой 800 мм с подвесками 5.407-88.240 Настенная одиночная кабельная конструкция высотой 1200 мм с подвесками 5.407-88.250 Потолочная одиночная односторонняя кабельная конструкция высотой 420 мм 5.407-88.260 Потолочная одиночная односторонняя кабельная конструкция высотой 620 мм 5.407-88.270 Потолочная одиночная односторонняя кабельная конструкция высотой 820 мм 5.407-88.280 Потолочная одиночная односторонняя кабельная конструкция высотой 1220 мм 5.407-88.290 Потолочная одиночная двухсторонняя кабельная конструкция высотой 420 мм 5.407-88.300 Потолочная одиночная двухсторонняя кабельная конструкция высотой 620 мм 5.407-88.310 Потолочная одиночная двухсторонняя кабельная конструкция высотой 820 мм 5.407-88.320 Потолочная одиночная двухсторонняя кабельная конструкция высотой 1220 мм 5.407-88.330 Потолочная сдвоенная одиночная кабельная конструкция высотой 410 мм 5.407-88.340 Потолочная сдвоенная одиночная кабельная конструкция высотой 610 мм 5.407-88.350 Потолочная сдвоенная одиночная кабельная конструкция высотой 810 мм 5.407-88.360 Потолочная сдвоенная одиночная кабельная конструкция высотой 1210 мм 5.407-88.370 Потолочная одиночная односторонняя кабельная конструкция высотой 415 мм с подвесками 5.407-88.380 Потолочная одиночная двухсторонняя кабельная конструкция высотой 415 мм с подвесками 5.407-88.390 Конструкция кабельная одиночная для установки в каналах глубиной 300 мм 5.407-88.400 Конструкция кабельная одиночная для установки в каналах глубиной 450 мм 5.407-88.410 Конструкция кабельная одиночная для установки в каналах глубиной 800 мм 5.407-88.420 Конструкция кабельная одиночная для установки в каналах глубиной 900 мм 5.407-88.430 Конструкция кабельная одиночная для установки в каналах глубиной 1200 мм 5.407-88.440 Конструкция кабельная одиночная с подвесками для установки в каналах глубиной 300 мм 5.407-88.450 Конструкция кабельная одиночная с подвесками для установки в каналах глубиной 450 мм 5.407-88.460 Конструкция кабельная одиночная с подвесками для установки в каналах глубиной 600 мм 5.407-88.470 Конструкция кабельная одиночная с подвесками для установки в каналах глубиной 900 мм 5.407-88.480 Конструкция кабельная одиночная с подвесками для установки в каналах глубиной 1200 мм 5.407-88.490 Кабельная конструкция высотой 1600 мм для установки в тоннелях 5.407-88.500 Кабельная конструкция высотой 1800 мм для установки в тоннелях 5.407-88.510 Кабельная конструкция высотой 2200 мм для установки в тоннелях 5.407-88.520 Кабельная конструкция с коротышами высотой 1600 мм для установки в тоннелях 5.407-88.530 Кабельная конструкция с коротышами высотой 1800 мм для установки в тоннелях 5.407-88.540 Кабельная конструкция с коротышами высотой 2200 мм для установки в тоннелях 5.407-88.550 Кабельная конструкция высотой 1600 мм для подвесок для установки в тоннелях 5.407-88.560 Кабельная конструкция высотой 1800 мм для подвесок для установки в тоннелях 5.407-88.570 Кабельная конструкция высотой 1600 мм для установки в тоннелях прямоугольного сечения 5.407-88.580 Кабельная конструкция высотой 1800 мм для установки в тоннелях прямоугольного сечения 5.407-88.590 Кабельная конструкция высотой 2200 мм для установки в тоннелях прямоугольного сечения 5.407-88.600 Настенный блок кабельных конструкций с полками 5.407-88.610 Настенный блок кабельных конструкций с подвесками 5.407-88.620 Потолочный односторонний блок кабельных конструкций с полками 5.407-88.630 Потолочный двухсторонний блок кабельных конструкций с полками 5.407-88.640 Потолочный двухсторонний блок кабельных конструкций с полками 5.407-88.650 Потолочный односторонний блок кабельных конструкций с подвесками 5.407-88.660 Потолочный двухсторонний блок кабельных конструкций с подвесками |
| Разработан: | ВНИПИ Тяжпромэлектропроект им. Ф.Б. Якубовского |
| Утверждён: | 20.11.1987 Минмонтажспецстрой СССР (USSR Minmontazhspetsstroy ) |
| Расположен в: |















































































