| ||||||||||||||||||||||||||||
Скачать Серия 5.903-15 Выпуск 7-6. Блок эжекторов водоструйных БЭВ-340. Рабочие чертежиДата актуализации: 10.08.2017
|
| Обозначение: | Серия 5.903-15 |
| Обозначение англ: | Series 5.903-15 |
| Статус: | не определен законодательством |
| Название рус.: | Выпуск 7-6. Блок эжекторов водоструйных БЭВ-340. Рабочие чертежи |
| Дата добавления в базу: | 01.10.2014 |
| Дата актуализации: | 05.05.2017 |
| Дата введения: | 14.02.1990 |
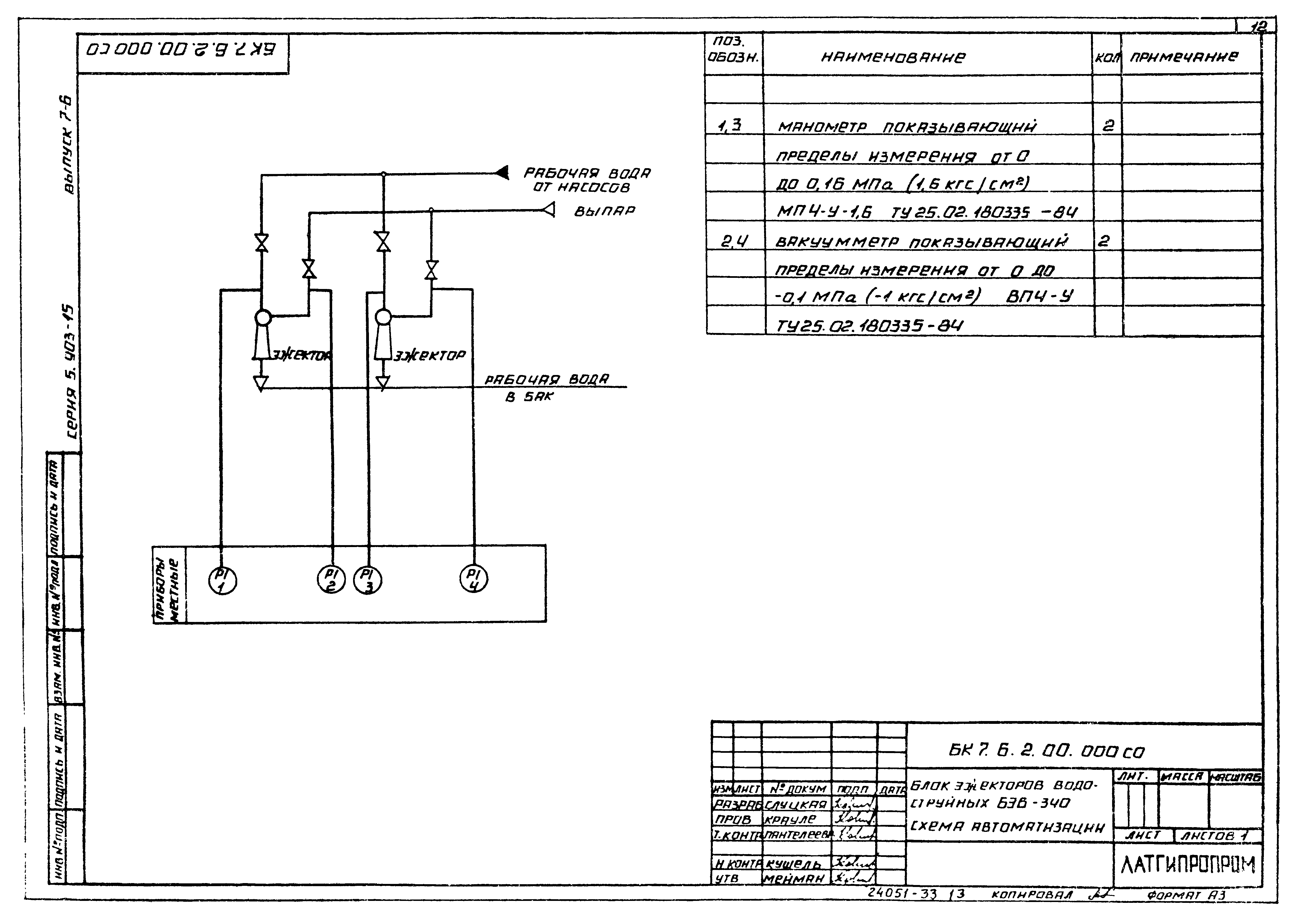
| Оглавление: | Блок эжекторов водоструйных БЭВ-340 БК7.6.1.00.000 Блок БЭВ-340 БК7.6.1.00.000СБ Блок БЭВ-340 БК7.6.1.00.000ГЗ Блок БЭВ-340. Схема принципиальная БК7.1.1.00.001 Заглушка БК7.1.1.00.002 Прокладка БК7.1.1.00.003 Хомут БК7.1.1.00.004 Патрубок БК7.1.1.00.005 Патрубок БК7.1.1.00.006 Патрубок БК7.6.1.01.000 Рама БК7.6.1.01.000СБ Рама Установка приборов контроля и автоматики БЭВ-340 БК7.6.2.00.000 Блок БЭВ-340. Установка приборов контроля и автоматики БК7.6.2.00.000СО Блок БЭВ-340. Схема автоматизации БК7.6.2.00.000СБ Блок БЭВ-340. Установка приборов контроля и автоматики |
| Разработан: | Латгипропром |
| Утверждён: | 14.02.1990 ММСС СССР |
| Издан: | ЦИТП Госстроя СССР (CITP, Gosstroy (USSR) 1990 г. ) |
| Расположен в: |













