Информационная система
«Ёшкин Кот»

Скачать базу одним архивом
Скачать обновления
История создания базы
Карта сайта

Скачать Серия 5.407-120 Выпуск 0. Материалы для проектирования

Дата актуализации: 10.08.2017

Серия 5.407-120

Выпуск 0. Материалы для проектирования

Обозначение: Серия 5.407-120
Обозначение англ: Series 5.407-120
Статус:не определен законодательством
Название рус.:Выпуск 0. Материалы для проектирования
Дата добавления в базу:01.09.2013
Дата актуализации:05.05.2017
Дата введения:01.07.1990
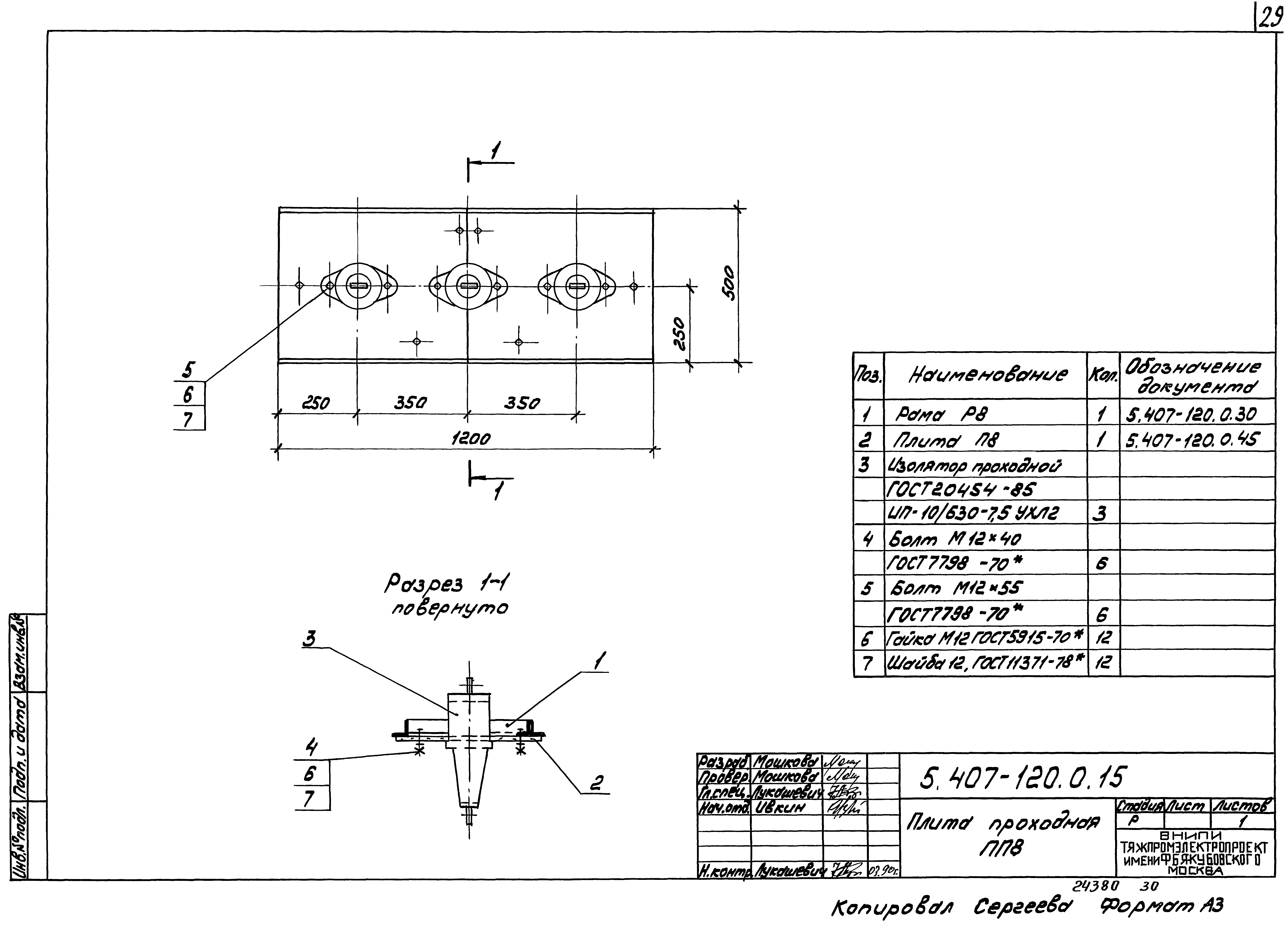
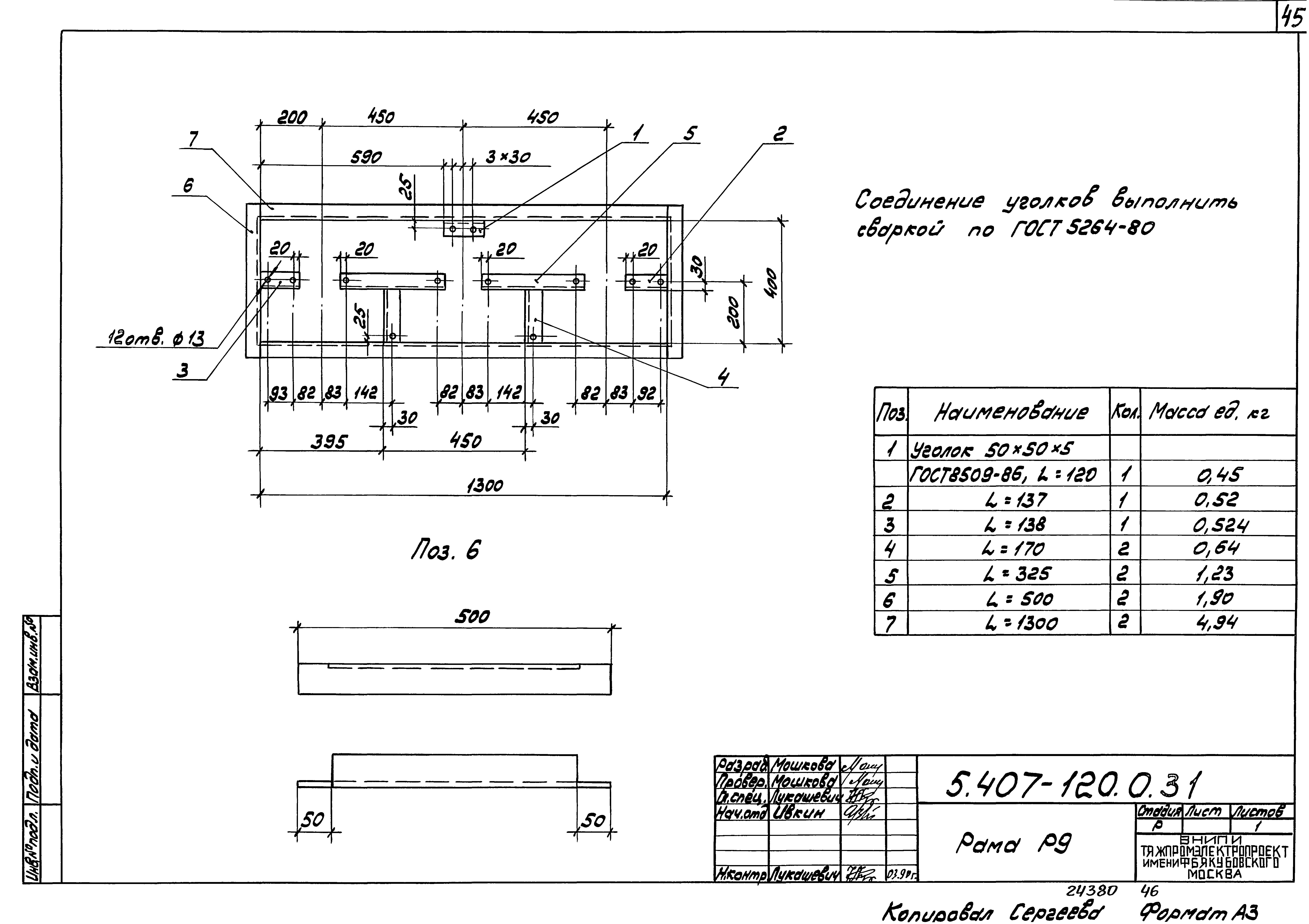
Область применения:Серия содержит рабочую документацию на проходные плиты с изоляторами на напряжение 6-10 кВ, материалы для проектирования (выбор плит и строительные задания на проемы), а также ведомости оборудования и материалов для изготовления проходных плит
Разработан: ВНИПИ Тяжпромэлектропроект им. Ф.Б. Якубовского
Утверждён:20.06.1989 НПО Электромонтаж ММСС СССР
Расположен в:Техническая документация Строительство Справочные документы Типовые строительные конструкции, изделия и узлы Общероссийский строительный каталог Строительные конструкции, изделия и узлы зданий и сооружений для всех видов строительства Инженерное оборудование Инженерное оборудование; изделия и узлы инженерного оборудования зданий и сооружений Электрооборудование и электросети Прокладка шинопроводов, кабелей, троллеев и электропроводок
Серия 5.407-120Серия 5.407-120Серия 5.407-120Серия 5.407-120Серия 5.407-120Серия 5.407-120Серия 5.407-120Серия 5.407-120Серия 5.407-120Серия 5.407-120Серия 5.407-120Серия 5.407-120Серия 5.407-120Серия 5.407-120Серия 5.407-120Серия 5.407-120Серия 5.407-120Серия 5.407-120Серия 5.407-120Серия 5.407-120Серия 5.407-120Серия 5.407-120Серия 5.407-120Серия 5.407-120Серия 5.407-120Серия 5.407-120Серия 5.407-120Серия 5.407-120Серия 5.407-120Серия 5.407-120Серия 5.407-120Серия 5.407-120Серия 5.407-120Серия 5.407-120Серия 5.407-120Серия 5.407-120Серия 5.407-120Серия 5.407-120Серия 5.407-120Серия 5.407-120Серия 5.407-120Серия 5.407-120Серия 5.407-120Серия 5.407-120Серия 5.407-120Серия 5.407-120Серия 5.407-120Серия 5.407-120Серия 5.407-120Серия 5.407-120Серия 5.407-120Серия 5.407-120Серия 5.407-120Серия 5.407-120Серия 5.407-120Серия 5.407-120Серия 5.407-120Серия 5.407-120Серия 5.407-120Серия 5.407-120Серия 5.407-120Серия 5.407-120Серия 5.407-120

© 2013 Ёшкин Кот :-) Карта сайта