| ||||||||||||||||||||||||||
Скачать Серия 7.407-8 Выпуск 1. Монтажные чертежиДата актуализации: 10.08.2017
|
| Обозначение: | Серия 7.407-8 |
| Обозначение англ: | Series 7.407-8 |
| Статус: | не определен законодательством |
| Название рус.: | Выпуск 1. Монтажные чертежи |
| Дата добавления в базу: | 01.09.2013 |
| Дата актуализации: | 05.05.2017 |
| Дата введения: | 01.08.1986 |
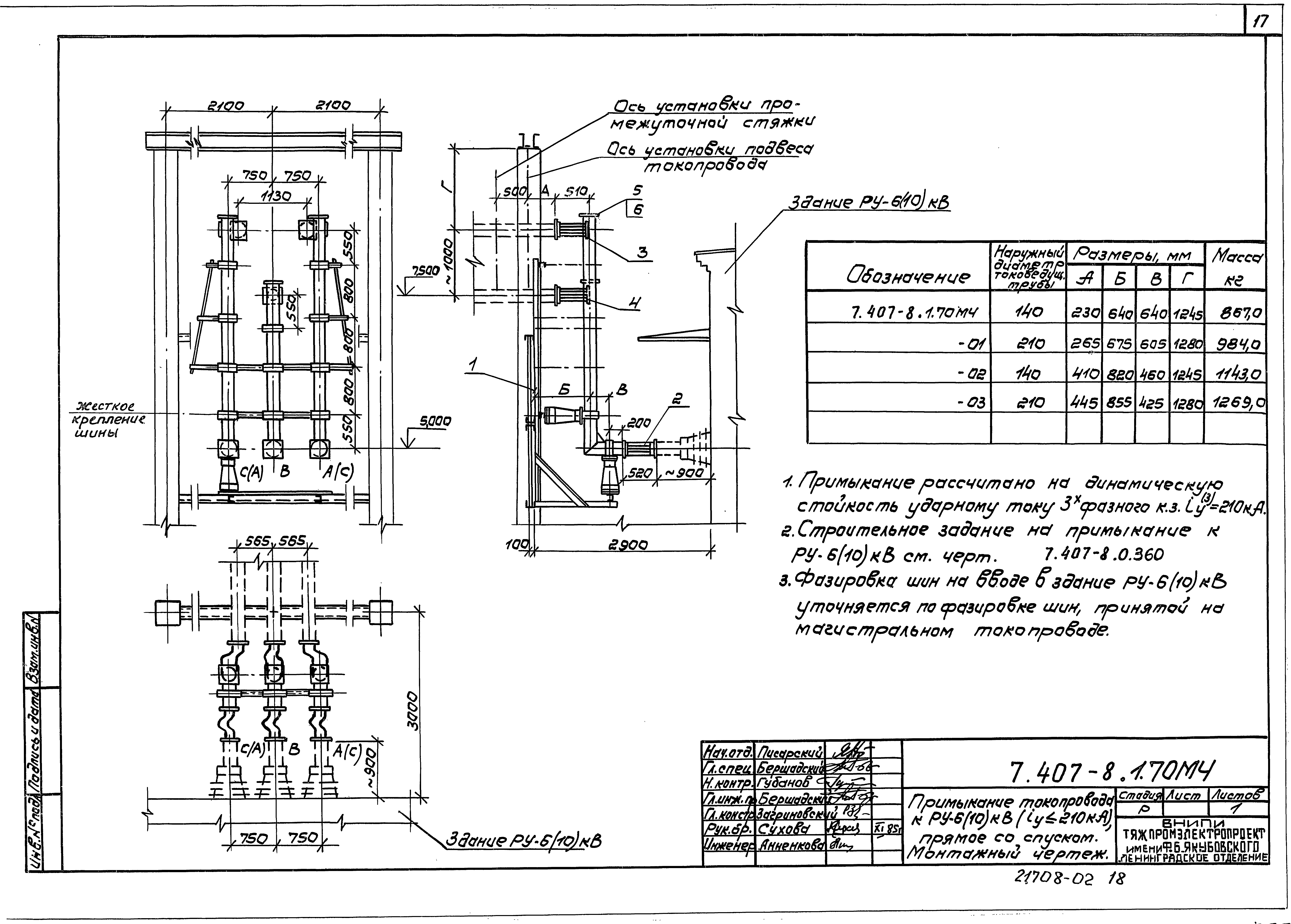
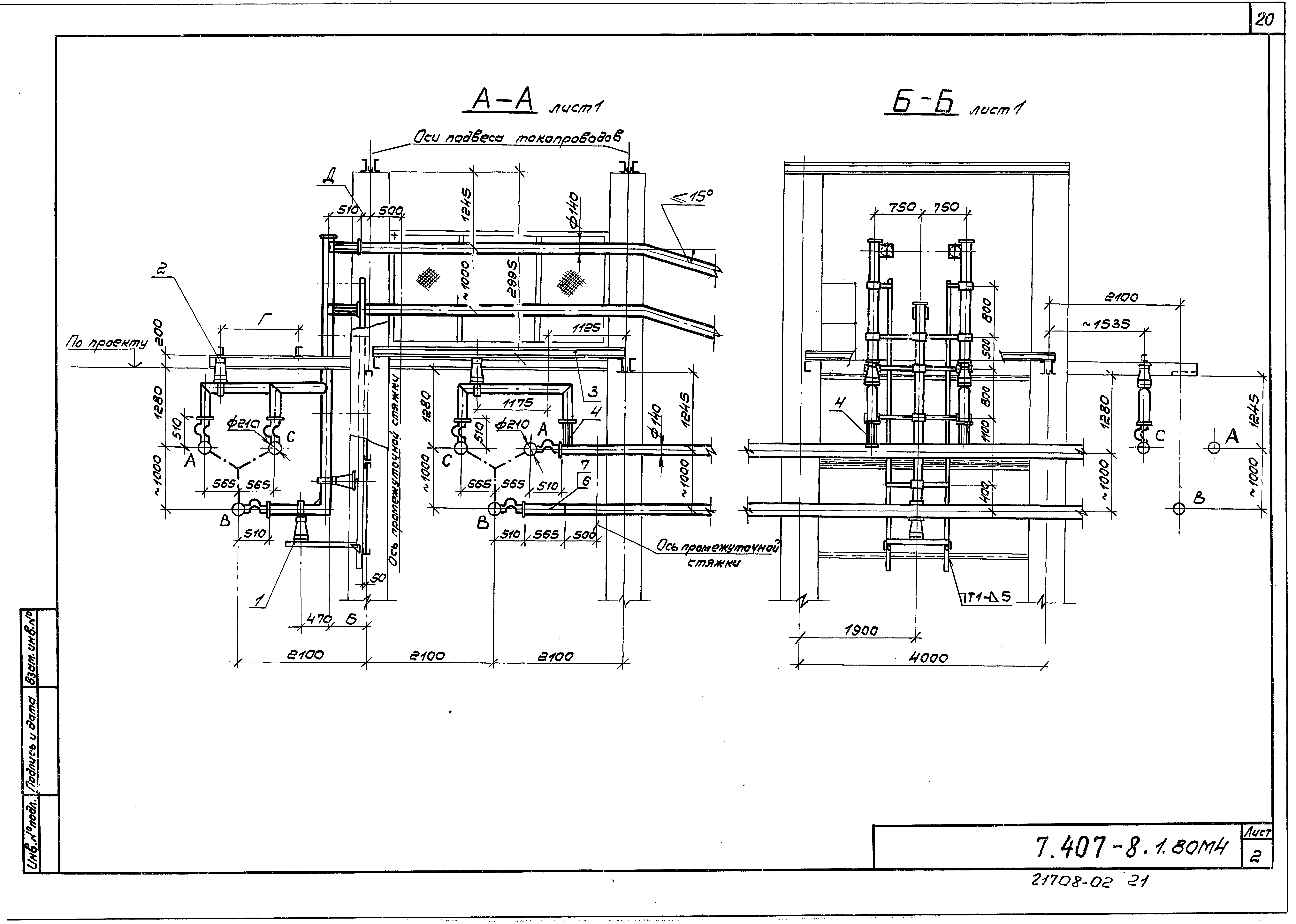
| Оглавление: | 7.407-8.1.10 Разрез по трассе одноцепного токопровода 7.407-8.1.20 Разрез по трассе двухцепного токопровода 7.407-8.1.30 Подъем (спуск) токопровода ПСТ-3950 (5920)/160-Н 7.407-8.1.30МЧ Подъем (спуск) токопровода ПСТ-3950 (5920)/160-Н. Монтажный чертеж 7.407-8.1.40 Подъем (спуск) токопровода ПСТ-3950 (5920)/210-Н 7.407-8.1.40МЧ Подъем (спуск) токопровода ПСТ-3950 (5920)/210-Н. Монтажный чертеж 7.407-8.1.50 Примыкание токопроводов к зданию РУ-6(10) кВ, прямое 7.407-8.1.50МЧ Примыкание токопроводов к зданию РУ-6(10) кВ, прямое. Монтажный чертеж 7.407-8.1.60 Примыкание токопроводов к зданию РУ-6(10) кВ (Iy меньше или равно 160 кА), прямое со спуском 7.407-8.1.60МЧ Примыкание токопроводов к зданию РУ-6(10) кВ (Iy меньше или равно 160 кА), прямое со спуском. Монтажный чертеж 7.407-8.1.70 Примыкание токопроводов к зданию РУ-6(10) кВ (Iy меньше или равно 210 кА), прямое со спуском 7.407-8.1.70МЧ Примыкание токопроводов к зданию РУ-6(10) кВ (Iy меньше или равно 210 кА), прямое со спуском. Монтажный чертеж 7.407-8.1.80 Отпайка от токопровода ОНЖ-2-3950/210-h 7.407-8.1.80МЧ Отпайка от токопровода ОНЖ-2-3950/210-h. Монтажный чертеж 7.407-8.1.90 Отпайка от токопровода ОНГ-1-630-L/f, ОНГ-2-630-L/f 7.407-8.1.90МЧ Отпайка от токопровода ОНГ-1-630-L/f, ОНГ-2-630-L/f. Монтажный чертеж 7.407-8.1.100 Отпайка от токопровода ОНГ-1-1600-L/f, ОНГ-2-1600-L/f 7.407-8.1.100МЧ Отпайка от токопровода ОНГ-1-1600-L/f, ОНГ-2-1600-L/f. Монтажный чертеж 7.407-8.1.110 Отпайка от токопровода ОНГ-1-2500-L/f, ОНГ-2-2500-L/f 7.407-8.1.110МЧ Отпайка от токопровода ОНГ-1-2500-L/f, ОНГ-2-2500-L/f. Монтажный чертеж 7.407-8.1.120 Установка фиксатора подвеса токопровода 7.407-8.1.120МЧ Установка фиксатора подвеса токопровода. Монтажный чертеж 7.407-8.1.130 Установка заземления на шинах токопровода 7.407-8.1.140 Узел сварки шин профиля "труба круглая" |
| Разработан: | ВНИПИ Тяжпромэлектропроект им. Ф.Б. Якубовского |
| Утверждён: | 09.06.1986 Минмонтажспецстрой СССР (USSR Minmontazhspetsstroy ) |
| Расположен в: |




































