| ||||||||||||||||||||||||||
Скачать Серия 7.407-8 Выпуск 0. Материалы для проектированияДата актуализации: 10.08.2017
|
| Обозначение: | Серия 7.407-8 |
| Обозначение англ: | Series 7.407-8 |
| Статус: | не определен законодательством |
| Название рус.: | Выпуск 0. Материалы для проектирования |
| Дата добавления в базу: | 01.09.2013 |
| Дата актуализации: | 05.05.2017 |
| Дата введения: | 01.08.1986 |
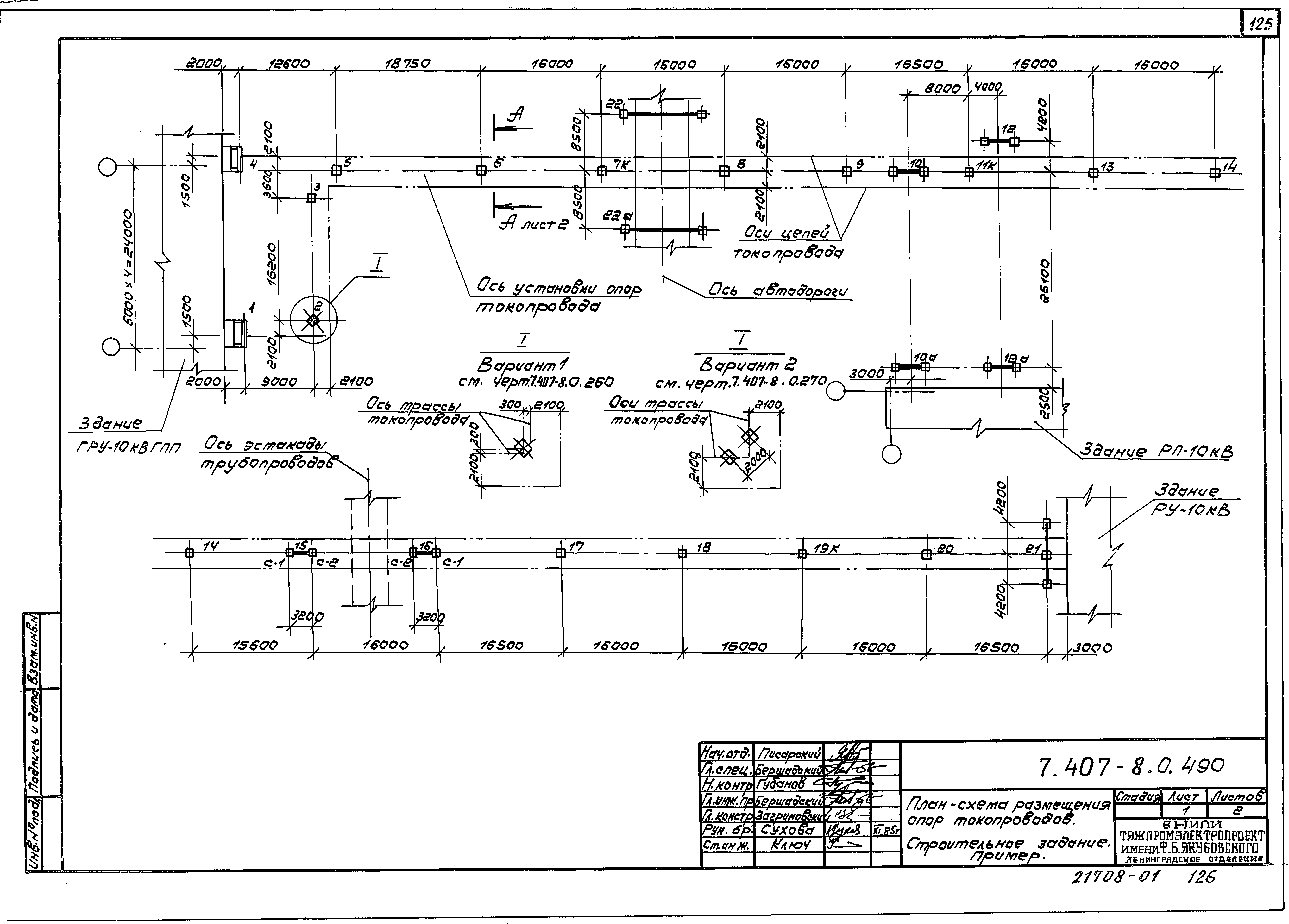
| Оглавление: | 7.407-8.0.ПЗ Пояснительная записка 7.407-8.0.10ТБ основные характеристики симметричных токопроводов 6х10 кВ, токоведущих шин, изоляторов 7.407-8.0.20ТБ Сцепная арматура и изделия ГЭМ, применяемые в токопроводах 7.407-8.0.30ТБ Значения токов трехфазного короткого замыкания по трассе токопровода с шинами АД31.Т.КР140х10 7.407-8.0.40ТБ Значения токов трехфазного короткого замыкания по трассе токопровода с шинами АД31.Т.КР210х10 7.407-8.0.50ТБ Максимально допустимые расстояния между подвесами токопровода, м (в гл=0,5 см, изолятор 2хПСН70-Д) 7.407-8.0.60ТБ Максимально допустимые расстояния между подвесами токопровода, м (в гл=0,5 см, изолятор 2хПСД70-ДМ) 7.407-8.0.70ТБ Максимально допустимые расстояния между подвесами токопровода, м (в гл=1,0 см, изолятор 2хПСН70-Д) 7.407-8.0.80ТБ Максимально допустимые расстояния между подвесами токопровода, м (в гл=1,0 см, изолятор 2хПСД70-ДМ) 7.407-8.0.90ТБ Максимально допустимые расстояния между подвесами токопровода, м (в гл=1,5 см, изолятор 2хПСН70-Д) 7.407-8.0.100ТБ Максимально допустимые расстояния между подвесами токопровода, м (в гл=1,5 см, изолятор 2хПСД70-ДМ) 7.407-8.0.110ТБ Максимально допустимые расстояния между подвесами токопровода, м (в гл=2,0 см, изолятор 2хПСН70-Д) 7.407-8.0.120ТБ Максимально допустимые расстояния между подвесами токопровода, м (в гл=2,0 см, изолятор 2хПСД70-ДМ) 7.407-8.0.130ТБ Нагрузки на конструкции строительной части в точке подвеса токопровода с шинами АД31.Т.КР140х10 (в гл = 0,5 см) 7.407-8.0.140ТБ Нагрузки на конструкции строительной части в точке подвеса токопровода с шинами АД31.Т.КР140х10 (в гл = 1,0 см) 7.407-8.0.150ТБ Нагрузки на конструкции строительной части в точке подвеса токопровода с шинами АД31.Т.КР140х10 (в гл = 1,5 см) 7.407-8.0.160ТБ Нагрузки на конструкции строительной части в точке подвеса токопровода с шинами АД31.Т.КР140х10 (в гл = 2,0 см) 7.407-8.0.170ТБ Нагрузки на конструкции строительной части в точке подвеса токопровода с шинами АД31.Т.КР210х10 (в гл = 0,5 см) 7.407-8.0.180ТБ Нагрузки на конструкции строительной части в точке подвеса токопровода с шинами АД31.Т.КР210х10 (в гл = 1,0 см) 7.407-8.0.190ТБ Нагрузки на конструкции строительной части в точке подвеса токопровода с шинами АД31.Т.КР210х10 (в гл = 1,5 см) 7.407-8.0.200ТБ Нагрузки на конструкции строительной части в точке подвеса токопровода с шинами АД31.Т.КР210х10 (в гл = 2,0 см) 7.407-8.0.210ТБ Габариты приближения зданий, сооружений и различных видов дорог к токопроводам 6-10 кВ 7.407-8.0.220Д Условные обозначения 7.407-8.0.230Д Типовые требования к строительным заданиям на разработку рабочей документации строительной части токоприводов 7.407-8.0.240 Опора токопроводов промежуточная (концевая). Строительное задание 7.407-8.0.250 Опора токопроводов компенсаторная одиночная. Строительное задание 7.407-8.0.260 Опора токопроводов угловая одиночная (угол поворота трассы 90 град.). Строительное задание 7.407-8.0.270 Опора токопроводов угловая двойная (угол поворота трассы 90 град.). Строительное задание 7.407-8.0.280 Опора токопроводов угловая одиночная (угол поворота трассы 45 град.). Строительное задание 7.407-8.0.290 Опора токопроводов угловая двойная (угол поворота трассы 45 град.). Строительное задание 7.407-8.0.300 Опора токопроводов угловая одиночная (угол поворота трассы 15 град.). Строительное задание 7.407-8.0.310 Опора токопроводов угловая двойная (угол поворота трассы 15 град.). Строительное задание 7.407-8.0.320 Опора токопроводов компенсаторная двойная. Строительное задание 7.407-8.0.330 Кронштейн для подвеса токопровода. Строительное задание 7.407-8.0.340 Узлы разметки отверстий в металлоконструкциях для подвеса токопроводов. Строительное задание 7.407-8.0.350 Примыкание токопроводов к зданию РУ-6(10) кВ прямое. Строительное задание 7.407-8.0.360 Примыкание токопроводов к зданию РУ-6(10) кВ прямое со спуском. Строительное задание 7.407-8.0.390 Отпайка от магистрального двухцепного токопровода жесткая. Строительное задание 7.407-8.0.400 Отпайка от магистрального двухцепного токопровода гибкая. Строительное задание 7.407-8.0.420 Подъем (спуск) двухцепного токопровода. Строительное задание 7.407-8.0.430 Ворота ограничительные. Строительное задание 7.407-8.0.440 Разрез по трассе одноцепного токопровода 7.407-8.0.450 Разрез по трассе двухцепного токопровода 7.407-8.0.460 Подвес токопровода 7.407-8.0.470 Стяжка промежуточная 7.407-8.0.480 Фиксатор подвеса токопровода 7.407-8.0.490 План-схема размещения опор токопроводов. (Пример) 7.407-8.0.500 Токопроводы 10 кв. План трассы и разрезы. (Пример) 7.407-8.0.500МЧ Токопроводы 10 кв. План трассы и разрезы. (Пример). Монтажный чертеж |
| Разработан: | ВНИПИ Тяжпромэлектропроект им. Ф.Б. Якубовского |
| Утверждён: | 09.06.1986 Минмонтажспецстрой СССР (USSR Minmontazhspetsstroy ) |
| Расположен в: |


































































































































