| ||||||||||||||||||||||||
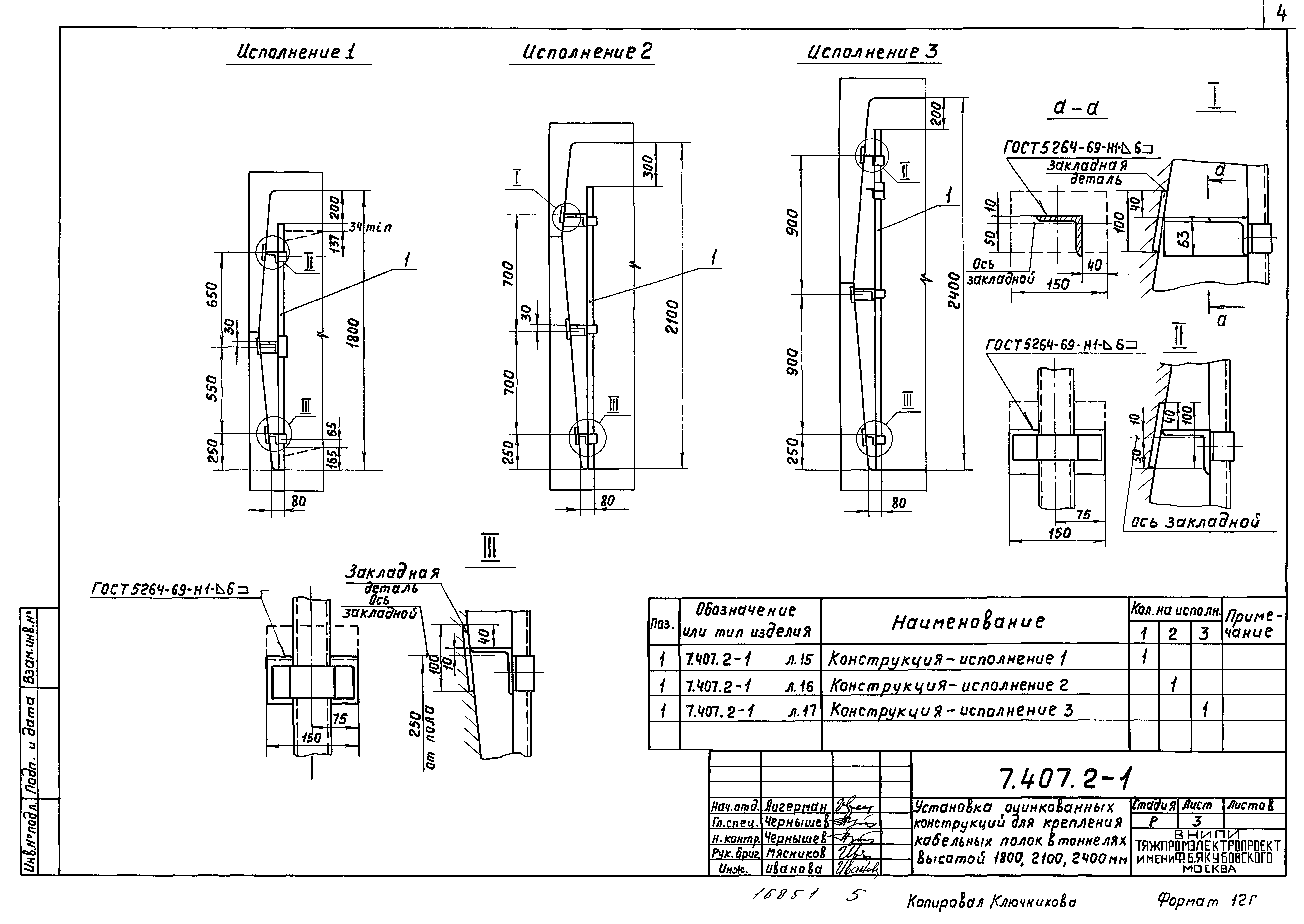
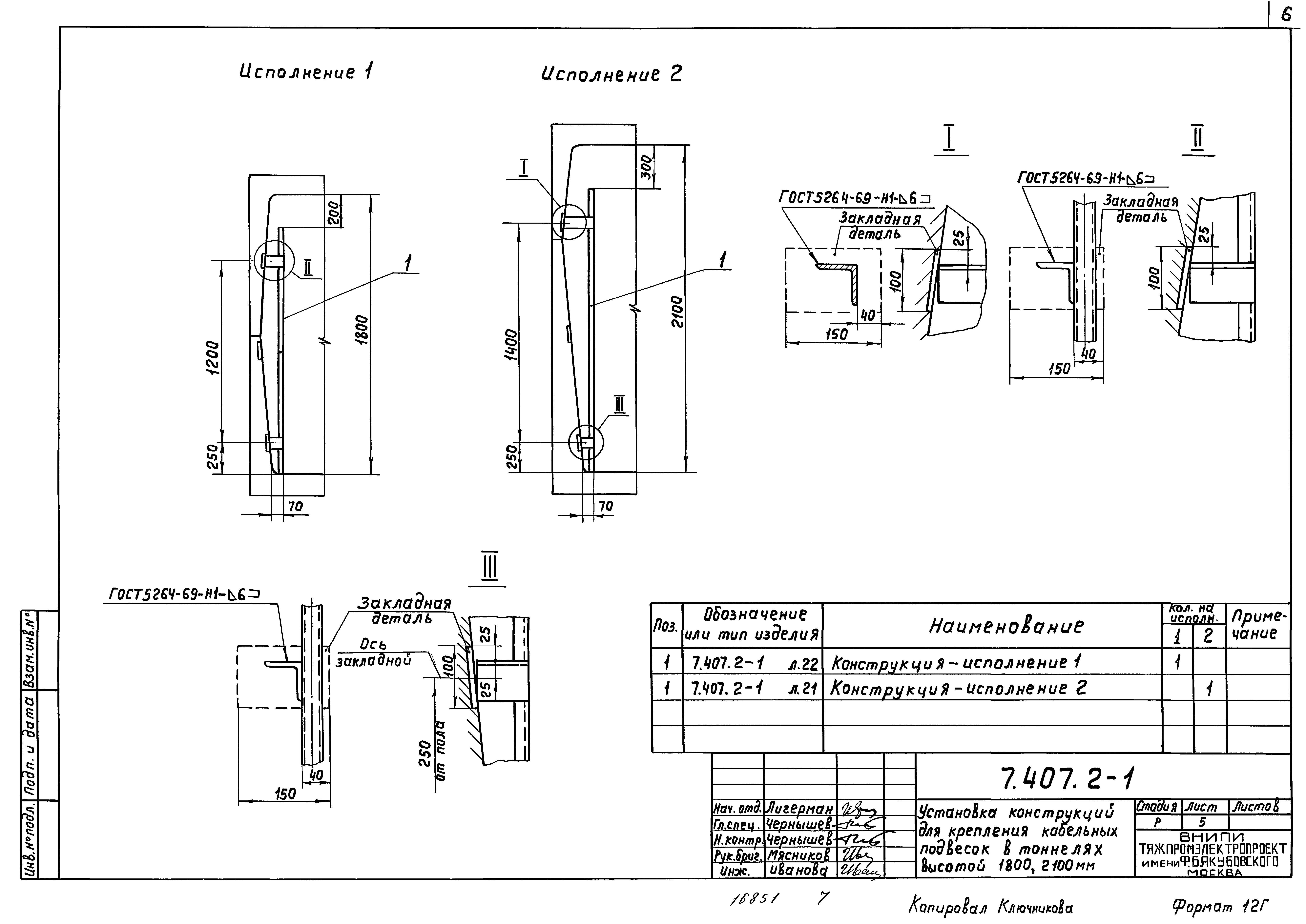
Скачать Серия 7.407.2-1 Прокладка кабелей в тоннелях. Рабочие чертежиДата актуализации: 10.08.2017
|
| Обозначение: | Серия 7.407.2-1 |
| Обозначение англ: | Series 7.407.2-1 |
| Статус: | не определен законодательством |
| Название рус.: | Прокладка кабелей в тоннелях. Рабочие чертежи |
| Дата добавления в базу: | 01.09.2013 |
| Дата актуализации: | 05.05.2017 |
| Дата введения: | 01.08.1980 |
| Разработан: | ВНИПИ Тяжпромэлектропроект им. Ф.Б. Якубовского |
| Утверждён: | 16.07.1980 ВНИПИ Тяжпромэлектропроект им. Ф.Б. Якубовского (F.B.Yakubovskiy Tyazhpromelektroproject VNIPI 98) |
| Расположен в: |
























