| ||||||||||||||||||||||||
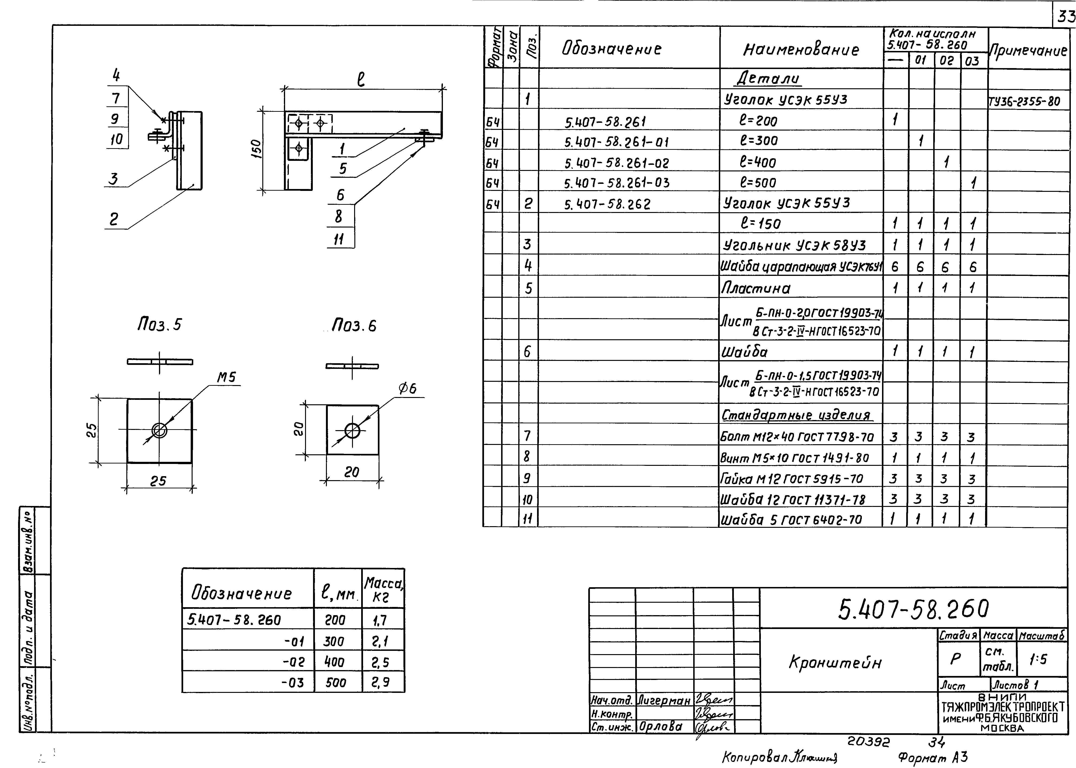
Скачать Серия 5.407-58 Прокладка осветительного шинопровода ШОС 80 на 16 А. Чертежи монтажныеДата актуализации: 10.08.2017
|
| Обозначение: | Серия 5.407-58 |
| Обозначение англ: | Series 5.407-58 |
| Статус: | не определен законодательством |
| Название рус.: | Прокладка осветительного шинопровода ШОС 80 на 16 А. Чертежи монтажные |
| Дата добавления в базу: | 01.09.2013 |
| Дата актуализации: | 05.05.2017 |
| Дата введения: | 01.01.1985 |
| Разработан: | ВНИПИ Тяжпромэлектропроект им. Ф.Б. Якубовского |
| Утверждён: | 07.01.1985 Минмонтажспецстрой СССР (USSR Minmontazhspetsstroy ) |
| Расположен в: |




































