| ||||||||||||||||||||||||
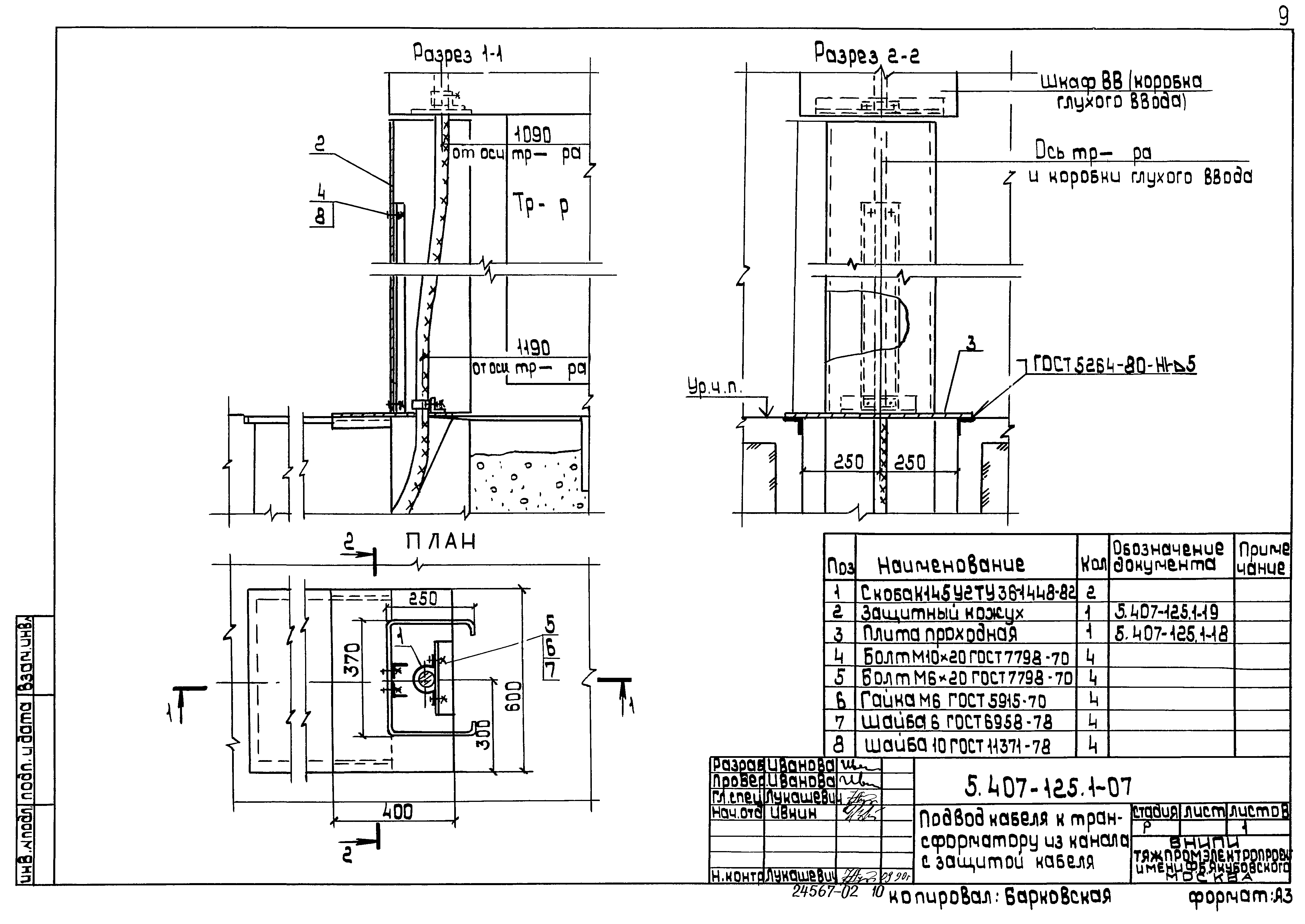
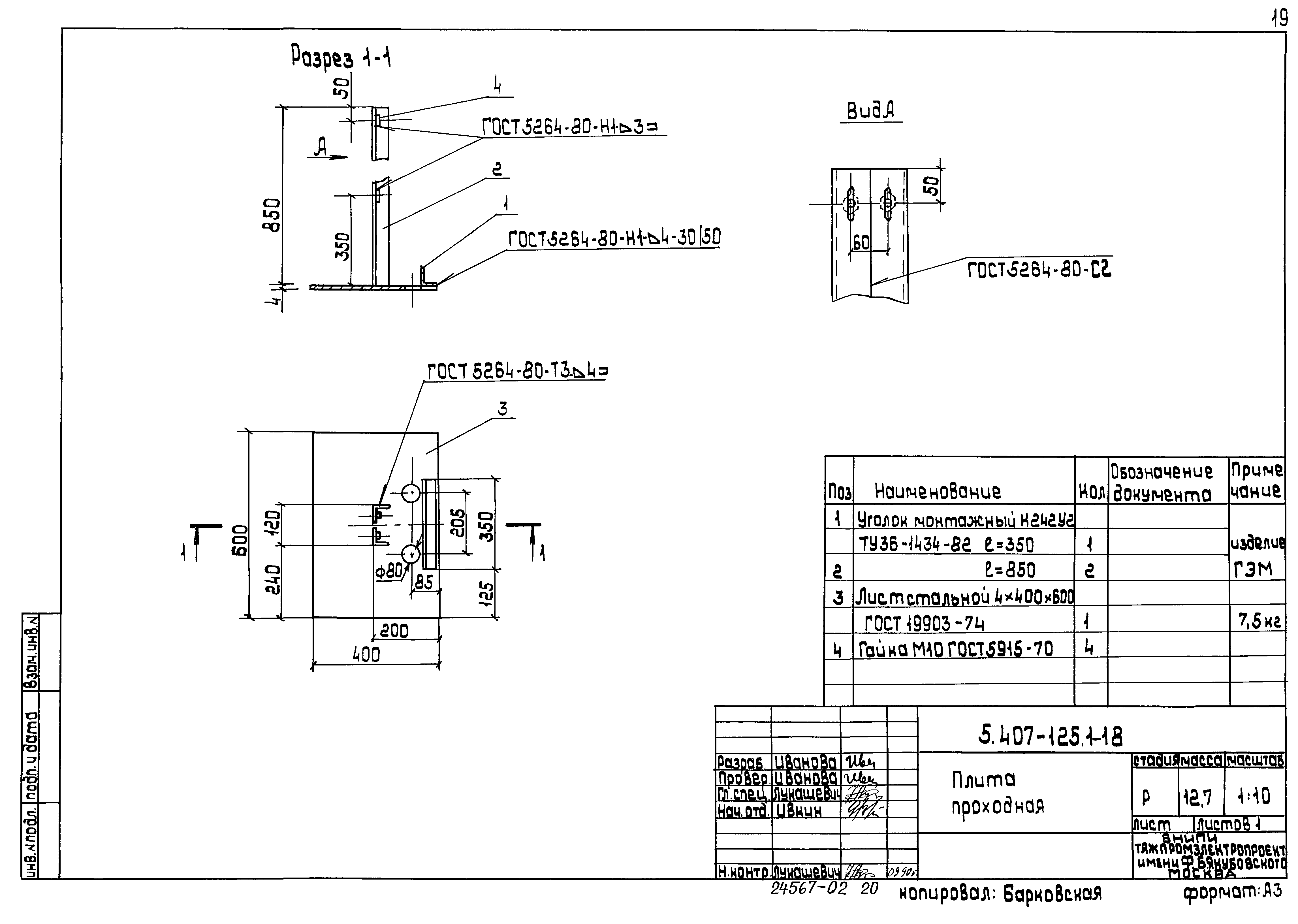
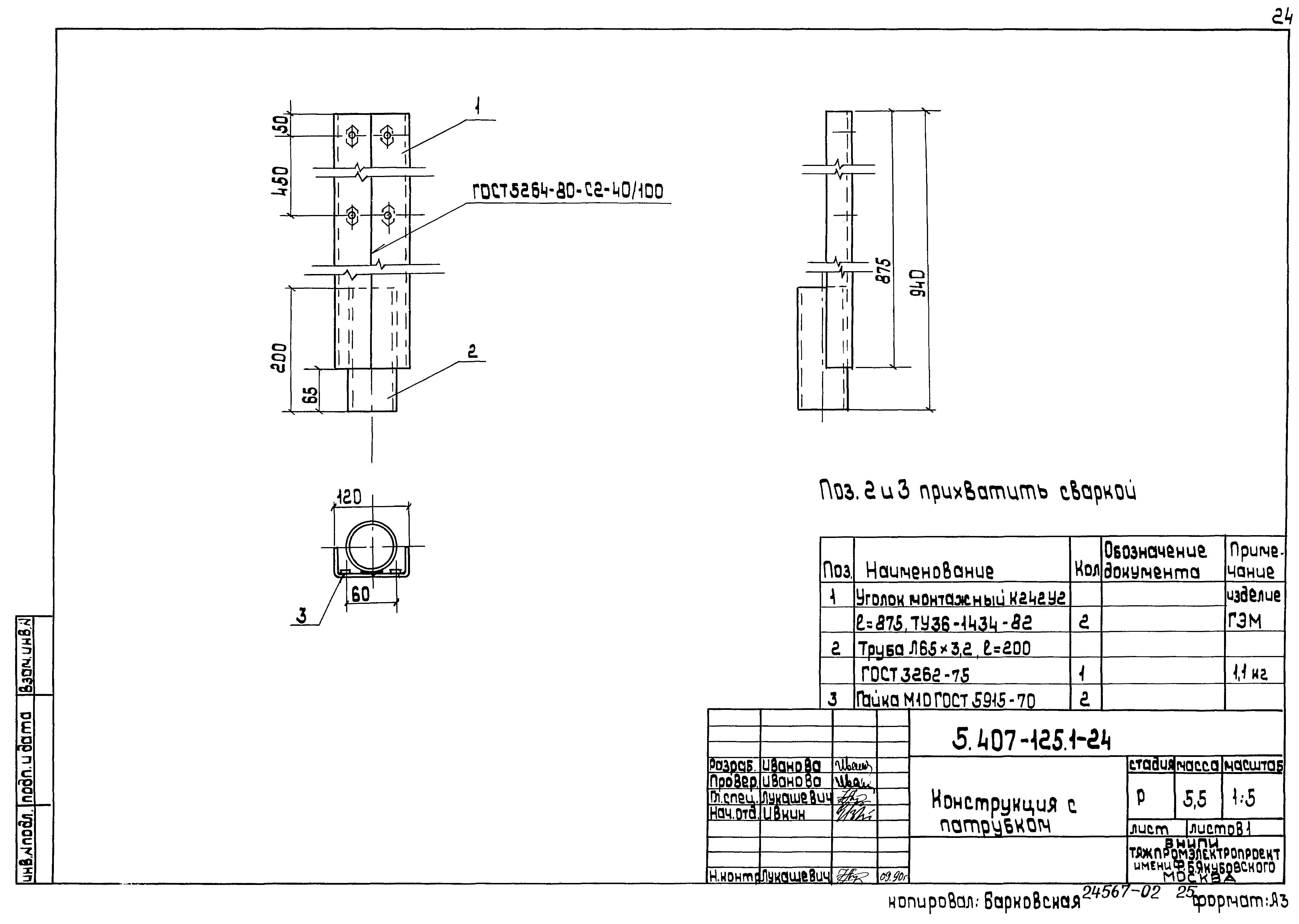
Скачать Серия 5.407-125 Выпуск 1. Узлы. Рабочие чертежиДата актуализации: 10.08.2017
|
| Обозначение: | Серия 5.407-125 |
| Обозначение англ: | Series 5.407-125 |
| Статус: | не определен законодательством |
| Название рус.: | Выпуск 1. Узлы. Рабочие чертежи |
| Дата добавления в базу: | 01.09.2013 |
| Дата актуализации: | 05.05.2017 |
| Дата введения: | 01.01.1991 |
| Разработан: | ВНИПИ Тяжпромэлектропроект им. Ф.Б. Якубовского |
| Утверждён: | 22.03.1990 НПО Электромонтаж ММСС СССР |
| Расположен в: |

























